index
logo

鋼軌用8.8級和10.9級高強度絕緣接頭螺栓 TB /T 2347 - 1993

選擇規格尺寸 點擊↓

M22

M24


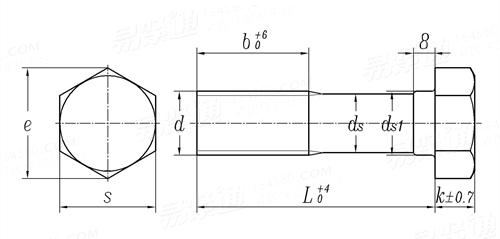
尺寸單位: mm
鐵道部TB /T2347 - 1993 TB2347 2347TB 鋼軌用8.8級和10.9級高強度絕緣接頭螺栓
TB /T 2347 - 1993 鋼軌用8.8級和10.9級高強度絕緣接頭螺栓
掃一掃分享
螺紋規格
d
M22 M24
性能等級
ds
ds1
e
s
k
L 最大值
最小值
b 最大值
最小值
8.8 10.9
20.376 22.051
22 24
39.55 39.55
36 36
15 15
154/164/174 154/169/174/184
150/160/170 150/165/170/180
66 66
60 60

技術條件和引用标準

推薦材料
螺紋 公差
标準
機械性能 抗拉強度σbmin
屈服強度σ0.2min
洛氏硬度HRC
伸長率δmin
表準質量
10.9S,20MnSi化學成分,GB 1499;
8.8S,Q275,GB 700
8g
GB/T 196、GB/T 197
8.8S:830 MPa
10.9S:1040 MPa
8.8S:660 MPa
10.9S:940 MPa
8.8S:25~35
10.9S:34~41
8.8S:12%
10.9S:9%
① 螺紋表面不允許有裂紋,不允許有妨礙螺紋量規自由旋入的碰傷和毛刺,不允許有影響使用的雙牙尖、劃痕和絲扣不完整。
② 接頭螺栓表面不允許有影響使用的凹痕、毛刺、浮鏽圓鈍、飛邊、燒傷和氧化皮;應按GB 5779.1及GB 5779.2規定執行。
③ 接頭螺栓對螺杆軸心線的同軸度公差為φ1.4mm。
④螺栓支承面對螺杆軸心線垂直度公差按GB 3103.1 中的粗制螺栓 C級 公差的規定。
注:技術數據僅供參考,請以官方原件為準!
類似标準及供貨信息
1 鋼結構用高強度大六角頭螺栓 [國标]
GB /T 1231 (bolt) - 2024
鋼結構用高強度大六角頭螺栓
High Strength Bolts with Large Hexagon Head Assemblies for Steel Structures
供應商(8)
2 管法蘭連接用六角頭螺栓 PN系列 [國标]
GB /T 9125.1 - 2020
管法蘭連接用六角頭螺栓 PN系列
Hex Bolt for Pipe Flange Connection - PN Designated
供應商(1)
3 管法蘭連接用六角頭螺栓 Class系列 [國标]
GB /T 9125.2 - 2020
管法蘭連接用六角頭螺栓 Class系列
Hex Bolt for Pipe Flange Connection - Class Designated
供應商(1)
4 鋼網架螺栓球節點用高強度螺栓 [國标]
GB /T 16939 - 2016
鋼網架螺栓球節點用高強度螺栓
High Strength Bolts for Joints of Space Grid Structures
供應商(1)
5 管法蘭連接用六角頭螺栓 [國标]
GB /T 9125 - 2010
管法蘭連接用六角頭螺栓
Hex Bolt for Pipe Flange Connection
供應商(1)
6 鋼結構用高強度大六角頭螺栓 [國标]
GB /T 1228 - 2006
鋼結構用高強度大六角頭螺栓
High Strength Bolts with Large Hexagon Head for Steel Structures
供應商(8)
7 管法蘭連接用六角頭螺栓 [國标]
GB /T 9125 - 2003
管法蘭連接用六角頭螺栓
Hex Bolt for Pipe Flange Connection
供應商(1)
8 鋼網架螺栓球節點用高強度螺栓 [國标]
GB /T 16939 - 1997
鋼網架螺栓球節點用高強度螺栓
High Strength Bolts for Joints of Space Grid Structures
供應商(1)
9 鋼結構用高強度大六角頭螺栓 [國标]
GB /T 1228 - 1991
鋼結構用高強度大六角頭螺栓
High Strength Bolts with Large Hexagon Head for Steel Structures
供應商(8)
10 預載荷高強度栓接結構連接副 第3部分 HR型 大六角頭螺栓 [國标]
GB /T 32076.3 - 2015
預載荷高強度栓接結構連接副 第3部分 HR型 大六角頭螺栓
High-Strength Structural Bolting Assemblies for Preloading-Part 3:System HR-Hexagon Bolt with Large Width Across Flats
11 預載荷高強度螺栓結構連接副 第4部分 HV型 大六角頭螺栓 [國标]
GB /T 32076.4 - 2015
預載荷高強度螺栓結構連接副 第4部分 HV型 大六角頭螺栓
High-Strength Structural Bolting Assemblies for Preloading - Part 4:System HV-Hexagon Bolt with Large Width Across Flats
12 預載荷高強度螺栓結構連接副 第7部分 HV型 大六角頭螺栓M39~M64 [國标]
GB /T 32076.7 - 2015
預載荷高強度螺栓結構連接副 第7部分 HV型 大六角頭螺栓M39~M64
High-strength Structural Bolting Assemblies for Preloading-Part 7:system HV-Hexagon Bolt with Large Width Across Flats And Nut Assemblies M39~m64
13 栓接結構用 大六角螺栓 (螺紋長度按GB/T 3106) - C級 - 8.8級和10.9級 [國标]
GB /T 18230.1 - 2000
栓接結構用 大六角螺栓 (螺紋長度按GB/T 3106) - C級 - 8.8級和10.9級
Hexagon Bolts for Structural Bolting with Large Width Across FLats(Thread Lengths accroding to GB/T 3106) - Product Grade C - Property Classes 8.8 and 10.9
14 栓接結構用大六角螺栓 短螺紋 C級 8.8和10.9級 [國标]
GB /T 18230.2 - 2000
栓接結構用大六角螺栓 短螺紋 C級 8.8和10.9級
Hexagon Bolts for High-strength Structural Bolting with Large Width Across Flats (Short Thread Length) - Product Grade C - Property Classes 8.8 and 10.9
15 重型大六角頭螺栓 [美标]
IFI 149 - 2000
重型大六角頭螺栓
Large Size Heavy Hex Screws
16 鋼結構用 - 高強度大六角螺栓 [德标]
DIN 6914 - 1989
鋼結構用 - 高強度大六角螺栓
High-Strength Hexagon Bolts with Large Widths Across Flats for Structural Bolting
供應商(8)
17 鋼結構用帶六角螺母的六角頭螺栓 [德标]
DIN 7990 - 2017
鋼結構用帶六角螺母的六角頭螺栓
Hexagon Head Bolts with Hexagon Nut for Steel Structures
18 鋼結構用帶六角螺母的六角頭螺栓 [德标]
DIN 7990 - 2008
鋼結構用帶六角螺母的六角頭螺栓
Hexagon Head Bolts with Hexagon Nut for Steel Structures
19 鋼結構用帶六角螺母的六角頭螺栓 [德标]
DIN 7990 - 1989
鋼結構用帶六角螺母的六角頭螺栓
Hexagon Head Bolts with Hexagon Nut for Steel Structures
20 C級高強度鋼結構栓接用六角頭螺栓(螺紋長度根據ISO 888) 8.8和10.9級 [國際]
ISO 7411 - 1984
C級高強度鋼結構栓接用六角頭螺栓(螺紋長度根據ISO 888) 8.8和10.9級
Hexagon Bolts for High-Strength Structural Bolting with Large Width Across Flats (Thread Lengths According to ISO 888) - Product Grade C - Property Classes 8.8 and 10.9
供應商(1)
21 C級高強度鋼結構栓接用大六角頭螺栓(大對邊 短螺紋) 8.8和10.9級 [國際]
ISO 7412 - 1984
C級高強度鋼結構栓接用大六角頭螺栓(大對邊 短螺紋) 8.8和10.9級
Hexagon Bolts for High-Strength Structural Bolting with Large Width Across Flats (Short Thread Length - Product Grade C—Property Classes 8.8 and 10.9
22 高強度連接用六角頭螺栓 [日标]
JIS B 1186 - 2013
高強度連接用六角頭螺栓
High Strength Hexagon Bolts for Friction Grip Joints
23 高強度連接用六角頭螺栓 [日标]
JIS B 1186 - 1995
高強度連接用六角頭螺栓
High Strength Hexagon Bolts for Friction Grip Joints
24 防松螺栓連接副 - 螺栓(配合防松螺栓連接副 螺紋卡頭使用) [機械行業]
JB /T 9150 - 1999
防松螺栓連接副 - 螺栓(配合防松螺栓連接副 螺紋卡頭使用)
Preventing Loose Bolt Connecting Assembly-Bolt
25 防松螺栓連接副 - 螺紋卡頭(配合防松螺栓連接副 螺栓使用) [機械行業]
JB /T 9150 - 1999
防松螺栓連接副 - 螺紋卡頭(配合防松螺栓連接副 螺栓使用)
Preventing Loose Bolt Connecting Assembly - Bolt Connector
26 米制重型六角結構螺栓 [美标]
ASME/ANSI B 18.2.3.7M - 1979 (R2006)
米制重型六角結構螺栓
Metric Heavy Hex Structural Bolts
供應商(1)
27 米制重型外六角螺栓 [美标]
ASME/ANSI B 18.2.3.3M - 2001
米制重型外六角螺栓
Metric Heavy Hexagon Bolts
28 預負載用高強度結構螺栓連接副,第3部分:HR系統 - 六角螺栓 [歐标]
EN 14399-3 (Bolt) - 2015
預負載用高強度結構螺栓連接副,第3部分:HR系統 - 六角螺栓
High-strength Structural Bolting Assemblies for Preloading - Part 3: System HR — Hexagon Bolt
供應商(4)
29 預負載用高強度結構螺栓連接副,第4部分:HV系統 - 六角螺栓 [歐标]
EN 14399-4 (Bolt) - 2015
預負載用高強度結構螺栓連接副,第4部分:HV系統 - 六角螺栓
High-Strength Structural Bolting Assemblies for Preloading - Part 4: System HV - Hexagon Bolts
供應商(2)
30 預負載用高強度結構螺栓連接副,第4部分:HV系統 - 六角螺栓 [歐标]
EN 14399-4 (Bolt) - 2005
預負載用高強度結構螺栓連接副,第4部分:HV系統 - 六角螺栓
High-Strength Structural Bolting Assemblies for Preloading - Part 4: System HV - Hexagon Bolts
供應商(2)
31 鋼結構用高強度大六角頭螺栓 - ISO 公制粗牙螺紋 [意大利]
UNI 5712 - 1975
鋼結構用高強度大六角頭螺栓 - ISO 公制粗牙螺紋
High-strength Large Hexagon Bolts for Structural Engineering - ISO Metric Coarse Thread
供應商(1)
32 鋼結構用高強度大六角頭螺栓 [法國]
NF E 25-801-3 - 2005
鋼結構用高強度大六角頭螺栓
High Strength Bolts with Large Hexagon Head for Steel Structure
33 鋼結構用高強度大六角頭螺栓 [法國]
NF E 25-801-4 - 2005
鋼結構用高強度大六角頭螺栓
High Strength Bolts with Large Hexagon Head for Steel Structure
34 米制高強度大六角頭螺栓 Table 5 [英标]
BS 4395-1 - 1969
米制高強度大六角頭螺栓 Table 5
Metric High Strength Large Hexagon Head Bolts
35 大六角頭鍛造螺栓(統一螺紋) [英标]
BS 1769 - 1951
大六角頭鍛造螺栓(統一螺紋)
Unified Hexagon Head Forged Bolts
36 [美标]
ASTM A 490M - 2014
結構鋼連接用高強度鋼螺栓,10.9級和10.9.3級
High-Strength Steel Bolts, Classes 10.9 And 10.9.3, For Structural Steel Joints (Metric)
37 [美标]
ASTM A325M - 2009
經熱處理的最小抗拉強度為830 MPa的鋼制結構螺栓規格(米制)
Standard Specification for Structural Bolts,Steel,Heat Treated 830MPa Minmum Tensile Strength (Metric)
供應商(1)
38 高強度六角頭螺栓 [澳标]
AS /NZS 1252.1 - 2016
高強度六角頭螺栓
High-Strength Steel Bolts
供應商(2)
39 米制鋼結構用高強度大六角頭螺栓 [澳标]
AS /NZS 1252 - 1996
米制鋼結構用高強度大六角頭螺栓
High-Strength Steel Bolts
供應商(2)
40 塔式建築用熱鍍鋅螺栓 [澳标]
AS 1559 - 2018
塔式建築用熱鍍鋅螺栓
ISO Metric Hot-Dip Galvanized Hexagon Bolts For Tower Construction
41 鋼結構用六角頭螺栓 [台灣]
CNS 3124 - 1987
鋼結構用六角頭螺栓
Hexagon Head Bolts for Steel Structures
42 高預力連接鋼結構用 大六角頭螺栓 [台灣]
CNS 4366 - 1987
高預力連接鋼結構用 大六角頭螺栓
Hexagon Bolts with Large Widths Across Flats for Steel Structures (Joints with Hightensile, Prestressed Bolts)
43 摩擦結合用高強度六角頭螺栓 [台灣]
CNS 11328 - 1985
摩擦結合用高強度六角頭螺栓
High Strength Friction Grip Hexagon Bolts
44 鋼結構用高強度六角頭螺栓 HR型 [俄标]
GOST 32484.3 - 2014
鋼結構用高強度六角頭螺栓 HR型
High-strength Structural Bolting Assemblies for Preloading-system HR-Hex Bolt
供應商(1)
45 高強度六角頭螺栓 [俄标]
GOST R 52644 - 2006
高強度六角頭螺栓
Hexagon Bolts for High-Strength Structural Bolting with Large Width Across Flats - Product Grade C - Property Classes 8.8 and 10.9
46 管片螺栓 [标準]
YJT 1006
管片螺栓

47 輸電線路鐵塔用熱浸鋅螺栓 [電力]
DL /T 764.4 - 2002
輸電線路鐵塔用熱浸鋅螺栓
Hot Dip Galvanizing Bolts for Tower of Transmission Lines
48 建築機械與設備 高強度六角頭螺栓 [建築]
JG /T 5057.1 - 1995
建築機械與設備 高強度六角頭螺栓
Construction Machinery and Equipment - High Strength Hexagon Head Bolts
49 建築機械與設備 高強度全螺紋六角頭螺栓 [建築]
JG /T 5057.2 - 1995
建築機械與設備 高強度全螺紋六角頭螺栓
Construction Machinery and Equipment - High Strength Bolts with Hexagon Head - Full Thread
50 建築機械與設備 細杆高強度六角頭螺栓 [建築]
JG /T 5057.3 - 1995
建築機械與設備 細杆高強度六角頭螺栓
Construction Machinery and Equipment - High Strength Bolts with Hexagon Head - Reduced Shank
51 建築機械與設備 高強度大六角頭螺栓 [建築]
JG /T 5057.4 - 1995
建築機械與設備 高強度大六角頭螺栓
Construction Machinery and Equipment - High Strength Bolts with Large Hexagon Head
52 建築機械與設備 高強度細牙六角頭螺栓 [建築]
JG /T 5057.5 - 1995
建築機械與設備 高強度細牙六角頭螺栓
Construction Machinery and Equipment - High Strength Bolts with Hexagon Head - Fine Pitch Thread
53 預負載用高強度結構螺栓連接副,第4部分:HV系統 - 六角螺栓 [德标]
DIN EN 14399-4 (Bolt) - 2015
預負載用高強度結構螺栓連接副,第4部分:HV系統 - 六角螺栓
High-strength Structural Bolting Assemblies for Preloading - Part 4: System HV - Hexagon bolts
供應商(8)
54 高強度結構螺栓 [印标]
IS 3757 - 1985
高強度結構螺栓
High Strength Structural Bolts
55 米制重型六角頭螺栓 [美标]
ANSI B 18.2.3.6M (J1199,F568,A962,A320) - 1979 (R2006)
米制重型六角頭螺栓
Metric Heavy Hex Bolts
供應商(1)
56 大六角頭結構用螺栓 (ASTM F3125 / F3125M) [美标]
ASME B 18.2.6 - 2019
大六角頭結構用螺栓 (ASTM F3125 / F3125M)
Heavy Hex Structural Bolts (ASTM F3125 / F3125M)
供應商(2)
57 大六角頭螺栓 [Table 3] (ASTM A307 / A394) [美标]
ASME B 18.2.1 (T3) - 2012
大六角頭螺栓 [Table 3] (ASTM A307 / A394)
Heavy Hex Bolts [Table 3] (ASTM A307 / A394)
供應商(6)
58 大六角頭螺釘 [Table 7] (ASTM A193 / A320 / A394) [美标]
ASME B 18.2.1 (T7) - 2012
大六角頭螺釘 [Table 7] (ASTM A193 / A320 / A394)
Heavy Hex Screws [Table 7] (ASTM A193 / A320 / A394)
供應商(2)
59 米制重型六角結構螺栓 (ASTM A 325M / ASTM A 490M) [Table 1] [美标]
ASME B 18.2.6M - 2012
米制重型六角結構螺栓 (ASTM A 325M / ASTM A 490M) [Table 1]
Metric Heavy Hex Structural Bolts (ASTM A 325M / ASTM A 490M)
供應商(2)
60 大六角頭螺栓 [Table 3] [美标]
ASME B 18.2.1 (T3) - 2010
大六角頭螺栓 [Table 3]
Heavy Hex Bolts [Table 3]
供應商(6)
61 大六角頭螺釘 [Table 7] [美标]
ASME B 18.2.1 (T7) - 2010
大六角頭螺釘 [Table 7]
Heavy Hex Screws [Table 7]
供應商(2)
62 大六角頭結構用螺栓 (ASTM A 325 / ASTM A 490) [Table 1] [美标]
ASME B 18.2.6 - 2010
大六角頭結構用螺栓 (ASTM A 325 / ASTM A 490) [Table 1]
Heavy Hex Structural Bolts (ASTM A 325 / ASTM A 490)
供應商(2)
63 鋼結構用大六角頭螺栓 (ASTM A 325 / ASTM A 490) [Table 2] [美标]
ASME B 18.2.6 - 2006
鋼結構用大六角頭螺栓 (ASTM A 325 / ASTM A 490) [Table 2]
Heavy Hex Structural Bolts (ASTM A 325 / ASTM A 490)
供應商(2)
64 風電機組塔架用高強度螺栓連接副——六角頭螺栓 [能源行業标準]
NB /T 31082 - 2016
風電機組塔架用高強度螺栓連接副——六角頭螺栓
High-strength Bolting Assemblies for Tower on Wind Turbine - Hexagon Head Bolts
供應商(1)
65 熱鍍鋅緊固件 - DIN 6914, DIN 6915, DIN 6916 六角螺栓(M39~M64) [德國鋼結構委員會]
DASt 021 - 2006
熱鍍鋅緊固件 - DIN 6914, DIN 6915, DIN 6916 六角螺栓(M39~M64)
Screw Connections Made of Hot-dip Galvanized Sets M39 to M64 Accordingly DIN 6914, DIN 6915, DIN 6916
标準編号: TB /T 2347 - 1993
中文名稱: 鋼軌用8.8級和10.9級高強度絕緣接頭螺栓
英文名稱:
數據來源: 易緊通 (164580.com)
Standard Code: TB /T 2347 - 1993Chinese Name: 鋼軌用8.8級和10.9級高強度絕緣接頭螺栓English Name: Source: https://www.164580.com/info_70516.html
Data Source: YJT Fastener Database (164580.com)
Standard: TB /T 2347 - 1993
URL: https://www.164580.com/info_70516.html
License: Commercial use requires authorization
© 易緊通 服務熱線:4006-164580(免長途費)