index
logo

汽車輪毂螺栓 [Table 2] JIS /JASO C 610 (T2) - 1979

選擇規格尺寸 點擊↓

M16

M20


尺寸單位: mm
日标JIS /JASO C610 (T2) - 1979 JIS610 610J 汽車輪毂螺栓 [Table 2]
JIS /JASO C 610 (T2) - 1979 汽車輪毂螺栓 [Table 2]
掃一掃分享
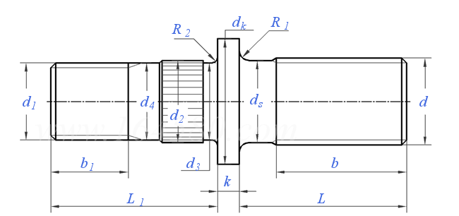
螺紋規格
d
M16 M20
d1
ds
d2
d3
d4
dk
b
b1
k
R1 最小值
R2
M16*1.5 M20*1.5
15 19
17 21
16 20
16 20
20 28
25 31
16 20
4.5 5
1.5 1.5
0.5~1.0 0.5~1.0
注:技術數據僅供參考,請以官方原件為準!
類似标準及供貨信息
1 帶法蘭面的12角螺栓 [美标]
IFI 115 - 2002
帶法蘭面的12角螺栓
Flange 12-Point Screws
供應商(4)
2 六角頭球面輪毂螺栓 G型 [德标]
DIN 74361 - 2 (G) - 2008
六角頭球面輪毂螺栓 G型
Ball Collar Screw - Type G
3 MJ螺紋钛合金十二角法蘭螺栓 [德标]
DIN 65438 - 1993
MJ螺紋钛合金十二角法蘭螺栓
Aerospace; Bihexagonal Head Bolts, Close Tolerance, with Mj-thread, Short Thread Length, In Titanium Alloy; Nominal Tensile Strength 1100 Mpa, for Temperatures up to 315 °c
4 輪毂螺栓,D型,E型 [德标]
DIN 74361 - 2 (D/E) - 1982
輪毂螺栓,D型,E型
Wheel Bolts - Type D, E
5 航空航天系列 标準杆 短或中等長度MJ螺紋 雙六角頭螺栓 1250MPa~1800MPa [國際]
ISO 3186 - 2008
航空航天系列 标準杆 短或中等長度MJ螺紋 雙六角頭螺栓 1250MPa~1800MPa
Aerospace - Bolts, Large Bihexagonal Head, Normal Shank, Short or Medium Length MJ Threads, Metallic Material, Coated or Uncoated, Strength Classes 1250 Mpa to 1800 Mpa
6 12角法蘭面螺釘 - 中短MJ螺紋 - 強度等級小于等于1100MPa [國際]
ISO 9255 - 2008
12角法蘭面螺釘 - 中短MJ螺紋 - 強度等級小于等于1100MPa
Aerospace - Bolts, Normal Spline Head, Normal Shank, Short or Medium Length MJ Threads, Metallic Material, Coated or Uncoated, Strength Classes Less Than or Equal to 1100 MPa
7 12角(十二鍵)法蘭面螺釘 - 長MJ螺紋 - 強度等級小于等于1100MPa [國際]
ISO 9254 - 1993
12角(十二鍵)法蘭面螺釘 - 長MJ螺紋 - 強度等級小于等于1100MPa
Aerospace - Bolts, Normal Spline Head, Normal or Pitch Diameter Shank, Long Length MJ Threads, Metallic Material, Coated or Uncoated, Strength Classes Less Than or Equal to 1100 MPa
8 汽車輪毂用螺栓 [Table 1] [日标]
JIS /JASO C 610 (T1) - 1979
汽車輪毂用螺栓 [Table 1]
Center Rib 1st Class Bolts of Automobiles
9 汽車輪毂螺栓 [Table 3] [日标]
JIS /JASO C 610 (T3) - 1979
汽車輪毂螺栓 [Table 3]
Center Rid 3rd Class Bolts of Automobiles
10 12角頭法蘭面螺栓 [機械行業]
JB /T 6686 - 1993
12角頭法蘭面螺栓
12-spline Flange Bolts
供應商(3)
11 航空航天系列.無塗層耐熱鎳基合金NIP100HT(lnconel 718)制中螺紋長度精密公差雙六角頭螺栓.等級:1275MPa/650 [歐标]
EN 3327 - 2008
航空航天系列.無塗層耐熱鎳基合金NIP100HT(lnconel 718)制中螺紋長度精密公差雙六角頭螺栓.等級:1275MPa/650
Aerospace Series - Bolts, Double Hexagon Head, Close Tolerance, Medium Thread Length, in Heat Resisting Nickel Base Alloy NIP100HT (lnconel 718), Uncoated - Classification: 1275 MPa/650
12 航空航天 - 大雙六角頭螺栓,緊公差普通杆,中等長度螺紋,耐熱鎳基鋼,鈍化 - 等級:1550MPa(室溫)/315℃ [歐标]
EN 2874 - 1996
航空航天 - 大雙六角頭螺栓,緊公差普通杆,中等長度螺紋,耐熱鎳基鋼,鈍化 - 等級:1550MPa(室溫)/315℃
Aerospace Series - Bolts, Large Bihexagonal Head, Close Tolerance Normal Shank, Medium Length Thread, in Heat Resisting Nickel Base Alloy, Passivated - Classfication: 1550 MPa (at Ambient Temperature)/315℃
13 十二角頭螺栓 ISO螺紋 4h級 [法國]
NF L 22-231 - 1987
十二角頭螺栓 ISO螺紋 4h級
Bolt, Bihexagonal Head - ISO Thread, 4h class
14 十二角法蘭螺栓 [美标]
SAE J 58 - 1998
十二角法蘭螺栓
Bihexagonal Head Bolts with Flange
15 十二角法蘭面螺釘 耐腐蝕耐熱鋼 UNJF-3A [美标]
SAE AS 9556 (C) - 2007
十二角法蘭面螺釘 耐腐蝕耐熱鋼 UNJF-3A
Bolt, Machine-double Hexagon Extended Washer Head. Corrosion and Heat Resistant Steel. UNS S66286 130 KSI Min. 1900-32 UNJF-3A
16 十二角法蘭螺栓  PD柄、CRES、UNS N07718、最小185 ksi、1900-32 UNJF-3A [美标]
SAE AS 3236 (B) - 2002
十二角法蘭螺栓 PD柄、CRES、UNS N07718、最小185 ksi、1900-32 UNJF-3A
(R) Bolt, Machine - Double Hexagon Extended Washer Head, PD Shank, CRES, UNS N07718, 185 KSI Min, .1900-32 UNJF-3A
17 十二角法蘭面縮杆螺釘 [美标]
SAE AS 3243 - 1980
十二角法蘭面縮杆螺釘
Bolt, Machine-Double Hex Extended Washed Head, Drilled, PD Shank, MS 5662, 0.1900-32 UNJF-3A
18 12角頭耐熱螺栓 [汽标]
QC /T 1104 - 2019
12角頭耐熱螺栓
12-Point Head Heat Resistant Bolts
19 十二角法蘭螺栓 (12.9 / ASTM F468M) [美标]
ASME B 18.2.5M - 2013
十二角法蘭螺栓 (12.9 / ASTM F468M)
12-Point Flange Head Screws (12.9 / ASTM F468M)
供應商(2)
20 十二角法蘭螺栓 (12.9 / ASTM F468M) [美标]
ASME B 18.2.5M - 2009
十二角法蘭螺栓 (12.9 / ASTM F468M)
12-Point Flange Head Screws (12.9 / ASTM F468M)
供應商(2)
21 米制十二鍵槽凸緣螺栓 [美标]
ASME B 18.2.7.1M - 2002 (R2009)
米制十二鍵槽凸緣螺栓
Metric 12-spline Flange Screws
22 米制十二花鍵法蘭螺釘 [Table 4] [美标]
ASME B 18.2.7.1M - 2002 (R2007)
米制十二花鍵法蘭螺釘 [Table 4]
Metric 12-Spline Flange Screws
23 GH4169鍍銀帶減輕孔十二角螺釘 [航空]
HB 8343 - 2015
GH4169鍍銀帶減輕孔十二角螺釘
Screw, Double Hexagon-Head with Lightening Hole, Silver Plating, GH4169
供應商(1)
24 十二角頭螺栓 [航空]
HB 6900 - 1993
十二角頭螺栓
Spline Head Bolts, MJ Threads
25 十二角頭螺栓 [航空]
HB 6901 - 1993
十二角頭螺栓
Spline Head Bolts, MJ Threads
26 汽車車輪用高強度輪毂螺栓 [浙江制造團體标準]
T/ZZB 1669 - 2020
汽車車輪用高強度輪毂螺栓
High-strength Fillister Head Hub Bolts for Automotive Wheels
供應商(1)
标準編号: JIS /JASO C 610 (T2) - 1979
中文名稱: 汽車輪毂螺栓 [Table 2]
英文名稱: Center Rid 2nd Class Bolts of Automobiles
數據來源: 易緊通 (164580.com)
Standard Code: JIS /JASO C 610 (T2) - 1979Chinese Name: 汽車輪毂螺栓 [Table 2]English Name: Center Rid 2nd Class Bolts of AutomobilesSource: https://www.164580.com/info_69462.html
Data Source: YJT Fastener Database (164580.com)
Standard: JIS /JASO C 610 (T2) - 1979
URL: https://www.164580.com/info_69462.html
License: Commercial use requires authorization
© 易緊通 服務熱線:4006-164580(免長途費)