index
logo

定位導向銷 Self-Clinching TPS TP4

查看供應商

選擇規格尺寸 點擊↓

1/8

3/16

1/4

3

4

5

6


尺寸單位: mm/inch
壓鉚件Self-Clinching TPS TP4 Self-Clinching 定位導向銷
Self-Clinching  TPS TP4 定位導向銷
掃一掃分享
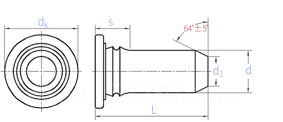
公稱直徑
d
1/8 3/16 1/4 3 4 5 6
d 最大值
最小值
d1 公稱
最大值
最小值
dk 公稱
最大值
最小值
s 最大值
闆厚 最小值
安裝孔尺寸 最小值=公稱
最大值
代号 300不鏽鋼
400不鏽鋼
0.127 0.189 0.252 3.05 4.05 5.05 6.05
0.123 0.185 0.248 2.95 3.95 4.95 5.95
0.090 0.132 0.177 2.11 2.82 3.53 4.24
0.096 0.138 0.183 2.26 2.97 3.68 4.39
0.084 0.126 0.171 1.96 2.67 3.38 4.09
0.205 0.270 0.335 5.2 6.12 7.19 8.13
0.220 0.285 0.350 5.6 6.52 7.59 8.53
0.190 0.255 0.320 4.8 5.72 6.79 7.73
0.090 0.090 0.090 2.29 2.29 2.29 2.29
0.040 0.040 0.040 1 1 1 1
0.144 0.205 0.272 3.5 4.5 5.5 6.5
0.147 0.208 0.275 3.58 4.58 5.58 6.58
TPS TPS TPS TPS TPS TPS TPS
TP4 TP4 TP4 TP4 TP4 TP4 TP4
注:技術數據僅供參考,請以官方原件為準!
告訴我在“易緊通”看到,将給您優惠
聯系人:劉經理   移動電話: 13712637183     電話:0769-83691050     微信号:13712637183
材質:碳鋼,不鏽鋼304、316,不鏽鐵410、416 規格範圍:公制M2-M12,英制440-0518,規格齊全,庫存量大。支持非标定制。
類似标準及供貨信息
1 定位支撐柱 [壓鉚件]
Self-Clinching SKC SK4
定位支撐柱
Key-hole Standoffs
供應商(1)
2 普通六角頭通孔支柱 (特殊) [壓鉚件]
Self-Clinching SO SOS SOA SO4 (special order)
普通六角頭通孔支柱 (特殊)
Through-hole, Unthreaded Self-clinching Sthandoffs
供應商(1)
标準編号: Self-Clinching TPS TP4
中文名稱: 定位導向銷
英文名稱: Flush-Head Pilot Pins
數據來源: 易緊通 (164580.com)
Standard Code: Self-Clinching TPS TP4Chinese Name: 定位導向銷English Name: Flush-Head Pilot PinsSource: https://www.164580.com/info_68204.html
Data Source: YJT Fastener Database (164580.com)
Standard: Self-Clinching TPS TP4
URL: https://www.164580.com/info_68204.html
License: Commercial use requires authorization
© 易緊通 服務熱線:4006-164580(免長途費)