index
logo

開槽小盤頭圓柱端螺釘 DIN 922 - 2006

查看供應商

選擇規格尺寸 點擊↓

M1.4

M1.6

M2

M2.5

M3

M4

M5

M6

M8

M10

括号内尺寸為非優選
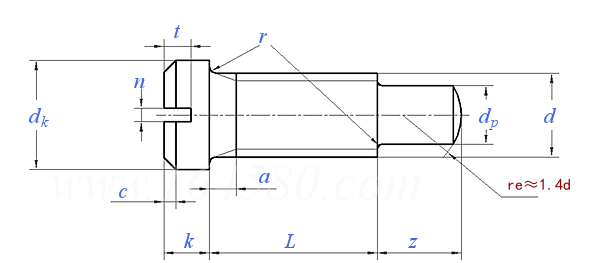
DIN  922 - 2006 開槽小盤頭圓柱端螺釘

尺寸單位: mm
德标DIN 922 - 2006 DIN922 922DIN 開槽小盤頭圓柱端螺釘
DIN  922 - 2006 開槽小盤頭圓柱端螺釘
掃一掃分享
螺紋尺寸
d
M1.4 M1.6 M2 M2.5 M3 M4 M5 M6 M8 M10
P 螺距
a 最大值
dk 最大值=公稱
最小值
dp 最大值=公稱
最小值
k 公稱
最大值
最小值
n 公稱
最大值
最小值
r 最大值
t 最大值
最小值
c
z 公稱
0.3 0.35 0.4 0.45 0.5 0.7 0.8 1 1.25 1.5
0.6 0.7 0.8 0.9 1 1.4 1.6 2 2.5 3
2 2.3 2.8 3.5 4 5.5 6.5 8 10 13
1.86 2.16 2.66 3.32 3.82 5.32 6.28 7.78 9.78 12.73
0.8 0.8 1.2 1.5 2 2.8 3.5 4.5 6 7.5
0.775 0.775 1.175 1.475 1.975 2.775 3.47 4.47 5.97 7.464
0.9 1 1.2 1.5 1.8 2.4 2.7 3.1 3.8 4.6
1.02 1.12 1.32 1.62 1.92 2.52 2.82 3.25 3.95 4.75
0.78 0.88 1.08 1.38 1.68 2.28 2.58 2.95 3.65 4.45
0.25 0.3 0.3 0.4 0.5 0.6 0.8 1 1.2 1.6
0.45 0.5 0.5 0.6 0.7 0.8 1 1.2 1.51 1.91
0.31 0.36 0.36 0.45 0.56 0.66 0.86 1.06 1.26 1.66
0.1 0.1 0.1 0.1 0.1 0.2 0.2 0.25 0.4 0.4
0.6 0.7 0.8 0.95 1.15 1.5 1.6 1.9 2.4 2.8
0.45 0.5 0.6 0.75 0.9 1.2 1.3 1.5 1.9 2.3
0.25 0.25 0.3 0.4 0.45 0.6 0.7 0.8 0.9 1.1
0.6, 1 1, 1.6 1, 1.6, 2 1.6, 2, 2.5 1.6, 2, 2.5, 3 2, 2.5, 3, 4 2.5, 3, 4, 5 3, 4, 5, 6 4, 5, 6, 8 5, 6, 8, 10
替代列表
注:技術數據僅供參考,請以官方原件為準!
告訴我在“易緊通”看到,将給您優惠
聯系人:王女士/陳先生   移動電話: 18068096032/13584906950
等級:8.8級、10.9級、12.9級;規格範圍:ST1.0~8.0;工廠生產,不接零售。
類似标準及供貨信息
1 機床夾具零件及部件 六角頭壓緊螺釘 [國标]
GB /T 2161 - 1991
機床夾具零件及部件 六角頭壓緊螺釘
The Parts and Units of Jigs and Fixtures-hexagon Head Holddown Screw
2 開槽盤頭定位螺釘 [國标]
GB /T 828 - 1988
開槽盤頭定位螺釘
Slotted Pan Head Set Screws with Dog Point
3 開槽小盤頭圓柱端螺釘 [德标]
DIN 922 - 2024
開槽小盤頭圓柱端螺釘
Slotted Pan Head Screws with Small Head and Full Dog Point
供應商(1)
4 開槽小盤頭圓柱端螺釘 [德标]
DIN 922 - 2012
開槽小盤頭圓柱端螺釘
Slotted Pan Head Screws with Small Head and Full Dog Point
供應商(1)
5 小六角頭短圓柱截錐端緊定螺釘 [德标]
DIN 564 - 1995
小六角頭短圓柱截錐端緊定螺釘
Hexagon Set Screws with Small Hexagon,Half Dog Point and Flat Cone Point
供應商(1)
6 開槽圓頭球面圓柱端螺釘 [德标]
DIN 922 - 1986
開槽圓頭球面圓柱端螺釘
Slotted Pan Head Screws with Ball Face and Full Dog Point
供應商(1)
7 開槽沉頭長圓柱端螺釘 [德标]
DIN 925 - 2012
開槽沉頭長圓柱端螺釘
Slotted Countersunk Head Screws With Dog Point (Flat Head)
8 開槽沉頭長圓柱端螺釘 [德标]
DIN 925 - 2006
開槽沉頭長圓柱端螺釘
Slotted Countersunk Head Screws with Full Dog Point
9 六角頭圓柱端緊定螺釘 [德标]
DIN 561 - 1995
六角頭圓柱端緊定螺釘
Hexagon Head Set Screws with Small Hexagon and Full Dog Point
10 開槽半沉頭柱端螺釘 [德标]
DIN 924 - 1986
開槽半沉頭柱端螺釘
Slotted Raised Countersunk Head Screws with Full Dog Point
11 開槽沉頭長圓柱端螺釘 [德标]
DIN 925 - 1986
開槽沉頭長圓柱端螺釘
Slotted Countersunk Head Screws with Full Dog Point
12 六角頭壓緊螺釘 [機械行業]
JB /T 8006.2 - 1999
六角頭壓緊螺釘
Hexagon-headed Holddown Screw
13 六角頭圓柱錐端緊定螺釘 [台灣]
CNS 4655 - 1984
六角頭圓柱錐端緊定螺釘
Hexagon Set Screws with Half Dog Point and Cone End
14 六角頭圓柱端緊定螺釘 [台灣]
CNS 4654 - 1983
六角頭圓柱端緊定螺釘
Hexagon Set Screws with Full Dog Piont
15 開槽沉頭圓柱端螺釘 [台灣]
CNS 4412 - 1981
開槽沉頭圓柱端螺釘
Slotted Countersunk Head Screws with Dog Point
16 開槽半沉頭圓柱端螺釘 [台灣]
CNS 4415 - 1981
開槽半沉頭圓柱端螺釘
Slotted Countersunk (Oval) Head Screws with Full Dog Point
17 開槽小圓柱頭全柱端螺釘 [台灣]
CNS 4359 - 1980
開槽小圓柱頭全柱端螺釘
Slotted Pan Head Screws with Small Head and Full Dog Point
© 易緊通 服務熱線:4006-164580(免長途費)