index
logo

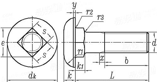
農業機械用平頭方頸螺栓 DIN 11015 - 1995

選擇規格尺寸 點擊↓

M8

M10

M12

M16

M20

DIN  11015 - 1995 農業機械用平頭方頸螺栓

尺寸單位: mm
德标DIN 11015 - 1995 DIN11015 11015DIN 農業機械用平頭方頸螺栓
DIN  11015 - 1995 農業機械用平頭方頸螺栓
掃一掃分享
千件重及價格計算 千件重 : kg x 元/kg = 元/千件
默認密度 g/cm3
公稱長度L 注:選擇後獲得 相應重量
螺紋規格
d
M8 M10 M12 M16 M20
P 螺距1
螺距2
b L≤120
L>120
dk
k1
k
r1
r2 最大值
r3 最大值
s
e 最小值
y
1 1.5 1.75 2 2.5
/ / / 1.5 2
22 26 30 38 46
/ / / 44 52
20 24 30 40 46
3.5 4.5 5.5 6 8
4.5 5.5 7 9 10
5 6 7.5 10 12
0.5 0.5 1 1 1
0.8 0.8 1 1.2 1.2
8 10 12 16 20
10.2 12.8 15.4 20.6 25.8
1 1 1 1.5 2
千件鋼制重≈kg
- - - - -
注:技術數據僅供參考,請以官方原件為準!
類似标準及供貨信息
1 扁圓頭方頸螺栓 [國标]
GB /T 14 - 2013
扁圓頭方頸螺栓
Mushroom Head Square Neck Bolts
供應商(7)
2 大半圓頭方頸螺栓 [國标]
GB /T 14 - 1998
大半圓頭方頸螺栓
Cup Head Square Neck Bolts with Large Head
供應商(7)
3 C級大半圓頭方頸螺栓 [國标]
GB /T 14 - 1988
C級大半圓頭方頸螺栓
Cup Head Square Bolts with Large Head - Grade C
供應商(7)
4 大半圓頭方頸螺栓 [國标]
GB 14 - 1976
大半圓頭方頸螺栓
Cup Head Square Neck Bolts with Large Head
供應商(7)
5 大半圓頭方頸螺栓 [德标]
DIN 603 - 2017
大半圓頭方頸螺栓
Cup Head Square Neck Bolts
供應商(13)
6 大半圓頭方頸螺栓 [德标]
DIN 603 - 2010
大半圓頭方頸螺栓
Mushroom Head Square Neck Bolts
供應商(13)
7 大半圓頭方頸螺栓 [德标]
DIN 603 - 1981
大半圓頭方頸螺栓
Mshroom Head Square Neck Bolts
供應商(13)
8 大半圓頭方頸螺栓  C級 [國際]
ISO 8677 - 1986
大半圓頭方頸螺栓 C級
Cup Head Square Neck Bolts with Large Head - Product Grade C
9 大半圓頭方頸螺栓 [表1] [日标]
JIS B 1171 (AT1) - 1996
大半圓頭方頸螺栓 [表1]
Cup Head Square Neck Bolts(Large Size)[Table 1]
10 大半圓頭方頸螺栓 [汽标代号]
Q 192B
大半圓頭方頸螺栓
Cup Head Square Neck Bolts with Large Head
11 美制大半圓頭台階螺栓 [Table 6] [美标]
ASME/ANSI B 18.5 (T6) - 2012
美制大半圓頭台階螺栓 [Table 6]
Step Bolts, (Inch Series)
供應商(2)
12 大半圓頭馬車螺栓Table6 [美标]
ASME/ANSI B 18.5 - 2008
大半圓頭馬車螺栓Table6
Step Bolts
供應商(2)
13 米制大圓頭方頸螺栓 [美标]
ASME/ANSI B 18.5.2.3M - 1990
米制大圓頭方頸螺栓
Metric Round Head Square Neck Bolts with Large Head
14 帶方螺母的方頸圓頭螺栓 米制粗牙 C級 [意大利]
UNI 5731 - 1965
帶方螺母的方頸圓頭螺栓 米制粗牙 C級
Cup Square Bolts and Bolts with Square Nut - ISO Metric Coarse Thread - Finish C
15 帶六角螺母大半圓頭方頸螺栓 [意大利]
UNI 5732 - 1965
帶六角螺母大半圓頭方頸螺栓
Cup Square Bolts with Hexagon Nut - ISO Metric Coarse Thread - Finish C
16 大半圓頭方頸螺栓 [法國]
NF E 27-351 - 1969
大半圓頭方頸螺栓
Round Head Square Neck Bolts - JAPY Type
17 米制大半圓頭馬車螺栓 [英标]
BS 4933 - 1973
米制大半圓頭馬車螺栓
Metric Cup Square Bolts
18 粗制大半圓頭方頸螺栓 [台灣]
CNS 4424 - 1981
粗制大半圓頭方頸螺栓
Cup Square Bolts, Metric Thread Regular
19 紡織機用大平圓頭方頸螺栓 [台灣]
CNS 4425 - 1981
紡織機用大平圓頭方頸螺栓
Cup Square Bolts with Enlarged Head for Looms
20 A型 平圓頭(平圓頭方頸螺栓) [台灣]
CNS 4574 - 1981
A型 平圓頭(平圓頭方頸螺栓)
Cover Bolts Type A
21 大半圓頭方頸螺栓 C級 [俄标]
GOST 7802 - 1981
大半圓頭方頸螺栓 C級
Increased Cup Head Square Shoulder Bolts, Product Grade C
22 美制大半圓頭台階螺栓 [Table 6] [美标]
ASME B 18.5 (T6) - 2012 (2017)
美制大半圓頭台階螺栓 [Table 6]
Step Bolts,(Inch Series)
供應商(2)
© 易緊通 服務熱線:4006-164580(免長途費)