index
logo

C級六角頭螺栓 NF E 25-115-1 - 2001

選擇規格尺寸 點擊↓

M5

M6

M8

M10

M12

M14

M16

M18

M20

M22

M24

M27

M30

M33

M36

M39

M42

M45

M48

M52

M56

M60

M64


尺寸單位: mm
法國NF E25-115-1 - 2001 NF25-115-1 25-115- C級六角頭螺栓
NF E 25-115-1 - 2001 C級六角頭螺栓
掃一掃分享
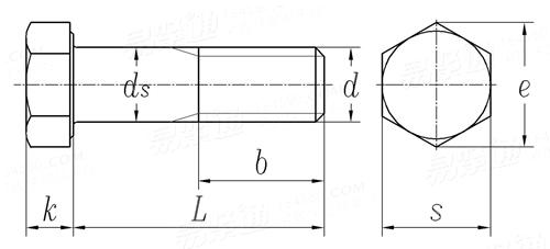
螺紋規格
d
M5 M6 M8 M10 M12 M14 M16 M18 M20 M22 M24 M27
P 螺距
b L≤125
125<L≤200
L>200
ds 最大值
最小值
k 最大值
最小值
s 最大值
最小值
0.8 1 1.25 1.5 1.75 2 2 2.5 2.5 2.5 3 3
16 18 22 26 30 34 38 42 46 50 54 60
22 24 28 32 36 40 44 48 52 56 60 66
35 37 41 45 49 53 57 61 65 69 73 79
5.48 6.48 8.58 10.58 12.7 14.7 16.7 18.7 20.84 22.84 24.84 27.84
4.52 5.52 7.42 9.42 11.3 13.3 15.3 17.3 19.16 21.16 23.16 26.16
3.875 4.375 5.675 6.85 7.95 9.25 10.75 12.4 13.4 14.9 15.9 17.9
3.125 3.625 4.925 5.95 7.05 8.35 9.25 10.6 11.6 13.1 14.1 16.1
8 10 13 16 18 21 24 27 30 34 36 41
7.64 9.64 12.57 15.57 17.57 20.16 23.16 26.16 29.16 33 35 40
螺紋規格
d
M30 M33 M36 M39 M42 M45 M48 M52 M56 M60 M64
P 螺距
b L≤125
125<L≤200
L>200
ds 最大值
最小值
k 最大值
最小值
s 最大值
最小值
3.5 3.5 3.5 4 4.5 4.5 5 5 5.5 5.5 6
66 / / / / / / / / / /
72 78 84 90 96 102 108 116 / / /
85 91 97 103 109 115 121 129 137 145 153
30.84 34 37 40 43 46 49 53.2 57.2 61.2 65.2
29.16 32 35 38 41 44 47 50.8 54.8 58.8 62.8
19.75 22.05 23.55 23.95 27.05 26.95 31.05 31.75 36.25 36.75 41.25
17.65 19.95 21.45 26.05 24.95 29.05 28.95 34.25 33.75 39.25 38.75
46 50 55 60 65 70 75 80 85 90 95
45 49 53.8 58.8 63.1 68.1 73.1 78.1 82.8 87.8 92.8
注:技術數據僅供參考,請以官方原件為準!
類似标準及供貨信息
1 六角頭螺栓 [國标]
GB 5 - 1976
六角頭螺栓
Hexagon Head Bolts
供應商(1)
2 六角頭螺栓 [國标]
GB 30 - 1976
六角頭螺栓
Hexagon Head Bolts
供應商(1)
3 六角頭螺栓 C級 [國标]
GB /T 5780 - 2025
六角頭螺栓 C級
Hexagon Head Bolts - Product Grade C
供應商(2)
4 六角頭螺栓 A級和B級 [國标]
GB /T 5782 - 2025
六角頭螺栓 A級和B級
Hexagon Head Bolts - Product Grade A and B
供應商(18)
5 C級六角頭螺栓 [國标]
GB /T 5780 - 2016
C級六角頭螺栓
Hexagon Head Bolts - Product Grade C
供應商(2)
6 六角頭螺栓 A級和B級 [國标]
GB /T 5782 - 2016
六角頭螺栓 A級和B級
Hexagon Head Bolts - Grade A and B
供應商(18)
7 C級六角頭螺栓 [國标]
GB /T 5780 - 2000
C級六角頭螺栓
Hexagon Head Bolts - Product Grade C
供應商(2)
8 A級和B級六角頭螺栓 [國标]
GB /T 5782 - 2000
A級和B級六角頭螺栓
Hexagon Head Bolts - Product Grades A and B
供應商(18)
9 六角頭不脫出螺釘 [國标]
GB 838 - 1988
六角頭不脫出螺釘
Hexagon Screws with Waisted Shank
供應商(2)
10 六角頭螺栓 C級 [國标]
GB 5780 - 1986
六角頭螺栓 C級
Hexagon Head Bolts - Product Grade C
供應商(2)
11 六角頭螺栓 A級和B級 [國标]
GB /T 5782 - 1986
六角頭螺栓 A級和B級
Hexagon Head Bolts - Product Grades A and B
供應商(18)
12 六角頭螺栓 細杆 B級 [國标]
GB /T 5784 - 2025
六角頭螺栓 細杆 B級
Hexagon Head Bolts - Reduced Shank - Product Grade B
13 細杆六角頭螺栓 B級 [國标]
GB 5784 - 1986
細杆六角頭螺栓 B級
Hexagon Head Bolts - Reduced Shank - Product Grade B
14 米制六角頭螺釘 Table 8 [美标]
IFI 513 - 1982
米制六角頭螺釘 Table 8
Metric Hex Head Machine Screws
15 米制鐵塔用六角頭螺栓 [美标]
IFI 541 - 1982
米制鐵塔用六角頭螺栓
Metric Hex Transmission Tower Bolts
16 米制M68 - M160 x 6 的六角頭螺栓 B級 [德标]
DIN 931-2 - 2009
米制M68 - M160 x 6 的六角頭螺栓 B級
Hexagon Head Bolts - Part 2: Metric Thread M 68 to M 160 x 6 - Product Grade B
供應商(2)
17 粗牙縮徑杆(細杆)螺栓、螺釘 [德标]
DIN 7964 - 1990
粗牙縮徑杆(細杆)螺栓、螺釘
Reduced Shank Bolts and Screws with Coarse Thread
供應商(2)
18 粗牙不脫出螺栓和螺釘 - 六角頭 (ISO 4014) [德标]
DIN 7964 (D1) - 1990
粗牙不脫出螺栓和螺釘 - 六角頭 (ISO 4014)
Reduced Shanke Bolts and Screws with Coarse Thread - Hexagon Head (ISO 4014)
供應商(2)
19 粗牙不脫出螺栓和螺釘 - 六角頭 (DIN 931) [德标]
DIN 7964 (D2) - 1990
粗牙不脫出螺栓和螺釘 - 六角頭 (DIN 931)
Reduced Shanke Bolts and Screws with Coarse Thread - Hexagon Head (DIN 931)
供應商(2)
20 六角頭粗杆半牙螺栓M1.6-M39 [德标]
DIN 931-1 - 1987
六角頭粗杆半牙螺栓M1.6-M39
Hexagon Head Bolts Grades A and B Partially Threaded
供應商(10)
21 六角頭粗杆半牙螺栓M42-M160  B級 [德标]
DIN 931-2 - 1987
六角頭粗杆半牙螺栓M42-M160 B級
Hexagon Head Bolts, Metric Thread M42 to M160×6, Product Grade B
供應商(2)
22 六角頭不脫出螺釘 [德标]
DIN 7964 - 1977
六角頭不脫出螺釘
Hexagon Head Screws with Waisted Shank
供應商(2)
23 航空航天 - 耐腐蝕鋼,短MJ螺紋,緊公差六角頭螺栓 - 用于溫度最高425℃,标稱抗拉強度1100MPa [德标]
DIN 65339 - 2021
航空航天 - 耐腐蝕鋼,短MJ螺紋,緊公差六角頭螺栓 - 用于溫度最高425℃,标稱抗拉強度1100MPa
Hexagon Bolts, Close Tolerance, with Short-length MJ Thread, Corrosion-resisting Steel - Nominal Tensile Strength 1100 MPa, For Temperatures Up To 425℃
24 粗牙六角頭細杆螺栓 [德标]
DIN 6929 (DE) - 2013
粗牙六角頭細杆螺栓
Hexagon Head Bolts
25 六角頭螺栓 M5 ~ M52 產品等級:C級 [德标]
DIN 601 - 1987
六角頭螺栓 M5 ~ M52 產品等級:C級
M5 to M52 Hexagon Head Bolts - Product Grade C
26 電力牽引;用于架空配件的凹端螺釘(A.六角頭螺釘,B.六角頭螺釘帶螺母,C.方頭螺釘) [德标]
DIN 43165 - 1985
電力牽引;用于架空配件的凹端螺釘(A.六角頭螺釘,B.六角頭螺釘帶螺母,C.方頭螺釘)
Electric Traction; Screws with Cup Point for Overhead Fittings
27 六角頭螺栓 A和B級 [國際]
ISO 4014 - 2022
六角頭螺栓 A和B級
Hexagon Head Bolts - Product Grades A and B
供應商(4)
28 六角頭螺栓 產品等級:C級 [國際]
ISO 4016 - 2022
六角頭螺栓 產品等級:C級
Hexagon Head Bolts - Product Grade C
供應商(1)
29 六角頭螺栓 產品等級A和B級 [國際]
ISO 4014 - 2011
六角頭螺栓 產品等級A和B級
Hexagon Head Bolts - Product Grades A and B
供應商(4)
30 C級六角頭螺栓 [國際]
ISO 4016 - 2011
C級六角頭螺栓
Hexagon Head Bolts-Product Grade C
供應商(1)
31 六角頭螺栓 產品等級A和B級 [國際]
ISO 4014 - 1999
六角頭螺栓 產品等級A和B級
Hexagon Head Bolts - Product Grades A and B
供應商(4)
32 C級六角頭螺栓 [國際]
ISO 4016 - 1999
C級六角頭螺栓
Hexagon Head Bolts - Product Grade C
供應商(1)
33 六角頭細杆螺栓(細杆直徑約等于中徑)- 產品等級:B級 [國際]
ISO 4015 - 2022
六角頭細杆螺栓(細杆直徑約等于中徑)- 產品等級:B級
Hexagon Head Bolts - Reduced Shank(Shank Diameter≈Pitch Diameter) - Product Grade B
34 六角頭細杆螺栓,B級 [國際]
ISO 4015 - 1979
六角頭細杆螺栓,B級
Hexagon Head Bolts - Product Grade B - Reduced Shank (Shank Diameter ≈ Pitch Diameter)
35 六角頭螺栓 產品等級:C級 [Figure-2] [日标]
JIS B 1180 (ISO4016) - 2014
六角頭螺栓 產品等級:C級 [Figure-2]
Hexagon Head Bolt - Coarse Thread - Product Grade C
36 六角頭螺栓 產品等級:A級和B級 [Figure 1] [日标]
JIS B 1180 (ISO4014) - 2014
六角頭螺栓 產品等級:A級和B級 [Figure 1]
Hexagon Head Bolt - Coarse Thread - Product Grades A and B
37 六角頭螺栓 細牙 產品等級:A級和B級 [Figure 3] [日标]
JIS B 1180 (ISO8765) - 2014
六角頭螺栓 細牙 產品等級:A級和B級 [Figure 3]
Hexagon Head Bolt, Fine Thread, Product Grade A and B
38 六角頭螺栓 粗牙 細杆 產品等級:B級 [Figure 7] [日标]
JIS B 1180 (ISO4015) - 2014
六角頭螺栓 粗牙 細杆 產品等級:B級 [Figure 7]
Hexagon Head Bolt, Pitch Diameter, Coarse Thread, Product Grade B
39 六角頭螺栓 產品等級:C級 [表2] [日标]
JIS B 1180 (ISO4016) - 2004
六角頭螺栓 產品等級:C級 [表2]
Hexagon Head Bolts, Product Grade C [Table 2]
40 六角頭螺栓 精制 [Annex Attached Table 1.1] [日标]
JIS B 1180 (AAT1.1) - 2004
六角頭螺栓 精制 [Annex Attached Table 1.1]
Hexagon Head Bolts - Finished (Attached Table 1.1)
41 六角頭螺栓 半精制 [Annex 1 Attached Table 1.2] [日标]
JIS B 1180 (AT1.2) - 2004
六角頭螺栓 半精制 [Annex 1 Attached Table 1.2]
Hexagon Head Bolts (Semi-finished) [Annex 1 Attached Table 1.2]
42 BB和SB型卸扣用 六角頭螺栓和六角螺母 [日标]
JIS B 2801 - 1996
BB和SB型卸扣用 六角頭螺栓和六角螺母
Hexagon Head Bolt and Hexagon Nut for Shackles, Forms BB and SB
43 六角頭螺栓 產品等級:A級 [Table 3] [日标]
JIS B 1180 (ISO 4014) - 1994
六角頭螺栓 產品等級:A級 [Table 3]
Hexagon Head Bolts, Product Grade A [Table 3]
44 六角頭螺栓 產品等級:B級  [Table 4] [日标]
JIS B 1180 (ISO 8765) - 1994
六角頭螺栓 產品等級:B級 [Table 4]
Hexagon Head Bolts, Product Grade B [Table 4]
45 六角頭螺栓 產品等級:C級  [Table 7] [日标]
JIS B 1180 (ISO 4016) - 1994
六角頭螺栓 產品等級:C級 [Table 7]
Hexagon Head Bolts, Product Grade C [Table 7]
46 六角頭螺栓 半精制 [Annex Attached Table 1.2] [日标]
JIS B 1180 (AT1.2) - 1994
六角頭螺栓 半精制 [Annex Attached Table 1.2]
Hexagon Head Bolts, Semifinished [Annex Attached Table 1.2]
47 六角頭螺栓 普通加工精度 [Annex Attached Table 1.3] [日标]
JIS B 1180 (AT1.3) - 1994
六角頭螺栓 普通加工精度 [Annex Attached Table 1.3]
Hexagon Head Bolts, Regular [Annex Attached Table 1.3]
48 六角頭螺栓 精制 [Annex Attached Table 1.1] [日标]
JIS B 1180 (AAT1.1) - 1994
六角頭螺栓 精制 [Annex Attached Table 1.1]
Hexagon Head Bolts, Finished [Annex Attached Table 1.1]
49 六角頭螺栓 細杆 產品等級:B級 [Table 9] [日标]
JIS B 1180 (ISO 4015) - 1994
六角頭螺栓 細杆 產品等級:B級 [Table 9]
Effective Diameter Hexagon Head Bolts, Porduct Grade B, [Table 9]
50 六角頭螺栓 [汽标代号]
Q 150B
六角頭螺栓
Hexagon Head Bolts
供應商(1)
51 六角頭螺栓 [汽标代号]
Q 151
六角頭螺栓
Hexagon Head Bolts
52 六角頭細牙螺栓 [汽标代号]
Q 151B
六角頭細牙螺栓
Hexagon Head Bolts - Fine Thread
53 六角頭較細牙螺栓 [汽标代号]
Q 151C
六角頭較細牙螺栓
Hexagon Head Bolts - Fine Thread
54 焊接連接鉸接管接頭鉸接螺栓 [機械行業]
JB /T 978 (bolt) - 2013
焊接連接鉸接管接頭鉸接螺栓

55 六角頭預應力螺栓 [機械行業]
JB /ZQ 4322 - 2006
六角頭預應力螺栓
Hex Head Prestressed Bolts
56 六角頭粗杆螺栓 B級 [機械行業]
JB /ZQ 4323 - 2006
六角頭粗杆螺栓 B級
Hexagon Head Bolts - Product Grade B
57 米制六角頭螺栓 (SAE J1199, ASTM F568) [美标]
ASME/ANSI B 18.2.3.5M - 2006
米制六角頭螺栓 (SAE J1199, ASTM F568)
Metric Hex Head Bolts (SAE J1199, ASTM F568)
供應商(1)
58 六角頭螺釘 [Table 4] [美标]
ASME/ANSI B 18.2.1 (T4) - 1981
六角頭螺釘 [Table 4]
Hex Cap Screws [Table 4]
供應商(3)
59 大六角頭螺釘 [Table 5] [美标]
ASME/ANSI B 18.2.1 (T5) - 1981
大六角頭螺釘 [Table 5]
Heavy Hex Screws [Table 5]
供應商(2)
60 米制粗六角螺釘 (F568M, F738M, F468M) [美标]
ASME/ANSI B 18.2.3.3M - 2007 (R2014)
米制粗六角螺釘 (F568M, F738M, F468M)
Metric Heavy Hex Screws (F568M, F738M, F468M)
61 米制六角頭粗杆螺栓 [美标]
ASME/ANSI B 18.2.3.1M - 2005
米制六角頭粗杆螺栓
Metric Hex Cap Screws
62 米制六角頭螺釘Table14 [美标]
ASME/ANSI B 18.6.7M - 1998
米制六角頭螺釘Table14
Metric Hexagon Head Screws
63 航空航天 六角頭螺栓,細杆,長螺紋,NI-P100HT(Inconel 718)耐熱鎳基合金,強度等級:1275Mpa(室溫)/650℃ [歐标]
EN 3008 - 1998
航空航天 六角頭螺栓,細杆,長螺紋,NI-P100HT(Inconel 718)耐熱鎳基合金,強度等級:1275Mpa(室溫)/650℃
Aerospace Series - Bolts, Hexagon Head, Relieved Shank, Long Thread, in Heat Resisting Nickel Base Alloy NI-P100HT (Inconel 718) - Classification: 1275 MPa (at Ambient Temperature)/650°C
供應商(1)
64 六角頭螺栓,細杆,長螺紋,NI-P100HT(Inconel 718)耐熱鎳基合金,鍍銀,強度等級:1275Mpa(室溫)/650℃ [歐标]
EN 3009 - 1998
六角頭螺栓,細杆,長螺紋,NI-P100HT(Inconel 718)耐熱鎳基合金,鍍銀,強度等級:1275Mpa(室溫)/650℃
Aerospace Series - Bolts, Hexagon Head, Relieved Shank,Long Thread, in Heat Resisting Nickel Base Alloy NI-P100HT (Inconel 718) - Classification: 1275 MPa (at Ambient Temperature)/650°C
供應商(1)
65 航空航天 - 六角頭螺栓,細杆,長螺紋,FE-PA92HT(A286)耐高溫鋼, 鍍銀,強度等級:900Mpa(室溫)/650℃ [歐标]
EN 3007 - 1996
航空航天 - 六角頭螺栓,細杆,長螺紋,FE-PA92HT(A286)耐高溫鋼, 鍍銀,強度等級:900Mpa(室溫)/650℃
Aerospace Series - Bolts, Hexagon Head, Relieved Shank, Long Thread, In Heat Resisting Steel FE-PA92HT (A286), Silver Plated - Classification: 900 MPa (at Ambient Temperature)/650℃
供應商(1)
66 航空航天 -  六角頭螺釘 全螺紋 耐熱鋼FE-PA92HT(A286),鍍銀 - 等級:900MPa(環境溫度)/650℃ [歐标]
EN 2938 - 1995
航空航天 - 六角頭螺釘 全螺紋 耐熱鋼FE-PA92HT(A286),鍍銀 - 等級:900MPa(環境溫度)/650℃
Aerospace series - Screws, Hexagon Head, Threaded to Head, in Heat Resisting Steel FE-PA92HT (A286), Silver Plated - Classification: 900 MPa (at Ambient Temperature)/650 °C
67 航空航天 - 六角頭螺栓,細杆,長螺紋,FE-PA92HT(A286)耐熱鋼, 強度等級:900Mpa(室溫)/650℃ [歐标]
EN 3006 - 1994
航空航天 - 六角頭螺栓,細杆,長螺紋,FE-PA92HT(A286)耐熱鋼, 強度等級:900Mpa(室溫)/650℃
Aerospace Series - Bolts, Hexagon Head, Relieved Shank, Long Thread, In Heat Resisting Steel FE-PA92HT (A286), Classification: 900 MPa (at Ambient Temperature)/650℃
68 六角頭螺栓 產品等級:A和B級 [歐标]
EN 24014 - 1991
六角頭螺栓 產品等級:A和B級
Hexagon Head Bolts - Product Grades A and B
69 六角頭細杆螺栓(細杆直徑約等于中徑)- 產品等級:B級 [歐标]
EN 24015 - 1991
六角頭細杆螺栓(細杆直徑約等于中徑)- 產品等級:B級
Hexagon Head Bolts - Product Grade B - Reduced Shank (Shank Diameter ≈ Pitch Diameter)
70 六角頭螺栓 產品等級C [歐标]
EN 24016 - 1991
六角頭螺栓 產品等級C
Hexagon Head Bolls: Product Grade C
71 外六角螺栓 [意大利]
UNI 5737 - 1977
外六角螺栓
Hexagon Cap Screw, Partially Threaded Shank, ISO Metric Coarse Thread Pitch - Product Grade A
供應商(1)
72 六角頭螺栓 [意大利]
UNI 6420 - 1969
六角頭螺栓
Hexagon Screws for Manufacture of Railway and Tramway Rolling Stock - ISO Metric Coarse Thread - Finish A
73 六角頭螺栓 A和B級 [法國]
NF E 25-112 - 2001
六角頭螺栓 A和B級
Hexagon Head Bolts - Product Grades A and B
74 B級六角頭細杆螺栓 [法國]
NF E 25-113 - 1992
B級六角頭細杆螺栓
Hexagon Head Bolts - Product Grade B - Reduced Shank
75 六角頭承拉螺釘 米制螺紋4g [法國]
NF L 22-145 - 1985
六角頭承拉螺釘 米制螺紋4g
Bolt, Hexagonal Head, for Tensile Application, ISO Thread-4g Class
76 六角頭螺栓 8.8級、10.9級 [法國]
NF E 27-711 - 1982
六角頭螺栓 8.8級、10.9級
Hexagon Head Bolts
77 六角頭粗杆半牙螺栓(粗牙) A級和B級 [化工]
HG /T 20613 (GB5782) - 2009
六角頭粗杆半牙螺栓(粗牙) A級和B級
Hexagon Bolt, Coarse Thread, Product Grade A and B
供應商(4)
78 法蘭管用六角螺栓 [化工]
HG /T 20634 - 2009
法蘭管用六角螺栓
Hexagon Bolts for Flange Pipe
供應商(5)
79 鋼制管法蘭用六角螺栓 [化工]
HG /T 20634 - 1997
鋼制管法蘭用六角螺栓
Hexagon Bolts for Steel Pipe Flange
供應商(5)
80 法蘭管用六角螺栓 [化工]
HG /T 20635 - 2009
法蘭管用六角螺栓
Hexagon Bolts for Flange Pipe
81 六角頭粗制螺栓 [Table 5] [英标]
BS 4190 (T5) - 2014
六角頭粗制螺栓 [Table 5]
Iso Metric Black Hexagon Head Bolts [Table 5]
供應商(1)
82 六角頭粗制螺栓 [Table 10] [英标]
BS 4190 (T10) - 2001
六角頭粗制螺栓 [Table 10]
Iso Metric Black Hexagon Head Bolts [Table 10]
供應商(1)
83 米制精制六角頭螺栓 [英标]
BS 3692 - 2014
米制精制六角頭螺栓
Metric Precision Hexagon Bolts
84 米制粗制六角頭螺栓 - 僅車削支承面或支承面和杆部車削 [Table 6] [英标]
BS 4190 (T6) - 2014
米制粗制六角頭螺栓 - 僅車削支承面或支承面和杆部車削 [Table 6]
ISO Metric Hexagon Head Bolts - Faced Under Head or Faced Under Head and Turned on Shank [Table 6]
85 米制精制六角頭螺栓 [英标]
BS 3692 - 2001
米制精制六角頭螺栓
Metric Precision Hexagon Bolts
86 米制粗制六角頭螺栓 - 僅車削支承面或支承面和杆部車削  [Table 11] [英标]
BS 4190 (T11) - 2001
米制粗制六角頭螺栓 - 僅車削支承面或支承面和杆部車削 [Table 11]
ISO Metric Hexagon Head Bolts - Faced Under Head or Faced Under Head and Turned on Shank [Table 11]
87 凹腦六角頭螺釘Table18 [英标]
BS 1981 - 1991
凹腦六角頭螺釘Table18
Plain Hexagon Head Screws
88 六角頭細杆半牙螺釘Table18 [英标]
BS 1981 - 1991
六角頭細杆半牙螺釘Table18
Plain Hexagon Head Screws
89 精制六角頭螺栓, 墊圈面, 半牙 -  B.S.W. & B.S.F. 英制螺紋 [英标]
BS 1083 - 1965
精制六角頭螺栓, 墊圈面, 半牙 - B.S.W. & B.S.F. 英制螺紋
Precision Hexagon Head Bolts - Washer Faced - B.S.W. & B.S.F. Threads
90 英制六角頭螺釘 - B.S.W. & B.S.F. 螺紋 [Table 9] [英标]
BS 450 - 1958
英制六角頭螺釘 - B.S.W. & B.S.F. 螺紋 [Table 9]
Hexagon Head Machine Screws with B.S.W. & B.S.F. Threads [Table 9]
91 英制六角頭螺栓 - 粗制 - 镦鍛 [Table 1] [英标]
BS 916 - 1953
英制六角頭螺栓 - 粗制 - 镦鍛 [Table 1]
Hexagon Head Bolt with B.S.Threads [Table 1]
92 英制六角頭螺栓 - 粗制 - 車削支承面或車削支承面和光杆 [Table 2] [英标]
BS 916 - 1953
英制六角頭螺栓 - 粗制 - 車削支承面或車削支承面和光杆 [Table 2]
Hexagon Bolts Faced Under Head, and Faced Under Head and Turned on Shank with B.S.Threads - Black [Table 2]
93 大六角頭車削螺栓(統一螺紋) [英标]
BS 1769 - 1951
大六角頭車削螺栓(統一螺紋)
Unified Hexagon Head Faced Bolts
94 米制六角頭螺栓 A和B級 [澳标]
AS 1110.1 - 2000
米制六角頭螺栓 A和B級
ISO Metric Hexagon Head Bolts - Product Grades A and B
95 米制六角頭螺栓 C級 [澳标]
AS 1111.1 - 2000
米制六角頭螺栓 C級
ISO Metric Hexagon Head Bolts - Product Grade C
96 美制六角螺栓 - UNC, UNF螺紋 [澳标]
AS /NZS 2465 - 1999 (R2016)
美制六角螺栓 - UNC, UNF螺紋
Hexagon Bolts (UNC and UNF threads)
97 英制螺紋六角頭螺栓 [澳标]
AS /NZS 2451 - 1998
英制螺紋六角頭螺栓
Bolts with Britishstandard Whitworth Threads (Rationalized Series)
98 塔式建築用熱鍍鋅螺栓 [澳标]
AS /NZS 1559 - 1997
塔式建築用熱鍍鋅螺栓
ISO Metric Hot-dip Galvanized Hexagon Bolts for Tower Construction
99 六角頭螺栓(精制及半精制) [台灣]
CNS 3121 - 1998
六角頭螺栓(精制及半精制)
Hexagon Head Bolts - Finished and Semi-Finished
100 粗制六角頭螺栓 C級 [台灣]
CNS 3123 - 1987
粗制六角頭螺栓 C級
Hexagon Head Bolts, Regular, Metric Thread
标準編号: NF E 25-115-1 - 2001
中文名稱: C級六角頭螺栓
英文名稱: Hexagon Head Bolts - Grade C
數據來源: 易緊通 (164580.com)
Standard Code: NF E 25-115-1 - 2001Chinese Name: C級六角頭螺栓English Name: Hexagon Head Bolts - Grade CSource: https://www.164580.com/info_54298.html
Data Source: YJT Fastener Database (164580.com)
Standard: NF E 25-115-1 - 2001
URL: https://www.164580.com/info_54298.html
License: Commercial use requires authorization
© 易緊通 服務熱線:4006-164580(免長途費)