index
logo

六角頭不脫出螺釘 DIN 7964 - 1977

查看供應商

選擇規格尺寸 點擊↓

M5

M6

M8

M10

M12

M14

M16


尺寸單位: mm
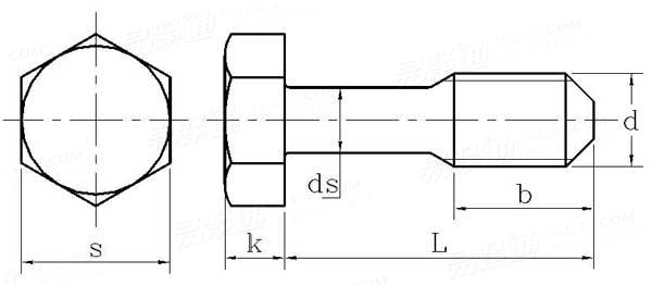
DIN  7964 - 1977 六角頭不脫出螺釘
掃一掃分享
螺紋規格
d
M5 M6 M8 M10 M12 M14 M16
P
b
ds 最大值
最小值
k 公稱
最大值
最小值
s 最大值
最小值
0.8 1 1.25 1.5 1.75 2 2
8 10 12 15 18 20 24
3.5 4.5 5.5 7 9 11 12
3.32 4.32 5.32 6.78 8.78 10.73 11.73
3.5 4 5.3 6.4 7.5 8.8 10
3.65 4.15 5.45 6.58 7.68 8.98 10.18
3.35 3.85 5.15 6.22 7.32 8.62 9.82
8 10 13 16 18 21 24
7.78 9.78 12.73 15.73 17.73 20.67 23.67
替代列表
注:技術數據僅供參考,請以官方原件為準!
告訴我在“易緊通”看到,将給您優惠
聯系人:馬華珍/徐天陽   移動電話: 13095941973, 18268663653     電話:0574-62761228
材料:不鏽鋼A2-70,A2-80,A4-70,A4-80,A2(302,303,304),A4(316),410,430 公稱範圍:規格齊全
聯系人:李國志 點擊這裏給我發消息364950872   移動電話: 15221513104     電話:021-67636815     微信号:15221513104
材質:碳鋼、合金鋼SCM435、不鏽鋼304;表面處理:環保鍍鋅、發黑、達克羅,久美特,洗光等;等級:4.8、8.8、10.9、304;公稱直徑範圍:M2-M10 。
類似标準及供貨信息
1 六角頭螺栓 [國标]
GB 5 - 1976
六角頭螺栓
Hexagon Head Bolts
供應商(1)
2 六角頭螺栓 [國标]
GB 30 - 1976
六角頭螺栓
Hexagon Head Bolts
供應商(1)
3 六角頭螺栓 C級 [國标]
GB /T 5780 - 2025
六角頭螺栓 C級
Hexagon Head Bolts - Product Grade C
供應商(2)
4 六角頭螺栓 A級和B級 [國标]
GB /T 5782 - 2025
六角頭螺栓 A級和B級
Hexagon Head Bolts - Product Grade A and B
供應商(17)
5 C級六角頭螺栓 [國标]
GB /T 5780 - 2016
C級六角頭螺栓
Hexagon Head Bolts - Product Grade C
供應商(2)
6 六角頭螺栓 A級和B級 [國标]
GB /T 5782 - 2016
六角頭螺栓 A級和B級
Hexagon Head Bolts - Grade A and B
供應商(17)
7 C級六角頭螺栓 [國标]
GB /T 5780 - 2000
C級六角頭螺栓
Hexagon Head Bolts - Product Grade C
供應商(2)
8 A級和B級六角頭螺栓 [國标]
GB /T 5782 - 2000
A級和B級六角頭螺栓
Hexagon Head Bolts - Product Grades A and B
供應商(17)
9 六角頭不脫出螺釘 [國标]
GB 838 - 1988
六角頭不脫出螺釘
Hexagon Screws with Waisted Shank
供應商(2)
10 六角頭螺栓 C級 [國标]
GB 5780 - 1986
六角頭螺栓 C級
Hexagon Head Bolts - Product Grade C
供應商(2)
11 六角頭螺栓 A級和B級 [國标]
GB /T 5782 - 1986
六角頭螺栓 A級和B級
Hexagon Head Bolts - Product Grades A and B
供應商(17)
12 六角頭螺栓 細杆 B級 [國标]
GB /T 5784 - 2025
六角頭螺栓 細杆 B級
Hexagon Head Bolts - Reduced Shank - Product Grade B
13 細杆六角頭螺栓 B級 [國标]
GB 5784 - 1986
細杆六角頭螺栓 B級
Hexagon Head Bolts - Reduced Shank - Product Grade B
14 米制六角頭螺釘 Table 8 [美标]
IFI 513 - 1982
米制六角頭螺釘 Table 8
Metric Hex Head Machine Screws
15 米制鐵塔用六角頭螺栓 [美标]
IFI 541 - 1982
米制鐵塔用六角頭螺栓
Metric Hex Transmission Tower Bolts
16 米制M68 - M160 x 6 的六角頭螺栓 B級 [德标]
DIN 931-2 - 2009
米制M68 - M160 x 6 的六角頭螺栓 B級
Hexagon Head Bolts - Part 2: Metric Thread M 68 to M 160 x 6 - Product Grade B
供應商(2)
17 粗牙縮徑杆(細杆)螺栓、螺釘 [德标]
DIN 7964 - 1990
粗牙縮徑杆(細杆)螺栓、螺釘
Reduced Shank Bolts and Screws with Coarse Thread
供應商(2)
18 粗牙不脫出螺栓和螺釘 - 六角頭 (ISO 4014) [德标]
DIN 7964 (D1) - 1990
粗牙不脫出螺栓和螺釘 - 六角頭 (ISO 4014)
Reduced Shanke Bolts and Screws with Coarse Thread - Hexagon Head (ISO 4014)
供應商(2)
19 粗牙不脫出螺栓和螺釘 - 六角頭 (DIN 931) [德标]
DIN 7964 (D2) - 1990
粗牙不脫出螺栓和螺釘 - 六角頭 (DIN 931)
Reduced Shanke Bolts and Screws with Coarse Thread - Hexagon Head (DIN 931)
供應商(2)
20 六角頭粗杆半牙螺栓M1.6-M39 [德标]
DIN 931-1 - 1987
六角頭粗杆半牙螺栓M1.6-M39
Hexagon Head Bolts Grades A and B Partially Threaded
供應商(10)
21 六角頭粗杆半牙螺栓M42-M160  B級 [德标]
DIN 931-2 - 1987
六角頭粗杆半牙螺栓M42-M160 B級
Hexagon Head Bolts, Metric Thread M42 to M160×6, Product Grade B
供應商(2)
22 航空航天 - 耐腐蝕鋼,短MJ螺紋,緊公差六角頭螺栓 - 用于溫度最高425℃,标稱抗拉強度1100MPa [德标]
DIN 65339 - 2021
航空航天 - 耐腐蝕鋼,短MJ螺紋,緊公差六角頭螺栓 - 用于溫度最高425℃,标稱抗拉強度1100MPa
Hexagon Bolts, Close Tolerance, with Short-length MJ Thread, Corrosion-resisting Steel - Nominal Tensile Strength 1100 MPa, For Temperatures Up To 425℃
23 粗牙六角頭細杆螺栓 [德标]
DIN 6929 (DE) - 2013
粗牙六角頭細杆螺栓
Hexagon Head Bolts
24 六角頭螺栓 M5 ~ M52 產品等級:C級 [德标]
DIN 601 - 1987
六角頭螺栓 M5 ~ M52 產品等級:C級
M5 to M52 Hexagon Head Bolts - Product Grade C
25 電力牽引;用于架空配件的凹端螺釘(A.六角頭螺釘,B.六角頭螺釘帶螺母,C.方頭螺釘) [德标]
DIN 43165 - 1985
電力牽引;用于架空配件的凹端螺釘(A.六角頭螺釘,B.六角頭螺釘帶螺母,C.方頭螺釘)
Electric Traction; Screws with Cup Point for Overhead Fittings
26 六角頭螺栓 A和B級 [國際]
ISO 4014 - 2022
六角頭螺栓 A和B級
Hexagon Head Bolts - Product Grades A and B
供應商(4)
27 六角頭螺栓 產品等級:C級 [國際]
ISO 4016 - 2022
六角頭螺栓 產品等級:C級
Hexagon Head Bolts - Product Grade C
供應商(1)
28 六角頭螺栓 產品等級A和B級 [國際]
ISO 4014 - 2011
六角頭螺栓 產品等級A和B級
Hexagon Head Bolts - Product Grades A and B
供應商(4)
29 C級六角頭螺栓 [國際]
ISO 4016 - 2011
C級六角頭螺栓
Hexagon Head Bolts-Product Grade C
供應商(1)
30 六角頭螺栓 產品等級A和B級 [國際]
ISO 4014 - 1999
六角頭螺栓 產品等級A和B級
Hexagon Head Bolts - Product Grades A and B
供應商(4)
31 C級六角頭螺栓 [國際]
ISO 4016 - 1999
C級六角頭螺栓
Hexagon Head Bolts - Product Grade C
供應商(1)
32 六角頭細杆螺栓(細杆直徑約等于中徑)- 產品等級:B級 [國際]
ISO 4015 - 2022
六角頭細杆螺栓(細杆直徑約等于中徑)- 產品等級:B級
Hexagon Head Bolts - Reduced Shank(Shank Diameter≈Pitch Diameter) - Product Grade B
33 六角頭細杆螺栓,B級 [國際]
ISO 4015 - 1979
六角頭細杆螺栓,B級
Hexagon Head Bolts - Product Grade B - Reduced Shank (Shank Diameter ≈ Pitch Diameter)
34 六角頭螺栓 產品等級:C級 [Figure-2] [日标]
JIS B 1180 (ISO4016) - 2014
六角頭螺栓 產品等級:C級 [Figure-2]
Hexagon Head Bolt - Coarse Thread - Product Grade C
35 六角頭螺栓 產品等級:A級和B級 [Figure 1] [日标]
JIS B 1180 (ISO4014) - 2014
六角頭螺栓 產品等級:A級和B級 [Figure 1]
Hexagon Head Bolt - Coarse Thread - Product Grades A and B
36 六角頭螺栓 細牙 產品等級:A級和B級 [Figure 3] [日标]
JIS B 1180 (ISO8765) - 2014
六角頭螺栓 細牙 產品等級:A級和B級 [Figure 3]
Hexagon Head Bolt, Fine Thread, Product Grade A and B
37 六角頭螺栓 粗牙 細杆 產品等級:B級 [Figure 7] [日标]
JIS B 1180 (ISO4015) - 2014
六角頭螺栓 粗牙 細杆 產品等級:B級 [Figure 7]
Hexagon Head Bolt, Pitch Diameter, Coarse Thread, Product Grade B
38 六角頭螺栓 產品等級:C級 [表2] [日标]
JIS B 1180 (ISO4016) - 2004
六角頭螺栓 產品等級:C級 [表2]
Hexagon Head Bolts, Product Grade C [Table 2]
39 六角頭螺栓 精制 [Annex Attached Table 1.1] [日标]
JIS B 1180 (AAT1.1) - 2004
六角頭螺栓 精制 [Annex Attached Table 1.1]
Hexagon Head Bolts - Finished (Attached Table 1.1)
40 六角頭螺栓 半精制 [Annex 1 Attached Table 1.2] [日标]
JIS B 1180 (AT1.2) - 2004
六角頭螺栓 半精制 [Annex 1 Attached Table 1.2]
Hexagon Head Bolts (Semi-finished) [Annex 1 Attached Table 1.2]
41 BB和SB型卸扣用 六角頭螺栓和六角螺母 [日标]
JIS B 2801 - 1996
BB和SB型卸扣用 六角頭螺栓和六角螺母
Hexagon Head Bolt and Hexagon Nut for Shackles, Forms BB and SB
42 六角頭螺栓 產品等級:A級 [Table 3] [日标]
JIS B 1180 (ISO 4014) - 1994
六角頭螺栓 產品等級:A級 [Table 3]
Hexagon Head Bolts, Product Grade A [Table 3]
43 六角頭螺栓 產品等級:B級  [Table 4] [日标]
JIS B 1180 (ISO 8765) - 1994
六角頭螺栓 產品等級:B級 [Table 4]
Hexagon Head Bolts, Product Grade B [Table 4]
44 六角頭螺栓 產品等級:C級  [Table 7] [日标]
JIS B 1180 (ISO 4016) - 1994
六角頭螺栓 產品等級:C級 [Table 7]
Hexagon Head Bolts, Product Grade C [Table 7]
45 六角頭螺栓 半精制 [Annex Attached Table 1.2] [日标]
JIS B 1180 (AT1.2) - 1994
六角頭螺栓 半精制 [Annex Attached Table 1.2]
Hexagon Head Bolts, Semifinished [Annex Attached Table 1.2]
46 六角頭螺栓 普通加工精度 [Annex Attached Table 1.3] [日标]
JIS B 1180 (AT1.3) - 1994
六角頭螺栓 普通加工精度 [Annex Attached Table 1.3]
Hexagon Head Bolts, Regular [Annex Attached Table 1.3]
47 六角頭螺栓 精制 [Annex Attached Table 1.1] [日标]
JIS B 1180 (AAT1.1) - 1994
六角頭螺栓 精制 [Annex Attached Table 1.1]
Hexagon Head Bolts, Finished [Annex Attached Table 1.1]
48 六角頭螺栓 細杆 產品等級:B級 [Table 9] [日标]
JIS B 1180 (ISO 4015) - 1994
六角頭螺栓 細杆 產品等級:B級 [Table 9]
Effective Diameter Hexagon Head Bolts, Porduct Grade B, [Table 9]
49 六角頭螺栓 [汽标代号]
Q 150B
六角頭螺栓
Hexagon Head Bolts
供應商(1)
50 六角頭螺栓 [汽标代号]
Q 151
六角頭螺栓
Hexagon Head Bolts
51 六角頭細牙螺栓 [汽标代号]
Q 151B
六角頭細牙螺栓
Hexagon Head Bolts - Fine Thread
52 六角頭較細牙螺栓 [汽标代号]
Q 151C
六角頭較細牙螺栓
Hexagon Head Bolts - Fine Thread
53 焊接連接鉸接管接頭鉸接螺栓 [機械行業]
JB /T 978 (bolt) - 2013
焊接連接鉸接管接頭鉸接螺栓

54 六角頭預應力螺栓 [機械行業]
JB /ZQ 4322 - 2006
六角頭預應力螺栓
Hex Head Prestressed Bolts
55 六角頭粗杆螺栓 B級 [機械行業]
JB /ZQ 4323 - 2006
六角頭粗杆螺栓 B級
Hexagon Head Bolts - Product Grade B
56 米制六角頭螺栓 (SAE J1199, ASTM F568) [美标]
ASME/ANSI B 18.2.3.5M - 2006
米制六角頭螺栓 (SAE J1199, ASTM F568)
Metric Hex Head Bolts (SAE J1199, ASTM F568)
供應商(1)
57 六角頭螺釘 [Table 4] [美标]
ASME/ANSI B 18.2.1 (T4) - 1981
六角頭螺釘 [Table 4]
Hex Cap Screws [Table 4]
供應商(3)
58 大六角頭螺釘 [Table 5] [美标]
ASME/ANSI B 18.2.1 (T5) - 1981
大六角頭螺釘 [Table 5]
Heavy Hex Screws [Table 5]
供應商(2)
59 米制粗六角螺釘 (F568M, F738M, F468M) [美标]
ASME/ANSI B 18.2.3.3M - 2007 (R2014)
米制粗六角螺釘 (F568M, F738M, F468M)
Metric Heavy Hex Screws (F568M, F738M, F468M)
60 米制六角頭粗杆螺栓 [美标]
ASME/ANSI B 18.2.3.1M - 2005
米制六角頭粗杆螺栓
Metric Hex Cap Screws
61 米制六角頭螺釘Table14 [美标]
ASME/ANSI B 18.6.7M - 1998
米制六角頭螺釘Table14
Metric Hexagon Head Screws
62 航空航天 六角頭螺栓,細杆,長螺紋,NI-P100HT(Inconel 718)耐熱鎳基合金,強度等級:1275Mpa(室溫)/650℃ [歐标]
EN 3008 - 1998
航空航天 六角頭螺栓,細杆,長螺紋,NI-P100HT(Inconel 718)耐熱鎳基合金,強度等級:1275Mpa(室溫)/650℃
Aerospace Series - Bolts, Hexagon Head, Relieved Shank, Long Thread, in Heat Resisting Nickel Base Alloy NI-P100HT (Inconel 718) - Classification: 1275 MPa (at Ambient Temperature)/650°C
供應商(1)
63 六角頭螺栓,細杆,長螺紋,NI-P100HT(Inconel 718)耐熱鎳基合金,鍍銀,強度等級:1275Mpa(室溫)/650℃ [歐标]
EN 3009 - 1998
六角頭螺栓,細杆,長螺紋,NI-P100HT(Inconel 718)耐熱鎳基合金,鍍銀,強度等級:1275Mpa(室溫)/650℃
Aerospace Series - Bolts, Hexagon Head, Relieved Shank,Long Thread, in Heat Resisting Nickel Base Alloy NI-P100HT (Inconel 718) - Classification: 1275 MPa (at Ambient Temperature)/650°C
供應商(1)
64 航空航天 - 六角頭螺栓,細杆,長螺紋,FE-PA92HT(A286)耐高溫鋼, 鍍銀,強度等級:900Mpa(室溫)/650℃ [歐标]
EN 3007 - 1996
航空航天 - 六角頭螺栓,細杆,長螺紋,FE-PA92HT(A286)耐高溫鋼, 鍍銀,強度等級:900Mpa(室溫)/650℃
Aerospace Series - Bolts, Hexagon Head, Relieved Shank, Long Thread, In Heat Resisting Steel FE-PA92HT (A286), Silver Plated - Classification: 900 MPa (at Ambient Temperature)/650℃
供應商(1)
65 航空航天 -  六角頭螺釘 全螺紋 耐熱鋼FE-PA92HT(A286),鍍銀 - 等級:900MPa(環境溫度)/650℃ [歐标]
EN 2938 - 1995
航空航天 - 六角頭螺釘 全螺紋 耐熱鋼FE-PA92HT(A286),鍍銀 - 等級:900MPa(環境溫度)/650℃
Aerospace series - Screws, Hexagon Head, Threaded to Head, in Heat Resisting Steel FE-PA92HT (A286), Silver Plated - Classification: 900 MPa (at Ambient Temperature)/650 °C
66 航空航天 - 六角頭螺栓,細杆,長螺紋,FE-PA92HT(A286)耐熱鋼, 強度等級:900Mpa(室溫)/650℃ [歐标]
EN 3006 - 1994
航空航天 - 六角頭螺栓,細杆,長螺紋,FE-PA92HT(A286)耐熱鋼, 強度等級:900Mpa(室溫)/650℃
Aerospace Series - Bolts, Hexagon Head, Relieved Shank, Long Thread, In Heat Resisting Steel FE-PA92HT (A286), Classification: 900 MPa (at Ambient Temperature)/650℃
67 六角頭螺栓 產品等級:A和B級 [歐标]
EN 24014 - 1991
六角頭螺栓 產品等級:A和B級
Hexagon Head Bolts - Product Grades A and B
68 六角頭細杆螺栓(細杆直徑約等于中徑)- 產品等級:B級 [歐标]
EN 24015 - 1991
六角頭細杆螺栓(細杆直徑約等于中徑)- 產品等級:B級
Hexagon Head Bolts - Product Grade B - Reduced Shank (Shank Diameter ≈ Pitch Diameter)
69 六角頭螺栓 產品等級C [歐标]
EN 24016 - 1991
六角頭螺栓 產品等級C
Hexagon Head Bolls: Product Grade C
70 外六角螺栓 [意大利]
UNI 5737 - 1977
外六角螺栓
Hexagon Cap Screw, Partially Threaded Shank, ISO Metric Coarse Thread Pitch - Product Grade A
供應商(1)
71 六角頭螺栓 [意大利]
UNI 6420 - 1969
六角頭螺栓
Hexagon Screws for Manufacture of Railway and Tramway Rolling Stock - ISO Metric Coarse Thread - Finish A
72 六角頭螺栓 A和B級 [法國]
NF E 25-112 - 2001
六角頭螺栓 A和B級
Hexagon Head Bolts - Product Grades A and B
73 C級六角頭螺栓 [法國]
NF E 25-115-1 - 2001
C級六角頭螺栓
Hexagon Head Bolts - Grade C
74 B級六角頭細杆螺栓 [法國]
NF E 25-113 - 1992
B級六角頭細杆螺栓
Hexagon Head Bolts - Product Grade B - Reduced Shank
75 六角頭承拉螺釘 米制螺紋4g [法國]
NF L 22-145 - 1985
六角頭承拉螺釘 米制螺紋4g
Bolt, Hexagonal Head, for Tensile Application, ISO Thread-4g Class
76 六角頭螺栓 8.8級、10.9級 [法國]
NF E 27-711 - 1982
六角頭螺栓 8.8級、10.9級
Hexagon Head Bolts
77 六角頭粗杆半牙螺栓(粗牙) A級和B級 [化工]
HG /T 20613 (GB5782) - 2009
六角頭粗杆半牙螺栓(粗牙) A級和B級
Hexagon Bolt, Coarse Thread, Product Grade A and B
供應商(4)
78 法蘭管用六角螺栓 [化工]
HG /T 20634 - 2009
法蘭管用六角螺栓
Hexagon Bolts for Flange Pipe
供應商(5)
79 鋼制管法蘭用六角螺栓 [化工]
HG /T 20634 - 1997
鋼制管法蘭用六角螺栓
Hexagon Bolts for Steel Pipe Flange
供應商(5)
80 法蘭管用六角螺栓 [化工]
HG /T 20635 - 2009
法蘭管用六角螺栓
Hexagon Bolts for Flange Pipe
81 六角頭粗制螺栓 [Table 5] [英标]
BS 4190 (T5) - 2014
六角頭粗制螺栓 [Table 5]
Iso Metric Black Hexagon Head Bolts [Table 5]
供應商(1)
82 六角頭粗制螺栓 [Table 10] [英标]
BS 4190 (T10) - 2001
六角頭粗制螺栓 [Table 10]
Iso Metric Black Hexagon Head Bolts [Table 10]
供應商(1)
83 米制精制六角頭螺栓 [英标]
BS 3692 - 2014
米制精制六角頭螺栓
Metric Precision Hexagon Bolts
84 米制粗制六角頭螺栓 - 僅車削支承面或支承面和杆部車削 [Table 6] [英标]
BS 4190 (T6) - 2014
米制粗制六角頭螺栓 - 僅車削支承面或支承面和杆部車削 [Table 6]
ISO Metric Hexagon Head Bolts - Faced Under Head or Faced Under Head and Turned on Shank [Table 6]
85 米制精制六角頭螺栓 [英标]
BS 3692 - 2001
米制精制六角頭螺栓
Metric Precision Hexagon Bolts
86 米制粗制六角頭螺栓 - 僅車削支承面或支承面和杆部車削  [Table 11] [英标]
BS 4190 (T11) - 2001
米制粗制六角頭螺栓 - 僅車削支承面或支承面和杆部車削 [Table 11]
ISO Metric Hexagon Head Bolts - Faced Under Head or Faced Under Head and Turned on Shank [Table 11]
87 凹腦六角頭螺釘Table18 [英标]
BS 1981 - 1991
凹腦六角頭螺釘Table18
Plain Hexagon Head Screws
88 六角頭細杆半牙螺釘Table18 [英标]
BS 1981 - 1991
六角頭細杆半牙螺釘Table18
Plain Hexagon Head Screws
89 精制六角頭螺栓, 墊圈面, 半牙 -  B.S.W. & B.S.F. 英制螺紋 [英标]
BS 1083 - 1965
精制六角頭螺栓, 墊圈面, 半牙 - B.S.W. & B.S.F. 英制螺紋
Precision Hexagon Head Bolts - Washer Faced - B.S.W. & B.S.F. Threads
90 英制六角頭螺釘 - B.S.W. & B.S.F. 螺紋 [Table 9] [英标]
BS 450 - 1958
英制六角頭螺釘 - B.S.W. & B.S.F. 螺紋 [Table 9]
Hexagon Head Machine Screws with B.S.W. & B.S.F. Threads [Table 9]
91 英制六角頭螺栓 - 粗制 - 镦鍛 [Table 1] [英标]
BS 916 - 1953
英制六角頭螺栓 - 粗制 - 镦鍛 [Table 1]
Hexagon Head Bolt with B.S.Threads [Table 1]
92 英制六角頭螺栓 - 粗制 - 車削支承面或車削支承面和光杆 [Table 2] [英标]
BS 916 - 1953
英制六角頭螺栓 - 粗制 - 車削支承面或車削支承面和光杆 [Table 2]
Hexagon Bolts Faced Under Head, and Faced Under Head and Turned on Shank with B.S.Threads - Black [Table 2]
93 大六角頭車削螺栓(統一螺紋) [英标]
BS 1769 - 1951
大六角頭車削螺栓(統一螺紋)
Unified Hexagon Head Faced Bolts
94 米制六角頭螺栓 A和B級 [澳标]
AS 1110.1 - 2000
米制六角頭螺栓 A和B級
ISO Metric Hexagon Head Bolts - Product Grades A and B
95 米制六角頭螺栓 C級 [澳标]
AS 1111.1 - 2000
米制六角頭螺栓 C級
ISO Metric Hexagon Head Bolts - Product Grade C
96 美制六角螺栓 - UNC, UNF螺紋 [澳标]
AS /NZS 2465 - 1999 (R2016)
美制六角螺栓 - UNC, UNF螺紋
Hexagon Bolts (UNC and UNF threads)
97 英制螺紋六角頭螺栓 [澳标]
AS /NZS 2451 - 1998
英制螺紋六角頭螺栓
Bolts with Britishstandard Whitworth Threads (Rationalized Series)
98 塔式建築用熱鍍鋅螺栓 [澳标]
AS /NZS 1559 - 1997
塔式建築用熱鍍鋅螺栓
ISO Metric Hot-dip Galvanized Hexagon Bolts for Tower Construction
99 六角頭螺栓(精制及半精制) [台灣]
CNS 3121 - 1998
六角頭螺栓(精制及半精制)
Hexagon Head Bolts - Finished and Semi-Finished
100 粗制六角頭螺栓 C級 [台灣]
CNS 3123 - 1987
粗制六角頭螺栓 C級
Hexagon Head Bolts, Regular, Metric Thread
标準編号: DIN 7964 - 1977
中文名稱: 六角頭不脫出螺釘
英文名稱: Hexagon Head Screws with Waisted Shank
數據來源: 易緊通 (164580.com)
Standard Code: DIN 7964 - 1977Chinese Name: 六角頭不脫出螺釘English Name: Hexagon Head Screws with Waisted ShankSource: https://www.164580.com/info_23953.html
Data Source: YJT Fastener Database (164580.com)
Standard: DIN 7964 - 1977
URL: https://www.164580.com/info_23953.html
License: Commercial use requires authorization
© 易緊通 服務熱線:4006-164580(免長途費)