index
logo

米制大半圓頭馬車螺栓 BS 4933 - 1973

選擇規格尺寸 點擊↓

M5

M6

M8

M10

M12

M16

M20

M24

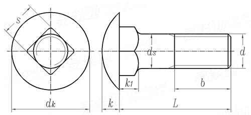
BS  4933 - 1973 米制大半圓頭馬車螺栓

尺寸單位: 毫米(mm)
英标BS 4933 - 1973 BS4933 4933BS 米制大半圓頭馬車螺栓
BS  4933 - 1973 米制大半圓頭馬車螺栓
掃一掃分享
螺紋規格
d
M5 M6 M8 M10 M12 M16 M20 M24
P 螺距
dk 最大值
最小值
k1 最大值
最小值
k 最大值
最小值
s 最大值
最小值
ds 最大值
最小值
0.8 1 1.25 1.5 1.75 2 2.5 3
11.3 13.5 18 22.5 27 36 45 54
10.2 12.4 16.9 21.2 25.7 34.4 43.4 52.1
3.1 3.6 4.75 5.75 6.75 8.9 10.9 13.1
2.5 3 4 5 6 8 10 12
3.1 3.6 4.8 5.8 6.8 8.9 10 13
2.5 3 4 5 6 8 10 12
5.48 6.48 8.58 10.58 12.7 16.7 20.84 24.84
4.52 5.52 7.42 9.42 11.3 15.3 19.16 23.16
5.48 6.48 8.58 10.58 12.7 16.7 20.84 24.84
4.52 5.52 7.42 9.42 11.3 15.3 19.16 23.16
①,當d≤M12,
L≤75mm時,b=L-K1;
75<L≤125mm時,b=2d+6;
125<L≤200mm時,b=2d+12;
L>200mm時,b=2d+25;
②,當d>M12,
L≤125mm時,b=2d+6;
125<L≤200mm時,b=2d+12;
L>200mm時,b=2d+25;
③,本标準中并未規定公稱長度L,但可能在新版本中有所包含。
注:技術數據僅供參考,請以官方原件為準!
類似标準及供貨信息
1 扁圓頭方頸螺栓 [國标]
GB /T 14 - 2013
扁圓頭方頸螺栓
Mushroom Head Square Neck Bolts
供應商(7)
2 大半圓頭方頸螺栓 [國标]
GB /T 14 - 1998
大半圓頭方頸螺栓
Cup Head Square Neck Bolts with Large Head
供應商(7)
3 C級大半圓頭方頸螺栓 [國标]
GB /T 14 - 1988
C級大半圓頭方頸螺栓
Cup Head Square Bolts with Large Head - Grade C
供應商(7)
4 大半圓頭方頸螺栓 [國标]
GB 14 - 1976
大半圓頭方頸螺栓
Cup Head Square Neck Bolts with Large Head
供應商(7)
5 大半圓頭方頸螺栓 [德标]
DIN 603 - 2017
大半圓頭方頸螺栓
Cup Head Square Neck Bolts
供應商(13)
6 大半圓頭方頸螺栓 [德标]
DIN 603 - 2010
大半圓頭方頸螺栓
Mushroom Head Square Neck Bolts
供應商(13)
7 大半圓頭方頸螺栓 [德标]
DIN 603 - 1981
大半圓頭方頸螺栓
Mshroom Head Square Neck Bolts
供應商(13)
8 農業機械用平頭方頸螺栓 [德标]
DIN 11015 - 1995
農業機械用平頭方頸螺栓
Agricultural Machinery - Flat Countersunk Square Neck Bolts with Short Square
9 大半圓頭方頸螺栓  C級 [國際]
ISO 8677 - 1986
大半圓頭方頸螺栓 C級
Cup Head Square Neck Bolts with Large Head - Product Grade C
10 大半圓頭方頸螺栓 [表1] [日标]
JIS B 1171 (AT1) - 1996
大半圓頭方頸螺栓 [表1]
Cup Head Square Neck Bolts(Large Size)[Table 1]
11 大半圓頭方頸螺栓 [汽标代号]
Q 192B
大半圓頭方頸螺栓
Cup Head Square Neck Bolts with Large Head
12 美制大半圓頭台階螺栓 [Table 6] [美标]
ASME/ANSI B 18.5 (T6) - 2012
美制大半圓頭台階螺栓 [Table 6]
Step Bolts, (Inch Series)
供應商(2)
13 大半圓頭馬車螺栓Table6 [美标]
ASME/ANSI B 18.5 - 2008
大半圓頭馬車螺栓Table6
Step Bolts
供應商(2)
14 米制大圓頭方頸螺栓 [美标]
ASME/ANSI B 18.5.2.3M - 1990
米制大圓頭方頸螺栓
Metric Round Head Square Neck Bolts with Large Head
15 帶方螺母的方頸圓頭螺栓 米制粗牙 C級 [意大利]
UNI 5731 - 1965
帶方螺母的方頸圓頭螺栓 米制粗牙 C級
Cup Square Bolts and Bolts with Square Nut - ISO Metric Coarse Thread - Finish C
16 帶六角螺母大半圓頭方頸螺栓 [意大利]
UNI 5732 - 1965
帶六角螺母大半圓頭方頸螺栓
Cup Square Bolts with Hexagon Nut - ISO Metric Coarse Thread - Finish C
17 大半圓頭方頸螺栓 [法國]
NF E 27-351 - 1969
大半圓頭方頸螺栓
Round Head Square Neck Bolts - JAPY Type
18 粗制大半圓頭方頸螺栓 [台灣]
CNS 4424 - 1981
粗制大半圓頭方頸螺栓
Cup Square Bolts, Metric Thread Regular
19 紡織機用大平圓頭方頸螺栓 [台灣]
CNS 4425 - 1981
紡織機用大平圓頭方頸螺栓
Cup Square Bolts with Enlarged Head for Looms
20 A型 平圓頭(平圓頭方頸螺栓) [台灣]
CNS 4574 - 1981
A型 平圓頭(平圓頭方頸螺栓)
Cover Bolts Type A
21 大半圓頭方頸螺栓 C級 [俄标]
GOST 7802 - 1981
大半圓頭方頸螺栓 C級
Increased Cup Head Square Shoulder Bolts, Product Grade C
22 美制大半圓頭台階螺栓 [Table 6] [美标]
ASME B 18.5 (T6) - 2012 (2017)
美制大半圓頭台階螺栓 [Table 6]
Step Bolts,(Inch Series)
供應商(2)
© 易緊通 服務熱線:4006-164580(免長途費)