index
logo

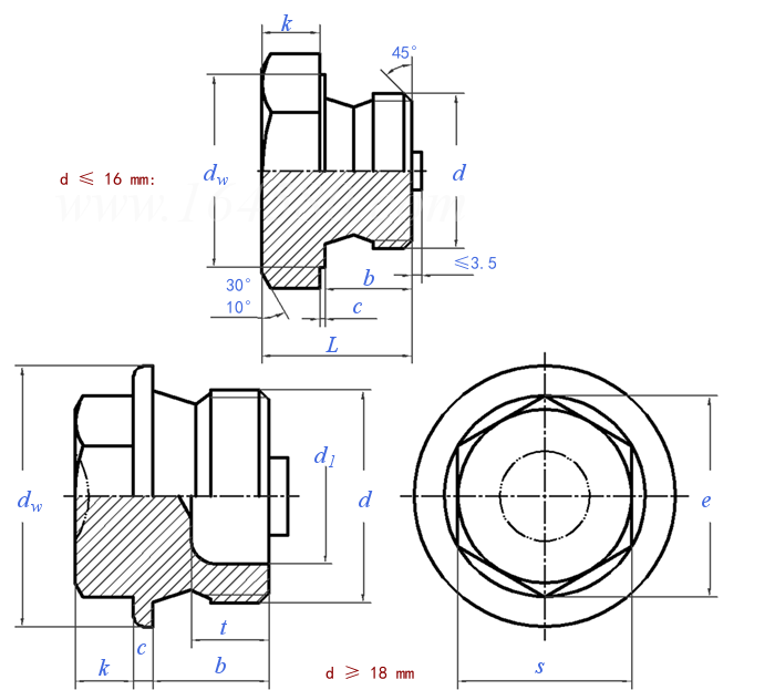
六角頭螺旋塞.輕型 直管螺紋(輕型外六角直型閉鎖螺釘) DIN 7604 - 2016

查看供應商

選擇規格尺寸 點擊↓

M10 A型

M12 A型

M14 A型

M16 A型

M18 A型

M22 A型

M26 A型

M30 A型

M8 C型

M10 C型

M22 C型

M26 C型

M30 C型

M38 C型

M45 C型

M52 C型


尺寸單位: mm
德标DIN 7604 - 2016 DIN7604 7604DIN 六角頭螺旋塞.輕型 直管螺紋(輕型外六角直型閉鎖螺釘)
DIN  7604 - 2016 六角頭螺旋塞.輕型 直管螺紋(輕型外六角直型閉鎖螺釘)
掃一掃分享
千件重及價格計算 千件重 : kg x 元/kg = 元/千件
默認密度 g/cm3
螺紋尺寸
d
M10
A型
M12
A型
M14
A型
M16
A型
M18
A型
M22
A型
M26
A型
M30
A型
P 螺距
c 0,+0.2
dw h14 DIN 475-1
DIN ISO 272
d1 0,+0.5
e 最小值 DIN 475-1
DIN ISO 272
b ±0.2
L
k ±IT15
s DIN 475-1
DIN ISO 272
t -0.3, +0.6
千件重kg
1.0 1.5 1.5 1.5 1.5 1.5 1.5 1.5
0.5 0.5 0.5 0.5 2.0 2.0 2.5 2.5
14 17 19 21 23 27 31 36
13 16 18 20 23 27 31 36
/ / / / 10 14 16 20
15.33 18.72 20.88 23.91 18.72 20.88 23.91 23.91
14.20 17.59 19.85 26.17 17.59 19.85 26.17 26.17
6 9 9 9 9 9 9 9
10.5 15.5 15.5 15.5 17.0 17.0 19.5 19.5
4 6 6 6 6 6 8 8
14 17 19 22 17 19 22 22
13 16 18 21 16 18 21 21
/ / / / 8 8 8 8
12.8 19.2 24.6 33.4 27.2 34.3 59.4 69.5
螺紋尺寸
d
M8
C型
M10
C型
M22
C型
M26
C型
M30
C型
M38
C型
M45
C型
M52
C型
P 螺距
c 0,+0.2
dw h14 DIN 475-1
DIN ISO 272
d1 0,+0.5
e 最小值 DIN 475-1
DIN ISO 272
b ±0.2
L
k ±IT15
s DIN 475-1
DIN ISO 272
t -0.3, +0.6
千件重kg
1.0 1.0 1.5 1.5 1.5 1.5 1.5 1.5
0.5 0.5 2.0 2.5 2.5 3.0 3.0 3.0
12 14 27 31 36 44 52 60
13 13 27 31 36 44 52 60
/ / 14 16 20 26 32 38
13.07 15.33 20.88 23.91 23.91 23.91 26.17 29.56
14.20 14.20 19.85 22.78 22.78 22.78 26.17 29.56
8 8 12 12 12 12 12 12
12.5 12.5 20.0 22.5 22.5 23.0 23.0 23.0
4 4 6 8 8 8 8 8
12 14 19 22 22 22 24 27
13 13 18 21 21 21 24 27
/ / 8 10 10 10 10 10
6.5 9.6 42.5 68.5 81.0 118 163 205
①,公制細螺紋,符合DIN 13-5和DIN 13-6
②,材料:
a)鋼見“相關材料标準或牌号”
b)不鏽鋼,等級:A1~A5按标準DIN EN ISO 3506-1
c)有色金屬,等級:Al1~Al6, Cu1~Cu7按标準DIN EN 28839
替代列表

技術條件和引用标準

材料
不鏽鋼 有色金屬
通用要求
螺紋 公差
标準
機械性能 材料
标準
公差 產品等級
标準
screw-in spigot /Form
screw-in spigot /Norm
表面處理
表面缺陷
驗收及包裝
備注
DIN ISO 8992
6g
DIN ISO 965-1
11SMnPb30
C10C
A1 ~ A5 Al1 ~ Al6
Cu1 ~ Cu7
DIN EN 10263-2
DIN EN 10277-3
DIN EN ISO 3506-1 DIN EN 28839
B
DIN EN ISO 4759-1
A
DIN 3852-1
不經處理
磷酸鹽塗層 DIN EN ISO 9717
電鍍 DIN EN ISO 4042
非電解鋅片塗層 DIN EN ISO 10683
blank
鈍化 DIN EN ISO 16048
不經處理
DIN EN 26157-3
DIN EN ISO 3269
① 其他材料由供需雙方協議。
② Proof of mechanical properties for screw plugs made of stainless steel or non-ferrous metal is not required here.
注:技術數據僅供參考,請以官方原件為準!
告訴我在“易緊通”看到,将給您優惠
聯系人:胡志堅 點擊這裏給我發消息1342383118   移動電話: 13906683360     電話:0574-87777555     微信号:13906683360
材質:SWRCH35K、45#、AISI304、AISI316 規格範圍:A型:M10-M30,C型:M8-M52 表面處理:三價白鋅,三價彩鋅,發黑,磷化,鋅鎳,久美特
類似标準及供貨信息
1 直通式壓注油杯 [國标]
GB 1152 - 1989
直通式壓注油杯
Straight Hydraulic Grease Nipples
供應商(1)
2 鍛制螺紋管件 - 六角頭螺塞 [國标]
GB /T 14383 (HHP) - 2021
鍛制螺紋管件 - 六角頭螺塞
Forged Threaded Pipe Fittings - Hexagon Head Screw Plug
3 液壓傳動連接 帶米制螺紋和O形圈密封的油口和螺柱端 第4部分:外六角螺塞 [國标]
GB /T 2878.4 (PLEH) - 2011
液壓傳動連接 帶米制螺紋和O形圈密封的油口和螺柱端 第4部分:外六角螺塞
Connections for Hydraulic Fluid Power- Ports and Stud Ends with Metric Threads and O-ring Sealing - Part 4 : Hex Plugs
4 土方機械 排液、加液和液位螺塞 B型外六角錐形螺塞 [國标]
GB /T 14780 - 2010
土方機械 排液、加液和液位螺塞 B型外六角錐形螺塞
Earth-moving Machinery - Drain, Fill and Level Plugs, Type B
5 土方機械 排液、加液和液位螺塞 D型外六角螺塞 [國标]
GB /T 14780 - 2010
土方機械 排液、加液和液位螺塞 D型外六角螺塞
Earth-moving Machinery - Drain, Fill and Level Plugs, Type D
6 土方機械 潤滑油杯 第1部分:螺紋接頭式 [國标]
GB /T 25618.1 - 2010
土方機械 潤滑油杯 第1部分:螺紋接頭式
Earth-moving Machinery - Lubrication Fittings - Part 1 : Nipple Type
7 鍛制螺紋管件 - 六角頭螺塞 [國标]
GB /T 14383 (HHP) - 2008
鍛制螺紋管件 - 六角頭螺塞
Forged threaded pipe fittings - Hexagon head screw plug
8 液壓管接頭用螺紋柱端 - E型柱端 [國标]
GB /T 19674.2 - 2005
液壓管接頭用螺紋柱端 - E型柱端
Connections for General use and Fluid Power - Ports and Stud Ends with Thread - Stud Ends with Elastomeric Sealing - Type E
9 液壓管接頭用螺紋油口和柱端 - 金屬對金屬密封柱端( B 型) [國标]
GB /T 19674.3 - 2005
液壓管接頭用螺紋油口和柱端 - 金屬對金屬密封柱端( B 型)
Connections for General use and Fluid Power - Ports and Stud Ends with Thread - Stud Ends with Metal-to-metal Sealing (Type B)
10 鍛鋼制螺紋管件 - 六角頭螺塞 [國标]
GB /T 14626 (HHP) - 1993
鍛鋼制螺紋管件 - 六角頭螺塞
Forged Steel Threaded Pipe Fittings - Hexagon Head Screw Plug
11 土方機械 排液、加液和液位螺塞 B型外六角錐形螺塞 [國标]
GB /T 14780 - 1993
土方機械 排液、加液和液位螺塞 B型外六角錐形螺塞
Earth-Moving Machinery - Drain, Fill and Level Plugs, Type B
12 土方機械 排液、加液和液位螺塞 D型外六角螺塞 [國标]
GB /T 14780 - 1993
土方機械 排液、加液和液位螺塞 D型外六角螺塞
Earth-Moving Machinery - Drain, Fill and Level Plugs, Type D
13 接頭式壓注油杯 [國标]
GB /T 1153 - 1989
接頭式壓注油杯
Angle Hydraulic Grease Nipples
14 船用放洩螺塞 [國标]
GB 2028 - 1980
船用放洩螺塞

15 六角頭螺塞 [德标]
DIN 909 - 2020
六角頭螺塞
Hexagon Head Pipe Plugs - Conical Thread
供應商(3)
16 帶肩的外六角螺旋塞.重載圓柱螺紋 (标準型) [德标]
DIN 910 - 2020
帶肩的外六角螺旋塞.重載圓柱螺紋 (标準型)
Hexagon-duty Hexagon Head Screw Plugs (Standard Type)
供應商(5)
17 六角頭螺塞 [德标]
DIN 909 - 2012
六角頭螺塞
Hexagon Head Pipe Plugs - Conical Thread
供應商(3)
18 帶肩的外六角螺旋塞.重載圓柱螺紋 (标準型) [德标]
DIN 910 - 2012
帶肩的外六角螺旋塞.重載圓柱螺紋 (标準型)
Hexagon-duty Hexagon Head Screw Plugs (Standard Type)
供應商(5)
19 帶肩的外六角螺旋塞.重載圓柱螺紋 (标準型) [德标]
DIN 910 - 2010
帶肩的外六角螺旋塞.重載圓柱螺紋 (标準型)
Hexagon-duty Hexagon Head Screw Plugs (Standard type)
供應商(5)
20 六角頭螺旋塞.輕型 直管螺紋(輕型外六角直型閉鎖螺釘) [德标]
DIN 7604 - 1992
六角頭螺旋塞.輕型 直管螺紋(輕型外六角直型閉鎖螺釘)
Hexagon Head Screw Plugs - Light Type - Cylindrical Thread
供應商(1)
21 六角頭螺塞 [德标]
DIN 909 - 1992
六角頭螺塞
Hexagon Head Screw Plugs, Conical Thread
供應商(3)
22 帶肩的外六角螺旋塞.重載圓柱螺紋 [德标]
DIN 910 - 1992
帶肩的外六角螺旋塞.重載圓柱螺紋
Heavy-duty Hexagon Head Screw Plugs
供應商(5)
23 六角頭螺塞 [德标]
DIN 909 - 1991
六角頭螺塞
Hexagon Head Screw Plugs, Conical Thread
供應商(3)
24 軌道車輛用壓縮空氣裝置-帶凸緣和通風的鎖緊螺釘 [德标]
DIN 5586 - 1989
軌道車輛用壓縮空氣裝置-帶凸緣和通風的鎖緊螺釘
Compressed Air Equipment for Rail Vehicles; Locking Screws with Collar and Vent
供應商(1)
25 帶肩的外六角螺旋塞.重載圓柱螺紋 (L型) [德标]
DIN 910 - 2020
帶肩的外六角螺旋塞.重載圓柱螺紋 (L型)
Hexagon-duty Hexagon Head Screw Plugs (Type L)
26 帶肩的外六角螺旋塞.重載圓柱螺紋 (L型) [德标]
DIN 910 - 2012
帶肩的外六角螺旋塞.重載圓柱螺紋 (L型)
Hexagon-duty Hexagon Head Screw Plugs (Type L)
27 帶肩的外六角螺旋塞.重載圓柱螺紋 (L型) [德标]
DIN 910 - 2010
帶肩的外六角螺旋塞.重載圓柱螺紋 (L型)
Hexagon-duty Hexagon Head Screw Plugs (Type L)
28 擴口式管接頭用管塞 UNF螺紋 (統一螺紋) [德标]
DIN 8912 (P2) - 1990
擴口式管接頭用管塞 UNF螺紋 (統一螺紋)
UNF Screwed Plug
29 擴口式管接頭用管塞 NPT螺紋 [德标]
DIN 8912 (P2.1) - 1990
擴口式管接頭用管塞 NPT螺紋
NPT Screwed Plug
30 壓縮聯軸器; 空心螺釘 [德标]
DIN 74305-1 - 1987
壓縮聯軸器; 空心螺釘
Compression Couplings; Hollow Screw
31 六角頭螺塞 [國際]
ISO 6149 (-4) - 2017 (PLEH)
六角頭螺塞
External Hex Port Plug (PLEH)
供應商(1)
32 土方機械 潤滑油杯 - 直通油杯 普通螺紋 [國際]
ISO 6392-1 (Type 1) - 1996
土方機械 潤滑油杯 - 直通油杯 普通螺紋
Earth-moving Machinery - Lubrication Fittings - Straight Fitting with Parallel Thread
33 土方機械 潤滑油杯 -  直通油杯 錐螺紋 [國際]
ISO 6392-1 (Type 2) - 1996
土方機械 潤滑油杯 - 直通油杯 錐螺紋
Earth-moving Machinery - Lubrication Fittings - Straight Fitting with Taper Thread
34 土方機械 潤滑油杯 - 45°彎頭油杯 [國際]
ISO 6392-1 (Type 3) - 1996
土方機械 潤滑油杯 - 45°彎頭油杯
Earth-moving Machinery - Lubrication Fittings - 45° Elbow Fitting
35 土方機械 潤滑油杯 - 65°~67.5°彎頭油杯 [國際]
ISO 6392-1 (Type 4) - 1996
土方機械 潤滑油杯 - 65°~67.5°彎頭油杯
Earth-moving Machinery - Lubrication Fittings - 65° To 67.5° Elbow Fitting
36 土方機械 潤滑油杯 - 90°彎頭油杯 [國際]
ISO 6392-1 (Type 5) - 1996
土方機械 潤滑油杯 - 90°彎頭油杯
Earth-moving Machinery - Lubrication Fittings - 90° Elbow Fitting
37 汽車零件 — 2B型外六角帶介直管螺塞 [日标]
JIS D 2101 (2B) - 2001
汽車零件 — 2B型外六角帶介直管螺塞
Automotive Parts - Type 2B Screw Plug
供應商(1)
38 汽車零件 — 1C型外六角錐形螺塞 [日标]
JIS D 2101 (1C) - 2001
汽車零件 — 1C型外六角錐形螺塞
Automotive Parts - Type 1C Taper Screw Plug
39 汽車零件 — 2A型外六角直管螺塞 [日标]
JIS D 2101 (2A) - 2001
汽車零件 — 2A型外六角直管螺塞
Automotive Parts - Type 2A Screw Plug
40 直螺紋管件 油嘴 [日标]
JIS B 1575 (Type 1) - 2000
直螺紋管件 油嘴
Straight Fitting with Parallel Thread
41 錐形螺紋直通接頭 油嘴 [日标]
JIS B 1575 (Type 2) - 2000
錐形螺紋直通接頭 油嘴
Straight Fitting with Taper Thread
42 45°彎頭接頭 油嘴 [日标]
JIS B 1575 (Type 3) - 2000
45°彎頭接頭 油嘴
45° Elbow Fitting
43 65°~67.5°彎頭接頭 油嘴 [日标]
JIS B 1575 (Type 4) - 2000
65°~67.5°彎頭接頭 油嘴
65° to 67.5° Elbow Fitting
44 90°彎頭接頭 油嘴 [日标]
JIS B 1575 (Type 5) - 2000
90°彎頭接頭 油嘴
90° Elbow Fitting
45 常閉式通氣塞 [汽标代号]
Q 900B
常閉式通氣塞
Vent Plug - Type A
供應商(1)
46 六角頭螺塞 [汽标代号]
Q 617B
六角頭螺塞
Hexagon Head Plug
47 六角頭錐形螺塞 [汽标代号]
Q 618B
六角頭錐形螺塞
Hexagon Semi-tubular Taper Plug
48 六角頭錐形磁性螺塞 [汽标代号]
Q 622
六角頭錐形磁性螺塞
Hexgon Outside Head Cone Plugs with Magnetic Core
49 六角頭磁性螺塞 [汽标代号]
Q 623
六角頭磁性螺塞
Hex Head Magnetic Screws Plug
50 滑脂嘴體 [汽标代号]
Q 700B.1
滑脂嘴體

51 彎頸式滑脂嘴 [汽标代号]
Q 701B
彎頸式滑脂嘴
Elbow Grease Nipple
52 彎頸式滑脂嘴 - 接頭體 [汽标代号]
Q 701B.1
彎頸式滑脂嘴 - 接頭體
Elbow Grease Nipple - Connector Body
53 常閉式通氣塞 - 塞體 [汽标代号]
Q 900B.1
常閉式通氣塞 - 塞體

54 常開式通氣塞 [汽标代号]
Q 901
常開式通氣塞
Vent Plug - Type B
55 保險閥 [汽标代号]
Q 902B
保險閥
Relief Valve
56 保險閥 - 閥體 [汽标代号]
Q 902B.1
保險閥 - 閥體

57 鋼球式通氣塞 [汽标代号]
Q 903
鋼球式通氣塞
Steel Ball Vent-plug
58 鋼球式通氣塞 - 塞體 [汽标代号]
Q 903.1
鋼球式通氣塞 - 塞體
Steel Ball Vent-plug
59 常閉式通氣塞 - 加長型 [汽标代号]
Q 904
常閉式通氣塞 - 加長型
Vent Plug - Type C
60 加長型常閉式通氣塞 - 下座體 [汽标代号]
Q 904.1
加長型常閉式通氣塞 - 下座體

61 加長型常閉式通氣塞 - 上座體 [汽标代号]
Q 904.2
加長型常閉式通氣塞 - 上座體

62 外六角帶介喉塞 [機械行業]
JB /ZQ 4450 - 2006
外六角帶介喉塞
Hex Screws Plug
供應商(1)
63 外六角帶介喉塞 [機械行業]
JB /ZQ 4450 - 1997
外六角帶介喉塞
Hexagon Plugs with Collar
供應商(1)
64 直通式壓注油杯 [機械行業]
JB /T 7940.1 - 1995
直通式壓注油杯
Straight Hydraulic Grease Nipples
供應商(1)
65 外六角螺塞 [機械行業]
JB /T 1000 - 1977
外六角螺塞
Hexagon Plug
供應商(1)
66 六角螺塞 [機械行業]
JB /T 1700 (Plug) - 2008
六角螺塞
Hexagon Head Plug
67 55°非密封管螺紋外六角螺塞(PN16) [機械行業]
JB /ZQ 4451 - 2006
55°非密封管螺紋外六角螺塞(PN16)
Hexagon Plug with 55 Degree Non-sealed Pipe Thread
68 高壓油用螺塞 [機械行業]
JB /ZQ 4453 - 2006
高壓油用螺塞
High-pressure Plug
69 外六角螺塞(PN31.5) [機械行業]
JB /ZQ 4770 - 2006
外六角螺塞(PN31.5)
Hexagon Plug
70 接頭式壓注油杯 [機械行業]
JB /T 7940.2 - 1995
接頭式壓注油杯
Angle Hydraulic Grease Nipples
71 彈簧蓋油杯 B型 [機械行業]
JB /T 7940.5 - 1995
彈簧蓋油杯 B型
Spring Cap Type Lubricating Cups, Type B
72 汽輪機管道附件 - 六角螺塞 [機械行業]
JB /T 6296.7 - 1992
汽輪機管道附件 - 六角螺塞
Hexagon Head Plug
73 放氣旋塞 [機械行業]
JB /T 6296.7 - 1992
放氣旋塞
Hex Plugs
74 六角螺塞 [機械行業]
JB /T 1760 - 1991
六角螺塞
Hexagon Head Plug
75 熱交換器用六角螺堵 [美标]
ASTM
熱交換器用六角螺堵
Hex Head Plug for Heat Exchanger
76 六角頭螺堵 [鐵道部]
TB /T 844 - 1991
六角頭螺堵

77 油嘴 1型 [俄标]
GOST 19853 (Type 1) - 1974
油嘴 1型
Lubricating Plugs - Type 1
78 英管内螺紋60°外錐面雙六角 [标準]
YJT 14002 (D)
英管内螺紋60°外錐面雙六角
BSP Female 60° Cone Double Hexagon
79 外六角帶介喉塞 [标準]
YJT 15009
外六角帶介喉塞
Hexagon Plugs with Collar
80 外六角螺塞 [标準]
YJT 15010
外六角螺塞
Hexagon Plug
81 外六角螺塞 [标準]
YJT 15011
外六角螺塞
Hexagon Plug
82 外六角螺塞 [标準]
YJT 15012
外六角螺塞
Hexagon Plug
83 六角頭螺塞 [美标]
SAE J 1453 - 2002 (520109)
六角頭螺塞
Fitting - O-Ring Face Seal Plug
供應商(1)
84 液壓管接頭 - 外六角帶法蘭圓柱頭螺塞(外錐37°密封) [美标]
SAE J 514 (070109) - 2001
液壓管接頭 - 外六角帶法蘭圓柱頭螺塞(外錐37°密封)
37°Flared Tube Fitting - Plug
供應商(1)
85 液壓管接頭 - 外六角圓柱頭螺塞(内錐24°密封) [美标]
SAE J 514 (080109) - 2001
液壓管接頭 - 外六角圓柱頭螺塞(内錐24°密封)
Hydraulic Flareless Tube Fittings - Plugs
供應商(1)
86 液壓管接頭 - 外六角螺塞 [美标]
SAE J 514 (090109A) - 2001
液壓管接頭 - 外六角螺塞
Hydraulic Flareless Tube Fittings - Hexagon Head O-Ring Boss Plug
供應商(1)
87 六角頭螺堵(NPTF螺紋) [美标]
SAE J 531 (130109C) - 2020
六角頭螺堵(NPTF螺紋)
Hexagon Inside Head Pipe Plugs(NPTF)
88 加注和排出口用,六角頭螺堵 (PTF螺紋) [美标]
SAE J 531 (130109D) - 2020
加注和排出口用,六角頭螺堵 (PTF螺紋)
Hexagon Inside Head Filler and Drain Plugs(PTF)
89 六角頭螺堵(PTF螺紋) [美标]
SAE J 531 (130109E) - 2020
六角頭螺堵(PTF螺紋)
Hexagon Outside Head Pipe Plugs (PTF)
90 六角頭螺堵(NPTF螺紋) [美标]
SAE J 531 (130109E) - 2020
六角頭螺堵(NPTF螺紋)
Hexagon Outside Head Pipe Plugs (NPTF)
91 加注和排出口用六角頭螺堵(PTF螺紋) [美标]
SAE J 531 (130109F) - 2020
加注和排出口用六角頭螺堵(PTF螺紋)
Hexagon Outside Head Filler and Drain Pipe Plugs(PTF)
92 加注和排出口用六角頭螺堵(NPTF螺紋) [美标]
SAE J 531 (130109F) - 2020
加注和排出口用六角頭螺堵(NPTF螺紋)
Hexagon Outside Head Filler and Drain Pipe Plugs (NPTF)
93 制冷劑管接頭 - Plug [美标]
SAE J 513 (010109-P2) - 2019
制冷劑管接頭 - Plug
Refrigeration Tube Fittings - Plug
94 六角頭外螺紋管塞 [美标]
SAE AS 4862 - 1995 (R2007)
六角頭外螺紋管塞
Plug Pipe External Thread, Hex Head
95 六角頭錐形螺塞 [汽标]
QC /T 381 - 2013
六角頭錐形螺塞
Hexagon Outside Head Cone Plugs
96 六角頭錐形磁性螺塞 [汽标]
QC /T 383 - 2013
六角頭錐形磁性螺塞
Hexgon Outside Head Cone Plugs with Magnetic Core
97 六角頭螺塞 [汽标]
QC /T 376 - 1999 (R2005)
六角頭螺塞
Hexagon Outside Head Plug
98 六角頭磁性螺塞 [汽标]
QC /T 385 - 1999
六角頭磁性螺塞
Hexgon Outside Head Plugs with Magnetic Core
99 滑脂嘴體 [汽标]
QC /T 407 (-1) - 1999
滑脂嘴體

100 彎頸式滑脂嘴 [汽标]
QC /T 408 - 1999
彎頸式滑脂嘴
Elbow Grease Nipple
标準編号: DIN 7604 - 2016
中文名稱: 六角頭螺旋塞.輕型 直管螺紋(輕型外六角直型閉鎖螺釘)
英文名稱: Hexagon Head Screw Plugs - Light Type - Cylindrical Thread
數據來源: 易緊通 (164580.com)
Standard Code: DIN 7604 - 2016Chinese Name: 六角頭螺旋塞.輕型 直管螺紋(輕型外六角直型閉鎖螺釘)English Name: Hexagon Head Screw Plugs - Light Type - Cylindrical ThreadSource: https://www.164580.com/info_47022.html
Data Source: YJT Fastener Database (164580.com)
Standard: DIN 7604 - 2016
URL: https://www.164580.com/info_47022.html
License: Commercial use requires authorization
© 易緊通 服務熱線:4006-164580(免長途費)