index
logo

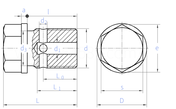
放氣旋塞 JB /T 6296.7 - 1992

選擇規格尺寸 點擊↓

M14 ×1.5

M20 ×1.5


尺寸單位: mm
機械行業JB /T6296.7 - 1992 JB6296.7 6296.7JB 放氣旋塞
JB /T 6296.7 - 1992 放氣旋塞
掃一掃分享
千件重及價格計算 千件重 : kg x 元/kg = 元/千件
默認密度 g/cm3
螺紋尺寸
d
M14
×1.5
M20
×1.5
d1
d2 尺寸
孔數
a
D 最大值
最小值
L0
I
L1
L
s 最大值
最小值
e 最小值
d3
百件重(鋼制)≈kg
4 6
3 4
2 4
3 4
24 30
23.9 29.9
12 17
18 25
15 20
28 38
16 21
15.73 20.67
17.77 23.35
11.7 17.7
3.26 8.43
①,材料:碳鋼 35(GB 699),正火。
注:技術數據僅供參考,請以官方原件為準!
類似标準及供貨信息
1 直通式壓注油杯 [國标]
GB 1152 - 1989
直通式壓注油杯
Straight Hydraulic Grease Nipples
供應商(1)
2 鍛制螺紋管件 - 六角頭螺塞 [國标]
GB /T 14383 (HHP) - 2021
鍛制螺紋管件 - 六角頭螺塞
Forged Threaded Pipe Fittings - Hexagon Head Screw Plug
3 液壓傳動連接 帶米制螺紋和O形圈密封的油口和螺柱端 第4部分:外六角螺塞 [國标]
GB /T 2878.4 (PLEH) - 2011
液壓傳動連接 帶米制螺紋和O形圈密封的油口和螺柱端 第4部分:外六角螺塞
Connections for Hydraulic Fluid Power- Ports and Stud Ends with Metric Threads and O-ring Sealing - Part 4 : Hex Plugs
4 土方機械 排液、加液和液位螺塞 B型外六角錐形螺塞 [國标]
GB /T 14780 - 2010
土方機械 排液、加液和液位螺塞 B型外六角錐形螺塞
Earth-moving Machinery - Drain, Fill and Level Plugs, Type B
5 土方機械 排液、加液和液位螺塞 D型外六角螺塞 [國标]
GB /T 14780 - 2010
土方機械 排液、加液和液位螺塞 D型外六角螺塞
Earth-moving Machinery - Drain, Fill and Level Plugs, Type D
6 土方機械 潤滑油杯 第1部分:螺紋接頭式 [國标]
GB /T 25618.1 - 2010
土方機械 潤滑油杯 第1部分:螺紋接頭式
Earth-moving Machinery - Lubrication Fittings - Part 1 : Nipple Type
7 鍛制螺紋管件 - 六角頭螺塞 [國标]
GB /T 14383 (HHP) - 2008
鍛制螺紋管件 - 六角頭螺塞
Forged threaded pipe fittings - Hexagon head screw plug
8 液壓管接頭用螺紋柱端 - E型柱端 [國标]
GB /T 19674.2 - 2005
液壓管接頭用螺紋柱端 - E型柱端
Connections for General use and Fluid Power - Ports and Stud Ends with Thread - Stud Ends with Elastomeric Sealing - Type E
9 液壓管接頭用螺紋油口和柱端 - 金屬對金屬密封柱端( B 型) [國标]
GB /T 19674.3 - 2005
液壓管接頭用螺紋油口和柱端 - 金屬對金屬密封柱端( B 型)
Connections for General use and Fluid Power - Ports and Stud Ends with Thread - Stud Ends with Metal-to-metal Sealing (Type B)
10 鍛鋼制螺紋管件 - 六角頭螺塞 [國标]
GB /T 14626 (HHP) - 1993
鍛鋼制螺紋管件 - 六角頭螺塞
Forged Steel Threaded Pipe Fittings - Hexagon Head Screw Plug
11 土方機械 排液、加液和液位螺塞 B型外六角錐形螺塞 [國标]
GB /T 14780 - 1993
土方機械 排液、加液和液位螺塞 B型外六角錐形螺塞
Earth-Moving Machinery - Drain, Fill and Level Plugs, Type B
12 土方機械 排液、加液和液位螺塞 D型外六角螺塞 [國标]
GB /T 14780 - 1993
土方機械 排液、加液和液位螺塞 D型外六角螺塞
Earth-Moving Machinery - Drain, Fill and Level Plugs, Type D
13 接頭式壓注油杯 [國标]
GB /T 1153 - 1989
接頭式壓注油杯
Angle Hydraulic Grease Nipples
14 船用放洩螺塞 [國标]
GB 2028 - 1980
船用放洩螺塞

15 六角頭螺塞 [德标]
DIN 909 - 2020
六角頭螺塞
Hexagon Head Pipe Plugs - Conical Thread
供應商(3)
16 帶肩的外六角螺旋塞.重載圓柱螺紋 (标準型) [德标]
DIN 910 - 2020
帶肩的外六角螺旋塞.重載圓柱螺紋 (标準型)
Hexagon-duty Hexagon Head Screw Plugs (Standard Type)
供應商(5)
17 六角頭螺旋塞.輕型 直管螺紋(輕型外六角直型閉鎖螺釘) [德标]
DIN 7604 - 2016
六角頭螺旋塞.輕型 直管螺紋(輕型外六角直型閉鎖螺釘)
Hexagon Head Screw Plugs - Light Type - Cylindrical Thread
供應商(1)
18 六角頭螺塞 [德标]
DIN 909 - 2012
六角頭螺塞
Hexagon Head Pipe Plugs - Conical Thread
供應商(3)
19 帶肩的外六角螺旋塞.重載圓柱螺紋 (标準型) [德标]
DIN 910 - 2012
帶肩的外六角螺旋塞.重載圓柱螺紋 (标準型)
Hexagon-duty Hexagon Head Screw Plugs (Standard Type)
供應商(5)
20 帶肩的外六角螺旋塞.重載圓柱螺紋 (标準型) [德标]
DIN 910 - 2010
帶肩的外六角螺旋塞.重載圓柱螺紋 (标準型)
Hexagon-duty Hexagon Head Screw Plugs (Standard type)
供應商(5)
21 六角頭螺旋塞.輕型 直管螺紋(輕型外六角直型閉鎖螺釘) [德标]
DIN 7604 - 1992
六角頭螺旋塞.輕型 直管螺紋(輕型外六角直型閉鎖螺釘)
Hexagon Head Screw Plugs - Light Type - Cylindrical Thread
供應商(1)
22 六角頭螺塞 [德标]
DIN 909 - 1992
六角頭螺塞
Hexagon Head Screw Plugs, Conical Thread
供應商(3)
23 帶肩的外六角螺旋塞.重載圓柱螺紋 [德标]
DIN 910 - 1992
帶肩的外六角螺旋塞.重載圓柱螺紋
Heavy-duty Hexagon Head Screw Plugs
供應商(5)
24 六角頭螺塞 [德标]
DIN 909 - 1991
六角頭螺塞
Hexagon Head Screw Plugs, Conical Thread
供應商(3)
25 軌道車輛用壓縮空氣裝置-帶凸緣和通風的鎖緊螺釘 [德标]
DIN 5586 - 1989
軌道車輛用壓縮空氣裝置-帶凸緣和通風的鎖緊螺釘
Compressed Air Equipment for Rail Vehicles; Locking Screws with Collar and Vent
供應商(1)
26 帶肩的外六角螺旋塞.重載圓柱螺紋 (L型) [德标]
DIN 910 - 2020
帶肩的外六角螺旋塞.重載圓柱螺紋 (L型)
Hexagon-duty Hexagon Head Screw Plugs (Type L)
27 帶肩的外六角螺旋塞.重載圓柱螺紋 (L型) [德标]
DIN 910 - 2012
帶肩的外六角螺旋塞.重載圓柱螺紋 (L型)
Hexagon-duty Hexagon Head Screw Plugs (Type L)
28 帶肩的外六角螺旋塞.重載圓柱螺紋 (L型) [德标]
DIN 910 - 2010
帶肩的外六角螺旋塞.重載圓柱螺紋 (L型)
Hexagon-duty Hexagon Head Screw Plugs (Type L)
29 擴口式管接頭用管塞 UNF螺紋 (統一螺紋) [德标]
DIN 8912 (P2) - 1990
擴口式管接頭用管塞 UNF螺紋 (統一螺紋)
UNF Screwed Plug
30 擴口式管接頭用管塞 NPT螺紋 [德标]
DIN 8912 (P2.1) - 1990
擴口式管接頭用管塞 NPT螺紋
NPT Screwed Plug
31 壓縮聯軸器; 空心螺釘 [德标]
DIN 74305-1 - 1987
壓縮聯軸器; 空心螺釘
Compression Couplings; Hollow Screw
32 六角頭螺塞 [國際]
ISO 6149 (-4) - 2017 (PLEH)
六角頭螺塞
External Hex Port Plug (PLEH)
供應商(1)
33 土方機械 潤滑油杯 - 直通油杯 普通螺紋 [國際]
ISO 6392-1 (Type 1) - 1996
土方機械 潤滑油杯 - 直通油杯 普通螺紋
Earth-moving Machinery - Lubrication Fittings - Straight Fitting with Parallel Thread
34 土方機械 潤滑油杯 -  直通油杯 錐螺紋 [國際]
ISO 6392-1 (Type 2) - 1996
土方機械 潤滑油杯 - 直通油杯 錐螺紋
Earth-moving Machinery - Lubrication Fittings - Straight Fitting with Taper Thread
35 土方機械 潤滑油杯 - 45°彎頭油杯 [國際]
ISO 6392-1 (Type 3) - 1996
土方機械 潤滑油杯 - 45°彎頭油杯
Earth-moving Machinery - Lubrication Fittings - 45° Elbow Fitting
36 土方機械 潤滑油杯 - 65°~67.5°彎頭油杯 [國際]
ISO 6392-1 (Type 4) - 1996
土方機械 潤滑油杯 - 65°~67.5°彎頭油杯
Earth-moving Machinery - Lubrication Fittings - 65° To 67.5° Elbow Fitting
37 土方機械 潤滑油杯 - 90°彎頭油杯 [國際]
ISO 6392-1 (Type 5) - 1996
土方機械 潤滑油杯 - 90°彎頭油杯
Earth-moving Machinery - Lubrication Fittings - 90° Elbow Fitting
38 汽車零件 — 2B型外六角帶介直管螺塞 [日标]
JIS D 2101 (2B) - 2001
汽車零件 — 2B型外六角帶介直管螺塞
Automotive Parts - Type 2B Screw Plug
供應商(1)
39 汽車零件 — 1C型外六角錐形螺塞 [日标]
JIS D 2101 (1C) - 2001
汽車零件 — 1C型外六角錐形螺塞
Automotive Parts - Type 1C Taper Screw Plug
40 汽車零件 — 2A型外六角直管螺塞 [日标]
JIS D 2101 (2A) - 2001
汽車零件 — 2A型外六角直管螺塞
Automotive Parts - Type 2A Screw Plug
41 直螺紋管件 油嘴 [日标]
JIS B 1575 (Type 1) - 2000
直螺紋管件 油嘴
Straight Fitting with Parallel Thread
42 錐形螺紋直通接頭 油嘴 [日标]
JIS B 1575 (Type 2) - 2000
錐形螺紋直通接頭 油嘴
Straight Fitting with Taper Thread
43 45°彎頭接頭 油嘴 [日标]
JIS B 1575 (Type 3) - 2000
45°彎頭接頭 油嘴
45° Elbow Fitting
44 65°~67.5°彎頭接頭 油嘴 [日标]
JIS B 1575 (Type 4) - 2000
65°~67.5°彎頭接頭 油嘴
65° to 67.5° Elbow Fitting
45 90°彎頭接頭 油嘴 [日标]
JIS B 1575 (Type 5) - 2000
90°彎頭接頭 油嘴
90° Elbow Fitting
46 常閉式通氣塞 [汽标代号]
Q 900B
常閉式通氣塞
Vent Plug - Type A
供應商(1)
47 六角頭螺塞 [汽标代号]
Q 617B
六角頭螺塞
Hexagon Head Plug
48 六角頭錐形螺塞 [汽标代号]
Q 618B
六角頭錐形螺塞
Hexagon Semi-tubular Taper Plug
49 六角頭錐形磁性螺塞 [汽标代号]
Q 622
六角頭錐形磁性螺塞
Hexgon Outside Head Cone Plugs with Magnetic Core
50 六角頭磁性螺塞 [汽标代号]
Q 623
六角頭磁性螺塞
Hex Head Magnetic Screws Plug
51 滑脂嘴體 [汽标代号]
Q 700B.1
滑脂嘴體

52 彎頸式滑脂嘴 [汽标代号]
Q 701B
彎頸式滑脂嘴
Elbow Grease Nipple
53 彎頸式滑脂嘴 - 接頭體 [汽标代号]
Q 701B.1
彎頸式滑脂嘴 - 接頭體
Elbow Grease Nipple - Connector Body
54 常閉式通氣塞 - 塞體 [汽标代号]
Q 900B.1
常閉式通氣塞 - 塞體

55 常開式通氣塞 [汽标代号]
Q 901
常開式通氣塞
Vent Plug - Type B
56 保險閥 [汽标代号]
Q 902B
保險閥
Relief Valve
57 保險閥 - 閥體 [汽标代号]
Q 902B.1
保險閥 - 閥體

58 鋼球式通氣塞 [汽标代号]
Q 903
鋼球式通氣塞
Steel Ball Vent-plug
59 鋼球式通氣塞 - 塞體 [汽标代号]
Q 903.1
鋼球式通氣塞 - 塞體
Steel Ball Vent-plug
60 常閉式通氣塞 - 加長型 [汽标代号]
Q 904
常閉式通氣塞 - 加長型
Vent Plug - Type C
61 加長型常閉式通氣塞 - 下座體 [汽标代号]
Q 904.1
加長型常閉式通氣塞 - 下座體

62 加長型常閉式通氣塞 - 上座體 [汽标代号]
Q 904.2
加長型常閉式通氣塞 - 上座體

63 外六角帶介喉塞 [機械行業]
JB /ZQ 4450 - 2006
外六角帶介喉塞
Hex Screws Plug
供應商(1)
64 外六角帶介喉塞 [機械行業]
JB /ZQ 4450 - 1997
外六角帶介喉塞
Hexagon Plugs with Collar
供應商(1)
65 直通式壓注油杯 [機械行業]
JB /T 7940.1 - 1995
直通式壓注油杯
Straight Hydraulic Grease Nipples
供應商(1)
66 外六角螺塞 [機械行業]
JB /T 1000 - 1977
外六角螺塞
Hexagon Plug
供應商(1)
67 六角螺塞 [機械行業]
JB /T 1700 (Plug) - 2008
六角螺塞
Hexagon Head Plug
68 55°非密封管螺紋外六角螺塞(PN16) [機械行業]
JB /ZQ 4451 - 2006
55°非密封管螺紋外六角螺塞(PN16)
Hexagon Plug with 55 Degree Non-sealed Pipe Thread
69 高壓油用螺塞 [機械行業]
JB /ZQ 4453 - 2006
高壓油用螺塞
High-pressure Plug
70 外六角螺塞(PN31.5) [機械行業]
JB /ZQ 4770 - 2006
外六角螺塞(PN31.5)
Hexagon Plug
71 接頭式壓注油杯 [機械行業]
JB /T 7940.2 - 1995
接頭式壓注油杯
Angle Hydraulic Grease Nipples
72 彈簧蓋油杯 B型 [機械行業]
JB /T 7940.5 - 1995
彈簧蓋油杯 B型
Spring Cap Type Lubricating Cups, Type B
73 汽輪機管道附件 - 六角螺塞 [機械行業]
JB /T 6296.7 - 1992
汽輪機管道附件 - 六角螺塞
Hexagon Head Plug
74 六角螺塞 [機械行業]
JB /T 1760 - 1991
六角螺塞
Hexagon Head Plug
75 熱交換器用六角螺堵 [美标]
ASTM
熱交換器用六角螺堵
Hex Head Plug for Heat Exchanger
76 六角頭螺堵 [鐵道部]
TB /T 844 - 1991
六角頭螺堵

77 油嘴 1型 [俄标]
GOST 19853 (Type 1) - 1974
油嘴 1型
Lubricating Plugs - Type 1
78 英管内螺紋60°外錐面雙六角 [标準]
YJT 14002 (D)
英管内螺紋60°外錐面雙六角
BSP Female 60° Cone Double Hexagon
79 外六角帶介喉塞 [标準]
YJT 15009
外六角帶介喉塞
Hexagon Plugs with Collar
80 外六角螺塞 [标準]
YJT 15010
外六角螺塞
Hexagon Plug
81 外六角螺塞 [标準]
YJT 15011
外六角螺塞
Hexagon Plug
82 外六角螺塞 [标準]
YJT 15012
外六角螺塞
Hexagon Plug
83 六角頭螺塞 [美标]
SAE J 1453 - 2002 (520109)
六角頭螺塞
Fitting - O-Ring Face Seal Plug
供應商(1)
84 液壓管接頭 - 外六角帶法蘭圓柱頭螺塞(外錐37°密封) [美标]
SAE J 514 (070109) - 2001
液壓管接頭 - 外六角帶法蘭圓柱頭螺塞(外錐37°密封)
37°Flared Tube Fitting - Plug
供應商(1)
85 液壓管接頭 - 外六角圓柱頭螺塞(内錐24°密封) [美标]
SAE J 514 (080109) - 2001
液壓管接頭 - 外六角圓柱頭螺塞(内錐24°密封)
Hydraulic Flareless Tube Fittings - Plugs
供應商(1)
86 液壓管接頭 - 外六角螺塞 [美标]
SAE J 514 (090109A) - 2001
液壓管接頭 - 外六角螺塞
Hydraulic Flareless Tube Fittings - Hexagon Head O-Ring Boss Plug
供應商(1)
87 六角頭螺堵(NPTF螺紋) [美标]
SAE J 531 (130109C) - 2020
六角頭螺堵(NPTF螺紋)
Hexagon Inside Head Pipe Plugs(NPTF)
88 加注和排出口用,六角頭螺堵 (PTF螺紋) [美标]
SAE J 531 (130109D) - 2020
加注和排出口用,六角頭螺堵 (PTF螺紋)
Hexagon Inside Head Filler and Drain Plugs(PTF)
89 六角頭螺堵(PTF螺紋) [美标]
SAE J 531 (130109E) - 2020
六角頭螺堵(PTF螺紋)
Hexagon Outside Head Pipe Plugs (PTF)
90 六角頭螺堵(NPTF螺紋) [美标]
SAE J 531 (130109E) - 2020
六角頭螺堵(NPTF螺紋)
Hexagon Outside Head Pipe Plugs (NPTF)
91 加注和排出口用六角頭螺堵(PTF螺紋) [美标]
SAE J 531 (130109F) - 2020
加注和排出口用六角頭螺堵(PTF螺紋)
Hexagon Outside Head Filler and Drain Pipe Plugs(PTF)
92 加注和排出口用六角頭螺堵(NPTF螺紋) [美标]
SAE J 531 (130109F) - 2020
加注和排出口用六角頭螺堵(NPTF螺紋)
Hexagon Outside Head Filler and Drain Pipe Plugs (NPTF)
93 制冷劑管接頭 - Plug [美标]
SAE J 513 (010109-P2) - 2019
制冷劑管接頭 - Plug
Refrigeration Tube Fittings - Plug
94 六角頭外螺紋管塞 [美标]
SAE AS 4862 - 1995 (R2007)
六角頭外螺紋管塞
Plug Pipe External Thread, Hex Head
95 六角頭錐形螺塞 [汽标]
QC /T 381 - 2013
六角頭錐形螺塞
Hexagon Outside Head Cone Plugs
96 六角頭錐形磁性螺塞 [汽标]
QC /T 383 - 2013
六角頭錐形磁性螺塞
Hexgon Outside Head Cone Plugs with Magnetic Core
97 六角頭螺塞 [汽标]
QC /T 376 - 1999 (R2005)
六角頭螺塞
Hexagon Outside Head Plug
98 六角頭磁性螺塞 [汽标]
QC /T 385 - 1999
六角頭磁性螺塞
Hexgon Outside Head Plugs with Magnetic Core
99 滑脂嘴體 [汽标]
QC /T 407 (-1) - 1999
滑脂嘴體

100 彎頸式滑脂嘴 [汽标]
QC /T 408 - 1999
彎頸式滑脂嘴
Elbow Grease Nipple
标準編号: JB /T 6296.7 - 1992
中文名稱: 放氣旋塞
英文名稱: Hex Plugs
數據來源: 易緊通 (164580.com)
Standard Code: JB /T 6296.7 - 1992Chinese Name: 放氣旋塞English Name: Hex PlugsSource: https://www.164580.com/info_443054.html
Data Source: YJT Fastener Database (164580.com)
Standard: JB /T 6296.7 - 1992
URL: https://www.164580.com/info_443054.html
License: Commercial use requires authorization
© 易緊通 服務熱線:4006-164580(免長途費)