index
logo

擠壓型材合頁片 HB 2- 25 - 2002

查看供應商

選擇規格尺寸 點擊↓

15

20

30


尺寸單位: mm
航空HB 2-25 - 2002 HB25 25HB 擠壓型材合頁片
HB 2- 25 - 2002 擠壓型材合頁片
掃一掃分享
千件重及價格計算 千件重 : kg x 元/kg = 元/千件
默認密度 g/cm3
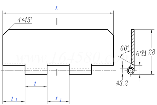
規格
15 20 30
t 公稱
最小值
最大值
t1 最小值=公稱
最大值
單重≈kg 每米理論重量
15 20 30
14.84 19.805 29.805
14.95 19.935 29.935
15 20 30
15.11 20.13 30.13
0.121 0.121 0.121
①,L(t+t1)n + t(由設計确定),式中n為整數,相配合的合頁片為 L-(t+t1)
②,合頁片長度在3米以内,其長度公差為 ±2mm。
③,材料:2A12-T4(LY12-CZ),按GJB 2087-1995、XC01-6,按 GJB/Z 125-1999。
④,一般公差按 HB 5800-1999。
⑤,表面處理:陽極化及鉻酸鈍化處理。
⑥,零件表面不應有凹陷、劃傷、毛刺和其他機械損傷。
注:技術數據僅供參考,請以官方原件為準!
告訴我在“易緊通”看到,将給您優惠
聯系人:薛俊曉、李枚潞 點擊這裏給我發消息2773717128   移動電話: 19921049282(微信同号)、19921046851(微信同号)
材質:碳鋼(25#、35#、45#、10B22),不鏽鋼(304、304L、316、316L、316LN、2535Nb、2205、2507、2520、S32750、S32760),合金鋼(40Cr、40MnB、605M36T),高溫合金鋼(35CrMoA、20Cr1Mo1VNbTiB、42CrMoA、25Cr2MovA、GH2132、GH738、GH4738、GH4080A、GH3030、GH4169),特殊合金鋼(ASTM A193 B7、A193 B16、A320 L7、A194 2H、A194 4、A800 H、A453 660、NS112、HB3),钛合金鋼TC4,鎳及鎳合金鋼(N6、Inconel 600、C-276、monel 400、Inconel 718、Inconel 625),矽青銅QSi1-3,尼龍(PA6、PA66),奧氏體,馬氏體,熱強鋼、鋁LY11等;等級:8.8、10.9、12.9;規格範圍:可按要求或圖紙訂制。
類似标準及供貨信息
1 等徑雙孔連接闆 [國标]
GB /T 17116.3 - 2018
等徑雙孔連接闆

2 異徑雙孔連接闆 [國标]
GB /T 17116.3 - 2018
異徑雙孔連接闆

3 三孔連接闆 [國标]
GB /T 17116.3 - 2018
三孔連接闆

4 鋼梁連接角鋼 [國标]
GB /T 17116.3 - 2018
鋼梁連接角鋼

5 槽鋼加強闆 [國标]
GB /T 17116.3 - 2018
槽鋼加強闆

6 工字鋼加強闆 [國标]
GB /T 17116.3 - 2018
工字鋼加強闆

7 H型鋼加強闆 [國标]
GB /T 17116.3 - 2018
H型鋼加強闆

8 焊接單眼吊闆 [國标]
GB /T 17116.3 - 2018
焊接單眼吊闆

9 栓接單眼吊闆 [國标]
GB /T 17116.3 - 2018
栓接單眼吊闆

10 焊接U型吊闆 [國标]
GB /T 17116.3 - 2018
焊接U型吊闆

11 栓接U型吊闆 [國标]
GB /T 17116.3 - 2018
栓接U型吊闆

12 焊片 A1, B1 [德标]
DIN 41496 - 1987
焊片 A1, B1

13 焊片 A2, B2 [德标]
DIN 41496 - 1987
焊片 A2, B2

14 焊片 A3, B3 [德标]
DIN 41496 - 1987
焊片 A3, B3

15 焊片 J2 [德标]
DIN 41496 - 1987
焊片 J2

16 焊片 K2 [德标]
DIN 41496 - 1987
焊片 K2

17 焊片 L2 [德标]
DIN 41496 - 1987
焊片 L2

18 單孔吊闆 [化工]
HG /T 21629 (A11) - 2021
單孔吊闆

19 直管用吊闆 [化工]
HG /T 21629 (A12) - 2021
直管用吊闆

20 90°彎頭用吊闆 [化工]
HG /T 21629 (A13) - 2021
90°彎頭用吊闆

21 單孔吊闆 [化工]
HG /T 21629 (A17) - 2021
單孔吊闆

22 橫擔 [化工]
HG /T 21629 (A18) - 2021
橫擔

23 擠壓型材合頁用通條 A型 [航空]
HB 2- 31 (A) - 2002
擠壓型材合頁用通條 A型
Rod for Eextruding Shapes Hinge - Type A
供應商(1)
24 擠壓型材合頁用通條 B型 [航空]
HB 2- 31 (B) - 2002
擠壓型材合頁用通條 B型
Rod for Eextruding Shapes Hinge - Type B
25 擠壓型材合頁用通條 C型 [航空]
HB 2- 31 (C) - 2002
擠壓型材合頁用通條 C型
Rod for Eextruding Shapes Hinge - Type C
标準編号: HB 2- 25 - 2002
中文名稱: 擠壓型材合頁片
英文名稱:
數據來源: 易緊通 (164580.com)
Standard Code: HB 2- 25 - 2002Chinese Name: 擠壓型材合頁片English Name: Source: https://www.164580.com/info_424354.html
Data Source: YJT Fastener Database (164580.com)
Standard: HB 2- 25 - 2002
URL: https://www.164580.com/info_424354.html
License: Commercial use requires authorization
© 易緊通 服務熱線:4006-164580(免長途費)