index
logo

三孔連接闆 GB /T 17116.3 - 2018

選擇規格尺寸 點擊↓

12

16

20

24

30

36

42

48

56

64

68

72

80

90

100

110

125


尺寸單位: mm
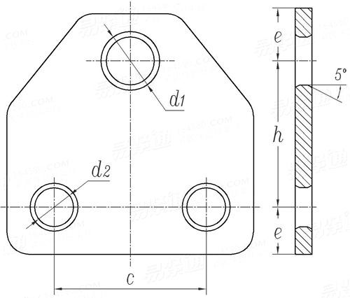
國标GB /T17116.3 - 2018 GB17116.3 17116.3G 三孔連接闆
GB /T 17116.3 - 2018 三孔連接闆
掃一掃分享
公稱直徑
12 16 20 24 30 36 42 48 56
d1
d2
h
e
17.5 21.5 26.5 32 37 47 52 57 67
13.5 17.5 21.5 26.5 32 37 37 47 52
80 100 125 160 200 224 280 300 355
20 25 32 40 50 56 71 80 90
公稱直徑
64 68 72 80 90 100 110 125
d1
d2
h
e
72 77 82 93 104 114 124 144
57 67 67 72 82 93 93 104
400 450 450 500 560 630 710 800
100 112 112 125 140 160 180 200
①,2e ≤ c <h
注:技術數據僅供參考,請以官方原件為準!
類似标準及供貨信息
1 等徑雙孔連接闆 [國标]
GB /T 17116.3 - 2018
等徑雙孔連接闆

2 異徑雙孔連接闆 [國标]
GB /T 17116.3 - 2018
異徑雙孔連接闆

3 鋼梁連接角鋼 [國标]
GB /T 17116.3 - 2018
鋼梁連接角鋼

4 槽鋼加強闆 [國标]
GB /T 17116.3 - 2018
槽鋼加強闆

5 工字鋼加強闆 [國标]
GB /T 17116.3 - 2018
工字鋼加強闆

6 H型鋼加強闆 [國标]
GB /T 17116.3 - 2018
H型鋼加強闆

7 焊接單眼吊闆 [國标]
GB /T 17116.3 - 2018
焊接單眼吊闆

8 栓接單眼吊闆 [國标]
GB /T 17116.3 - 2018
栓接單眼吊闆

9 焊接U型吊闆 [國标]
GB /T 17116.3 - 2018
焊接U型吊闆

10 栓接U型吊闆 [國标]
GB /T 17116.3 - 2018
栓接U型吊闆

11 焊片 A1, B1 [德标]
DIN 41496 - 1987
焊片 A1, B1

12 焊片 A2, B2 [德标]
DIN 41496 - 1987
焊片 A2, B2

13 焊片 A3, B3 [德标]
DIN 41496 - 1987
焊片 A3, B3

14 焊片 J2 [德标]
DIN 41496 - 1987
焊片 J2

15 焊片 K2 [德标]
DIN 41496 - 1987
焊片 K2

16 焊片 L2 [德标]
DIN 41496 - 1987
焊片 L2

17 單孔吊闆 [化工]
HG /T 21629 (A11) - 2021
單孔吊闆

18 直管用吊闆 [化工]
HG /T 21629 (A12) - 2021
直管用吊闆

19 90°彎頭用吊闆 [化工]
HG /T 21629 (A13) - 2021
90°彎頭用吊闆

20 單孔吊闆 [化工]
HG /T 21629 (A17) - 2021
單孔吊闆

21 橫擔 [化工]
HG /T 21629 (A18) - 2021
橫擔

22 擠壓型材合頁片 [航空]
HB 2- 25 - 2002
擠壓型材合頁片

供應商(1)
23 擠壓型材合頁用通條 A型 [航空]
HB 2- 31 (A) - 2002
擠壓型材合頁用通條 A型
Rod for Eextruding Shapes Hinge - Type A
供應商(1)
24 擠壓型材合頁用通條 B型 [航空]
HB 2- 31 (B) - 2002
擠壓型材合頁用通條 B型
Rod for Eextruding Shapes Hinge - Type B
25 擠壓型材合頁用通條 C型 [航空]
HB 2- 31 (C) - 2002
擠壓型材合頁用通條 C型
Rod for Eextruding Shapes Hinge - Type C
标準編号: GB /T 17116.3 - 2018
中文名稱: 三孔連接闆
英文名稱:
數據來源: 易緊通 (164580.com)
Standard Code: GB /T 17116.3 - 2018Chinese Name: 三孔連接闆English Name: Source: https://www.164580.com/info_392020.html
Data Source: YJT Fastener Database (164580.com)
Standard: GB /T 17116.3 - 2018
URL: https://www.164580.com/info_392020.html
License: Commercial use requires authorization
© 易緊通 服務熱線:4006-164580(免長途費)