index
logo

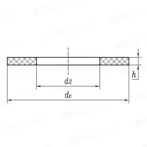
船用法蘭軟墊圈 GB 583 - 1965

選擇規格尺寸 點擊↓

15

20

25

32

40

50

65

80

100

125

150

(175)

200

(225)

250

300

350

400

450

500

括号内尺寸為非優選

尺寸單位: mm
GB  583 - 1965 船用法蘭軟墊圈
掃一掃分享
螺紋規格
d
15 20 25 32 40 50 65 80 100 125
dc 公稱壓力Pg,KG/cm2 6
10
16
25
40,64
d2 公稱壓力Pg,KG/cm2 6,10,16,25
40,64
42 52 60 68 78 88 108 123 143 168
- 52 60 68 78 88 108 123 143 168
- 52 60 68 78 88 115 130 150 170
- 52 60 68 78 88 115 130 150 174
- 51 58 66 76 88 110 121 150 176
20 26 34 42 50 62 78 94 114 140
- 35 42 50 60 72 94 105 128 154
螺紋規格
d
150 (175) 200 (225) 250 300 350 400 450 500
dc 公稱壓力Pg,KG/cm2 6
10
16
25
40,64
d2 公稱壓力Pg,KG/cm2 6,10,16,25
40,64
193 223 249 279 309 364 414 464 514 569
193 231 256 284 314 369 419 470 525 575
200 235 259 285 315 370 421 476 526 581
205 240 265 290 320 375 431 481 - -
204 234 260 287 313 364 422 - - -
165 196 222 248 276 328 380 431 483 535
182 212 238 265 291 342 394 - - -
①,墊圈的厚度 h,石棉橡膠闆為2mm,夾布橡皮為3mm。
②,墊圈内外徑尺寸的允許偏差按 GB 159-59 的8級精度。
注:技術數據僅供參考,請以官方原件為準!
類似标準及供貨信息
1 平墊圈 C級 [國标]
GB /T 95 - 2002
平墊圈 C級
Plain Washers - Product Grade C
供應商(9)
2 C級平墊圈 [國标]
GB /T 95 - 1985
C級平墊圈
Plain Washers - Product Grade C
供應商(9)
3 平墊 [國标]
GB 97 - 1976
平墊
Plain Washers
供應商(24)
4 平墊圈 A級 [國标]
GB /T 97.1 - 2002
平墊圈 A級
Plain Washers - Product Grade A
供應商(24)
5 平墊圈 倒角型 A級 [國标]
GB /T 97.2 - 2002
平墊圈 倒角型 A級
Plain Washers, Chamfered - Product Grade A
供應商(6)
6 A級平墊圈 [國标]
GB /T 97.1 - 1985
A級平墊圈
Grade A Plain Washers
供應商(24)
7 A級倒角型平墊圈 [國标]
GB /T 97.2 - 1985
A級倒角型平墊圈
Grade A Chamferred Plain Washers
供應商(6)
8 平墊圈 [國标]
GB /T 17116.3 - 2018
平墊圈
Plain Washers
9 平墊闆 [國标]
GB /T 17116.3 - 2018
平墊闆

10 管接頭用鎖緊墊圈 [國标]
GB /T 5649 - 2008
管接頭用鎖緊墊圈
Flared Couplings - Lockup Washer
11 銷軸用 平墊圈,C級 [德标]
DIN 1441 - 2009
銷軸用 平墊圈,C級
Washers for Clevis Pins - Product Grade C
供應商(3)
12 六角螺栓與螺母組合用 A級平墊圈 - 硬度250HV以下 [德标]
DIN 125-1 - 1990
六角螺栓與螺母組合用 A級平墊圈 - 硬度250HV以下
Product Grade A, up to Hardness 250 HV, Primarily for Hexagon Bolts and Nuts
供應商(22)
13 六角螺栓與螺母組合用  A級加硬墊圈 - 硬度300HV以上 [德标]
DIN 125-2 - 1990
六角螺栓與螺母組合用 A級加硬墊圈 - 硬度300HV以上
Product Grade A, Washers with a Hardness from 300 HV Designed for Use with Hexagon Head Bolts and Nuts
供應商(3)
14 六角頭螺栓與螺母組合用 C級平墊圈 [德标]
DIN 126 - 1990
六角頭螺栓與螺母組合用 C級平墊圈
Product Grade C Washers Designed for use with Hexagon Head Bolts and Nuts
供應商(6)
15 螺栓用 粗制墊圈 [德标]
DIN 1441 - 1974
螺栓用 粗制墊圈
Washers Type Coarse for Bolts
供應商(3)
16 航空航天系列 - 沉頭墊圈 [德标]
DIN 65209 - 2010
航空航天系列 - 沉頭墊圈
Aerospace Series - Washers, Countersunk;
17 塑料平墊圈 [德标]
DIN 34815 - 1999
塑料平墊圈
Plastic Plain Washers - Normal Series
18 标準型平墊 A級 [國際]
ISO 7089 - 2000
标準型平墊 A級
Plain Washers - Normal Series - Product Grade A
供應商(9)
19 A級倒角平墊圈 [國際]
ISO 7090 - 2000
A級倒角平墊圈
Plain Washers, Chamfered-Normal Series - Product Grade A
供應商(4)
20 C級平墊圈 [國際]
ISO 7091 - 2000
C級平墊圈
Plain Washers-Normal Series - Product Grade C
供應商(2)
21 C級普通平墊 [國際]
ISO 7091 - 1983
C級普通平墊
Plain Washers- Producte Grade C
供應商(2)
22 平墊圈,用于公制螺栓,螺釘和螺母 [國際]
ISO 887 - 2000 (R2006)
平墊圈,用于公制螺栓,螺釘和螺母
Plain Washers for Metric Bolts, Screws and Nuts for General Purposes
23 A級平墊  [Table 7-8] [日标]
JIS B 1256 (NA) - 2008
A級平墊 [Table 7-8]
Normal Plain Washers - Product Grade A
供應商(4)
24 A級, 标準型, 倒角平墊圈 [Table 11-12] [日标]
JIS B 1256 (NCA) - 2008
A級, 标準型, 倒角平墊圈 [Table 11-12]
Normal Plain Washers, Chamfered - Product Grade A
供應商(1)
25 标準型C級平墊 [Table 15-16] [日标]
JIS B 1256 (NC) - 2008
标準型C級平墊 [Table 15-16]
Normal Plain Washers - Product Grade C
供應商(3)
26 精制平墊 [日标]
JIS B 1256 (F) - 1978
精制平墊
Finished Circular Washers
供應商(4)
27 普通平墊 [日标]
JIS B 1256 (R) - 1978
普通平墊
Regular Circular Washers
供應商(3)
28 地腳用平墊 [日标]
JIS B 1220 - 2015
地腳用平墊
Foundation Plain Washers
29 地腳用平墊 [日标]
JIS B 1220 - 2010
地腳用平墊
Foundation Plain Washers
30 平墊圈 [汽标代号]
Q 401
平墊圈
Plain Washers
供應商(4)
31 平墊圈 [汽标代号]
Q 401B
平墊圈
Plain Washers
供應商(4)
32 螺塞用平墊 [機械行業]
JB /T 1761 - 1991
螺塞用平墊
Plain Washer for Plug
供應商(1)
33 柴油機 低壓金屬油管組件 技術條件 - 墊圈 [機械行業]
JB /T 6013 - 2011
柴油機 低壓金屬油管組件 技術條件 - 墊圈
Diesel Engines - Requirements for Low Pressure Hydraulic Pipe Assemblies - Washers
34 水用螺塞墊圈 [機械行業]
JB /ZQ 4180 - 2006
水用螺塞墊圈
Water Plug Washer
35 雙管夾墊闆 [機械行業]
JB /ZQ 4500 - 2006
雙管夾墊闆

36 調整墊片組 [機械行業]
JB /ZQ 4758 - 2006
調整墊片組

37 十字墊圈用墊圈 [機械行業]
JB /T 8008.3 - 1999
十字墊圈用墊圈
Washers for Cross Recessed Washers
38 單管夾墊闆 [機械行業]
JB /ZQ 4499 - 1997
單管夾墊闆

39 調整墊 [機械行業]
JB /T 1742 - 1991
調整墊

40 平墊 [機械行業]
JB /ZQ 4335 - 1986
平墊
Plain Washers
41 平墊圈 A型 (ASTM F844) [美标]
ASME/ANSI B 18.21.1 - 2009
平墊圈 A型 (ASTM F844)
Plain Washers - Type A (ASTM F844)
42 平墊圈 - B型 (ASTM F844) [美标]
ASME/ANSI B 18.21.1 - 2009
平墊圈 - B型 (ASTM F844)
Plain Washers - Type B (ASTM F844)
43 防護墊圈 [美标]
ASME/ANSI B 18.21.1 - 2009
防護墊圈
Fender Washers
44 平墊 C級 [意大利]
UNI 6593 - 1997
平墊 C級
Plain Washers-Wide Band
供應商(1)
45 平墊 [意大利]
UNI 6592 - 1972
平墊
Plain Washers
供應商(1)
46 平墊圈 [意大利]
UNI 6952
平墊圈
Plain Washers
供應商(1)
47 平墊圈 倒角型A級 [意大利]
UNI 1734
平墊圈 倒角型A級
Plain Washers, Chamfered - Product Grade A
48 薄平墊圈 [意大利]
UNI 1750
薄平墊圈
Thin Plain Washers, Chamfered
49 标準型組合墊圈 用于自攻螺釘和墊圈組合件 [法國]
NF E 25-522 - 1999
标準型組合墊圈 用于自攻螺釘和墊圈組合件
Plain Washers for Tapping Screw and Washer Assemblies - Normal Series - Product Grade A
供應商(1)
50 A級平墊圈 [法國]
NF E 25-514 - 1987
A級平墊圈
Plain Washers - Product Grade A
供應商(4)
51 M系列(中)平墊圈 [法國]
NF E 25-513
M系列(中)平墊圈
Plain Washers - M Style
供應商(4)
52 A級平墊圈 [法國]
NF E 25-526 - 2000
A級平墊圈
Plain Washers - Normal Series - Product Grade A
53 A級倒角型平墊圈 [法國]
NF E 25-527 - 2000
A級倒角型平墊圈
Plain Washers, Chamfered - Normal Series - Product Grade A
54 C級平墊圈 [法國]
NF E 25-528 - 2000
C級平墊圈
Plain Washers - Normal Series - Product Grade C
55 機械用加厚平墊 A級 [法國]
NF E 25-518 - 1987
機械用加厚平墊 A級
Thick Plain Washers for Mechanical Appliations - Product Grade A
56 倒角平墊圈 [法國]
NF E 27-711 - 1982
倒角平墊圈
Plain Washers, Chamfered
57 平墊圈 [法國]
NF E 27-711 - 1982
平墊圈
Plain Washers
58 鋼制管法蘭用平墊 [化工]
HG /T 20613 - 2009
鋼制管法蘭用平墊
Plain Washers for Steel Pipe with Flange
供應商(1)
59 公制 - 光面 - 普通墊圈 - A型 [英标]
BS 4320 (A) - 1968
公制 - 光面 - 普通墊圈 - A型
Bright Washers - Normal Diameter. Metric Series - Form A
供應商(1)
60 公制 - 光面 - 普通墊圈 (薄) - B型 [英标]
BS 4320 (B) - 1968
公制 - 光面 - 普通墊圈 (薄) - B型
Bright Washers - Normal Diameter (Light). Metric Series - Form B
供應商(1)
61 公制 - 粗制 - 普通墊圈 - E型 [英标]
BS 4320 (E) - 1968
公制 - 粗制 - 普通墊圈 - E型
Black Washers - Normal Diameter. Metric Series - Form E
62 适用于B.A.和美制尺寸的小型精制墊圈 [Table 1] [英标]
BS 3410 (-1) - 1961
适用于B.A.和美制尺寸的小型精制墊圈 [Table 1]
Small Bright Washers for Use with B.A. and American Number Size [Table 1]
63 用于UNC、UNF、B.S.W.和B.S.F.緊固件的汽車用中等精制墊圈 [Table 5] [英标]
BS 3410 (-5) - 1961
用于UNC、UNF、B.S.W.和B.S.F.緊固件的汽車用中等精制墊圈 [Table 5]
Medium Bright Washers for Automobie Purposes for Use with UNC, UNF, B.S.W. and B.S.F. Fasteners
64 普通粗制平墊 [Table 7] [英标]
BS 3410 (-7) - 1961
普通粗制平墊 [Table 7]
Ordinary Black Washers [Table 7]
65 支撐墊圈(英寸) [美标]
ASTM F 3394 - 2023
支撐墊圈(英寸)
Backup Washer (Inch)
66 公制支撐墊圈 [美标]
ASTM F 3394 (M) - 2023
公制支撐墊圈
Backup Washer (Metric)
67 反作用墊圈(英寸) [美标]
ASTM F 3394 - 2023
反作用墊圈(英寸)
Reaction Washer(Inch)
68 公制反作用墊圈 [美标]
ASTM F 3394 (M) - 2023
公制反作用墊圈
Reaction Washer (Metric)
69 米制平墊圈 A級和C級 标準 [澳标]
AS 1237.1 - 2002
米制平墊圈 A級和C級 标準
Plain Washers for Metric Bolts, Screws and Nuts for General Purposes - Normal, Product Grade A and C
70 彈條I型扣件 - 平墊圈 [鐵道部]
TB /T 1495.4 - 1992
彈條I型扣件 - 平墊圈

71 半光(輾光)制墊圈(用于柱頭、半圓頭螺釘及螺帽 M1至M20) [台灣]
CNS 152 - 1994
半光(輾光)制墊圈(用于柱頭、半圓頭螺釘及螺帽 M1至M20)
Semi-finished Washers (for Bolts with Cylindrical and pan Head and Nuts, M1~M20)
72 螺栓用中級墊圈 [台灣]
CNS 5114 - 1980
螺栓用中級墊圈
Washers, Type Medium, for Bolts
73 螺栓用粗級墊圈 C級 [台灣]
CNS 5115 - 1980
螺栓用粗級墊圈 C級
Plain Washers for Bolts - Grade C
74 橋用高強度緊固件 墊圈 [俄标]
GOST 53664 - 2009
橋用高強度緊固件 墊圈
Washers
75 平墊圈 [俄标]
GOST 11371 - 1978
平墊圈
Washers
76 銷釘用A級鋼墊圈 [俄标]
GOST 9649 - 1978
銷釘用A級鋼墊圈
Steel Washers for Pins, Grade A
77 小平墊 [韓标]
KS B 1326 (T7) - 2021
小平墊
Plain Washers - Small Series
78 大平墊 [韓标]
KS B 1326 (T8) - 2021
大平墊
Plain Washers - Large Series
79 平墊圈 [韓标]
KS B 1326 (T9) - 2021
平墊圈
Plain Washers
80 平墊圈 [韓标]
KS B 1326 (T1) - 2009
平墊圈
Plain Washers
81 平墊圈 [韓标]
KS B 1326 (T2) - 2009
平墊圈
Plain Washers
82 平墊圈 [韓标]
KS B 1326 (T3) - 2009
平墊圈
Plain Washers
83 美制SAE墊圈 [标準]
YJT 6001
美制SAE墊圈
American System Washers - SAE
供應商(5)
84 平墊圈 [電力]
DL /T 1236 (Washer) - 2013
平墊圈
Plain Washers
85 輸電線路杆塔及電力金具用 - 平墊圈 [電力]
DL /T 284 - 2012
輸電線路杆塔及電力金具用 - 平墊圈

86 平墊圈 B型 [美标]
SAE J 2655 - 2015
平墊圈 B型
Plain Washers - Type B
87 平墊圈 A型 [美标]
SAE J 2655 - 2015
平墊圈 A型
Plain Washers - Type A
88 防護墊圈 [美标]
SAE J 2655 - 2015
防護墊圈
Fender Washers
89 銷軸用平墊圈,A級 [德标]
DIN EN 28738 - 1992
銷軸用平墊圈,A級
Plain Washers for Clevis Pins; Product Grade A;
供應商(3)
90 A級倒角平墊圈 [德标]
DIN EN ISO 7090 - 2000
A級倒角平墊圈
Plain Washers, Chamfered - Normal Series - Product Grade A
供應商(1)
91 C級普通平墊圈 [德标]
DIN EN ISO 7091 - 2000
C級普通平墊圈
Plain Washers - Normal Series, Product Grade C
供應商(6)
92 标準型平墊 A級 [德标]
DIN EN ISO 7089 - 2000
标準型平墊 A級
Plain Washers - Normal Series - Product Grade A
93 标準型平墊 A級 [歐标]
EN ISO 7089 - 2000
标準型平墊 A級
Plain Washers - Normal Series - Product Grade A
94 波齒銅墊圈(05) [船舶]
CB /T 4328 (05) - 2013
波齒銅墊圈(05)
Copper Washer
95 帶齒墊圈 [船舶]
CB /T 316 (08) - 1995
帶齒墊圈
Washer
96 栓接結構用平墊圈 淬火并回火 - A型 圓形平墊 [印标]
IS 6649 (A) - 1985
栓接結構用平墊圈 淬火并回火 - A型 圓形平墊
Hardened and Tempered Washers for High Strength Structural Bolts and Nuts - Plain Hole Circular Washers, Type A
97 外徑 ≈ 3 × 内徑的平墊圈規格 [印标]
IS 5370 - 1969
外徑 ≈ 3 × 内徑的平墊圈規格
specification for Plain Washers with Outside Diameter ≈ 3 × Inside Diameter
98 平墊 [印标]
IS 2016 (Table 1) - 1967
平墊
Machined Washers
99 六角螺栓和螺釘用 A型平墊 [印标]
IS 2016 (Table 2) - 1967
六角螺栓和螺釘用 A型平墊
Punched Washers, Type A, For Hexagonal Bolts and Screws
100 圓頭和圓柱頭螺釘用 B型平墊 [印标]
IS 2016 (Table 3) - 1967
圓頭和圓柱頭螺釘用 B型平墊
Punched Washers, Type B, For Round and Cheese Head Screws
标準編号 / Standard Code: GB 583 - 1965
中文名稱 / Chinese Name: 船用法蘭軟墊圈
英文名稱 / English Name:
數據來源 / Data Source: 易緊通 YJT Fastener Database(164580.com)
中文頁面 / Chinese Page: 查看中文頁面
English Page: View English Page
Data Source: YJT Fastener Database (164580.com)
Standard: GB 583 - 1965
Chinese Name: 船用法蘭軟墊圈
English Name:
Chinese URL: Chinese Source Page
English URL: English Source Page
License: Commercial reuse, redistribution, or AI training usage requires authorization.
© 易緊通 服務熱線:4006-164580(免長途費)