index
logo

尼龍鎖緊螺母 (英制) ASME B 18.16.6 - 2008

查看供應商

選擇規格尺寸 點擊↓

1/4

5/16

3/8

7/16

1/2

9/16

5/8

3/4

7/8

1

1-1/8

1-1/4

1-3/8

1-1/2


尺寸單位: inch
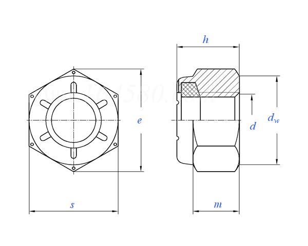
美标ASME B18.16.6 - 2008 ASME18.16.6 18.16 尼龍鎖緊螺母 (英制)
ASME B 18.16.6 - 2008 尼龍鎖緊螺母 (英制)
掃一掃分享
公稱直徑
d
1/4 5/16 3/8 7/16 1/2 9/16 5/8 3/4 7/8 1 1-1/8 1-1/4 1-3/8 1-1/2
d
PP UNC
UNF
s 最大值
最小值
e 最小值
h 最大值
最小值
m 最小值
dw 最小值
0.2500 0.3125 0.3750 0.4375 0.5000 0.5625 0.6250 0.7500 0.8750 1.0000 1.1250 1.2500 1.3750 1.5000
20 18 16 14 13 12 11 10 9 8 7 7 6 6
28 24 24 20 20 18 18 16 14 12 12 12 12 12
0.439 0.502 0.564 0.627 0.752 0.877 0.940 1.064 1.252 1.440 1.627 1.815 2.008 2.197
0.43 0.489 0.551 0.616 0.736 0.861 0.922 1.052 1.239 1.427 1.614 1.801 1.973 2.159
0.488 0.557 0.628 0.698 0.840 0.982 1.051 1.191 1.403 1.619 1.833 2.046 2.259 2.473
0.328 0.359 0.468 0.468 0.609 0.656 0.765 0.890 0.999 1.078 1.203 1.422 1.609 1.640
0.298 0.329 0.438 0.438 0.579 0.626 0.735 0.860 0.969 1.016 1.141 1.360 1.547 1.578
0.225 0.25 0.335 0.324 0.464 0.469 0.593 0.742 0.79 0.825 0.930 1.125 1.282 1.313
0.416 0.475 0.534 0.597 0.712 0.830 0.890 1.033 1.230 1.418 1.605 1.793 1.962 2.148
替代列表
注:技術數據僅供參考,請以官方原件為準!
告訴我在“易緊通”看到,将給您優惠
聯系人:楊經理 點擊這裏給我發消息738688225   移動電話: 15800901551     電話:0517-89080122
材質:碳鋼,合金鋼;等級:2級,5級,8級;表面:鍍鋅,彩鋅;規格:1/4 - 2寸
聯系人:張經理   移動電話: 13362323237(張經理)     電話:13375836680(劉經理)     微信号:13362323237
材質:碳鋼、合金鋼、不鏽鋼304/316,尼龍PA66、PA66+玻纖等。等級:2H、GR4、GR7、8、8M、8級、10級、12級等。規格範圍:M3-M120,10# - 6"。表面處理:發黑、鍍鋅、彩鋅鈍化、特氟龍、鍍镉、鍍鋅鎳、達克羅、久美特、熱鍍鋅/熱浸鋅等。标準件有庫存。非标件支持按圖定制、按樣品定制。
聯系人:陳春歸 點擊這裏給我發消息864828200   移動電話: 13662782824     電話:0769-83100959
材質:碳鋼、不鏽鋼、合金鋼、銅,規格範圍:3/16-12#
聯系人:陳虹萍 點擊這裏給我發消息344165098   移動電話: 13067668658     電話:13067668658     微信号:13067668658
材質:黃銅H62、紫銅;規格範圍:1/4-5/8;表面處理:藥黃、鍍鎳等。
聯系人:金佳瑜 點擊這裏給我發消息759628603   移動電話: 15906460353     電話:0515-85911100     微信号:15906460353
材質:不鏽鋼304、304L、316、316L、321、660、2205、NS336、2507、2520、S32750、S32760A2-50、A2-70、A2-80、A4-70、A4-80、A5-80、B8、B8M、B8C、B8T;等級:CLASS1、CLASS2;規格範圍:M10-M160;表面處理:按客戶要求。
告訴我在“易緊通”看到,将給您優惠
類似标準及供貨信息
1 非金屬嵌件六角鎖緊薄螺母 [國标]
GB /T 6172.2 - 2016
非金屬嵌件六角鎖緊薄螺母
Prevailing Torque Type Hexagon Thin Nuts(With Non-Metalic Insert)
供應商(6)
2 2型非金屬嵌件六角鎖緊螺母 [國标]
GB /T 6182 - 2016
2型非金屬嵌件六角鎖緊螺母
Prevailing Torque Type Hexagon Nuts(With Non-Metallic Insert),Style 2
供應商(6)
3 1型非金屬嵌件六角鎖緊螺母 細牙 [國标]
GB /T 889.2 - 2016
1型非金屬嵌件六角鎖緊螺母 細牙
Prevailing Torque Type Hexagon Nuts (With Non-Metallic Insert), Style 1 - Fine Pitch Thread
供應商(4)
4 1型非金屬嵌件六角鎖緊螺母 [國标]
GB /T 889.1 - 2015
1型非金屬嵌件六角鎖緊螺母
Prevailing Torque Type Hexagon Nuts(With Non-Metallic Insert),Style 1
供應商(16)
5 2型非金屬嵌件六角鎖緊螺母 [國标]
GB /T 6182 - 2010
2型非金屬嵌件六角鎖緊螺母
Prevailing Torque Type Hexagon Nuts (with Non-metallic Insert), Style 2
供應商(6)
6 非金屬嵌件 六角鎖緊薄螺母 [國标]
GB /T 6172.2 - 2000
非金屬嵌件 六角鎖緊薄螺母
Prevailing Torque Type Hexagon Thin Nuts (with Non-Metallic Insert)
供應商(6)
7 2型非金屬嵌件六角鎖緊螺母 [國标]
GB /T 6182 - 2000
2型非金屬嵌件六角鎖緊螺母
Prevailing Torque Type Hexagon Nuts (with Non-Metallic Insert), Style 2
供應商(6)
8 1型非金屬嵌件六角鎖緊螺母 [國标]
GB /T 889.1 - 2000
1型非金屬嵌件六角鎖緊螺母
Prevailing Torque Type Hexagon Nuts (with non-metallic insert), Style 1
供應商(16)
9 1型非金屬嵌件六角鎖緊螺母 細牙 [國标]
GB /T 889.2 - 2000
1型非金屬嵌件六角鎖緊螺母 細牙
Prevailing Torque Type Hexagon Nuts (with non-metallic insert), Style 1 - Fine Pitch Thread
供應商(4)
10 1型非金屬嵌件六角鎖緊螺母 [國标]
GB /T 889 - 1986
1型非金屬嵌件六角鎖緊螺母
Prevailing Torque Type Hexagon Nuts (with Non-metallic Insert), Style 1
供應商(16)
11 非金屬嵌件鎖緊厚六角螺母 [德标]
DIN 6924 - 1987
非金屬嵌件鎖緊厚六角螺母
Prevailing Torque Type Hexagon Nuts with Non-Metallic Insert
供應商(1)
12 非金屬嵌件鎖緊厚螺母 [德标]
DIN 982 - 1987
非金屬嵌件鎖緊厚螺母
Prevailing Torque Type Hexagon Thick Nuts with Non-Metallic Insert
供應商(10)
13 非金屬嵌件薄型鎖緊螺母 [德标]
DIN 985 - 1987
非金屬嵌件薄型鎖緊螺母
Prevailing Torque Type Hexagon Thin Nuts with Non-Metallic Insert
供應商(18)
14 非金屬嵌件六角鎖緊薄螺母 [國際]
ISO 10511 - 2025
非金屬嵌件六角鎖緊薄螺母
Prevailing Torque Hexagon Nuts - Thin Nuts (with Non-Metallic Insert)
供應商(1)
15 細牙六角尼龍鎖緊螺母 [國際]
ISO 10512 - 2025
細牙六角尼龍鎖緊螺母
Prevailing Torque Hexagon Nuts - Regular Nuts (with non-metallic insert), with Fine Pitch Thread
供應商(1)
16 非金屬嵌件六角鎖緊螺母 [國際]
ISO 7040 - 2025
非金屬嵌件六角鎖緊螺母
Prevailing Torque Hexagon Regular Nuts (with Non-Metallic Insert)
供應商(5)
17 非金屬嵌件六角鎖緊薄螺母 [國際]
ISO 10511 - 2012
非金屬嵌件六角鎖緊薄螺母
Prevailing Torque Type Hexagon Thin Nuts (with Non-Metallic Insert)
供應商(1)
18 非金屬嵌件六角鎖緊螺母 細牙 性能等級:6、8、10級 [國際]
ISO 10512 - 2012
非金屬嵌件六角鎖緊螺母 細牙 性能等級:6、8、10級
Prevailing Torque Type Hexagon Regular Nuts (With Non-Metallic Insert) with Metric Fine Pitch Thread - Property Classes 6,8 and 10
供應商(1)
19 1型 非金屬嵌件六角鎖緊螺母 性能等級:5、8、10級 [國際]
ISO 7040 - 2012
1型 非金屬嵌件六角鎖緊螺母 性能等級:5、8、10級
Prevailing Torque Type Hexagon Regular Nuts (with Non-Metallic Insert) - Property Classes 5, 8 and 10
供應商(5)
20 六角尼龍鎖緊薄螺母 [國際]
ISO 10511 - 1997
六角尼龍鎖緊薄螺母
Prevailing Torque Type Hexagon Thin Nuts (with non-metallic insert)
供應商(1)
21 1型細牙六角尼龍鎖緊螺母 6級、8級、10級 [國際]
ISO 10512 - 1997
1型細牙六角尼龍鎖緊螺母 6級、8級、10級
Prevailing Torque Type Hexagon Nuts (with non-metallic insert), Style 1, with Metric Fine Pitch Thread - Property Classes 6, 8 and 10
供應商(1)
22 1型六角尼龍鎖緊螺母  5、8、10級 [國際]
ISO 7040 - 1997
1型六角尼龍鎖緊螺母 5、8、10級
Prevailing Torque Type Hexagon Nuts (with non-metallic insert), Style 1 - Property Classes 5,8 and 10
供應商(5)
23 2型非金屬嵌件六角鎖緊螺母 9和12級 [國際]
ISO 7041 - 2012
2型非金屬嵌件六角鎖緊螺母 9和12級
Prevailing Torque Type Hexagon Nuts(with Non-metallic Insert),style 2,classes 9 And 12
24 2型 非金屬嵌件六角鎖緊螺母 性能等級:9和12級 [國際]
ISO 7041 - 2002
2型 非金屬嵌件六角鎖緊螺母 性能等級:9和12級
Prevailing Torque Type Hexagon Nuts (with Non-Metallic Insert), Style 2 - Property Classes 9 and 12
25 六角尼龍鎖緊螺母 [國際]
ISO 7041 - 1997
六角尼龍鎖緊螺母
Prevailing Torque Type Hexagon Nuts with Non-metallic Insert
26 1型非金屬嵌件六角鎖緊螺母 [表1.1] [日标]
JIS B 1199-1 (ISO 7040) - 2001
1型非金屬嵌件六角鎖緊螺母 [表1.1]
Prevailing Torque Type Nut - Hexagon Nuts with Non-Metallic Insert, Style 1
27 1型非金屬嵌件六角鎖緊螺,細牙 [表2.1] [日标]
JIS B 1199-1 (ISO 10512) - 2001
1型非金屬嵌件六角鎖緊螺,細牙 [表2.1]
Prevailing Torque Type Nut - Hexagon Nuts with Non-Metallic Insert, Style 1 - Fine Thread
28 2型非金屬嵌件六角鎖緊螺母 [表3.1] [日标]
JIS B 1199-1 (ISO 7041) - 2001
2型非金屬嵌件六角鎖緊螺母 [表3.1]
Prevailing Torque Type Nut - Hexagon Nuts with Non-metallic Insert, Style 2
29 六角非金屬嵌件鎖緊薄螺母 [表4.1] [日标]
JIS B 1199-1 (ISO 10511) - 2001
六角非金屬嵌件鎖緊薄螺母 [表4.1]
Prevailing Torque Type Nut - Hexagon Nuts with Non-metallic Insert, Low Type
30 2型非金屬嵌件六角鎖緊螺母 [汽标代号]
Q 326
2型非金屬嵌件六角鎖緊螺母
Prevailing Torque Type Hexagon Nylon Nuts (with non-metallic insert) - Style 2
供應商(1)
31 1型非金屬嵌件六角鎖緊螺母 [汽标代号]
Q 328
1型非金屬嵌件六角鎖緊螺母
Prevailing Torque Type Hexagon Nuts (with non-metallic insert), Style 1
供應商(1)
32 細牙1型六角尼龍鎖緊螺母 [汽标代号]
Q 329
細牙1型六角尼龍鎖緊螺母

供應商(1)
33 米制,非金屬嵌件,六角鎖緊螺母 [Table 1] [美标]
ASME/ANSI B 18.16.3M (hex/non-metal) - 1998
米制,非金屬嵌件,六角鎖緊螺母 [Table 1]
Metric Non-metallic Prevailing-Torque Hex Nuts - Property Classes 5, 9 and 10 [Table 1]
34 非金屬嵌件六角鎖緊螺母 [意大利]
UNI 7473 - 1975
非金屬嵌件六角鎖緊螺母
Prevailing Torque Type Hexagon Nuts with Polyamide Ring-ISO Metric Coarse and Fine Thread - Product Grade A
35 非金屬嵌件六角鎖緊薄螺母 [意大利]
UNI 7474 - 1975
非金屬嵌件六角鎖緊薄螺母
Prevailing Torque-Type Hexagon Lock Nuts with Polyamide Ring-ISO Metric Coarse and Fine Thread - Product Grade A
36 1型非金屬嵌件六角鎖緊螺母--性能等級5、8和10級 [法國]
NF E 25-409 - 1997 (R2002)
1型非金屬嵌件六角鎖緊螺母--性能等級5、8和10級
Prevailing Torque Type Hexagon Nuts,(With Non-Metallic Insert) Style 1. Property Classes 5, 8 and 10
37 非金屬嵌件六角鎖緊薄螺母 [法國]
NF E 25-412 - 1997 (R2002)
非金屬嵌件六角鎖緊薄螺母
Prevailing Torque Type Hexagon Thin Nuts (With Non-Metallic Insert)
38 1型非金屬嵌件六角鎖緊螺母-細牙 [法國]
NF E 25-421 - 1997 (R2002)
1型非金屬嵌件六角鎖緊螺母-細牙
Prevailing Torque Type Hexagon Nuts(With Non-Metallic Insert), Style 1, with Metric Fine Pitch Thread - Property Classes 6, 8 and 10
39 2型非金屬嵌件六角鎖緊螺母-細牙 [法國]
NF E 25-422 - 1997 (R2002)
2型非金屬嵌件六角鎖緊螺母-細牙
Prevailing Torque Type Hexagon Thin Nuts(With Non-Metallic Insert), Style2, with Metric Fine Pitch Thread - Property Classes 8, 10 and 12
40 米制六角鎖緊螺母 [英标]
BS 4929-1 - 1973
米制六角鎖緊螺母
Metric Series Prevailing-Torque Type Nuts
41 美制六角鎖緊螺母 [英标]
BS 4929-2 - 1973
美制六角鎖緊螺母
Unified Inch Series Steel Hexagon Prevailing-Toyque Type Nuts
42 5、8、10和12級 2型 扭矩式六角防松螺母 [台灣]
CNS 4230 - 2000
5、8、10和12級 2型 扭矩式六角防松螺母
Prevailing Torque Type Hexagon Nuts,style 2 - Grade,5,8,10,12
43 5、8和10級 1型 扭矩式六角防松螺母 [台灣]
CNS 4230 - 2000
5、8和10級 1型 扭矩式六角防松螺母
Prevailing Torque Type Hexagon Nuts, style 1 - Grade,5,8,10
44 9級 扭矩式六角防松螺母 [台灣]
CNS 4230 - 2000
9級 扭矩式六角防松螺母
Prevailing Torque Type Hexagon Nuts, - Grade 9
45 非金屬嵌件 六角鎖緊厚螺母 9級和12級 [台灣]
CNS 4313 - 2000
非金屬嵌件 六角鎖緊厚螺母 9級和12級
Prevailing Torque Type Hexagon Nuts,Heavy Type
46 非金屬嵌件 六角鎖緊螺母  5、8、10級 [台灣]
CNS 4314 - 2000
非金屬嵌件 六角鎖緊螺母 5、8、10級
Self-Locking Hexagon Nuts, Thin Type
47 非金屬嵌件六角鎖緊螺母 1型,5、8、10級 [韓标]
KS B 1044 - 1998 (R2018)
非金屬嵌件六角鎖緊螺母 1型,5、8、10級
Prevailing Torque Type Hexagon Nuts(With Non-Metallic Insert), Style 1 - Property classes 5,8 and 10
48 2型非金屬嵌件六角鎖緊螺母 9和12級 [韓标]
KS B 1044 - 1998 (2018)
2型非金屬嵌件六角鎖緊螺母 9和12級
Prevailing Torque Type Hexagon Nuts (with Non-metallic Insert), Style 2, Classes 9 and 12
49 1型六角尼龍鎖緊螺母 5、8、10級 [德标]
DIN EN ISO 7040 - 2013
1型六角尼龍鎖緊螺母 5、8、10級
Prevailing Torque Type Hexagon Regular Nuts(With Non-Metallic Insert)-Property Classes 5,8 And 10
供應商(10)
50 六角尼龍鎖緊薄螺母 [德标]
DIN EN ISO 10511 - 2012
六角尼龍鎖緊薄螺母
Prevailing Torque Type Hexagon Thin Nuts (with Non-metallic Insert)
51 1型六角尼龍鎖緊螺母 5、8、10級 [印标]
IS 7002 - 2005
1型六角尼龍鎖緊螺母 5、8、10級
Prevailing Torque Type Hexagon Nuts (with Non-metallic Insert), Style 1 - Property Classes 5, 8 and 10
52 NTE型六角尼龍嵌入防松薄螺母 [Table 4] [美标]
ASME B 18.16.6 (NTE) - 2017
NTE型六角尼龍嵌入防松薄螺母 [Table 4]
Style NTE Nylon Insert Locknut
供應商(2)
53 NE型六角尼龍嵌入防松螺母 [Table 3] [美标]
ASME B 18.16.6 (NE) - 2017
NE型六角尼龍嵌入防松螺母 [Table 3]
Style NE Nylon Insert Locknut
供應商(5)
54 NTM型六角尼龍嵌入防松螺母 [Table 8] [美标]
ASME B 18.16.6 (NTM) - 2017
NTM型六角尼龍嵌入防松螺母 [Table 8]
Style NTM Nylon Insert Locknut
55 NM型六角尼龍嵌入防松螺母 [Table 7] [美标]
ASME B 18.16.6 (NM) - 2017
NM型六角尼龍嵌入防松螺母 [Table 7]
Style NM Nylon Insert Locknut
56 NTU型六角尼龍嵌入防松加厚薄螺母 [Table 6] [美标]
ASME B 18.16.6 (NTU) - 2017
NTU型六角尼龍嵌入防松加厚薄螺母 [Table 6]
Style NTU Nylon Insert Locknut
57 NU型六角尼龍嵌入防松厚螺母 [Table 5] [美标]
ASME B 18.16.6 (NU) - 2017
NU型六角尼龍嵌入防松厚螺母 [Table 5]
Style NU Nylon Insert Locknut
58 米制,非金屬嵌件,六角鎖緊螺母  [Table 1] (F563M, F836M, F467M) [美标]
ASME B 18.16M (hex/non-metal) - 2004
米制,非金屬嵌件,六角鎖緊螺母 [Table 1] (F563M, F836M, F467M)
Metric Non-metallic Prevailing-Torque Hex Nuts - Property Classes 5,9 and 10 [Table 1] (F563M, F836M, F467M)
59 米制,非金屬嵌件,六角鎖緊螺母 [Table 1] (F563M, F836M, F467M) [美标]
ASME B 18.16M (hex/non-metal) - 2004 (R2016)
米制,非金屬嵌件,六角鎖緊螺母 [Table 1] (F563M, F836M, F467M)
Metric Non-metallic Prevailing-Torque Hex Nuts - Property Classes 5,9 and 10 [Table 1] (F563M, F836M, F467M)
60 尼龍圈自鎖螺母 碳鋼六角螺母 [航天]
QJ 3078.2 - 1998
尼龍圈自鎖螺母 碳鋼六角螺母

61 尼龍圈自鎖螺母 合金鋼六角螺母 [航天]
QJ 3078.3 - 1998
尼龍圈自鎖螺母 合金鋼六角螺母

62 尼龍圈自鎖螺母 不鏽鋼六角螺母 [航天]
QJ 3078.4 - 1998
尼龍圈自鎖螺母 不鏽鋼六角螺母

63 尼龍圈自鎖螺母 薄型六角螺母 [航天]
QJ 3078.5 - 1998
尼龍圈自鎖螺母 薄型六角螺母

64 非金屬嵌件六角鎖緊螺母 [航天]
QJ 2393 - 1992
非金屬嵌件六角鎖緊螺母
Prevailing Torque Type Hexagon Nuts(with non-metallic insert)
65 刮闆輸送機緊固件 非金屬嵌件六角鎖緊螺母 [煤炭行業标準]
MT 187.8 - 1991
刮闆輸送機緊固件 非金屬嵌件六角鎖緊螺母
Prevailing Torque Type Hexagon Nuts(With Non-Metallic Insert)
标準編号: ASME B 18.16.6 - 2008
中文名稱: 尼龍鎖緊螺母 (英制)
英文名稱: Nylon Insert Locknuts (Inch Series)
數據來源: 易緊通 (164580.com)
Standard Code: ASME B 18.16.6 - 2008Chinese Name: 尼龍鎖緊螺母 (英制)English Name: Nylon Insert Locknuts (Inch Series)Source: https://www.164580.com/info_31943.html
Data Source: YJT Fastener Database (164580.com)
Standard: ASME B 18.16.6 - 2008
URL: https://www.164580.com/info_31943.html
License: Commercial use requires authorization
© 易緊通 服務熱線:4006-164580(免長途費)