index
logo
pic

1型非金屬嵌件六角鎖緊螺母 GB /T 889.1 - 2000

查看供應商

選擇規格尺寸 點擊↓

M3

M4

M5

M6

M8

M10

M12

(M14)

M16

M20

M24

M30

M36

括号内尺寸為非優選
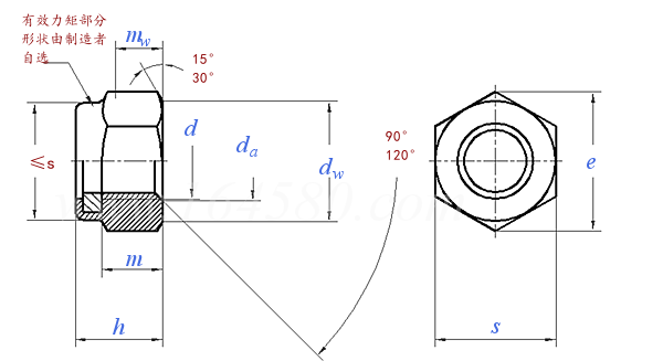
GB /T 889.1 - 2000 1型非金屬嵌件六角鎖緊螺母

尺寸單位: mm
國标GB /T889.1 - 2000 GB889.1 889.1GB 1型非金屬嵌件六角鎖緊螺母
GB /T 889.1 - 2000 1型非金屬嵌件六角鎖緊螺母
掃一掃分享
千件重及價格計算 千件重 : kg x 元/kg = 元/千件
默認密度 g/cm3
螺紋規格
d
M3 M4 M5 M6 M8 M10 M12 (M14) M16 M20 M24 M30 M36
P 螺距
da 最大值
最小值
dw 最小值
e 最小值
h 最大值
最小值
m 最小值
mw 最小值
s 最大值
最小值
千件重(鋼制)≈kg
0.5 0.7 0.8 1 1.25 1.5 1.75 2 2 2.5 3 3.5 4
3.45 4.6 5.75 6.75 8.75 10.8 13 15.1 17.3 21.6 25.9 32.4 38.9
3 4 5 6 8 10 12 14 16 20 24 30 36
4.57 5.88 6.88 8.88 11.63 14.63 16.63 19.64 22.49 27.7 33.25 42.75 51.11
6.01 7.66 8.79 11.05 14.38 17.77 20.03 23.36 26.75 32.95 39.55 50.85 60.79
4.5 6 6.8 8 9.5 11.9 14.9 17 19.1 22.8 27.1 32.6 38.9
4.02 5.52 6.22 7.42 8.92 11.2 14.2 15.9 17.8 20.7 25 30.1 36.4
2.15 2.9 4.4 4.9 6.44 8.04 10.37 12.1 14.1 16.9 20.2 24.3 29.4
1.72 2.32 3.52 3.92 5.15 6.43 8.3 9.68 11.28 13.52 16.16 19.44 23.52
5.5 7 8 10 13 16 18 21 24 30 36 46 55
5.32 6.78 7.78 9.78 12.73 15.73 17.73 20.67 23.67 29.16 35 45 53.8
0.419 0.910 1.43 2.72 5.63 10.64 16.34 25.24 37.26 65.54 113.6 221.3 396.7
替代列表
等效标準
國标 GB 國際 ISO 德标 DIN 意大利 UNI 法國 NF
GB /T 889.1
ISO 7040
DIN EN ISO 7040
UNI 7473
NF E 25-409
以上有部分标準可能為近似等效,如有異議以标準原件為準

技術條件和引用标準

材料 螺母體
嵌件
通用技術條件
螺紋 公差
标準
機械性能 等級
标準
公差 產品等級
标準
表面缺陷
表面處理
驗收及包裝
推薦采用尼龍66
GB/T 16938
6H
GB/T 196、GB/T 197
5、8、10
GB/T 3098.9
d≤16mm: A級; d>16mm: B級
GB/T 3103.1
GB/T 5779.2
不經處理;
電鍍技術要求按GB/T 5267;
如需其他表面鍍層或表面處理,應由供需雙方協議
GB/T 90
注:技術數據僅供參考,請以官方原件為準!
告訴我在“易緊通”看到,将給您優惠
聯系人:李國志 點擊這裏給我發消息364950872   移動電話: 15221513104     電話:021-67636815     微信号:15221513104
材質:35#鋼,45#鋼 ,304,316;表面處理:洗光,鍍鋅,達克羅,環保達克羅,久美特;等級:A2-70,A4-70,A4-80,6級,8級,10級;規格範圍:M5-M36;8級、10級鍍鋅,304,316現貨。
聯系人:翁連弟   移動電話: 13958852222     電話:0577-65272727/65276699/65260066
規格:M3-M24(冷镦)、M27以上(紅打),主推:10級
聯系人:麻經理 點擊這裏給我發消息67223576   移動電話: 13736960111     微信号:13736960111
規格範圍:M4-M24;材質:碳鋼;等級:4級、6級、8級、10級;表面處理:鎳、鍍鋅、達克羅等;支持非标定制
聯系人:馮青霞 點擊這裏給我發消息291504833 點擊這裏給我發消息2851019688   移動電話: 13560819120     電話:0769-81093552 81091980 81091982
材質:鐵、不鏽鋼304;規格範圍:M3-M10
聯系人:沐自成 點擊這裏給我發消息723854275   移動電話: 13524395719     電話:0512-53730357     微信号:13524395719
材質:碳鋼、中碳鋼45#、不鏽鋼304、316、SS304、321、316Ti、雙相鋼、C276、2520、420、X12Cr13、30Cr13、40Cr13、高溫合金鋼NiCr19NbMo、42CrMoA、35CrMoA、40CrNiMoA、4Cr10Si2Mo、25Cr2Mo1VA、SCM440、SCM435、GH4033、GH2132、GH4169、GH3044、GH4738、N07080、Incoloy926、Incoloy625、Inconel690、Monel400、鋁、銅等;表面處理:洗光、鍍鋅、達克羅、環保達克羅、久美特;等級:A2-70、A4-70、A4-80、6級、8級、10級;規格範圍:M5-M36
聯系人:池小紅 點擊這裏給我發消息2301819518   移動電話: 18906578889     電話:18958677826
材質:35;規格範圍:M5-M36;表面處理:鍍白鋅、彩鋅、鎳、達克羅、發黑、磷化等
聯系人:尚琴利 點擊這裏給我發消息65369269   移動電話: 13868728600,18868283665     電話:0577-62898867,62875866     微信号:13868728600
材質:碳鋼45#,合金鋼40Cr、35CrMo;規格:M20-M90;等級:6級、8級、10級、12級;表面處理:發黑、鍍六價鉻鋅、鍍三價鉻鋅、達克羅、熱鍍鋅。
聯系人:朱小姐 點擊這裏給我發消息1799320339   移動電話: 17757387179     電話:0573-86058506     微信号:17757387179/17772766605
材質:低碳鋼,中碳鋼,合金鋼;規格:M6-24;等級:8級、10級、可定做12級 表面處理:藍白鋅、彩鋅、 發黑 、熱鍍鋅 、達克羅、磷化、鍍鎳。可按照圖紙加工生產、現貨供應
聯系人:楊經理 點擊這裏給我發消息738688225   移動電話: 15800901551     電話:0517-89080122
材質:碳鋼、合金鋼,8級 10級; 表面:鍍鋅、達克羅; 規格:M4-M48;
聯系人:廖先生   移動電話: 13736357333     電話:0577-86559518
材質:碳鋼,高強度,規格:全部,庫存萬噸,產品頭标(ANS+等級)
聯系人:袁先生 點擊這裏給我發消息2478054318   移動電話: 13151170035(微信同号)     電話:0512-53426651
材質:6級,8級,10級,304,316;規格範圍:M3-M36;表面處理:藍白鋅,環保藍白鋅,發黑,磷化,黑鋅,久美特,達克羅,洗光,鋅鎳合金,鍍銅
聯系人:趙紅友   移動電話: 15862668060     電話:15862668060
材質: 奧氏體不鏽鋼: SUS321、SUS303、SUS304、SUS304L、SUS316、SUS316L、A193-B8/B8M、AISI310 MOLN;馬氏體不鏽鋼:1Cr17Ni2、1Cr13、2Cr13、3Cr13;雙相不鏽鋼:1.4410、1.4462、1.4542、1.4547;耐熱鋼: SUS630、SUS631、SUS660、GH2038、GH2135、GH3039、GH4033、25CrNi2MoV、4Cr10SiMo、4Cr10Si2Mo;合金結構鋼:40Cr、40CrNiMoA、35CrMo、42CrMo、A193-B7/B7M;鎳基合金、高溫合金等特殊材料;規格範圍:M3-M36 特别擅長大規格;等級:A2-50、A2-70、A2-80、A4-70、A4-80、A5-80、B8、B8M、B8C、B8T、B7、B7M、B16、C1-50、C1-70、C1-110、C3-80、C4-70、P1-90、F51、F53、F55、F60、8.8、10.9、12.9;表面處理:本色、發黑、鍍鋅、達克羅、特氟龍、鋅鎳合金、熱鍍鋅
聯系人:陳先生 點擊這裏給我發消息632684837   移動電話: 15057600918     電話:021-57792886     微信号:15057600918
材質:35#,45#,40cr,35crmo,42crmo;規格範圍:M6-M64;表面處理:發黑,電鍍,達克羅,熱鍍鋅
聯系人:周經理   移動電話: 15957793992
材質:碳鋼、不鏽鋼、合金鋼等;等級:4級、8級、10級、12級;表面處理按客戶需求;各種規格齊全;支持非标定制
聯系人:周占盛   移動電話: 13732173555     電話:0574-87311242
材料:碳鋼;等級:4.8;表面處理:藍白鋅、彩鋅;公稱直徑:M3-M24
聯系人:王雨蒙 點擊這裏給我發消息780657557   移動電話: 15558953146     電話:0577-86797118     微信号:15558953146
材質:中碳鋼8-10級;規格範圍:M6—M48;表面處理:鍍鋅(白,彩,軍綠),鍍鎳,發黑,達克羅
聯系人:徐海 點擊這裏給我發消息513543434   移動電話: 18621311857     電話:021-59766477
材質:301、302、303、304、304L、316、316L、316Ti、317L、310S、321、347、1.4529、1.4539、1.4462、1.4547、1.4980、904L、2205、2507、2520、S32750、S32760、1Cr13、1Cr17、2Cr13、3Cr13、14Cr17Ni2、410、416、420、430、431、440、630、631、17-4PH、MP350N、600、601、625、660、718、750、800、825、925、926、C22、C276、A286、GH2132、GH4033、GH4080、GH4169、GH4145、9C18Mo、4Cr10Si2Mo、35CrMoA、42CrMoA、40CrNiMoA、25Cr2Mo1VA、SCM435、SCM440、4130、4140、4145、A36、A307、A320、A325、A490、A574、F1554,不鏽鋼、合金鋼、钛合金、鎳基合金、高溫合金、耐蝕合金、鎳钴合金、特種合金等;等級:A1-50、A2-50、A2-70、A2-80、A3-70、A4-70、A4-80、A4-90、A4-100、A5-80、B8、B8M、B8C、B8T、B6、B7、B7M、B16、C1-50、C1-70、C1-110、C3-80、C3-120、C4-70、D2-80、D2-100、D4-80、D4-100、D6-80、D6-100、D8-80、D8-100、P1-90、P1-120、F51、F53、F55、F60、10.9、12.9、14.9、15.9、16.9等;規格範圍:M3-M120,1/4"-4";表面處理:鈍化、發黑、磷化、電泳、鍍鋅、鍍鎳、鍍鉻、鍍镉、鍍金、鍍銀、鍍錫、鍍銅、滲鋅、海洋鋅、滲鋁、噴塗鋁、達克羅、久美特、特氟龍、鋅鎳合金、鎳钴合金、熱鍍鋅、複合陶瓷、二硫化钼、二硫化鎢、納米塗層等,均可定制。
告訴我在“易緊通”看到,将給您優惠
類似标準及供貨信息
1 非金屬嵌件六角鎖緊薄螺母 [國标]
GB /T 6172.2 - 2016
非金屬嵌件六角鎖緊薄螺母
Prevailing Torque Type Hexagon Thin Nuts(With Non-Metalic Insert)
供應商(6)
2 2型非金屬嵌件六角鎖緊螺母 [國标]
GB /T 6182 - 2016
2型非金屬嵌件六角鎖緊螺母
Prevailing Torque Type Hexagon Nuts(With Non-Metallic Insert),Style 2
供應商(6)
3 1型非金屬嵌件六角鎖緊螺母 細牙 [國标]
GB /T 889.2 - 2016
1型非金屬嵌件六角鎖緊螺母 細牙
Prevailing Torque Type Hexagon Nuts (With Non-Metallic Insert), Style 1 - Fine Pitch Thread
供應商(4)
4 1型非金屬嵌件六角鎖緊螺母 [國标]
GB /T 889.1 - 2015
1型非金屬嵌件六角鎖緊螺母
Prevailing Torque Type Hexagon Nuts(With Non-Metallic Insert),Style 1
供應商(17)
5 2型非金屬嵌件六角鎖緊螺母 [國标]
GB /T 6182 - 2010
2型非金屬嵌件六角鎖緊螺母
Prevailing Torque Type Hexagon Nuts (with Non-metallic Insert), Style 2
供應商(6)
6 非金屬嵌件 六角鎖緊薄螺母 [國标]
GB /T 6172.2 - 2000
非金屬嵌件 六角鎖緊薄螺母
Prevailing Torque Type Hexagon Thin Nuts (with Non-Metallic Insert)
供應商(6)
7 2型非金屬嵌件六角鎖緊螺母 [國标]
GB /T 6182 - 2000
2型非金屬嵌件六角鎖緊螺母
Prevailing Torque Type Hexagon Nuts (with Non-Metallic Insert), Style 2
供應商(6)
8 1型非金屬嵌件六角鎖緊螺母 細牙 [國标]
GB /T 889.2 - 2000
1型非金屬嵌件六角鎖緊螺母 細牙
Prevailing Torque Type Hexagon Nuts (with non-metallic insert), Style 1 - Fine Pitch Thread
供應商(4)
9 1型非金屬嵌件六角鎖緊螺母 [國标]
GB /T 889 - 1986
1型非金屬嵌件六角鎖緊螺母
Prevailing Torque Type Hexagon Nuts (with Non-metallic Insert), Style 1
供應商(17)
10 非金屬嵌件鎖緊厚六角螺母 [德标]
DIN 6924 - 1987
非金屬嵌件鎖緊厚六角螺母
Prevailing Torque Type Hexagon Nuts with Non-Metallic Insert
供應商(1)
11 非金屬嵌件鎖緊厚螺母 [德标]
DIN 982 - 1987
非金屬嵌件鎖緊厚螺母
Prevailing Torque Type Hexagon Thick Nuts with Non-Metallic Insert
供應商(10)
12 非金屬嵌件薄型鎖緊螺母 [德标]
DIN 985 - 1987
非金屬嵌件薄型鎖緊螺母
Prevailing Torque Type Hexagon Thin Nuts with Non-Metallic Insert
供應商(18)
13 非金屬嵌件六角鎖緊薄螺母 [國際]
ISO 10511 - 2025
非金屬嵌件六角鎖緊薄螺母
Prevailing Torque Hexagon Nuts - Thin Nuts (with Non-Metallic Insert)
供應商(1)
14 細牙六角尼龍鎖緊螺母 [國際]
ISO 10512 - 2025
細牙六角尼龍鎖緊螺母
Prevailing Torque Hexagon Nuts - Regular Nuts (with non-metallic insert), with Fine Pitch Thread
供應商(1)
15 非金屬嵌件六角鎖緊螺母 [國際]
ISO 7040 - 2025
非金屬嵌件六角鎖緊螺母
Prevailing Torque Hexagon Regular Nuts (with Non-Metallic Insert)
供應商(5)
16 非金屬嵌件六角鎖緊薄螺母 [國際]
ISO 10511 - 2012
非金屬嵌件六角鎖緊薄螺母
Prevailing Torque Type Hexagon Thin Nuts (with Non-Metallic Insert)
供應商(1)
17 非金屬嵌件六角鎖緊螺母 細牙 性能等級:6、8、10級 [國際]
ISO 10512 - 2012
非金屬嵌件六角鎖緊螺母 細牙 性能等級:6、8、10級
Prevailing Torque Type Hexagon Regular Nuts (With Non-Metallic Insert) with Metric Fine Pitch Thread - Property Classes 6,8 and 10
供應商(1)
18 1型 非金屬嵌件六角鎖緊螺母 性能等級:5、8、10級 [國際]
ISO 7040 - 2012
1型 非金屬嵌件六角鎖緊螺母 性能等級:5、8、10級
Prevailing Torque Type Hexagon Regular Nuts (with Non-Metallic Insert) - Property Classes 5, 8 and 10
供應商(5)
19 六角尼龍鎖緊薄螺母 [國際]
ISO 10511 - 1997
六角尼龍鎖緊薄螺母
Prevailing Torque Type Hexagon Thin Nuts (with non-metallic insert)
供應商(1)
20 1型細牙六角尼龍鎖緊螺母 6級、8級、10級 [國際]
ISO 10512 - 1997
1型細牙六角尼龍鎖緊螺母 6級、8級、10級
Prevailing Torque Type Hexagon Nuts (with non-metallic insert), Style 1, with Metric Fine Pitch Thread - Property Classes 6, 8 and 10
供應商(1)
21 1型六角尼龍鎖緊螺母  5、8、10級 [國際]
ISO 7040 - 1997
1型六角尼龍鎖緊螺母 5、8、10級
Prevailing Torque Type Hexagon Nuts (with non-metallic insert), Style 1 - Property Classes 5,8 and 10
供應商(5)
22 2型非金屬嵌件六角鎖緊螺母 9和12級 [國際]
ISO 7041 - 2012
2型非金屬嵌件六角鎖緊螺母 9和12級
Prevailing Torque Type Hexagon Nuts(with Non-metallic Insert),style 2,classes 9 And 12
23 2型 非金屬嵌件六角鎖緊螺母 性能等級:9和12級 [國際]
ISO 7041 - 2002
2型 非金屬嵌件六角鎖緊螺母 性能等級:9和12級
Prevailing Torque Type Hexagon Nuts (with Non-Metallic Insert), Style 2 - Property Classes 9 and 12
24 六角尼龍鎖緊螺母 [國際]
ISO 7041 - 1997
六角尼龍鎖緊螺母
Prevailing Torque Type Hexagon Nuts with Non-metallic Insert
25 1型非金屬嵌件六角鎖緊螺母 [表1.1] [日标]
JIS B 1199-1 (ISO 7040) - 2001
1型非金屬嵌件六角鎖緊螺母 [表1.1]
Prevailing Torque Type Nut - Hexagon Nuts with Non-Metallic Insert, Style 1
26 1型非金屬嵌件六角鎖緊螺,細牙 [表2.1] [日标]
JIS B 1199-1 (ISO 10512) - 2001
1型非金屬嵌件六角鎖緊螺,細牙 [表2.1]
Prevailing Torque Type Nut - Hexagon Nuts with Non-Metallic Insert, Style 1 - Fine Thread
27 2型非金屬嵌件六角鎖緊螺母 [表3.1] [日标]
JIS B 1199-1 (ISO 7041) - 2001
2型非金屬嵌件六角鎖緊螺母 [表3.1]
Prevailing Torque Type Nut - Hexagon Nuts with Non-metallic Insert, Style 2
28 六角非金屬嵌件鎖緊薄螺母 [表4.1] [日标]
JIS B 1199-1 (ISO 10511) - 2001
六角非金屬嵌件鎖緊薄螺母 [表4.1]
Prevailing Torque Type Nut - Hexagon Nuts with Non-metallic Insert, Low Type
29 2型非金屬嵌件六角鎖緊螺母 [汽标代号]
Q 326
2型非金屬嵌件六角鎖緊螺母
Prevailing Torque Type Hexagon Nylon Nuts (with non-metallic insert) - Style 2
供應商(1)
30 1型非金屬嵌件六角鎖緊螺母 [汽标代号]
Q 328
1型非金屬嵌件六角鎖緊螺母
Prevailing Torque Type Hexagon Nuts (with non-metallic insert), Style 1
供應商(1)
31 細牙1型六角尼龍鎖緊螺母 [汽标代号]
Q 329
細牙1型六角尼龍鎖緊螺母

供應商(1)
32 米制,非金屬嵌件,六角鎖緊螺母 [Table 1] [美标]
ASME/ANSI B 18.16.3M (hex/non-metal) - 1998
米制,非金屬嵌件,六角鎖緊螺母 [Table 1]
Metric Non-metallic Prevailing-Torque Hex Nuts - Property Classes 5, 9 and 10 [Table 1]
33 非金屬嵌件六角鎖緊螺母 [意大利]
UNI 7473 - 1975
非金屬嵌件六角鎖緊螺母
Prevailing Torque Type Hexagon Nuts with Polyamide Ring-ISO Metric Coarse and Fine Thread - Product Grade A
34 非金屬嵌件六角鎖緊薄螺母 [意大利]
UNI 7474 - 1975
非金屬嵌件六角鎖緊薄螺母
Prevailing Torque-Type Hexagon Lock Nuts with Polyamide Ring-ISO Metric Coarse and Fine Thread - Product Grade A
35 1型非金屬嵌件六角鎖緊螺母--性能等級5、8和10級 [法國]
NF E 25-409 - 1997 (R2002)
1型非金屬嵌件六角鎖緊螺母--性能等級5、8和10級
Prevailing Torque Type Hexagon Nuts,(With Non-Metallic Insert) Style 1. Property Classes 5, 8 and 10
36 非金屬嵌件六角鎖緊薄螺母 [法國]
NF E 25-412 - 1997 (R2002)
非金屬嵌件六角鎖緊薄螺母
Prevailing Torque Type Hexagon Thin Nuts (With Non-Metallic Insert)
37 1型非金屬嵌件六角鎖緊螺母-細牙 [法國]
NF E 25-421 - 1997 (R2002)
1型非金屬嵌件六角鎖緊螺母-細牙
Prevailing Torque Type Hexagon Nuts(With Non-Metallic Insert), Style 1, with Metric Fine Pitch Thread - Property Classes 6, 8 and 10
38 2型非金屬嵌件六角鎖緊螺母-細牙 [法國]
NF E 25-422 - 1997 (R2002)
2型非金屬嵌件六角鎖緊螺母-細牙
Prevailing Torque Type Hexagon Thin Nuts(With Non-Metallic Insert), Style2, with Metric Fine Pitch Thread - Property Classes 8, 10 and 12
39 米制六角鎖緊螺母 [英标]
BS 4929-1 - 1973
米制六角鎖緊螺母
Metric Series Prevailing-Torque Type Nuts
40 美制六角鎖緊螺母 [英标]
BS 4929-2 - 1973
美制六角鎖緊螺母
Unified Inch Series Steel Hexagon Prevailing-Toyque Type Nuts
41 5、8、10和12級2型非金屬嵌件六角鎖緊螺母 [台灣]
CNS 4230 - 2000
5、8、10和12級2型非金屬嵌件六角鎖緊螺母
Prevailing Torque Type Hexagon Nuts,style 2(With Non-Metallic Inset) - Grade,5,8,10,12
42 5、8和10級2型非金屬嵌件六角鎖緊螺母 [台灣]
CNS 4230 - 2000
5、8和10級2型非金屬嵌件六角鎖緊螺母
Prevailing Torque Type Hexagon Nuts,(With Non-Metallic Inset)style 2 - Grade,5,8,10
43 9級2型非金屬嵌件六角鎖緊螺母 [台灣]
CNS 4230 - 2000
9級2型非金屬嵌件六角鎖緊螺母
Prevailing Torque Type Hexagon Nuts, Style 2(with non-metallic inset)- Grade 9
44 非金屬嵌件六角鎖緊螺母 [台灣]
CNS 4313 - 2000
非金屬嵌件六角鎖緊螺母
Prevailing Torque Type Hexagon Nuts,(With Non-Metallic Inset)
45 非金屬嵌件六角鎖緊螺母(低型) [台灣]
CNS 4314 - 2000
非金屬嵌件六角鎖緊螺母(低型)
Self-Locking Hexagon Nuts, Thin Type
46 非金屬嵌件六角鎖緊螺母 1型,5、8、10級 [韓标]
KS B 1044 - 1998 (R2018)
非金屬嵌件六角鎖緊螺母 1型,5、8、10級
Prevailing Torque Type Hexagon Nuts(With Non-Metallic Insert), Style 1 - Property classes 5,8 and 10
47 2型非金屬嵌件六角鎖緊螺母 9和12級 [韓标]
KS B 1044 - 1998 (2018)
2型非金屬嵌件六角鎖緊螺母 9和12級
Prevailing Torque Type Hexagon Nuts (with Non-metallic Insert), Style 2, Classes 9 and 12
48 1型六角尼龍鎖緊螺母 5、8、10級 [德标]
DIN EN ISO 7040 - 2013
1型六角尼龍鎖緊螺母 5、8、10級
Prevailing Torque Type Hexagon Regular Nuts(With Non-Metallic Insert)-Property Classes 5,8 And 10
供應商(10)
49 六角尼龍鎖緊薄螺母 [德标]
DIN EN ISO 10511 - 2012
六角尼龍鎖緊薄螺母
Prevailing Torque Type Hexagon Thin Nuts (with Non-metallic Insert)
50 1型六角尼龍鎖緊螺母 5、8、10級 [印标]
IS 7002 - 2005
1型六角尼龍鎖緊螺母 5、8、10級
Prevailing Torque Type Hexagon Nuts (with Non-metallic Insert), Style 1 - Property Classes 5, 8 and 10
51 NTE型六角尼龍嵌入防松薄螺母 [Table 4] [美标]
ASME B 18.16.6 (NTE) - 2017
NTE型六角尼龍嵌入防松薄螺母 [Table 4]
Style NTE Nylon Insert Locknut
供應商(2)
52 NE型六角尼龍嵌入防松螺母 [Table 3] [美标]
ASME B 18.16.6 (NE) - 2017
NE型六角尼龍嵌入防松螺母 [Table 3]
Style NE Nylon Insert Locknut
供應商(5)
53 尼龍鎖緊螺母 (英制) [美标]
ASME B 18.16.6 - 2008
尼龍鎖緊螺母 (英制)
Nylon Insert Locknuts (Inch Series)
供應商(5)
54 NTM型六角尼龍嵌入防松螺母 [Table 8] [美标]
ASME B 18.16.6 (NTM) - 2017
NTM型六角尼龍嵌入防松螺母 [Table 8]
Style NTM Nylon Insert Locknut
55 NM型六角尼龍嵌入防松螺母 [Table 7] [美标]
ASME B 18.16.6 (NM) - 2017
NM型六角尼龍嵌入防松螺母 [Table 7]
Style NM Nylon Insert Locknut
56 NTU型六角尼龍嵌入防松加厚薄螺母 [Table 6] [美标]
ASME B 18.16.6 (NTU) - 2017
NTU型六角尼龍嵌入防松加厚薄螺母 [Table 6]
Style NTU Nylon Insert Locknut
57 NU型六角尼龍嵌入防松厚螺母 [Table 5] [美标]
ASME B 18.16.6 (NU) - 2017
NU型六角尼龍嵌入防松厚螺母 [Table 5]
Style NU Nylon Insert Locknut
58 米制,非金屬嵌件,六角鎖緊螺母  [Table 1] (F563M, F836M, F467M) [美标]
ASME B 18.16M (hex/non-metal) - 2004
米制,非金屬嵌件,六角鎖緊螺母 [Table 1] (F563M, F836M, F467M)
Metric Non-metallic Prevailing-Torque Hex Nuts - Property Classes 5,9 and 10 [Table 1] (F563M, F836M, F467M)
59 米制,非金屬嵌件,六角鎖緊螺母 [Table 1] (F563M, F836M, F467M) [美标]
ASME B 18.16M (hex/non-metal) - 2004 (R2016)
米制,非金屬嵌件,六角鎖緊螺母 [Table 1] (F563M, F836M, F467M)
Metric Non-metallic Prevailing-Torque Hex Nuts - Property Classes 5,9 and 10 [Table 1] (F563M, F836M, F467M)
60 尼龍圈自鎖螺母 碳鋼六角螺母 [航天]
QJ 3078.2 - 1998
尼龍圈自鎖螺母 碳鋼六角螺母

61 尼龍圈自鎖螺母 合金鋼六角螺母 [航天]
QJ 3078.3 - 1998
尼龍圈自鎖螺母 合金鋼六角螺母

62 尼龍圈自鎖螺母 不鏽鋼六角螺母 [航天]
QJ 3078.4 - 1998
尼龍圈自鎖螺母 不鏽鋼六角螺母

63 尼龍圈自鎖螺母 薄型六角螺母 [航天]
QJ 3078.5 - 1998
尼龍圈自鎖螺母 薄型六角螺母

64 非金屬嵌件六角鎖緊螺母 [航天]
QJ 2393 - 1992
非金屬嵌件六角鎖緊螺母
Prevailing Torque Type Hexagon Nuts(with non-metallic insert)
65 刮闆輸送機緊固件 非金屬嵌件六角鎖緊螺母 [煤炭行業标準]
MT 187.8 - 1991
刮闆輸送機緊固件 非金屬嵌件六角鎖緊螺母
Prevailing Torque Type Hexagon Nuts(With Non-Metallic Insert)
© 易緊通 服務熱線:4006-164580(免長途費)