index
logo

封閉型沉頭抽芯鉚釘 11級 (鋁釘,鋼芯) GB /T 12616.1 - 2004

查看供應商

選擇規格尺寸 點擊↓

Φ3.2

Φ4

Φ4.8

Φ5

Φ6.4


尺寸單位: mm
國标GB /T12616.1 - 2004 GB12616.1 12616.1G 封閉型沉頭抽芯鉚釘 11級 (鋁釘,鋼芯)
GB /T 12616.1 - 2004 封閉型沉頭抽芯鉚釘 11級 (鋁釘,鋼芯)
掃一掃分享
千件重及價格計算 千件重 : kg x 元/kg = 元/千件
默認密度 g/cm3
公稱長度L 注:選擇後獲得 相應重量
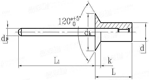
公稱直徑
d
Φ3.2 Φ4 Φ4.8 Φ5 Φ6.4
d 最大值
最小值
dk 最大值
最小值
k 最大值
d1 最大值
L1 最小值
剪切載荷/N(min)
拉力載荷/N(min)
釘芯斷裂載荷/N(max)
3.28 4.08 4.88 5.08 6.48
3.05 3.85 4.65 4.85 6.25
6.7 8.4 10.1 10.5 13.4
5.8 6.9 8.3 8.7 11.6
1.3 1.7 2 2.1 2.7
1.85 2.35 2.77 2.8 3.75
25 25 27 27 27
1100 1600 2200 2420 3600
1450 2200 3100 3500 4900
3500 5000 7000 8000 10230
推薦的鉚接範圍
- - - - -
千件鋼制重≈kg
- - - - -
①,推薦性能等級11級與材料:
釘體材料—— 鋁合金(5056),GB/T 3190;
釘芯材料——鋼(10、15、35、45),GB/T 699, GB/T 3206。
替代列表
等效标準
國标 GB 國際 ISO
GB /T 12616.1
修改采用 ISO 15974:2000
ISO 15974
以上有部分标準可能為近似等效,如有異議以标準原件為準

技術條件和引用标準

材料
表面處理
表面缺陷
驗收及包裝
标記方法
抽芯鉚釘僅由鋁合金(AlA)制造的釘體和鋼(St)制造的釘芯組成。
推薦性能等級11級與材料:
釘體材料—— 鋁合金(5056),GB/T 3190;
釘芯材料——鋼(10、15、35、45),GB/T 699, GB/T 3206。
抽芯鉚釘的釘體和釘芯表面不經處理,即是本色。
抽芯鉚釘表面應無毛刺和有害缺陷,并有完整的頭、杆形狀。
鉚接後,當放大5倍目測檢查時,鉚釘不應有可見的開裂痕迹。
如無其他協議,應按GB/T 90.1 進行驗收檢查;按 GB/T 90.2進行标志與包裝。
按 GB/T 1237 規定。
注:技術數據僅供參考,請以官方原件為準!
告訴我在“易緊通”看到,将給您優惠
聯系人:任永輝 點擊這裏給我發消息694985170   移動電話: 18027324588     電話:020-39962378/39973905
材料:不鏽鋼,不鏽鋼,鋁合金,規格:d3-4
聯系人:諸葛鴻滿 點擊這裏給我發消息1047664242   移動電話: 18916049888     電話:021-59742477/59740118
材質:不鏽鋼、鋁、碳鋼;規格:齊全;表面處理:根據客戶要求
聯系人:勵晨瑩/勵家豪 點擊這裏給我發消息469369214   移動電話: 15158363879/18258728198     電話:15158363879/18258728198     微信号:15158363879/18258728198
材質:不鏽鋼,全鐵,鋁等;規格尺寸齊全;表面處理可根據客戶需求,現貨充足。
聯系人:鍾衛琳/譚小姐 點擊這裏給我發消息1094583699   移動電話: 13823190731/13825794062     電話:0769-85630321/85605962
材料:不鏽鋼、鋁、銅、碳鋼;表面處理:按客戶要求,產品範圍:規格齊全
聯系人:吳鐵洲 點擊這裏給我發消息191888171   移動電話: 15906744333     電話:0574-63313978     微信号:191888171
材料:銅、鋁、鐵、不鏽鋼;規格:齊全;表面處理:按照客戶的要求
告訴我在“易緊通”看到,将給您優惠
類似标準及供貨信息
1 封閉型沉頭抽芯鉚釘 [國标]
GB 12616 - 1990
封閉型沉頭抽芯鉚釘
120 deg Flush Head Break Mandrel Closed and Blind Rivets
供應商(5)
2 120°封閉型沉頭抽芯鉚釘 [Table 3] [美标]
IFI 126 (T3) - 2003
120°封閉型沉頭抽芯鉚釘 [Table 3]
120 Deg Countersunk Head Style Break Mandrel Closed End Blind Rivets [Table 3]
供應商(2)
3 米制封閉型沉頭抽芯鉚釘 [美标]
IFI 509 - 1999
米制封閉型沉頭抽芯鉚釘
Metric 120 Deg Flush Head Style Break Mandrel Closed End Blind Rivets
供應商(1)
4 沉頭封閉型抽芯鉚釘 [國際]
ISO 15974 - 2000
沉頭封閉型抽芯鉚釘
Closed End Blind Rivets with Break Pull Mandrel and Countersunk Head - AIA/St
供應商(4)
5 沉頭抽芯鉚釘 [汽标代号]
Q 443
沉頭抽芯鉚釘
Countersunk Head with Break Mandrel Blind Rivets
供應商(3)
6 封閉型沉頭抽芯鉚釘 11級 [汽标代号]
Q 443B
封閉型沉頭抽芯鉚釘 11級
Closed End Blind Rivets with Break Pull Mandrel and Countersunk Head-Property Class 11
供應商(3)
7 鋁帽鐵芯沉頭封閉型拉鉚釘 [法國]
NF E 25-711 - 2001
鋁帽鐵芯沉頭封閉型拉鉚釘
Closed End Blind Rivets with Break Pull Mandrel and Countersunk Head - AIA/St
8 51級 封閉型沉頭抽芯鉚釘 [标準]
YJT GB/T 12616.4 - 2004
51級 封閉型沉頭抽芯鉚釘
Closed End Blind Rivets with Break Pull Mandrel and Countersunk Head - Property Class 51
供應商(4)
9 沉頭封閉型抽芯鉚釘 [德标]
DIN EN ISO 15974 - 2001
沉頭封閉型抽芯鉚釘
Closed End Blind Rivets with Break Pull Mandrel and Countersunk Head - AIA/St
标準編号: GB /T 12616.1 - 2004
中文名稱: 封閉型沉頭抽芯鉚釘 11級 (鋁釘,鋼芯)
英文名稱: Closed End Blind Rivets with Break Pull Mandrel and Countersunk Head - Property Class 11 - Al/St
數據來源: 易緊通 (164580.com)
Standard Code: GB /T 12616.1 - 2004Chinese Name: 封閉型沉頭抽芯鉚釘 11級 (鋁釘,鋼芯)English Name: Closed End Blind Rivets with Break Pull Mandrel and Countersunk Head - Property Class 11 - Al/StSource: https://www.164580.com/info_26894.html
Data Source: YJT Fastener Database (164580.com)
Standard: GB /T 12616.1 - 2004
URL: https://www.164580.com/info_26894.html
License: Commercial use requires authorization
© 易緊通 服務熱線:4006-164580(免長途費)