index
logo

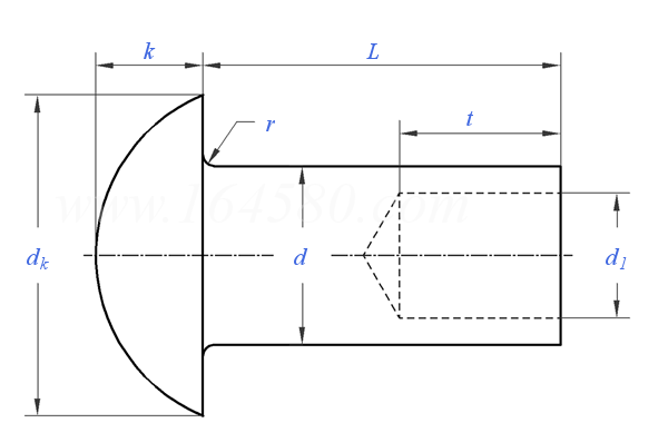
小圓頭半空心鉚釘 [表1] JIS B 1215 (T1) - 1976

選擇規格尺寸 點擊↓

Φ1.2

Φ1.6

Φ2

Φ2.5

Φ3

Φ4

Φ5

Φ6

Φ8

JIS B 1215 (T1) - 1976 小圓頭半空心鉚釘 [表1]

尺寸單位: mm
日标JIS B1215 (T1) - 1976 JIS1215 1215JIS 小圓頭半空心鉚釘 [表1]
JIS B 1215 (T1) - 1976 小圓頭半空心鉚釘 [表1]
掃一掃分享
規格
Φ1.2 Φ1.6 Φ2 Φ2.5 Φ3 Φ4 Φ5 Φ6 Φ8
d 最大值
最小值
dk 最大值=公稱
最小值
k 公稱
最大值
最小值
d1 公稱
最大值
最小值
t 公稱
最大值
最小值
r 最大值
1.22 1.62 2.02 2.52 3.02 4.02 5.02 6.02 8.02
1.15 1.55 1.94 2.42 2.92 3.9 4.9 5.88 7.85
2.2 3 3.7 4.6 5.4 7.2 9 10.5 13.5
1.9 2.7 3.4 4.3 5 6.8 8.5 9.9 12.9
0.3 0.4 0.6 0.9 1.1 1.4 1.8 2.1 2.8
0.4 0.5 0.7 1 1.25 1.55 1.95 2.3 3
0.2 0.3 0.5 0.8 0.95 1.25 1.65 1.9 2.6
0.8 1.1 1.3 1.7 2.1 2.8 3.5 4.2 5.6
0.84 1.14 1.35 1.77 2.17 2.9 3.6 4.32 5.72
0.76 1.06 1.25 1.63 2.03 2.7 3.4 4.08 5.48
1.1 1.4 1.8 2.3 2.7 3.6 4.5 5.4 7.2
1.2 1.5 1.95 2.45 2.9 3.8 4.75 5.7 7.5
1 1.3 1.65 2.15 2.5 3.4 4.25 5.1 6.9
0.06 0.08 0.1 0.2 0.2 0.3 0.3 0.4 0.4
注:技術數據僅供參考,請以官方原件為準!
類似标準及供貨信息
1 大扁圓頭半空心鉚釘 [國标]
GB 1014 - 1986
大扁圓頭半空心鉚釘
Truss Head Semi-Tubular Rivets
供應商(4)
2 扁圓頭半空心鉚釘 [國标]
GB 873 - 1986
扁圓頭半空心鉚釘
Oval Head Semi-Tubular Rivets
供應商(6)
3 盤頭半空心鉚釘 — 公稱直徑1.6到10毫米 [德标]
DIN 6791 - 2012
盤頭半空心鉚釘 — 公稱直徑1.6到10毫米
Semitubular Pan Head Rivets - Nominal Diameters 1.6 to 10 mm
供應商(1)
4 盤頭半空心鉚釘 [德标]
DIN 6791 - 2011
盤頭半空心鉚釘
Semitubular Pan Head Rivets with Nominal Diameters From 1.6 to 10 mm
供應商(1)
5 盤頭半空心鉚釘 [德标]
DIN 6791 - 1993
盤頭半空心鉚釘
Semitubular Pan Head Rivets with Nominal Diameters From 1.6 to 10mm
供應商(1)
6 圓頭半空心鉚釘 [表5] [日标]
JIS B 1215 (T5) - 1976
圓頭半空心鉚釘 [表5]
Round Head Semi-tubular Rivets
供應商(1)
7 大圓頭半空心鉚釘 [表2] [日标]
JIS B 1215 (T2) - 1976
大圓頭半空心鉚釘 [表2]
Large Mushroom Head Semi-tubular Rivets
8 扁圓頭半空心鉚釘 [汽标代号]
Q 454
扁圓頭半空心鉚釘
Mushroom Head Semi-Blind Rivets
供應商(1)
9 大圓頭半空心鉚釘Table3 [美标]
ASME/ANSI B 18.7 - 2001
大圓頭半空心鉚釘Table3
Large Round Head Semi-tubular Rivets
10 橢圓頭半空心鉚釘Table2 [美标]
ASME/ANSI B 18.7 - 2001
橢圓頭半空心鉚釘Table2
Oval Head Semi-tubular Rivets
11 橢圓頭開口型鉚釘Table8 [美标]
ASME/ANSI B 18.7 - 2001
橢圓頭開口型鉚釘Table8
Oval Head Split Rivets
12 米制圓頭半空心鉚釘 [美标]
ASME/ANSI B 18.7.1M - 1984
米制圓頭半空心鉚釘
Metric Round Head Semi-tubular Rivets
13 圓頭半空心鉚釘 [法國]
NF E 27-152 - 1952
圓頭半空心鉚釘
Mushroom Head Semi-Blind Rivets
14 米制圓頭開口鉚釘 [英标]
BS 4894 - 1993
米制圓頭開口鉚釘
Metric Bifurcated Rivets with Oval Head
15 A型米制圓頭半空心鉚釘 [英标]
BS 4895 (A) - 1981
A型米制圓頭半空心鉚釘
Metric Semitubular Pan Head Rivets - Style A
16 大扁頭半空心鉚釘Table13 [美标]
SAE J 492 - 1968
大扁頭半空心鉚釘Table13
Truss Head Semitubular Rivets
供應商(1)
17 橢圓頭半空心鉚釘 Table 12 [美标]
SAE J 492 - 1968
橢圓頭半空心鉚釘 Table 12
Oval Head Semitubular Rivets
18 橢圓頭半空心鉚釘 [Table 1] [美标]
ASME B 18.7 - 2007 (R2017)
橢圓頭半空心鉚釘 [Table 1]
Oval Head Semi-Tubular Rivets
19 橢圓頭開口型鉚釘 [Table 7] [美标]
ASME B 18.7 - 2007 (R2017)
橢圓頭開口型鉚釘 [Table 7]
Oval Head Split Rivets
20 米制通用半空心鉚釘 [美标]
ASME B 18.7.1M - 2007 (R2017)
米制通用半空心鉚釘
Metric General Purpose Semi-Tubular Rivets
21 米制大扁頭半空心鉚釘 [美标]
ASME B 18.7.1M - 2007 (R2012)
米制大扁頭半空心鉚釘
Metric General Purpose Semi-tubular Rivets
© 易緊通 服務熱線:4006-164580(免長途費)