index
logo

端面平圓頭凸焊螺釘 B型 Q 199B

選擇規格尺寸 點擊↓

M4

M5

M6

M8

M10

M12


尺寸單位: mm
汽标代号Q 199B Q199B 199BQ 端面平圓頭凸焊螺釘 B型
Q  199B 端面平圓頭凸焊螺釘 B型
掃一掃分享
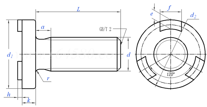
螺紋規格
d
M4 M5 M6 M8 M10 M12
P 螺距
d1 最大值
最小值
d2 最大值
最小值
f 最大值
最小值
k 最大值
最小值
h 最大值
最小值
a 最大值
r 最小值
0.7 0.8 1 1.25 1.5 1.75
11.4 12.4 14.4 16.4 20.4 24.4
10.6 11.6 13.6 15.6 19.6 23.6
9 10 11.5 14 17.5 20.5
8 9 10.5 13 16.5 19.5
2.3 3.3 4.3 5.3 6.3 7.3
1.7 2.7 3.7 4.7 5.7 6.7
2 2.5 2.5 3.5 4 5
1.75 2.25 2.25 3.25 3.75 4.75
0.8 0.8 0.9 1.1 1.3 1.5
0.6 0.6 0.7 0.9 1.1 1.3
2.1 2.4 3 4 4.5 5.3
0.2 0.2 0.25 0.4 0.4 0.6

技術條件和引用标準

材料
螺紋 公差
标準
機械性能 等級
最小抗拉強度Rm(MPa)
保證應力Sp(MPa)
維氏硬度(F≥98N)/HV
公差 產品等級
标準
表面缺陷
凸焊台尺寸與形狀
表面處理 種類
标準
驗收及包裝
-
含碳量不大于0.25%,具有可焊接性的鋼,不得采用易切鋼。
6g
GB/T 196、GB/T 197
5.8 8.8
520 800
380 580
160~220 250~320
A
GB/T 3103.1
GB/T 5779.1
同一螺栓的三個凸焊台的高度差 ≤ 0.15mm,三個凸焊台形狀應相同。
① 不經處理;② 鍍鋅鈍化
QC/T 625
GB/T 90.1、GB/T 90.2
① 當螺栓公稱長度<2.5d以及不能進行拉力試驗時,性能試驗代替方案按GB/T 3098.1的規定。
注:技術數據僅供參考,請以官方原件為準!
類似标準及供貨信息
1 短周期電弧螺柱焊用焊接螺柱 (PS型帶法蘭的螺紋螺柱) [國标]
GB /T 902.4 (PS) - 2010
短周期電弧螺柱焊用焊接螺柱 (PS型帶法蘭的螺紋螺柱)
Threaded Studs with Flange for Short-cycle Drawn Arc Stud Welding - PS Type Threaded Stud with Flanged
供應商(1)
2 U3型 平圓頭三點下承接面焊接螺釘 [Table 1] [美标]
IFI 148 (U3) - 2002
U3型 平圓頭三點下承接面焊接螺釘 [Table 1]
Type U3 Projection Weld Studs
3 UR型 平圓頭環形下承接面焊接螺釘 [Table 4] [美标]
IFI 148 (UR) - 2002
UR型 平圓頭環形下承接面焊接螺釘 [Table 4]
Type UR Projection Weld Studs
4 UC4型 平圓頭帶環四點式下承接面焊接螺釘 [Table 6] [美标]
IFI 148 (UC4) - 2002
UC4型 平圓頭帶環四點式下承接面焊接螺釘 [Table 6]
Type UC4 Projection Weld Studs
5 T3型 平圓頭三點式上承接面焊接螺釘 [Table2] [美标]
IFI 148 (T3) - 2002
T3型 平圓頭三點式上承接面焊接螺釘 [Table2]
Type T3 Projection Weld Studs
6 US3型 重型平圓頭三點橢圓式下承接面焊接螺釘 [Table5] [美标]
IFI 148 (US3) - 2002
US3型 重型平圓頭三點橢圓式下承接面焊接螺釘 [Table5]
Heavy Duty Type US3 Projection Welding Studs
7 TC4型 平圓頭帶環四點式上承接面焊接螺釘 [Table7] [美标]
IFI 148 (TC4) - 2002
TC4型 平圓頭帶環四點式上承接面焊接螺釘 [Table7]
Flat Round Head with Rings on Undertake Surface Welding Screws
8 TUS3型 平圓頭下承接面焊接螺釘 [table8] [美标]
IFI 148 (TUS3) - 2002
TUS3型 平圓頭下承接面焊接螺釘 [table8]
Type TUS3 Projection Weld Studs
9 TD型 平圓頭凸焊焊接螺釘 [Table 3] [美标]
IFI 148 (TD) - 2002
TD型 平圓頭凸焊焊接螺釘 [Table 3]
Type TD Projection Weld Studs
10 焊接螺釘 [德标]
DIN 34817 - 2017
焊接螺釘
Weld Screws with Metric Thread
11 焊接螺釘 [德标]
DIN 34817 - 2001
焊接螺釘
Weld Screws with Metric Thread
12 單點焊接螺釘 [德标]
DIN 32501-1 (GA) - 1991
單點焊接螺釘
Studs for Stud Welding with Tip Ignition; Threaded Bolt
13 平圓頭焊接螺釘 [日标]
JIS B 1195 - 2009
平圓頭焊接螺釘
Flat Round Head Weld Bolts
14 平圓頭焊接螺釘 [日标]
JIS B 1195 - 1994
平圓頭焊接螺釘
Flat Head Welding Screws
15 A型承面凸焊螺釘 [汽标代号]
Q 198
A型承面凸焊螺釘
Weld Screws, Type A
供應商(9)
16 B型承面凸焊螺釘 [汽标代号]
Q 198B
B型承面凸焊螺釘
Weld Screws, Type B
供應商(3)
17 C型承面凸焊螺釘 [汽标代号]
Q 198C
C型承面凸焊螺釘
Weld Screws, Type C
供應商(2)
18 端面平圓頭凸焊螺釘 A型 [汽标代号]
Q 199
端面平圓頭凸焊螺釘 A型
Overhead Projection Weld Bolts - Type A
供應商(2)
19 塑料用焊接螺釘 [汽标代号]
Q 2A8
塑料用焊接螺釘
Welding Screws for Plastic
20 米制電阻凸焊用螺釘 [Table 1] [英标]
BS 7670-1 - 1993
米制電阻凸焊用螺釘 [Table 1]
Screws for Resistance Projection Welding [Table 1]
供應商(1)
21 平圓頭下承面凸焊螺釘 [韓标]
KS B 1057 - 2001
平圓頭下承面凸焊螺釘
Flat Round Head Weld Screws
22 美制種焊螺柱 [标準]
YJT 1005
美制種焊螺柱
Spot Welding Stud (ANSI/ASME/IFI)
23 平圓頭下承面凸焊螺釘  A型 [汽标]
QC /T 598 (A) - 1999
平圓頭下承面凸焊螺釘 A型
Weld Bolts, Type A
供應商(1)
24 上端面平圓頭凸焊螺栓 A型 [汽标]
QC /T 599 (A) - 2013
上端面平圓頭凸焊螺栓 A型
Overhead Projection Weld Bolts - Type A
25 上端面平圓頭焊接螺栓 B型 [汽标]
QC /T 599 (B) - 2013
上端面平圓頭焊接螺栓 B型
Overhead Projection Weld Bolts - Type B
26 塑料用焊接螺釘 [汽标]
QC /T 891 - 2011
塑料用焊接螺釘
Welding Screws for Plastic
27 平圓頭下承面凸焊螺釘 B型 [汽标]
QC /T 598 (B) - 1999
平圓頭下承面凸焊螺釘 B型
Weld Bolts, Type B
28 平圓頭下承面凸焊螺釘 C型 [汽标]
QC /T 598 (C) - 1999
平圓頭下承面凸焊螺釘 C型
Weld Bolts, Type C
29 上端面平圓頭焊接螺釘 B型 [汽标]
QC /T 599 (B) - 1999
上端面平圓頭焊接螺釘 B型
Overhead Projection Weld Bolts - Type B
30 上端面平圓頭凸焊螺栓 A型 [汽标]
QC /T 599 (A) - 1999
上端面平圓頭凸焊螺栓 A型
Overhead Projection Weld Bolts - Type A
标準編号: Q 199B
中文名稱: 端面平圓頭凸焊螺釘 B型
英文名稱: Overhead Projection Weld Bolts - Type B
數據來源: 易緊通 (164580.com)
Standard Code: Q 199BChinese Name: 端面平圓頭凸焊螺釘 B型English Name: Overhead Projection Weld Bolts - Type BSource: https://www.164580.com/info_25347.html
Data Source: YJT Fastener Database (164580.com)
Standard: Q 199B
URL: https://www.164580.com/info_25347.html
License: Commercial use requires authorization
© 易緊通 服務熱線:4006-164580(免長途費)