index
logo

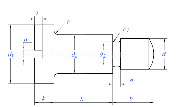
開槽圓柱頭軸位螺釘 GB 830 - 1988

選擇規格尺寸 點擊↓

M1.6

M2

M2.5

M3

M4

M5

M6

M8

M10


尺寸單位: mm
GB  830 - 1988 開槽圓柱頭軸位螺釘
掃一掃分享
千件重及價格計算 千件重 : kg x 元/kg = 元/千件
默認密度 g/cm3
公稱長度L 注:選擇後獲得 相應重量
螺紋尺寸
d
M1.6 M2 M2.5 M3 M4 M5 M6 M8 M10
P 螺距
ds 最大值
最小值
dk 最大值
最小值
k 最大值
最小值
n 公稱
最小值
最大值
t 最小值
b 螺紋長度
a
d2
r 最小值
r1 最大值
0.35 0.4 0.45 0.5 0.7 0.8 1 1.25 1.5
2.48 2.98 3.47 3.97 4.97 5.97 7.96 9.96 11.95
2.42 2.92 3.395 3.895 4.895 5.895 7.87 9.87 11.84
3.5 4 5 6 8 10 12 15 20
3.2 3.7 4.7 5.7 7.64 9.64 11.57 14.57 19.48
1.32 1.52 1.82 2.1 2.7 3.2 3.74 5.24 6.24
1.08 1.28 1.58 1.7 2.3 2.8 3.26 4.76 5.76
0.4 0.5 0.6 0.8 1.2 1.2 1.6 2 2.5
0.46 0.56 0.66 0.86 1.26 1.28 1.66 2.06 2.56
0.6 0.7 0.8 1 1.51 1.51 1.91 2.31 2.81
0.35 0.5 0.6 0.7 1 1.2 1.4 1.9 2.4
2.5 3 3.5 4 5 6 8 10 12
1 1 1 1 1.5 1.5 2 2 3
1.1 1.4 1.8 2.2 3 3.8 4.5 6.2 7.8
0.1 0.1 0.1 0.1 0.2 0.2 0.25 0.4 0.4
0.3 0.3 0.3 0.3 0.5 0.5 0.5 0.5 1
千件鋼制重≈kg
- - - - - - - - -
①,軸位直徑ds亦可按f9制造。
替代列表
GB /T 830 - 1988

技術條件和引用标準

材料
不鏽鋼
螺紋 公差
标準
機械性能 等級
标準
公差 產品等級
标準
表面處理
驗收及包裝
6 g
GB 196、GB 197
4.8 A 1 - 50、C 4 - 50
GB 3098.1 GB 3098.6
除規定外,其餘按A級
GB 3103.1
① 不經處理
② 鍍鋅鈍化 GB 5267
不經處理
GB 90
注:技術數據僅供參考,請以官方原件為準!
類似标準及供貨信息
1 開槽圓柱頭螺釘 [國标]
GB /T 65 - 2016
開槽圓柱頭螺釘
Slotted Cheese Head Screws
供應商(5)
2 開槽圓柱頭螺釘 [國标]
GB /T 65 - 2000
開槽圓柱頭螺釘
Slotted Cheese Head Screws
供應商(5)
3 開槽圓柱頭螺釘 [國标]
GB 65 - 1985
開槽圓柱頭螺釘
Slotted Cheese Head Screws
供應商(5)
4 開槽球面圓柱頭螺釘 [國标]
GB 66 - 1976
開槽球面圓柱頭螺釘
Slotted Fillister Head Machine Screws
5 機床夾具零件及部件 鑽套螺釘 [國标]
GB /T 2268 - 1991
機床夾具零件及部件 鑽套螺釘
The Parts and Units of Jigs and Fixtures - Drill Sleeve Screw
6 機床夾具零件及部件 镗套螺釘 [國标]
GB /T 2269 - 1991
機床夾具零件及部件 镗套螺釘
The Parts and Units of Jigs and Fixtures - Boring Sleeve Screw
7 開槽帶孔球面圓柱頭螺釘 [國标]
GB /T 832 - 1988
開槽帶孔球面圓柱頭螺釘
Slotted Cap Stan Screws
8 開槽大圓柱頭螺釘 [國标]
GB /T 833 - 1988
開槽大圓柱頭螺釘
Slotted Large Cheese Head Screws
9 開槽球面圓柱頭軸位螺釘 [國标]
GB /T 946 - 1988
開槽球面圓柱頭軸位螺釘
Slotted Raised Cheese Head Screws with Shoulder
10 開槽圓柱頭螺釘 [德标]
DIN 84 - 1990
開槽圓柱頭螺釘
Slotted Cheese Head Screws - Product Grade A
供應商(5)
11 開槽圓柱頭螺釘 [德标]
DIN 84 - 1970
開槽圓柱頭螺釘
Slotted Cheese Head Screws
供應商(5)
12 開槽大盤頭螺釘 [德标]
DIN 921 - 2014
開槽大盤頭螺釘
Slotted Pan Head Screws with Large Head
供應商(2)
13 開槽大盤頭螺釘 [德标]
DIN 921 - 2007
開槽大盤頭螺釘
Slotted Pan Head Screws with Large Head
供應商(2)
14 粗牙不脫出螺栓和螺釘 - 開槽矮圓柱頭 [德标]
DIN 7964 (A) - 1990
粗牙不脫出螺栓和螺釘 - 開槽矮圓柱頭
Reduced Shanke Bolts and Screws with Coarse Thread - Slotted Cheese Head
供應商(2)
15 開槽大盤頭螺釘 [德标]
DIN 921 - 1986
開槽大盤頭螺釘
Slotted Pan Head Screws with Large Head
供應商(2)
16 開槽小盤頭螺釘 [德标]
DIN 920 - 2024
開槽小盤頭螺釘
Slotted Pan Head Screws with Small Head
17 開槽盤頭台階螺釘 [德标]
DIN 923 - 2024
開槽盤頭台階螺釘
Slotted Pan Head Screws with Shoulder
18 開槽帶孔球面圓柱頭螺釘 [德标]
DIN 404 - 2017
開槽帶孔球面圓柱頭螺釘
Slotted Capstan Screws
19 開槽小盤頭螺釘 [德标]
DIN 920 - 2012
開槽小盤頭螺釘
Slotted Pan Head Screws with Small Head
20 開槽盤頭台階螺釘 [德标]
DIN 923 - 2012
開槽盤頭台階螺釘
Slotted Pan Head Screws with Shoulder
21 十字孔螺釘 [德标]
DIN 404 - 2006
十字孔螺釘
Slotted Capstan Screws
22 開槽小盤頭螺釘 [德标]
DIN 920 - 2006
開槽小盤頭螺釘
Slotted Pan Head Screws with Small Head
23 開槽盤頭台階螺釘 [德标]
DIN 923 - 2006
開槽盤頭台階螺釘
Slotted Pan Head Screws with Shoulder
24 開槽帶孔球面圓柱頭螺釘 [德标]
DIN 404 - 1986
開槽帶孔球面圓柱頭螺釘
Slotted Capstan Screws
25 開槽小盤頭螺釘 [德标]
DIN 920 - 1986
開槽小盤頭螺釘
Slotted Pan Head Screws with Small Head
26 開槽盤頭台階螺釘 [德标]
DIN 923 - 1986
開槽盤頭台階螺釘
Slotted Pan Head Screws with Shoulder
27 電表用鉛封螺栓 [德标]
DIN 43854 - 1979
電表用鉛封螺栓
Sealing Bolts for Watthour Meters
28 機械用開槽圓柱頭螺釘 [德标]
DIN 8243 - 1969
機械用開槽圓柱頭螺釘
Slotted Cheese Head Screws for Fine Mechanics
29 開槽圓柱頭螺釘-產品等級A級 [國際]
ISO 1207 - 2011
開槽圓柱頭螺釘-產品等級A級
Slotted Cheese Head Screws - Product Grade A
供應商(1)
30 開槽圓柱頭螺釘 A級 [國際]
ISO 1207 - 1992
開槽圓柱頭螺釘 A級
Slotted Cheese Head Screws - Product Grade A
供應商(1)
31 開槽矮圓柱頭螺釘 [表3] [日标]
JIS B 1101 (T3) - 2017
開槽矮圓柱頭螺釘 [表3]
Slotted Cheese Head Screws [Table 3]
供應商(1)
32 開槽矮圓柱頭螺釘 表1 [Attached Table 1] [日标]
JIS B 1101 (AT1) - 1996
開槽矮圓柱頭螺釘 表1 [Attached Table 1]
Slotted Cheese Head Screws [Attached Table 1]
供應商(1)
33 開槽圓柱頭螺釘 附表JA.10 [日标]
JIS B 1101 (JA10) - 2017
開槽圓柱頭螺釘 附表JA.10
Slotted Fillister Head Screws - Table JA.10
34 開槽圓柱頭螺釘 附表JA.9 [日标]
JIS B 1101 (JA9) - 2017
開槽圓柱頭螺釘 附表JA.9
Slotted Flat Fillister Head Screws - Table JA.9
35 開槽扁圓柱頭螺釘 附表JA.7 [日标]
JIS B 1101 (JA7) - 2017
開槽扁圓柱頭螺釘 附表JA.7
Slotted Binding Head Screws - Table JA.7
36 精密機械用開槽圓柱頭螺釘 [日标]
JIS B 1116 (T6) - 2009
精密機械用開槽圓柱頭螺釘
Slotted Cheese Head Screws for Fine Mechanics
37 開槽圓柱頭螺釘 附表7 [Annex Attached Table 7] [日标]
JIS B 1101 (AAT7) - 1996
開槽圓柱頭螺釘 附表7 [Annex Attached Table 7]
Slotted Flat Fillister Head Screws - Annex Attached Table 7
38 開槽扁圓柱頭螺釘 附表5 [Annex Attached Table 5] [日标]
JIS B 1101 (AAT5) - 1996
開槽扁圓柱頭螺釘 附表5 [Annex Attached Table 5]
Slotted Binding Head Screws [Annex Attached Table 5]
39 開槽矮圓柱頭螺釘 附表8 [Annex Attached Table 8] [日标]
JIS B 1101 (AAT8) - 1996
開槽矮圓柱頭螺釘 附表8 [Annex Attached Table 8]
Slotted Fillister Head Screws [Annex Attached Table 8]
40 眼鏡框架用 - 開槽平頭倒角螺釘 [日标]
JIS B 1119 (1CF) - 1986
眼鏡框架用 - 開槽平頭倒角螺釘
Spectacle Frames - Slotted Chamfered Flat Head Screws
41 眼鏡框架用 - 開槽弧面平頭螺釘 [日标]
JIS B 1119 (1RF) - 1986
眼鏡框架用 - 開槽弧面平頭螺釘
Spectacle Frames - Slotted Round Flat Head Screws
42 眼鏡框架用 - 開槽平頭螺釘 [日标]
JIS B 1119 (1F) - 1986
眼鏡框架用 - 開槽平頭螺釘
Spectacle Frames - Slotted Flat Machine Screws
43 鑽套螺釘 [機械行業]
JB /T 8045.5 - 1999
鑽套螺釘
Drill Sleeve Screw
44 镗套螺釘 [機械行業]
JB /T 8046.3 - 1999
镗套螺釘
Boring Sleeve Screw
45 開槽球面圓柱頭螺釘Table21 [美标]
ASME/ANSI B 18.6.3 (T21) - 2010
開槽球面圓柱頭螺釘Table21
Slotted Fillister Head Machine Screws
46 開槽球面圓柱頭頭部帶孔螺釘Table23 [美标]
ASME/ANSI B 18.6.3 - 2010
開槽球面圓柱頭頭部帶孔螺釘Table23
Slotted Drilled Fillister Head Screws (Machine screws only)
47 開槽球面圓柱頭螺釘Table27 [美标]
ASME/ANSI B 18.6.3 - 2010
開槽球面圓柱頭螺釘Table27
Slotted Binding Head Screws (Machine screws only)
48 開槽球面圓柱頭螺釘 [Table 3] (A307, SAE J429, F468, F593) [美标]
ASME/ANSI B 18.6.2 (T3) - 1998 (R2010)
開槽球面圓柱頭螺釘 [Table 3] (A307, SAE J429, F468, F593)
Slotted [Table 3] (A307, SAE J429, F468, F593)
49 開槽圓柱頭/球面圓柱頭小螺釘 [Table 1] [美标]
ASME/ANSI B 18.11 - 1961 (R1983)
開槽圓柱頭/球面圓柱頭小螺釘 [Table 1]
Slotted Fillister Head Miniature Screws
50 開槽圓柱頭螺釘 [意大利]
UNI 6422 - 1969
開槽圓柱頭螺釘
Slotted Cheese Head Screws for Manufacture of Railway and Tramway Rolling Stock - ISO Metric Coarse
51 開槽圓柱頭螺釘 [意大利]
UNI 6107 - 1967
開槽圓柱頭螺釘
Slotted Cheese Head Screws - ISO Metric Thread - Finish A
52 開槽圓柱頭螺釘 [法國]
NF E 25-127 - 1994
開槽圓柱頭螺釘
Slotted Cheese Head Screws - Product Grade A
53 鐵路車輛 圓柱頭側切口機械螺釘 [法國]
NF F 03-005 (C) - 1983
鐵路車輛 圓柱頭側切口機械螺釘
Railway Rolling Stock Grade A Notched Cheese Head Machine Screws
54 開槽盤頭台階螺釘 [法國]
NF E 27-169 - 1972
開槽盤頭台階螺釘
Slotted Pan Head Screws with Shoulder
55 開槽球面圓柱頭螺釘Table14 [英标]
BS 1981 - 1991
開槽球面圓柱頭螺釘Table14
Slotted Raised Cheese Head Screws
56 開槽圓柱頭機械螺釘 [英标]
BS 4183 (T5) - 1967
開槽圓柱頭機械螺釘
Slotted Cheese Head Machine Screws. Metric Series
57 英制開槽圓柱頭螺釘 - B.S.W. & B.S.F. 螺紋 [Table 6] [英标]
BS 450 - 1958
英制開槽圓柱頭螺釘 - B.S.W. & B.S.F. 螺紋 [Table 6]
Slotted Cheese Head Screws with B.S.W. & B.S.F. Threads [Table 6]
58 米制開槽圓柱頭螺釘 [Table 4] [澳标]
AS /NZS 1427 - 1996
米制開槽圓柱頭螺釘 [Table 4]
ISO Metric Slotted Cheese Head Screws [Table 4]
59 開槽扁圓頂柱頭小螺釘 [台灣]
CNS 9668 - 1988
開槽扁圓頂柱頭小螺釘
Slotted (Oval) Fillister Head Machine Screws
60 開槽圓柱頭螺釘 [台灣]
CNS 9670 - 1988
開槽圓柱頭螺釘
Slotted Flat Fillister Head Machine Screws
61 精密機械用開槽圓柱頭螺釘 [台灣]
CNS 9680 - 1982
精密機械用開槽圓柱頭螺釘
Slotted Cheese Head Screws for Fine Mechanics
62 開槽帶孔圓柱頭螺釘 [台灣]
CNS 4251 - 1980
開槽帶孔圓柱頭螺釘
Slotted Cheese Head Screw Head Hole
63 開槽矮圓柱頭螺釘 [台灣]
CNS 4355 - 1980
開槽矮圓柱頭螺釘
Slotted Cheese Head Screws
64 開槽大盤頭螺釘 [台灣]
CNS 4356 - 1980
開槽大盤頭螺釘
Slotted Pan Head Screws with Large Head
65 開槽圓柱頭軸位螺釘 [台灣]
CNS 4358 - 1980
開槽圓柱頭軸位螺釘
Slotted Cheese Head Screws with Shoulder
66 開槽小圓柱頭螺釘 [台灣]
CNS 4360 - 1980
開槽小圓柱頭螺釘
Slotted Cheese Head Screw with Small Head
67 精密用開槽圓柱頭螺釘 [台灣]
CNS 4362 - 1980
精密用開槽圓柱頭螺釘
Slotted Cheese Head Screws for Fine Mechanics
68 開槽圓柱頭螺釘 A級 B級 [俄标]
GOST 1491 - 1980
開槽圓柱頭螺釘 A級 B級
Screws with Cylindrical Cap of Accuracy Classes A and B
69 開槽圓柱頭螺釘 [Table 3] [韓标]
KS B 1021 (T3) - 2012 (R2022)
開槽圓柱頭螺釘 [Table 3]
Slotted Cheese Head Screws [Table 3]
70 開槽圓柱頭螺釘 [韓标]
KS B 1021 - 1998
開槽圓柱頭螺釘
Slotted Cheese Head Screws
71 塑料開槽圓柱頭滾花螺釘 [标準]
YJT 4011
塑料開槽圓柱頭滾花螺釘
Plastic Slotted Cheese Head Knurl Screws
72 塑料開槽大圓柱頭台階螺釘 [标準]
YJT 4017
塑料開槽大圓柱頭台階螺釘
Plastic Slotted Large Cheese Head Screws with Shoulder
73 塑料一字槽圓柱頭帶墊螺釘 [标準]
YJT 4018
塑料一字槽圓柱頭帶墊螺釘
Plastic Slot(-) Cheese Head Screws with Collar
74 開槽圓柱頭螺釘-產品等級A級 [德标]
DIN EN ISO 1207 - 2011
開槽圓柱頭螺釘-產品等級A級
Slotted Cheese Head Screws—Product Grade A
供應商(5)
75 開槽圓柱頭螺釘-產品等級A級 [德标]
DIN EN ISO 1207 - 1994
開槽圓柱頭螺釘-產品等級A級
Slotted Cheese Head Screws - Product Grade A
供應商(5)
76 圓柱頭螺栓 [軍标]
GJB 3371 (/33~/39) - 1998
圓柱頭螺栓
Cheese Head Bolts
77 頭部帶保險孔的圓柱頭螺栓 [軍标]
GJB 3371 (/40~/44) - 1998
頭部帶保險孔的圓柱頭螺栓
Cheese Head Bolts with Wire Holes on Head
78 圓柱頭螺釘 開槽 [軍标]
GJB 3372 (/11~/17) - 1998
圓柱頭螺釘 開槽
Cheese Head Screws, Slotted
79 頭部帶保險孔的圓柱頭螺釘 [軍标]
GJB 3372 (/18~/24) - 1998
頭部帶保險孔的圓柱頭螺釘
Cheese Head Screws with Wire Holes on Head
80 頭部帶保險孔的不脫出圓柱頭螺釘 [軍标]
GJB 3372 (/54~/55) - 1998
頭部帶保險孔的不脫出圓柱頭螺釘
Cheese Head Screws with Wire Holes on Head, Waisted Shank
81 固定表盤螺釘 [軍标]
GJB 3372 (/57~/59) - 1998
固定表盤螺釘
Slotted Fillister Head Machine Screws
82 開槽圓柱頭螺釘 A級 [印标]
IS 1366 - 2002
開槽圓柱頭螺釘 A級
Slotted Cheese Head Screws - Product Grade A
83 開槽圓柱頭/球面圓柱頭小螺釘 [Table 1] (A276, B16, B151) [美标]
ANSI B 18.11 - 1961 (R2017)
開槽圓柱頭/球面圓柱頭小螺釘 [Table 1] (A276, B16, B151)
Slotted Fillister Head Miniature Screws [Table 1] (A276, B16, B151)
84 開槽聯頭(扁圓柱頭)小螺釘 [Table 4] (A276, B16, B151) [美标]
ANSI B 18.11 - 1961 (R2017)
開槽聯頭(扁圓柱頭)小螺釘 [Table 4] (A276, B16, B151)
Slotted Binding Head Miniature Screws [Table 4] (A276, B16, B151)
85 開槽球面圓柱頭螺釘 (ASTM F837, F468) [TABLE 2.2.6-1] [美标]
ASME B 18.6.3 (H6A) - 2024
開槽球面圓柱頭螺釘 (ASTM F837, F468) [TABLE 2.2.6-1]
Slotted Fillister Head Screws (ASTM F837, F468) [TABLE 2.2.6-1]
86 球面圓柱頭,頭部帶孔螺釘 (ASTM F837, F468) [TABLE 2.2.6-3] [美标]
ASME B 18.6.3 (H6C) - 2024
球面圓柱頭,頭部帶孔螺釘 (ASTM F837, F468) [TABLE 2.2.6-3]
Slotted Drilled Fillister Head Screws (Machine Screws Only) (ASTM F837, F468) [TABLE 2.2.6-3]
87 開槽球面扁圓柱頭機械螺釘 (ASTM F837,F468) [TABLE 2.2.8-1] [美标]
ASME B 18.6.3 (H8A) - 2024
開槽球面扁圓柱頭機械螺釘 (ASTM F837,F468) [TABLE 2.2.8-1]
Slotted Binding Head Screws (ASTM F837,F468) [TABLE 2.2.8-1]
88 開槽球面圓柱頭螺釘 [Table 21] (ASTM F837, F468) [美标]
ASME B 18.6.3 (T21) - 2013
開槽球面圓柱頭螺釘 [Table 21] (ASTM F837, F468)
Slotted Fillist Head Screws [Table 21] (ASTM F837, F468)
89 球面圓柱頭,頭部帶孔螺釘 [Table 23] (ASTM F837, F468) [美标]
ASME B 18.6.3 (T23) - 2013
球面圓柱頭,頭部帶孔螺釘 [Table 23] (ASTM F837, F468)
Slotted Drilled Fillister Head Screws (Machine Screws Only) [Table 23] (ASTM F837, F468)
90 開槽球面扁圓柱頭機械螺釘[Table 27] (ASTM F837, F468) [美标]
ASME B 18.6.3 (T27) - 2013
開槽球面扁圓柱頭機械螺釘[Table 27] (ASTM F837, F468)
Dimensions of Slotted Binding Head Screws (Machine Screws Only) (ASTM F837, F468)
91 開槽帶孔圓柱頭螺釘 [航天]
QJ 2368 - 1992
開槽帶孔圓柱頭螺釘
Slotted Cheese Head Screws with Holes
92 開槽圓柱頭螺釘 [航天]
QJ 2371 - 1992
開槽圓柱頭螺釘
Slotted Cheese Head Screws
93 開槽球面圓柱頭軸位螺釘 [航天]
QJ 2382 - 1992
開槽球面圓柱頭軸位螺釘
Slotted Raised Cheese Head Screws with Shoulder
94 開槽球面大圓柱頭螺釘 [航天]
QJ 2383 - 1992
開槽球面大圓柱頭螺釘
Slotted Large Raised Cheese Head Screws
95 開槽帶孔圓柱頭螺釘 [航天]
QJ 2385 - 1992
開槽帶孔圓柱頭螺釘
Slotted Cheese Head Screws with Holes
96 頭部帶保險孔的圓柱頭螺栓 [航空]
HB 1- 127 - 2002
頭部帶保險孔的圓柱頭螺栓
Cheese Head Bolts with Wire Holes on Head
97 頭部帶保險孔的圓柱頭螺釘 [航空]
HB 1- 203 - 2002
頭部帶保險孔的圓柱頭螺釘
Cheese Head Screws with Wire Holes on Head
98 圓柱頭螺釘 [航空]
HB 1- 202 - 1995
圓柱頭螺釘
Slotted Cheese Head Screws
标準編号 / Standard Code: GB 830 - 1988
中文名稱 / Chinese Name: 開槽圓柱頭軸位螺釘
英文名稱 / English Name: Slotted Cheese Head Screws with Shoulder
數據來源 / Data Source: 易緊通 YJT Fastener Database(164580.com)
中文頁面 / Chinese Page: 查看中文頁面
English Page: View English Page
Data Source: YJT Fastener Database (164580.com)
Standard: GB 830 - 1988
Chinese Name: 開槽圓柱頭軸位螺釘
English Name: Slotted Cheese Head Screws with Shoulder
Chinese URL: Chinese Source Page
English URL: English Source Page
License: Commercial reuse, redistribution, or AI training usage requires authorization.
© 易緊通 服務熱線:4006-164580(免長途費)