index
logo

滾花頭不脫出螺釘 GB 839 - 1988

查看供應商

選擇規格尺寸 點擊↓

M3

M4

M5

M6

M8

M10

括号内尺寸為非優選
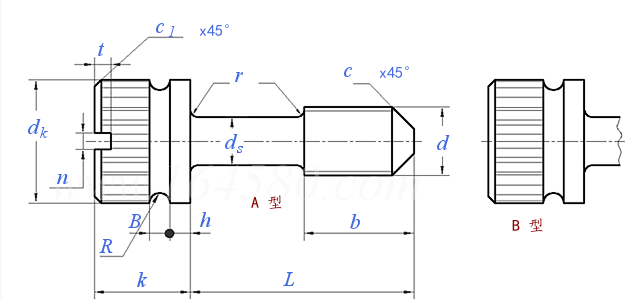
GB  839 - 1988 滾花頭不脫出螺釘

尺寸單位: mm
國标GB 839 - 1988 GB839 839GB 滾花頭不脫出螺釘
GB  839 - 1988 滾花頭不脫出螺釘
掃一掃分享
千件重及價格計算 千件重 : kg x 元/kg = 元/千件
默認密度 g/cm3
公稱長度L 注:選擇後獲得 相應重量
螺紋規格
d
M3 M4 M5 M6 M8 M10
P 螺距
ds 最大值
最小值
dk 滾花前 最大值
最小值
k 最大值
最小值
n 公稱
最大值
最小值
t 最小值
b 螺紋長度
r 最小值
h
B
R
c
c1
0.5 0.7 0.8 1 1.25 1.5
2 2.8 3.5 4.5 5.5 7
1.86 2.66 3.32 4.32 5.32 6.78
5 8 9 11 14 17
4.82 7.78 8.78 10.73 13.73 16.73
4.5 6.5 7 10 12 13.5
4.32 6.32 6.78 9.64 11.57 13.07
0.8 1.2 1.2 1.6 2 2.5
1 1.51 1.51 1.91 2.31 2.81
0.86 1.26 1.28 1.66 2.06 2.56
0.7 1.0 1.2 1.4 1.9 2.4
4 6 8 10 12 15
0.1 0.2 0.2 0.25 0.4 0.4
1 1.5 1.5 2 2.5 2.5
1 1.5 1.5 2 2.5 3
0.5 0.75 0.75 1 1.25 1.5
1 1.2 1.6 2 2.5 3
0.3 0.3 0.5 0.5 0.8 0.8
千件鋼制重≈kg
- - - - - -
替代列表
GB /T 839 - 1988

技術條件和引用标準

材料
不鏽鋼
螺紋 公差
标準
機械性能 等級
标準
公差 產品等級
标準
滾花
表面處理
驗收及包裝
6 g
GB 196、GB 197
4.8 A 1 - 50、C 4 - 50
GB 3098.1 GB 3098.6
除規定外,其餘按A級
GB 3103.1
直紋 GB 6403.3
① 不經處理; ② 鍍鋅鈍化 GB 5267 不經處理
GB 90
注:技術數據僅供參考,請以官方原件為準!
告訴我在“易緊通”看到,将給您優惠
聯系人:付小芳 點擊這裏給我發消息108212422   移動電話: 18361830222/15152684776     電話:0523-83901567     微信号:18361830222
材質:不鏽鋼430、201、 304、316、316L、321、2205、2507、2520、310S、904L、1.4529、C276等耐高溫耐酸材料;規格範圍:按照客戶要求
類似标準及供貨信息
1 滾花高頭螺釘 [國标]
GB 834 - 1988
滾花高頭螺釘
Knurled Thumb Screws
供應商(1)
2 滾花平頭螺釘 [國标]
GB 835 - 1988
滾花平頭螺釘
Knurled Screws
供應商(2)
3 機床夾具零件及部件 活動手柄壓緊螺釘 [國标]
GB /T 2163 - 1991
機床夾具零件及部件 活動手柄壓緊螺釘
The Parts and Units of Jigs and Fixtures Movable Handle Holddown Screw
4 滾花小頭螺釘 [國标]
GB /T 836 - 1988
滾花小頭螺釘
Knurled Screws with Small Head
5 塑料滾花頭螺釘 [國标]
GB /T 840 - 1988
塑料滾花頭螺釘
Plastic Diamond Knurlhead Screws
6 滾花高頭台階螺釘 [德标]
DIN 464 - 2007
滾花高頭台階螺釘
Knurled Thumb Screws, High Type
供應商(3)
7 薄型滾花手擰螺釘 [德标]
DIN 653 - 2006
薄型滾花手擰螺釘
Knurled Thumb Screws, Low Type
供應商(1)
8 粗牙不脫出螺栓和螺釘 - 滾花高頭台階螺釘 [德标]
DIN 7964 (F) - 1990
粗牙不脫出螺栓和螺釘 - 滾花高頭台階螺釘
Reduced Shanke Bolts and Screws with Coarse Thread - Knurled Thumb Screws, High Type
供應商(2)
9 滾花高頭台階螺釘 [德标]
DIN 464 - 1986
滾花高頭台階螺釘
Knurled Thurmb Screws, High Type
供應商(3)
10 平頭滾花螺釘, 薄型 [德标]
DIN 653 - 1986
平頭滾花螺釘, 薄型
Knurled Thumb Screws, Thin Type
供應商(1)
11 滾花高頭台階螺釘 [德标]
DIN 464 - 1970
滾花高頭台階螺釘
Knurled Thurmb Screws, High Type
供應商(3)
12 高型開槽滾花頭螺釘 [德标]
DIN 465 - 1970
高型開槽滾花頭螺釘
Slotted Knurled Screws-High Style
供應商(3)
13 高型開槽滾花頭螺釘 [德标]
DIN 465 - 1963
高型開槽滾花頭螺釘
Slotted Knurled Screws-High Style
供應商(3)
14 套式銑刀刀杆用銑刀緊固螺絲, 十字頭螺釘(手擰螺釘) [德标]
DIN 6367 - 2003
套式銑刀刀杆用銑刀緊固螺絲, 十字頭螺釘(手擰螺釘)
Cutter Retaining Screws for Milling Machine Arbors
15 圓柱頭調節支承 [機械行業]
JB /T 8026.3 - 1999
圓柱頭調節支承
Adjustable Cylindor Head Supporters
16 帶孔滾花螺釘 [機械行業]
JB /T 9162.14 - 1999
帶孔滾花螺釘
Knurled Screws with Radial Holes
17 壓緊螺釘 [機械行業]
JB /T 9162.15 - 1999
壓緊螺釘
Clamping Screw
18 滾花圓柱頭螺釘 [機械行業]
JB /T 9162.16 - 1999
滾花圓柱頭螺釘
Knurled Head Cap Screws
19 滾花頭台階螺釘 [法國]
NF E 27-170 - 1974
滾花頭台階螺釘
Knurled Thurmb Screws
20 T形旋柄螺釘 [台灣]
CNS 4658 - 1984
T形旋柄螺釘
Tommy Screws with Fixed Clamping Bolt
21 滾花頭不脫出螺釘 [航天]
QJ 2381 - 1992
滾花頭不脫出螺釘
Knurled thumb screws with waisted shank
22 滾花高頭螺釘 [航天]
QJ 2384 - 1992
滾花高頭螺釘
Knurled thumb screws
23 滾花圓柱頭緊定螺釘 [航空]
HB 306 - 1987
滾花圓柱頭緊定螺釘

© 易緊通 服務熱線:4006-164580(免長途費)