index
logo

内六角圓柱頭軸肩螺釘 JIS B 1175 - 1988

選擇規格尺寸 點擊↓

M5

M6

M8

M10

M12

M16

M20

JIS B 1175 - 1988 内六角圓柱頭軸肩螺釘

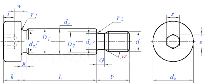
尺寸單位: mm
日标JIS B1175 - 1988 JIS1175 1175JIS 内六角圓柱頭軸肩螺釘
JIS B 1175 - 1988 内六角圓柱頭軸肩螺釘
掃一掃分享
螺紋規格
d
M5 M6 M8 M10 M12 M16 M20
P 螺距
ds 公稱
最大值
最小值
b 最大值
最小值
dk 光滑頭部 最大值
滾花頭 最大值
最小值
ds1 最小值
ds2 最大值
最小值
D1 最大值
D2 最大值
e 最小值
k 最大值=公稱
最小值
g 最大值
G 最大值
r1 最小值
r2 最小值
s 公稱
最大值
最小值
t 最小值
w 最小值
0.8 1 1.25 1.5 1.75 2 2.5
6.5 8 10 13 16 20 25
6.487 7.987 9.987 12.984 15.984 19.98 24.98
6.451 7.951 9.951 12.941 15.941 19.928 24.928
9.75 11.25 13.25 16.4 18.4 22.4 27.4
9.25 10.75 12.75 15.6 17.6 21.6 26.6
10 13 16 18 24 30 36
10.22 13.27 16.27 18.27 24.33 30.33 36.39
9.78 12.73 15.73 17.73 23.67 29.67 35.61
5.92 7.42 9.42 12.42 15.42 19.42 24.42
3.86 4.58 6.25 7.91 9.57 13.23 16.57
3.68 4.4 6.03 7.69 9.35 12.96 16.3
7.2 9.2 11.2 15.2 18.2 22.4 27.4
5 6 8 10 12 16 20
3.44 4.58 5.72 6.86 9.15 11.43 13.72
4.5 5.5 7 9 11 14 16
4.32 5.32 6.78 8.78 10.73 13.73 15.73
2.5 2.5 2.5 2.5 2.5 2.5 3
2 2.5 3.1 3.7 4.4 5 6.3
0.25 0.4 0.6 0.6 0.6 0.8 0.8
0.5 0.53 0.64 0.77 0.87 1.14 1.38
3 4 5 6 8 10 12
3.08 4.095 5.095 6.095 8.115 10.115 12.142
3.02 4.02 5.02 6.02 8.025 10.025 12.032
2.4 3.3 4.2 4.9 6.6 8.8 10
1 1.15 1.6 1.8 2 3.2 3.25
注:技術數據僅供參考,請以官方原件為準!
類似标準及供貨信息
1 内六角圓柱頭軸肩螺釘 [國标]
GB 5281 - 1985
内六角圓柱頭軸肩螺釘
Hexagon Socket Head Shoulder Screws
供應商(3)
2 沖壓工具用内六角帶肩螺釘 [德标]
DIN 9841 - 2017
沖壓工具用内六角帶肩螺釘
Hexagon Socket Head Shoulder Screw for Press Tools
3 内六角圓柱頭軸肩螺釘 [國際]
ISO 7379 - 1983
内六角圓柱頭軸肩螺釘
Hexagon Socket Head Shoulder Screws
供應商(3)
4 米制内六角圓柱頭軸肩螺釘 [美标]
ASME/ANSI B 18.3.3M - 1993 (R2008)
米制内六角圓柱頭軸肩螺釘
Hexagon Socket Head Shoulder Screws (Metric Series)
5 壓制和成型工具 - 緊固件 - 内六角圓柱頭軸肩螺釘 [法國]
NF E 27-191 (1021)
壓制和成型工具 - 緊固件 - 内六角圓柱頭軸肩螺釘
Tools for Pressing and Moulding - Fasteners - Shouldered Retaining Screws
6 壓制和成型工具 - 緊固件 - 不鏽鋼 - 内六角圓柱頭軸肩螺釘 [法國]
NF E 27-191 (1031)
壓制和成型工具 - 緊固件 - 不鏽鋼 - 内六角圓柱頭軸肩螺釘
Tools for Pressing and Moulding - Fasteners - Shouldered Retaining Screws - Stainless Steel
7 米制内六角圓柱頭軸肩螺釘 [英标]
BS 4168-7 - 1982
米制内六角圓柱頭軸肩螺釘
Metric Socket Hexagon Cheese Head Screws with Shoulder
8 統一或英制螺紋内六角圓柱頭軸肩螺釘  Table 5 [英标]
BS 2470 - 1973
統一或英制螺紋内六角圓柱頭軸肩螺釘 Table 5
Hexagon Socket Cheese Head Shoulder Screws - Unite and BSW/BSF Thread
9 内六角圓柱頭軸肩螺釘 [Table 13] [美标]
ASME B 18.3 (T13) - 2012
内六角圓柱頭軸肩螺釘 [Table 13]
Hexagon Socket Head Shoulder Screws [Table 13]
供應商(1)
10 内六角圓柱頭軸肩螺釘 [Table 4] [美标]
ASME B 18.3 - 2003 (R2008)
内六角圓柱頭軸肩螺釘 [Table 4]
Hexagon Socket Head Shoulder Screws
供應商(1)
© 易緊通 服務熱線:4006-164580(免長途費)