index
logo

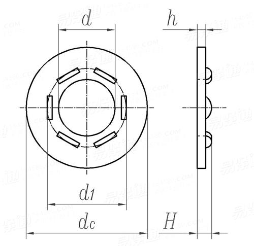
壓緊墊圈指示器(DTI墊圈)[Table 6] (ASTM F959) ASME B 18.2.6 - 2006

查看供應商

選擇規格尺寸 點擊↓

1/2

5/8

3/4

7/8

1

1-1/8

1-1/4

1-3/8

1-1/2

ASME B 18.2.6 - 2006 壓緊墊圈指示器(DTI墊圈)[Table 6] (ASTM F959)

尺寸單位: inch
美标ASME B18.2.6 - 2006 ASME18.2.6 18.2.6A 壓緊墊圈指示器(DTI墊圈)[Table 6] (ASTM F959)
ASME B 18.2.6 - 2006 壓緊墊圈指示器(DTI墊圈)[Table 6] (ASTM F959)
掃一掃分享
公稱直徑
d
1/2 5/8 3/4 7/8 1 1-1/8 1-1/4 1-3/8 1-1/2
d 最小值
最大值
d1 突起切向直徑 最大值
dc A325 最小值
最大值
A490 最小值
最大值
n 突起數量 A325
A490
h 最小值 A325
A490
H 最大值 A325
A490
0.523 0.654 0.786 0.917 1.048 1.179 1.311 1.442 1.573
0.527 0.658 0.790 0.921 1.052 1.183 1.315 1.446 1.577
0.788 0.956 1.125 1.294 1.463 1.631 1.800 1.969 2.138
1.167 1.355 1.605 1.855 1.980 2.230 2.480 2.730 2.980
1.187 1.375 1.625 1.875 2.000 2.250 2.500 2.750 3.000
1.355 1.605 1.730 1.980 2.230 2.480 2.730 2.980 3.230
1.375 1.625 1.750 2.000 2.250 2.500 2.750 3.000 3.250
4 4 5 5 6 6 7 7 8
5 5 6 6 7 7 8 8 9
0.104 0.126 0.126 0.142 0.158 0.158 0.158 0.158 0.158
0.104 0.126 0.142 0.158 0.158 0.158 0.158 0.158 0.158
0.180 0.220 0.230 0.240 0.270 0.270 0.270 0.270 0.270
0.180 0.220 0.240 0.260 0.270 0.280 0.280 0.280 0.280
①,A325——用于美标ASTM A325螺栓
②,A490——用于美标ASTM A490螺栓
③,材料和性能要求應符合ASTM F959标準中的規定
替代列表
注:技術數據僅供參考,請以官方原件為準!
告訴我在“易緊通”看到,将給您優惠
聯系人:王經理   移動電話: 18296352372
材質:45号鋼;等級:8.8級、10.9級。
類似标準及供貨信息
1 鋼結構用高強度墊圈 [國标]
GB /T 1231 (washer) - 2024
鋼結構用高強度墊圈
High Strength Plain Washers for Steel Structural
供應商(7)
2 鋼結構用扭剪型高強度螺栓用墊圈 [國标]
GB /T 3632 (H) - 2008
鋼結構用扭剪型高強度螺栓用墊圈
Torshear Type Plain Washer for Steel Structures
供應商(3)
3 鋼結構用高強度墊圈 [國标]
GB /T 1230 - 2006
鋼結構用高強度墊圈
High Strength Plain Washers for Steel Structural
供應商(7)
4 栓接結構用平墊圈 淬火并回火 [國标]
GB /T 18230.5 - 2000
栓接結構用平墊圈 淬火并回火
Plain Washers for High-strength Structural Bolting Hardened and Tempered
供應商(1)
5 鋼結構用扭剪型高強度平墊 [國标]
GB /T 3632 (W) - 1995
鋼結構用扭剪型高強度平墊
Torshear Type Plain Washer for Steel Structures
供應商(3)
6 鋼結構用高強度墊圈 [國标]
GB /T 1230 - 1991
鋼結構用高強度墊圈
High Strength Plain Washers for Steel Structures
供應商(7)
7 預載荷高強度栓結構連接副,第11部分:載荷指示墊圈 (DTI墊圈) [國标]
GB /T 32076.11 - 2024
預載荷高強度栓結構連接副,第11部分:載荷指示墊圈 (DTI墊圈)
High-strength Structural Bolting Assemblies for Preloading Part 11: Load Indicating Washer
8 預載荷高強度栓結構連接副,第11部分:螺母面墊圈(HN) [國标]
GB /T 32076.11 (HN) - 2024
預載荷高強度栓結構連接副,第11部分:螺母面墊圈(HN)
High-strength Structural Bolting Assemblies for Preloading Part 11: Nut Face Washers (HN)
9 預載荷高強度栓結構連接副,第11部分:螺栓面墊圈(HB) [國标]
GB /T 32076.11 (HB) - 2024
預載荷高強度栓結構連接副,第11部分:螺栓面墊圈(HB)
High-strength Structural Bolting Assemblies for Preloading Part 11: Bolt Face Washers (HB)
10 鋼結構高強度錨固用平墊圈 [國标]
GB /T 33943 - 2017
鋼結構高強度錨固用平墊圈
Plain Washers for High Strength Anchoring of Steel Structures
11 預載荷高強度栓接結構連接副 第5部分:平墊圈 [國标]
GB /T 32076.5 - 2015
預載荷高強度栓接結構連接副 第5部分:平墊圈
High-Strength Structural Bolting Assemblies for Preloading - Part 5: Plain Washers
12 預載荷高強度栓接結構連接副 第6部分:倒角平墊圈 [國标]
GB /T 32076.6 - 2015
預載荷高強度栓接結構連接副 第6部分:倒角平墊圈
High-Strength Structural Bolting Assemblies for Preloading - Part 6: Plain Chamfered Washers
13 預載荷高強度螺栓結構連接副 第7部分 HV型 倒角墊圈 [國标]
GB /T 32076.7 - 2015
預載荷高強度螺栓結構連接副 第7部分 HV型 倒角墊圈
System HV-Washers for High Strength Steel Structural
14 米制淬硬鋼墊圈 [美标]
IFI 542 - 1982
米制淬硬鋼墊圈
Metric Hardened Steel Washers
供應商(1)
15 帶重型夾緊套的螺栓用 平墊圈 [德标]
DIN 7349 - 2009
帶重型夾緊套的螺栓用 平墊圈
Plain Washers for Bolts with Heavy Clamping Sleeves
供應商(18)
16 鋼結構用倒角平墊圈 [德标]
DIN 34820 - 2004
鋼結構用倒角平墊圈
Plain Washers. Chamfered. for Steel Structures
供應商(1)
17 鋼結構用平墊 C級 [德标]
DIN 7989-1 - 2001
鋼結構用平墊 C級
Plain Washers for Steel Structure - Grade C
供應商(8)
18 鋼結構用平墊 A級 [德标]
DIN 7989-2 - 2001
鋼結構用平墊 A級
Plain Washers for Steel Structure - Grade A
供應商(8)
19 圓柱頭螺釘用 A級墊圈,硬度最高250HV [德标]
DIN 433 (-1) - 1990
圓柱頭螺釘用 A級墊圈,硬度最高250HV
Product Grade A, Up To Hardness 250 HV, Primarily for Cheese Head Screws
供應商(7)
20 圓柱頭螺釘用 A級加硬墊圈,硬度300HV以上 [德标]
DIN 433 (-2) - 1990
圓柱頭螺釘用 A級加硬墊圈,硬度300HV以上
Washers: Product Grade A. From Hardness 300 HV, Primarily For Cheese Head Screws
供應商(7)
21 鋼結構高強度螺栓連接用 圓墊圈 [德标]
DIN 6916 - 1989
鋼結構高強度螺栓連接用 圓墊圈
Round Washers for High-Tensile Structural Bolting
供應商(13)
22 帶重型夾緊套的螺栓用 平墊圈 [德标]
DIN 7349 - 1974
帶重型夾緊套的螺栓用 平墊圈
Plain Washers for Bolts with Heavy Clamping Sleeves
供應商(18)
23 鋼結構用平墊 [德标]
DIN 7989 - 1974
鋼結構用平墊
Plain Washers for Steel Structure
供應商(8)
24 淬硬和回火的倒角平墊圈 用于高強度結構栓接 [國際]
ISO 7416 - 1984
淬硬和回火的倒角平墊圈 用于高強度結構栓接
Plain Washers, Chamfered, Hardened and Tempered for High-Strength Structural Bolting
供應商(2)
25 高強度栓接結構用平墊圈  淬火并回火 [國際]
ISO 7415 - 1984
高強度栓接結構用平墊圈 淬火并回火
Plain Washers for High-Strength Structural Bolting, Hardened and Tempered
26 高強度連接用墊圈 [日标]
JIS B 1186 - 2013
高強度連接用墊圈
High Strength Washer for Friction Grip Joints
供應商(4)
27 高強度連接用墊圈 [日标]
JIS B 1186 - 1995
高強度連接用墊圈
High Strength Washer for Friction Grip Joints
供應商(4)
28 高強度螺栓專用墊圈 [機械行業]
JB /ZQ 4080 - 2006
高強度螺栓專用墊圈
Washers for High Strength Bolts
供應商(4)
29 預負載用高強度結構螺栓連接副,第9部分:HR或HV系統 - 螺栓和螺母組件用 載荷指示墊圈 [歐标]
EN 14399-9 (DTI) - 2018
預負載用高強度結構螺栓連接副,第9部分:HR或HV系統 - 螺栓和螺母組件用 載荷指示墊圈
High-Strength Structural Bolting Assemblies for Preloading - Part 9: System HR or HV - Direct Tension Indicators for Bolt and Nut assemblies
供應商(1)
30 預負載用高強度結構螺栓連接副,第5部分:平墊圈 [歐标]
EN 14399-5 (Washer) - 2005
預負載用高強度結構螺栓連接副,第5部分:平墊圈
High-Strength Structural Bolting Assemblies for Preloading - Part 5: Plain Washers
供應商(2)
31 預負載用高強度結構螺栓連接副,第6部分:倒角墊圈 [歐标]
EN 14399-6 (Chamfered Washer) - 2005
預負載用高強度結構螺栓連接副,第6部分:倒角墊圈
High-Strength Structural Bolting Assemblies for Preloading - Part 6: Plain Chamfered Washers
供應商(5)
32 預負載用高強度結構螺栓連接副,第9部分:HR或HV系統 - 螺母面墊圈(HN) [歐标]
EN 14399-9 (HN) - 2018
預負載用高強度結構螺栓連接副,第9部分:HR或HV系統 - 螺母面墊圈(HN)
High-Strength Structural Bolting Assemblies for Preloading - Part 9: System HR or HV - Nut Face Washers (HN)
33 預負載用高強度結構螺栓連接副,第9部分:HR或HV系統 - 螺栓面墊圈(HB) [歐标]
EN 14399-9 (HB washer) - 2018
預負載用高強度結構螺栓連接副,第9部分:HR或HV系統 - 螺栓面墊圈(HB)
High-Strength Structural Bolting Assemblies for Preloading - Part 9: System HR or HV - Bolt Face Washers (HB)
34 預負載用高強度結構螺栓連接副,第9部分:HR或HV系統 - 螺栓面墊圈(HB) [歐标]
EN 14399-9 (HB washer) - 2009
預負載用高強度結構螺栓連接副,第9部分:HR或HV系統 - 螺栓面墊圈(HB)
High-strength Structural Bolting Assemblies for Preloading - Part 9: System HR or HV — Bolt Face Washers (HB)
35 預負載用高強度結構螺栓連接副,第9部分:HR或HV系統 - 螺母面墊圈(HN) [歐标]
EN 14399-9 (HN washer) - 2009
預負載用高強度結構螺栓連接副,第9部分:HR或HV系統 - 螺母面墊圈(HN)
High-strength Structural Bolting Assemblies for Preloading - Part 9: System HR or HV — Nut Face Washers (HN)
36 C級高強度螺栓用平墊 [意大利]
UNI 5714 - 1975
C級高強度螺栓用平墊
Flat Washer for High Strength Bolts - Grade C
37 壓緊墊圈指示器(DTI墊圈) [英标]
BS 7644-1 - 1993
壓緊墊圈指示器(DTI墊圈)
Direct Tension Indicators - Compressible Washers
供應商(1)
38 高強度平墊 Table 10 [英标]
BS 4395-1 - 1969
高強度平墊 Table 10
High Strength Plain Washers
供應商(1)
39 螺母面墊圈 [英标]
BS 7644-2 - 1993
螺母面墊圈
Direct Tension Indicators - Nut Face Washers
40 螺栓面墊圈 [英标]
BS 7644-2 - 1993
螺栓面墊圈
Direct Tension Indicators - Bolt Face Washers
41 英制淬硬鋼墊圈 [圓墊圈、圓形削剪墊圈、特厚墊圈] [美标]
ASTM F 436 - 2024
英制淬硬鋼墊圈 [圓墊圈、圓形削剪墊圈、特厚墊圈]
Hardened Circular, Clipped Circular, and Extra, Inch Washers
供應商(10)
42 米制淬硬鋼墊圈 [圓墊圈、圓形削剪墊圈] [美标]
ASTM F 436M - 2024
米制淬硬鋼墊圈 [圓墊圈、圓形削剪墊圈]
Metric Hardened Steel Washers
供應商(8)
43 英制淬硬鋼墊圈 [圓墊圈、圓形削剪墊圈、特厚墊圈] [美标]
ASTM F 436 - 2019
英制淬硬鋼墊圈 [圓墊圈、圓形削剪墊圈、特厚墊圈]
Hardened Circular, Clipped Circular, and Extra, Inch Washers
供應商(10)
44 米制淬硬鋼墊圈 [圓墊圈、圓形削剪墊圈] [美标]
ASTM F 436M - 2019
米制淬硬鋼墊圈 [圓墊圈、圓形削剪墊圈]
Metric Hardened Steel Washers
供應商(8)
45 英制栓接結構用壓緊墊圈型壓力指示器 [DTI 墊圈] [美标]
ASTM F 959 - 2017 (a)
英制栓接結構用壓緊墊圈型壓力指示器 [DTI 墊圈]
Compressible-Washer-Type Diredt Tension Indicators for Use with Structual Fasteners,Inch Series
供應商(1)
46 米制栓接結構用壓緊墊圈型壓力指示器 [DTI 墊圈] [美标]
ASTM F 959M - 2017 (a)
米制栓接結構用壓緊墊圈型壓力指示器 [DTI 墊圈]
Compressible-Washer-Type Diredt Tension Indicators for Use with Structual Fasteners,Metric Series
供應商(1)
47 淬硬鋼墊圈 [圓墊圈、圓形削剪墊圈、特厚墊圈] [美标]
ASTM F 436 - 2011
淬硬鋼墊圈 [圓墊圈、圓形削剪墊圈、特厚墊圈]
Hardened Circular, Clipped Circular, and Extra-thick Washers
供應商(10)
48 米制淬硬鋼墊圈 [圓墊圈、圓形削剪墊圈] [美标]
ASTM F 436M - 2010
米制淬硬鋼墊圈 [圓墊圈、圓形削剪墊圈]
Metric Hardened Steel Washers
供應商(8)
49 栓接結構用壓緊墊圈型壓力指示器 [DTI 墊圈] [美标]
ASTM F 959 - 2005 (a)
栓接結構用壓緊墊圈型壓力指示器 [DTI 墊圈]
Compressible-washer-type Diredt Tension Indicators for Use with Structual Fasteners
供應商(1)
50 淬硬鋼墊圈 [圓墊圈、圓形削剪墊圈] [美标]
ASTM F 436 - 1993 (R2000)
淬硬鋼墊圈 [圓墊圈、圓形削剪墊圈]
Circular and Clipped Circular Washers - Hardened Steel Washers
供應商(10)
51 淬硬鋼墊圈 [圓墊圈、圓形削剪墊圈]-[公制] [美标]
ASTM F 436 (M) - 1993
淬硬鋼墊圈 [圓墊圈、圓形削剪墊圈]-[公制]
Hardened Steel Washers
供應商(8)
52 高強度平墊 [澳标]
AS /NZS 1252.1 - 2016
高強度平墊
Flat Round Washers for High-Strength Structure Bolting
供應商(7)
53 米制高強度平墊 [澳标]
AS /NZS 1252 - 1996
米制高強度平墊
Flat Round Washers for High-Strength Structure Bolting
供應商(7)
54 塔式建築用熱鍍鋅平墊圈 [澳标]
AS 1559 - 2018
塔式建築用熱鍍鋅平墊圈
ISO Metric Hot-Dip Galvanized Washers for Tower Construction
55 塔式建築用熱鍍鋅平墊圈 [澳标]
AS /NZS 1559 - 1997
塔式建築用熱鍍鋅平墊圈
ISO Metric Hot-dip Galvanized Washers for Tower Construction
56 摩擦結合用高強度墊圈 [台灣]
CNS 11328 - 1985
摩擦結合用高強度墊圈
High Strength Friction Grip Washers
57 木結構用墊圈 [台灣]
CNS 5113 - 1980
木結構用墊圈
Washers for Timber Constructions
58 預力鋼用平墊圈 [台灣]
CNS 5015 - 1979
預力鋼用平墊圈
Washers for High-Tensile Prestressed Structural Bolting
59 硬化平墊圈 [台灣]
CNS 4649 - 1978
硬化平墊圈
Hardened Plain Washers
60 高強度鋼結構栓連接用平墊圈 淬火與回火熱處理 [俄标]
GOST R 52646 - 2006
高強度鋼結構栓連接用平墊圈 淬火與回火熱處理
Plain Washers for High-Strength Structural Bolting, Hardened and Tempered
61 結構用高壓平墊圈 [韓标]
KS B 2819 - 2025
結構用高壓平墊圈
High Tension Plain Washer for Structural Joints
62 建築機械與設備 高強度平墊圈 [建築]
JG /T 5057.31 - 1995
建築機械與設備 高強度平墊圈
Construction Machinery and Equipment - High Strength Plain Washers - Normal Series
63 建築機械與設備 高強度小平墊圈 [建築]
JG /T 5057.32 - 1995
建築機械與設備 高強度小平墊圈
Construction Machinery and Equipment - High Strength Plain Washers - Small Series
64 建築機械與設備 高強度大平墊圈 [建築]
JG /T 5057.33 - 1995
建築機械與設備 高強度大平墊圈
Construction Machinery and Equipment - High Strength Plain Washers - Large Series
65 預負載用高強度結構螺栓連接組件,第6部分:平面倒角墊圈 [德标]
DIN EN 14399-6 (Chamfered washer) - 2015
預負載用高強度結構螺栓連接組件,第6部分:平面倒角墊圈
High-Strength Structural Bolting Assemblies for Preloading - Part 6: Plain Chamfered Washers
供應商(13)
66 圓形和圓形削剪型淬硬鋼墊圈 [Table 4]  (ASTM F436 / F436M) [美标]
ASME B 18.2.6 - 2019
圓形和圓形削剪型淬硬鋼墊圈 [Table 4] (ASTM F436 / F436M)
Hardened Steel Circular and Circular Clipped Washers (ASTM F436 / F436M)
供應商(2)
67 壓緊墊圈指示器(DTI墊圈)(ASTM F959/F959M) [美标]
ASME B 18.2.6 - 2019
壓緊墊圈指示器(DTI墊圈)(ASTM F959/F959M)
Compressible Washer-Type Direct Tension Indicators (ASTM F959/F959M)
供應商(1)
68 米制壓緊墊圈指示器(DTI墊圈)[Table 5] (ASTM F959M) [美标]
ASME B 18.2.6M - 2012
米制壓緊墊圈指示器(DTI墊圈)[Table 5] (ASTM F959M)
Metric Compressible Washer-Type Direct Tension Indicators (ASTM F959M)
供應商(1)
69 圓形和圓形削剪型淬硬鋼墊圈 [Table 4] (ASTM F436) [美标]
ASME B 18.2.6 - 2010
圓形和圓形削剪型淬硬鋼墊圈 [Table 4] (ASTM F436)
Hardened Steel Circular and Circular Clipped Washers (ASTM F436)
供應商(2)
70 壓緊墊圈指示器(DTI墊圈)[Table 6] (ASTM F959/F959M) [美标]
ASME B 18.2.6 - 2010
壓緊墊圈指示器(DTI墊圈)[Table 6] (ASTM F959/F959M)
Compressible Washer-Type Direct Tension Indicators (ASTM F959/F959M)
供應商(1)
71 淬硬鋼墊圈 (ASTM F436) [美标]
ASME B 18.2.6 - 2006
淬硬鋼墊圈 (ASTM F436)
Hardened Steel Circular and Cirular Clipped Washers (ASTM F436)
供應商(2)
72 結構連接用高強平墊圈 [日标]
JSS II 09 (-3) - 1996
結構連接用高強平墊圈
High-strength Flat Washer for Structural Connection
73 風電機組塔架用高強度螺栓連接副——墊圈 [能源行業标準]
NB /T 31082 - 2016
風電機組塔架用高強度螺栓連接副——墊圈
High-strength Bolting Assemblies for Tower on Wind Turbine - Washer
供應商(1)
74 熱鍍鋅緊固件 - DIN 6914, DIN 6915, DIN 6916 墊圈(M39~M64) [德國鋼結構委員會]
DASt 021 - 2006
熱鍍鋅緊固件 - DIN 6914, DIN 6915, DIN 6916 墊圈(M39~M64)
Washer Connections Made of Hot-Dip Galvanized Sets M39 to M64 Accordingly DIN 6914, DIN 6915, DIN 6916
© 易緊通 服務熱線:4006-164580(免長途費)