index
logo

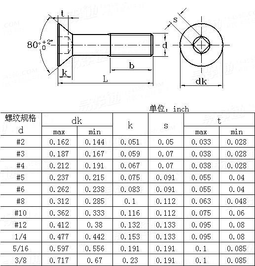
80°四方槽沉頭螺釘 [Table 2] ASME/ANSI B 18.6.3 - 2010

查看供應商
ASME/ANSI B 18.6.3 - 2010 80°四方槽沉頭螺釘 [Table 2]
美标ASME/ANSI B18.6.3 - 2010 ASME/ANSI18.6 80°四方槽沉頭螺釘 [Table 2]
米/英制螺紋對照
二維碼
掃一掃
移動端使用
或分享給好友
替代列表
注:技術數據僅供參考,請以官方原件為準!
告訴我在“易緊通”看到,将給您優惠
聯系人:胡小姐 點擊這裏給我發消息478963405   移動電話: 18668833133     電話:0574-62828345
材料:302HQ, 304 (A2-70), 316C (A4-70, A4-80), 410, 430,表面處理:本身,公稱直徑:M2.5~M8, #4-1/4,公稱長度:5~100mm
類似标準及供貨信息
1 米制四方槽沉頭螺釘Table5 [美标]
ASME/ANSI B 18.6.7M - 1998
米制四方槽沉頭螺釘Table5
Metric Square Slot Countersunk Head Screws
供應商(1)
2 四方槽沉頭螺釘 (ASTM F837/F468) [TABLE 2.2.1-2 III] [美标]
ASME B 18.6.3 (H1B-III) - 2024
四方槽沉頭螺釘 (ASTM F837/F468) [TABLE 2.2.1-2 III]
Square Recessed Countersunk Head Screws (ASTM F837/F468) [TABLE 2.2.1-2 III]
供應商(1)
3 四方槽沉頭螺釘 [Table 2] (ASTM F837, F468) [美标]
ASME B 18.6.3 (T2-III) - 2013
四方槽沉頭螺釘 [Table 2] (ASTM F837, F468)
Square Recessed Countersunk Head Screws [Table 2] (ASTM F837, F468)
供應商(1)
4 方槽82°沉頭清根機械螺釘 [TABLE 2.2.3-2 III] [美标]
ASME B 18.6.3 (H3B-III) - 2024
方槽82°沉頭清根機械螺釘 [TABLE 2.2.3-2 III]
Undercut 82-deg Square Recessed Countersunk Head Screws, Type III [TABLE 2.2.3-2 III]
5 方槽82°沉頭清根機械螺釘 [美标]
ASME B 18.6.3 (T10-III) - 2013
方槽82°沉頭清根機械螺釘
Undercut 82-deg Square Recessed Countersunk Head Screws, Type III
标準編号: ASME/ANSI B 18.6.3 - 2010
中文名稱: 80°四方槽沉頭螺釘 [Table 2]
英文名稱: 80° Square Recessed Countersunk Head Screws
數據來源: 易緊通 (164580.com)
Standard Code: ASME/ANSI B 18.6.3 - 2010Chinese Name: 80°四方槽沉頭螺釘 [Table 2]English Name: 80° Square Recessed Countersunk Head ScrewsSource: https://www.164580.com/info_66555.html
Data Source: YJT Fastener Database (164580.com)
Standard: ASME/ANSI B 18.6.3 - 2010
URL: https://www.164580.com/info_66555.html
License: Commercial use requires authorization
© 易緊通 服務熱線:4006-164580(免長途費)