index
logo

T形槽用螺母 JIS B 1167 - 2011

查看供應商

選擇規格尺寸 點擊↓

M4

M5

M6

M8

M10

M12

M16

M20

M24

M30

M36

M42

M48


尺寸單位: mm
日标JIS B1167 - 2011 JIS1167 1167JIS T形槽用螺母
JIS B 1167 - 2011 T形槽用螺母
掃一掃分享
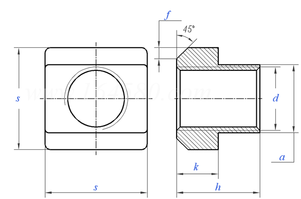
公稱直徑
d
M4 M5 M6 M8 M10 M12 M16 M20 M24 M30 M36 M42 M48
P 螺距
a 公稱
最大值
最小值
s 公稱
最大值
最小值
k 公稱
最大值
最小值
h 公稱
最大值
最小值
f 最大值
0.7 0.5 1 1.25 1.5 1.75 2 2.5 3 3.5 4 4.5 5
5 6 8 10 12 14 18 22 28 36 42 48 54
4.7 5.7 7.7 9.7 11.7 13.7 17.7 21.7 27.7 35.6 41.6 47.6 53.6
4.5 5.5 7.5 9.5 11.4 13.4 17.4 21.4 27.4 35.3 41.3 47.3 53.3
9 10 13 15 18 22 28 34 43 53 64 75 85
9.29 10.29 13.35 15.35 18.35 22.42 28.42 34.5 43.5 53.6 64.6 75.6 85.7
8.71 9.71 12.65 14.65 17.65 21.58 27.58 33.5 42.5 52.4 63.4 74.4 84.3
3 4 6 6 7 8 10 14 18 23 28 32 36
3.2 4.24 6.29 6.29 7.29 8.29 10.29 14.35 18.35 23.42 28.42 32.5 36.5
2.8 3.76 5.71 5.71 6.71 7.71 9.71 13.65 17.65 22.58 27.58 31.5 35.5
6.5 8 10 12 14 16 20 28 36 44 52 60 70
6.79 8.29 10.29 12.35 14.35 16.35 20.42 28.42 36.5 44.5 52.6 60.6 70.6
6.21 7.71 9.71 11.65 13.65 15.65 19.58 27.58 35.5 43.5 51.4 59.4 69.4
1 1.6 1.6 1.6 2.5 2.5 2.5 2.5 4 6 6 6 6
替代列表
注:技術數據僅供參考,請以官方原件為準!
告訴我在“易緊通”看到,将給您優惠
聯系人:張友生 點擊這裏給我發消息1813842373   移動電話: 18964054766     電話:021-33733488/57667275
材質:碳鋼、不鏽鋼等;多種表面處理,規格範圍:M5-M48
類似标準及供貨信息
1 雙耳托闆自鎖螺母 [國标]
GB 930 - 1988
雙耳托闆自鎖螺母
Selt-Locking Nuts, Twolug, Anchor
供應商(2)
2 機床工作台 T形槽和相應螺栓 - T形槽用螺母 [國标]
GB /T 158 - 1996
機床工作台 T形槽和相應螺栓 - T形槽用螺母
Machine Tool Talbes - T-slots and Corresponding Nuts
3 T形槽用螺母 [國标]
GB /T 12868 - 1991
T形槽用螺母
T-Slot Nut
4 T型槽用螺母 [德标]
DIN 508 - 2002
T型槽用螺母
Nuts for T-slots
供應商(2)
5 T型槽用螺母 [德标]
DIN 508 - 1997
T型槽用螺母
Nuts for T-shaped Slot
供應商(2)
6 帶固定旋杆的卡式螺母 [德标]
DIN 6305 - 2002
帶固定旋杆的卡式螺母
Tommy Nuts with Fixed Bar
7 T形槽用螺母 [日标]
JIS B 1167 - 2001
T形槽用螺母
Nuts for T-style Slot
供應商(1)
8 T型螺母 [日标]
JIS B 1167 - 1987
T型螺母
T-head Nuts
供應商(1)
9 T形槽用螺母 [機械行業]
JB /T 8004.11 - 1999
T形槽用螺母
T-slot Nuts
10 壓入式螺紋襯套 [機械行業]
JB /T 8005.1 - 1999
壓入式螺紋襯套
Pressing-in Threaded Bush
11 T型螺母 [美标]
ASME/ANSI B 5.1M (B5JM) - 1985 (R2014)
T型螺母
T-nuts
12 T形槽用螺母 [意大利]
UNI 5531
T形槽用螺母
Nuts for T-Slot
供應商(1)
13 T形旋柄螺母 [台灣]
CNS 4660 - 1984
T形旋柄螺母
Tommy Nuts with Fixed Clamping Bolt
14 三角帶墊螺母 [台灣]
CNS 5405 - 1980
三角帶墊螺母
Triangle Nuts for Non-Sparking & Explosion Gun Tools
15 T形槽用螺母 [台灣]
CNS 4771 - 1979
T形槽用螺母
Nuts for T-Slot
16 四爪螺母 [英制] [标準]
YJT 3002 (DIN 1624)
四爪螺母 [英制]
Tee Nuts with Pronge [Inch]
供應商(1)
17 四爪螺母 [公制] [标準]
YJT 3023 (DIN 1624)
四爪螺母 [公制]
Tee Nuts with Pronge
供應商(1)
18 四點T型焊接螺母 [标準]
YJT 3025
四點T型焊接螺母
T-Shape Weld Nuts
供應商(1)
19 陶瓷雙邊螺母 [标準]
YJT 3014
陶瓷雙邊螺母

20 型材專用 - 彈片螺母 [标準]
YJT AH 3041
型材專用 - 彈片螺母

21 30/40型材用方形滑塊螺母 [标準]
YJT 3042
30/40型材用方形滑塊螺母

22 回轉式T形螺母 [标準]
YJT 3043
回轉式T形螺母
Rotary T-slot Nut
标準編号: JIS B 1167 - 2011
中文名稱: T形槽用螺母
英文名稱: T-Slot Nuts
數據來源: 易緊通 (164580.com)
Standard Code: JIS B 1167 - 2011Chinese Name: T形槽用螺母English Name: T-Slot NutsSource: https://www.164580.com/info_59092.html
Data Source: YJT Fastener Database (164580.com)
Standard: JIS B 1167 - 2011
URL: https://www.164580.com/info_59092.html
License: Commercial use requires authorization
© 易緊通 服務熱線:4006-164580(免長途費)