index
logo

開槽截錐端緊定螺釘 JIS B 1117 (T3) - 2010

選擇規格尺寸 點擊↓

M1.2

M1.6

M2

M2.5

M3

M3.5

M4

M5

M6

M8

M10

M12

括号内尺寸為非優選
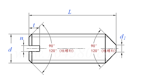
JIS B 1117 (T3) - 2010 開槽截錐端緊定螺釘

尺寸單位: mm
日标JIS B1117 (T3) - 2010 JIS1117 1117JIS 開槽截錐端緊定螺釘
JIS B 1117 (T3) - 2010 開槽截錐端緊定螺釘
掃一掃分享
螺紋尺寸
d
M1.2 M1.6 M2 M2.5 M3 M3.5 M4 M5 M6 M8 M10 M12
P 螺距
n 最小值
最大值
t 最小值
最大值
d1 最大值
0.25 0.35 0.4 0.45 0.5 0.6 0.7 0.8 1 1.25 1.5 1.75
0.26 0.31 0.31 0.46 0.46 0.56 0.66 0.86 1.06 1.26 1.66 2.06
0.4 0.45 0.45 0.6 0.6 0.7 0.8 1 1.2 1.51 1.91 2.31
0.4 0.56 0.64 0.72 0.8 0.96 1.12 1.28 1.6 2 2.4 2.8
0.52 0.74 0.84 0.95 1.05 1.21 1.42 1.63 2 2.5 3 3.6
0.12 0.16 0.2 0.25 0.3 0.35 0.4 0.5 1.5 2 2.5 3
替代列表
注:技術數據僅供參考,請以官方原件為準!
類似标準及供貨信息
1 開槽錐端緊定螺釘 [國标]
GB /T 71 - 2018
開槽錐端緊定螺釘
Slotted Set Screws with Cone Point
供應商(2)
2 開槽錐端緊定螺釘 [國标]
GB 71 - 1985
開槽錐端緊定螺釘
Slotted Set Screws with Cone Point
供應商(2)
3 開槽錐台端定位螺釘 [國标]
GB /T 72 - 1988
開槽錐台端定位螺釘
Slotted Set Screws with Cone Point
4 開槽錐端緊定螺釘 [德标]
DIN 553 - 1986
開槽錐端緊定螺釘
Slotted Set Screws with Cone Point
供應商(1)
5 開槽錐端緊定螺釘 [國際]
ISO 7434 - 2024
開槽錐端緊定螺釘
Slotted Set Screws with Cone Point
6 開槽錐端緊定螺釘 [國際]
ISO 7434 - 1983
開槽錐端緊定螺釘
Slotted Set Screws with Cone Point
7 開槽截錐端緊定螺釘 [日标]
JIS B 1117 (T2) - 1995
開槽截錐端緊定螺釘
Slotted Screws with Truncated Cone Point
8 開槽錐端緊定螺釘 [汽标代号]
Q 280
開槽錐端緊定螺釘
Slotted Set Screws with Cone Point
9 開槽錐端緊定螺釘 [Table 5] (A307, SAE J429, F468, F593) [美标]
ASME/ANSI B 18.6.2 (T5 cone) - 1998 (R2010)
開槽錐端緊定螺釘 [Table 5] (A307, SAE J429, F468, F593)
Slotted Set Screws with Cone Point [Table 5] (A307, SAE J429, F468, F593)
10 開槽錐端緊定螺釘 [歐标]
EN 27434 - 1992
開槽錐端緊定螺釘
Slotted Set Screws with Cone Point
11 開槽錐端定位螺釘 [法國]
NF E 25-161 - 1992 (R2002)
開槽錐端定位螺釘
Slotted Set Screws with Cone Point
12 開槽錐端緊定螺釘 [台灣]
CNS 4477 - 1981
開槽錐端緊定螺釘
Slotted Set Screws with Cone Point
13 開槽錐端緊定螺釘 A級及B級 [俄标]
GOST 1476 - 1993
開槽錐端緊定螺釘 A級及B級
Flat-point Straight Slotted Set Screws. Product Grades А and В
14 開槽錐端緊定螺釘 [德标]
DIN EN 27434 - 1992
開槽錐端緊定螺釘
Slotted Set Screws with Cone Point
供應商(1)
15 開槽錐端緊定螺釘 (A307, SAE J429, F468, F593) [美标]
ASME B 18.6.2 (T3-Cone) - 2020
開槽錐端緊定螺釘 (A307, SAE J429, F468, F593)
Slotted Set Screws with Cone Point (A307, SAE J429, F468, F593)
16 開槽錐端緊定螺釘 [航天]
QJ 2374 - 1992
開槽錐端緊定螺釘
Slotted Set Screws with Cone Point
© 易緊通 服務熱線:4006-164580(免長途費)