index
logo

圓頭帶榫螺栓 ISO公制粗牙螺紋 C級 UNI 5730 - 1965

選擇規格尺寸 點擊↓

M5

M6

M8

M10

M12

M14

M16

M18

M20

M22

M24


尺寸單位: mm
意大利UNI 5730 - 1965 UNI5730 5730UNI 圓頭帶榫螺栓 ISO公制粗牙螺紋 C級
UNI  5730 - 1965 圓頭帶榫螺栓 ISO公制粗牙螺紋 C級
掃一掃分享
千件重及價格計算 千件重 : kg x 元/kg = 元/千件
默認密度 g/cm3
公稱長度L 注:選擇後獲得 相應重量
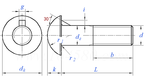
螺紋尺寸
d
M5 M6 M8 M10 M12 M14 M16 M18 M20 M22 M24
ds 公稱
最大值
最小值
b +2P, 0 L≤125
125<L≤200
dk 公稱
最大值
最小值
r1
k 公稱
最大值
最小值
g 最大值=公稱
最小值
i 最小值
r2
5 6 8 10 12 14 16 18 20 22 24
5.24 6.24 8.29 10.29 12.35 14.35 16.35 18.35 20.42 22.42 24.42
4.76 5.76 7.71 9.71 11.65 13.65 15.65 17.65 19.58 21.58 23.58
16 18 22 26 30 34 38 42 46 50 54
/ / / / 36 40 44 48 52 56 60
9 11 15 18 21 23 26 30 33 35 40
9.45 11.55 15.55 18.55 21.65 23.65 26.65 30.65 33.8 35.8 40.8
8.55 10.45 14.45 17.45 20.35 22.35 25.35 29.35 32.2 34.2 39.2
5 6 8 9.5 11 12 13.5 15.5 17.5 18.5 21
3.5 4 6 7 8.5 9 10.5 12 13 14 16
3.875 4.375 6.375 7.45 8.95 9.45 11.05 12.55 13.55 14.55 16.55
3.125 3.625 5.625 6.55 8.05 8.55 9.95 11.45 12.45 13.45 15.45
1.5 2 2.5 3 3 3.5 4 4 4.5 5 5.5
0.9 1.4 1.9 2.4 2.4 2.75 3.25 3.25 3.75 4.25 4.75
1.3 1.8 2.3 2.7 2.7 3.3 3.5 3.8 4.2 4.8 5.2
0.5 0.5 0.5 0.5 1 1 1 1 1 1 1.6
千件鋼制重≈kg
- - - - - - - - - - -
注:技術數據僅供參考,請以官方原件為準!
類似标準及供貨信息
1 圓頭帶榫螺栓 [國标]
GB /T 13 - 2013
圓頭帶榫螺栓
Cup Head Nib Bolts
供應商(1)
2 半圓頭帶榫螺栓 [國标]
GB /T 13 - 1988
半圓頭帶榫螺栓
Cup Head Nib Bolts
供應商(1)
3 半圓頭帶榫螺栓 [國标]
GB 13 - 1976
半圓頭帶榫螺栓
Cup Head Nib Bolts
供應商(1)
4 扁圓頭帶榫螺栓 [國标]
GB /T 15 - 2013
扁圓頭帶榫螺栓
Mushroom Head Nib Bolts
5 大半圓頭帶榫螺栓 [國标]
GB /T 15 - 1988
大半圓頭帶榫螺栓
Cup Head Nib Bolts with Large Head
6 大半圓頭帶榫螺栓 [國标]
GB 15 - 1976
大半圓頭帶榫螺栓
Cup Head Nib Bolts with Large Head
7 圓頭帶榫螺栓 [德标]
DIN 607 - 2010
圓頭帶榫螺栓
Cup Head Nib Bolts
供應商(1)
8 圓頭帶榫螺栓 [德标]
DIN 607 - 1981
圓頭帶榫螺栓
Round Head Nib Bolts
供應商(1)
9 英制圓頭帶榫螺栓 [Table 5]  (A307, SAE J429, F468, F593) [美标]
ASME/ANSI B 18.5 (T5) - 2012
英制圓頭帶榫螺栓 [Table 5] (A307, SAE J429, F468, F593)
Round Head Fin Neck Bolts,(Inch Series) [Table 5] (A307, SAE J429, F468, F593)
10 圓頭雙榫螺栓Table5 [美标]
ASME/ANSI B 18.5 (T5) - 2008
圓頭雙榫螺栓Table5
Round Head Double Nib Bolts
11 圓頭螺栓 [法國]
NF E 27-313 - 1959
圓頭螺栓
Round Head Bolts
12 米制圓頭帶榫螺栓 [英标]
BS 4933 - 1973
米制圓頭帶榫螺栓
Metric Cup Head Nibbed Bolts
13 粗制圓頭帶榫螺栓Table3 [英标]
BS 325 - 1947
粗制圓頭帶榫螺栓Table3
Black Cup Nibbed Bolts for Iron and Steel Work
14 米制圓頭帶榫螺栓 [澳标]
AS /NZS 1390 - 1997 (R2016)
米制圓頭帶榫螺栓
ISO Metric Cup Nibbed Head Bolts
15 圓頭帶榫螺栓 [台灣]
CNS 4696 - 1983
圓頭帶榫螺栓
Round Head Nip Bolts
16 英制圓頭帶榫螺栓 [Table 5] (A307, SAE J429, F468, F593) [美标]
ASME B 18.5 (T5) - 2012 (2017)
英制圓頭帶榫螺栓 [Table 5] (A307, SAE J429, F468, F593)
Round Head Fin Neck Bolts, (Inch Series) [Table 5] (A307, SAE J429, F468, F593)
标準編号 / Standard Code: UNI 5730 - 1965
中文名稱 / Chinese Name: 圓頭帶榫螺栓 ISO公制粗牙螺紋 C級
英文名稱 / English Name: Round Nib Head Bolts - ISO Metric Coarse Thread - Finish C
數據來源 / Data Source: 易緊通 YJT Fastener Database(164580.com)
中文頁面 / Chinese Page: 查看中文頁面
English Page: View English Page
Data Source: YJT Fastener Database (164580.com)
Standard: UNI 5730 - 1965
Chinese Name: 圓頭帶榫螺栓 ISO公制粗牙螺紋 C級
English Name: Round Nib Head Bolts - ISO Metric Coarse Thread - Finish C
Chinese URL: Chinese Source Page
English URL: English Source Page
License: Commercial reuse, redistribution, or AI training usage requires authorization.
© 易緊通 服務熱線:4006-164580(免長途費)