index
logo

米制帶孔圓柱銷 B型 ASME B 18.8.200M (B18.8.7M - Type B) - 2000

選擇規格尺寸 點擊↓

Φ3

Φ4

Φ5

Φ6

Φ8

Φ10

Φ12

Φ14

Φ16

Φ18

Φ20

Φ22

Φ24

Φ27

Φ30

Φ33

Φ36

Φ40

Φ45

Φ50

Φ55

Φ60

Φ70

Φ80

Φ90

Φ100


尺寸單位: mm
美标ASME B18.8.200M (B18.8.7M - Type B) -  米制帶孔圓柱銷 B型
ASME B 18.8.200M (B18.8.7M - Type B) - 2000 米制帶孔圓柱銷 B型
掃一掃分享
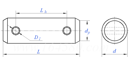
公稱長度L
公稱直徑
d
Φ3 Φ4 Φ5 Φ6 Φ8 Φ10 Φ12 Φ14 Φ16 Φ18 Φ20 Φ22 Φ24
d 最大值
最小值
dp 最大值
最小值
D1 公稱
最大值
最小值
3 4 5 6 8 10 12 14 16 18 20 22 24
2.94 3.925 4.925 5.925 7.91 9.91 11.9 13.9 15.9 17.9 19.87 21.87 23.87
2.2 3.2 3.3 4.3 6.3 8.3 9.5 11.5 13.5 15.5 16.6 18.6 20.6
1.8 2.8 2.7 3.7 5.7 7.7 8.5 10.5 12.5 14.5 15.4 17.4 19.4
0.8 1 1.2 1.6 2 3.2 3.2 4 4 5 5 5 6.3
0.94 1.14 1.34 1.74 2.14 3.38 3.38 4.18 4.18 5.18 5.18 5.18 6.52
0.8 1 1.2 1.6 2 3.2 3.2 4 4 5 5 5 6.3
Lh
- - - - - - - - - - - - -
公稱直徑
d
Φ27 Φ30 Φ33 Φ36 Φ40 Φ45 Φ50 Φ55 Φ60 Φ70 Φ80 Φ90 Φ100
d 最大值
最小值
dp 最大值
最小值
D1 公稱
最大值
最小值
27 30 33 36 40 45 50 55 60 70 80 90 100
26.87 29.87 32.84 35.84 39.84 44.84 49.84 54.81 59.81 69.81 79.81 89.78 99.78
23.6 26.6 29.6 32.6 36.6 41.6 46.6 50 55 65 75 85 95
22.4 25.4 28.4 31.4 35.4 40.4 45.4 48 53 63 73 83 93
6.3 8 8 8 8 10 10 10 10 13 13 13 13
6.52 8.22 8.22 8.22 8.22 10.22 10.22 10.22 10.22 13.27 13.27 13.27 13.27
6.3 8 8 8 8 10 10 10 10 13 13 13 13
Lh
- - - - - - - - - - - - -
替代列表
注:技術數據僅供參考,請以官方原件為準!
類似标準及供貨信息
1 無頭銷軸(無孔)A型 [國标]
GB /T 880 (A) - 2008
無頭銷軸(無孔)A型
Clevis Pins without Head - Type A
供應商(1)
2 不淬硬鋼和奧氏體不鏽鋼圓柱銷 [國标]
GB /T 119.1 - 2000
不淬硬鋼和奧氏體不鏽鋼圓柱銷
Parallel Pins, of Unhardened Steel and Austenitic Stainless Steel
供應商(15)
3 淬硬鋼和馬氏體不鏽鋼 圓柱銷 [國标]
GB /T 119.2 - 2000
淬硬鋼和馬氏體不鏽鋼 圓柱銷
Parallel Pins,of Hardened Steel and Martensitic Stainless Steel (Dowel Pins)
供應商(9)
4 圓柱銷 [國标]
GB 119 - 1986
圓柱銷
Parallel Pins
供應商(15)
5 圓柱銷 [德标]
DIN 7 - 1981
圓柱銷
Parallel Pins
供應商(4)
6 圓柱銷 [德标]
DIN 6325 - 1971
圓柱銷
Parallel Pins
供應商(10)
7 木結構用圓柱銷 [德标]
DIN 1052 - 2008
木結構用圓柱銷
Parallel Pins For Wood Structure
8 木結構用圓柱銷 [德标]
DIN 1052 - 2004
木結構用圓柱銷
Parallel Pins for Wood Structure
9 不淬硬圓柱銷 [國際]
ISO 2338 - 1997
不淬硬圓柱銷
Parallel Pins, of Unhardened Steel and Austenitic Stainless Steel
供應商(3)
10 淬硬鋼和馬氏體不鏽鋼圓柱銷 [國際]
ISO 8734 - 1997
淬硬鋼和馬氏體不鏽鋼圓柱銷
Parallel Pins, of Hardened Steel and Martensitic Stainless Steel (Dowel Pins)
供應商(7)
11 淬硬鋼和馬氏體不鏽鋼圓柱銷 [國際]
ISO 8734 - 1987
淬硬鋼和馬氏體不鏽鋼圓柱銷
Parallel Pins, Hardened Steel and Martensitic Stainless Steel (Dowel Pins)
供應商(7)
12 不淬硬圓柱銷 [國際]
ISO 2338 - 1986
不淬硬圓柱銷
Parallel Pins, Unhardened
供應商(3)
13 圓柱銷 [日标]
JIS B 1354 - 2012
圓柱銷
Parallel Pins
14 圓柱銷(淬火,加硬) [日标]
JIS B 1355 - 2012
圓柱銷(淬火,加硬)
Dowel Pins (Parallel Pins, Hardened)
15 淬硬鋼圓柱銷 [日标]
JIS B 1355 - 1990
淬硬鋼圓柱銷
Parallel Pins, Hardened
16 圓柱銷 [日标]
JIS B 1354 - 1988
圓柱銷
Parallel Pins
17 圓柱銷(公差m6) [汽标代号]
Q 521
圓柱銷(公差m6)
Parallel Pins
18 圓柱銷(公差h8) [汽标代号]
Q 522
圓柱銷(公差h8)
Parallel Pins, Tolerance h8
19 圓柱銷(C型-d 公差h11) [汽标代号]
Q 523
圓柱銷(C型-d 公差h11)
Parallel Pins, Type C, Tolerance h11
20 滾花圓柱銷 [汽标代号]
Q 524
滾花圓柱銷
Knurled Parallel Pins
21 米制 淬硬切削圓柱銷 [美标]
ASME/ANSI B 18.8.100M (B18.8.5M) - 2000 (R2005)
米制 淬硬切削圓柱銷
Metric Hardened Ground Machine Dowel Pins
22 米制 淬硬切削圓柱銷 [美标]
ASME/ANSI B 18.8.5M - 1994
米制 淬硬切削圓柱銷
Metric Hardened Ground Machine Dowel Pins
23 米制圓柱銷 A型 [美标]
ASME/ANSI B 18.8.7M - 1994
米制圓柱銷 A型
Metric Parallel Pin A Type
24 圓柱銷,不淬硬 [歐标]
EN 22338 - 1992
圓柱銷,不淬硬
Parallel Pins, Unhardened
25 淬硬鋼圓柱銷(定位銷) [歐标]
EN 28734 - 1992
淬硬鋼圓柱銷(定位銷)
Parallel Pins, Hardened (Dowel Pins)
26 圓柱銷(d h8) [意大利]
UNI 1707 (d-h8)
圓柱銷(d h8)
Parallel Pins - d h8
27 圓柱銷(d h11) [意大利]
UNI 1707 (d h1)
圓柱銷(d h11)
Parallel Pins - d h11
28 圓柱銷 [意大利]
UNI 6364
圓柱銷
Cylindrical Pins
29 圓柱銷 [法國]
NF E 25-751 - 1997 (R2002)
圓柱銷
Parallel Pins, of Unhardened Steel and Austenitic Stainless Steel
30 淬硬鋼和馬氏體鋼圓柱銷 [法國]
NF E 25-756 - 1997 (R2002)
淬硬鋼和馬氏體鋼圓柱銷
Parallel Pins, of Hardened Steel and Martensitic Stainless Steel (Dowel Pins)
31 淬火的圓柱銷 [俄标]
GOST 24296 - 1993
淬火的圓柱銷
Hardened Cylindrical Pins. Specifications
供應商(1)
32 不淬硬圓柱銷 [俄标]
GOST 3128 - 1987
不淬硬圓柱銷
Parallel Pins, Unhardened
供應商(1)
33 圓柱銷 [俄标]
GOST 9650 (Type 1) - 1980
圓柱銷
Parallel Pins
34 圓柱銷 [韓标]
KS B 1310 - 2000
圓柱銷
Parallel Pins
35 不淬硬圓柱銷 [韓标]
KS B 1320 - 2000
不淬硬圓柱銷
Parallel Pins, Unhardened
36 淬硬鋼和馬氏體不鏽鋼圓柱銷(定位銷) [德标]
DIN EN ISO 8734 - 2019
淬硬鋼和馬氏體不鏽鋼圓柱銷(定位銷)
Parallel Pins, of Hardened Steel and Martensitic Stainless Steel ( Dowel Pins )
供應商(10)
37 圓柱銷(不淬硬鋼和奧氏體不鏽鋼) [德标]
DIN EN ISO 2338 - 1998
圓柱銷(不淬硬鋼和奧氏體不鏽鋼)
Parallel Pins,of Unhardened Steel and Austenitic Stainless Steel
供應商(4)
38 淬硬鋼和馬氏體不鏽鋼圓柱銷(定位銷) [德标]
DIN EN ISO 8734 - 1998
淬硬鋼和馬氏體不鏽鋼圓柱銷(定位銷)
Parallel Pins of Hardened and Martensitic Stainless Steel (Dowel Pins)
供應商(10)
39 滾花圓柱銷 [汽标]
QC /T 364 - 1999
滾花圓柱銷
Knurled Pin
40 圓柱銷 [印标]
IS 2393 - 2010
圓柱銷
Parallel Pins, of Unhardened Steel and Austenitic Stainless Steel
41 倒角和不倒角圓柱銷 [Table 7 -1] [美标]
ASME B 18.8.2 - 2020
倒角和不倒角圓柱銷 [Table 7 -1]
Chamfered and Square End Straight Pins
供應商(1)
42 倒角和不倒角圓柱銷 [Table 5] [美标]
ASME B 18.8.2 - 2000 (R2010)
倒角和不倒角圓柱銷 [Table 5]
Chamfered and Square End Straight Pins
供應商(1)
43 淬硬圓柱銷 [Table 5 -1] [美标]
ASME B 18.8.2 - 2020
淬硬圓柱銷 [Table 5 -1]
Hardened Ground Production Dowel Pins
44 淬硬圓車制圓柱銷 [Table 4-1] [美标]
ASME B 18.8.2 - 2020
淬硬圓車制圓柱銷 [Table 4-1]
Hardened Ground Machine Dowel Pins
45 圓柱銷-無淬硬 [Table 6 -1] [美标]
ASME B 18.8.2 - 2020
圓柱銷-無淬硬 [Table 6 -1]
Unhardened Ground Dowel Pins
46 淬硬圓柱銷 [Table 3] [美标]
ASME B 18.8.2 - 2000 (R2010)
淬硬圓柱銷 [Table 3]
Hardened Ground Production Dowel Pins
47 淬硬圓車制圓柱銷 [Table2] [美标]
ASME B 18.8.2 - 2000 (R2010)
淬硬圓車制圓柱銷 [Table2]
Hardened Ground Machine Dowel Pins [Table2]
48 圓柱銷-無淬硬 [Table 4] [美标]
ASME B 18.8.2 - 2000 (R2010)
圓柱銷-無淬硬 [Table 4]
Unhardened Ground Dowel Pins
49 米制圓柱銷 A型 [美标]
ASME B 18.8.200M (B18.8.7M - Type A) - 2000
米制圓柱銷 A型
Metric Parallel Pin - Type A
标準編号: ASME B 18.8.200M (B18.8.7M - Type B) - 2000
中文名稱: 米制帶孔圓柱銷 B型
英文名稱: Metric Parallel Pins With Split Pin Hole
數據來源: 易緊通 (164580.com)
Standard Code: ASME B 18.8.200M (B18.8.7M - Type B) - 2000Chinese Name: 米制帶孔圓柱銷 B型English Name: Metric Parallel Pins With Split Pin HoleSource: https://www.164580.com/info_428400.html
Data Source: YJT Fastener Database (164580.com)
Standard: ASME B 18.8.200M (B18.8.7M - Type B) - 2000
URL: https://www.164580.com/info_428400.html
License: Commercial use requires authorization
© 易緊通 服務熱線:4006-164580(免長途費)