index
logo

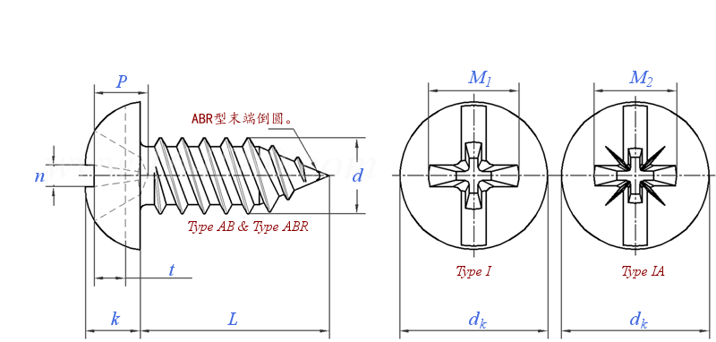
複合十字槽圓頭 AB ABR自攻螺釘 ASME B 18.6.3 (H11C-I/H11C-IA) - 2024

選擇規格尺寸 點擊↓

0#

1#

2#

3#

4#

5#

6#

7#

8#

10#

12#

1/4

5/16

3/8

7/16

1/2


尺寸單位: inch
美标ASME B18.6.3 (H11C-I/H11C-IA) - 2024 A 複合十字槽圓頭 AB ABR自攻螺釘
ASME B 18.6.3 (H11C-I/H11C-IA) - 2024 複合十字槽圓頭 AB ABR自攻螺釘
掃一掃分享
螺紋尺寸
d
0# 1# 2# 3# 4# 5# 6# 7#
d
PP
n 最大值
最小值
t 最大值
最小值
槽号
M1 參考值
M2 參考值
P I型 最大值
最小值
IA型 最大值
最小值
dk 最大值
最小值
k 最大值
最小值
L0 公稱
Y 螺紋過渡長度(全螺紋) 最大值
b 螺紋長度 (長螺釘) 最小值
0.0600 0.0730 0.0860 0.0990 0.1120 0.1250 0.1380 0.1510
48 42 32 28 24 20 20 19
0.023 0.026 0.031 0.035 0.039 0.043 0.048 0.048
0.016 0.019 0.023 0.027 0.031 0.035 0.039 0.039
0.039 0.044 0.048 0.053 0.058 0.063 0.068 0.072
0.029 0.033 0.037 0.040 0.044 0.047 0.051 0.055
0 0 1 1 1 2 2 2
0.066 0.075 0.093 0.102 0.111 0.147 0.155 0.164
/ / 0.092 / 0.110 0.142 0.150 /
0.035 0.045 0.046 0.055 0.065 0.063 0.073 0.081
0.015 0.026 0.027 0.035 0.046 0.035 0.045 0.055
/ / 0.047 / 0.067 0.063 0.071 /
/ / 0.031 / 0.051 0.045 0.053 /
0.113 0.138 0.162 0.187 0.211 0.236 0.260 0.285
0.099 0.122 0.146 0.169 0.193 0.217 0.240 0.264
0.053 0.061 0.069 0.078 0.086 0.095 0.103 0.111
0.043 0.051 0.059 0.067 0.075 0.083 0.091 0.099
7/16 9/16 5/8 3/4 13/16 15/16 1 1-1/8
0.021 0.024 0.031 0.036 0.042 0.050 0.050 0.053
0.360 0.440 0.520 0.590 0.670 0.750 0.830 0.910
螺紋尺寸
d
8# 10# 12# 1/4 5/16 3/8 7/16 1/2
d
PP
n 最大值
最小值
t 最大值
最小值
槽号
M1 參考值
M2 參考值
P I型 最大值
最小值
IA型 最大值
最小值
dk 最大值
最小值
k 最大值
最小值
L0 公稱
Y 螺紋過渡長度(全螺紋) 最大值
b 螺紋長度 (長螺釘) 最小值
0.1640 0.1900 0.2160 0.2500 0.3125 0.3750 0.4375 0.5000
18 16 14 14 12 12 10 10
0.054 0.060 0.067 0.075 0.084 0.094 0.094 0.106
0.045 0.050 0.056 0.064 0.072 0.081 0.081 0.091
0.077 0.087 0.096 0.109 0.132 0.155 0.196 0.211
0.058 0.065 0.073 0.082 0.099 0.117 0.148 0.159
2 2 3 3 3 4 4 4
0.171 0.188 0.242 0.261 0.301 0.380 0.395 0.409
0.164 0.182 0.234 0.255 0.291 0.368 / /
0.090 0.108 0.108 0.130 0.170 0.208 0.221 0.236
0.064 0.082 0.082 0.104 0.144 0.182 0.196 0.211
0.086 0.105 0.103 0.126 0.162 0.195 / /
0.068 0.087 0.085 0.108 0.144 0.177 / /
0.309 0.359 0.408 0.472 0.590 0.708 0.750 0.813
0.287 0.334 0.382 0.443 0.557 0.670 0.707 0.766
0.120 0.137 0.153 0.175 0.216 0.256 0.328 0.355
0.107 0.123 0.139 0.160 0.198 0.237 0.307 0.332
1-1/4 1-3/8 1-5/8 1-13/16 1-13/16 1-7/8 1-7/8 1-7/8
0.056 0.062 0.071 0.071 0.083 0.083 0.100 0.100
0.980 1.140 1.300 1.500 1.500 1.500 1.500 1.500
①,若以小數規定公稱直徑,應省略小數前和小數點後第四位的零。
②,螺釘末端釘尖上不允許因螺紋輾壓而形成的虛尖,允許略帶圓弧或圓鈍形末端。
③,小于等于8#的螺釘,螺紋牙頂平面寬度不應超過0.004in,大于8#的應不超過0.006in。
④,正常情況下,當螺釘長度小于等于其公稱長度L0時應采用全螺紋,過渡螺紋長度應小于等于Y;若螺釘長度大于其公稱長度L0可采用半牙型式,但其螺紋長度應不小于b。
替代列表
注:技術數據僅供參考,請以官方原件為準!
類似标準及供貨信息
1 十字複合槽接骨螺釘 HC螺紋 [Figure 3] [國際]
ISO 9268 (F3) - 1988
十字複合槽接骨螺釘 HC螺紋 [Figure 3]
Metal Bone Screw, with Combined Cruciate-slot and Cross-recessed Drive Connection, Thread Form HC [Figure 3]
2 十一字複合槽接骨螺釘 HD螺紋 [Figure 5] [國際]
ISO 9268 (F5) - 1988
十一字複合槽接骨螺釘 HD螺紋 [Figure 5]
Metal Bone Screw with Cross-recessed Head, Thread Form HD [Figure 5]
3 開槽與米字槽複合槽盤頭自攻釘 [法國]
NF E 25-666 - 1987
開槽與米字槽複合槽盤頭自攻釘
Tapping Screws-Z Cross Recessed and Slotted Pan Head - Symbol CBL ZS
4 I型 複合十字槽盤頭 AB ABR自攻螺釘 [美标]
ASME B 18.6.3 (H5D-I+T1A) - 2024
I型 複合十字槽盤頭 AB ABR自攻螺釘
Combination Slotted-Pan Head Tapping Screws, Type I - Type AB and ABR
5 IA型 複合米字槽盤頭 AB ABR自攻螺釘 [美标]
ASME B 18.6.3 (H5D-IA+T1A) - 2024
IA型 複合米字槽盤頭 AB ABR自攻螺釘
Combination Slotted-Pan Head Tapping Screws, Type IA - Type AB and ABR
6 III型 複合方槽盤頭 AB ABR自攻螺釘 [美标]
ASME B 18.6.3 (H5D-III+T1A) - 2024
III型 複合方槽盤頭 AB ABR自攻螺釘
Combination Slotted-Pan Head Tapping Screws, Type III - Type AB and ABR
7 I型複合槽大扁頭 AB ABR自攻螺釘 [美标]
ASME B 18.6.3 (H7C-I+T1A) - 2024
I型複合槽大扁頭 AB ABR自攻螺釘
Combination Slotted Truss Head Tapping Screws,Type I - Type AB and ABR
8 III型複合槽大扁頭 AB ABR自攻螺釘 [美标]
ASME B 18.6.3 (H7C-III+T1A) - 2024
III型複合槽大扁頭 AB ABR自攻螺釘
Combination Slotted Truss Head Tapping Screws,Type III - Type AB and ABR
9 十字複合槽六角凸緣頭 AB ABR自攻螺釘 [美标]
ASME B 18.6.3 (H10C+T1A) - 2024
十字複合槽六角凸緣頭 AB ABR自攻螺釘
Combination Slotted Type I Indented Hex Washer Head Tapping Screws - Type AB and ABR
10 I型 複合十字槽盤頭 AB ABR自攻螺釘 [美标]
ASME B 18.6.3 (T20-I+T40) - 2013
I型 複合十字槽盤頭 AB ABR自攻螺釘
Combination Slotted-Pan Head Tapping Screws, Type I - Type AB and ABR
11 IA型 複合米字槽盤頭 AB ABR自攻螺釘 [美标]
ASME B 18.6.3 (T20-IA+T40) - 2013
IA型 複合米字槽盤頭 AB ABR自攻螺釘
Combination Slotted-Pan Head Tapping Screws, Type IA - Type AB and ABR
12 III型 複合方槽盤頭 AB ABR自攻螺釘 [美标]
ASME B 18.6.3 (T20-III+T40) - 2013
III型 複合方槽盤頭 AB ABR自攻螺釘
Combination Slotted-Pan Head Tapping Screws, Type III - Type AB and ABR
13 I型複合槽大扁頭 AB ABR自攻螺釘 [美标]
ASME B 18.6.3 (T26-I+T40) - 2013
I型複合槽大扁頭 AB ABR自攻螺釘
Combination Slotted Truss Head Tapping Screws,Type I - Type AB and ABR
14 III型複合槽大扁頭 AB ABR自攻螺釘 [美标]
ASME B 18.6.3 (T26-III+T40) - 2013
III型複合槽大扁頭 AB ABR自攻螺釘
Combination Slotted Truss Head Tapping Screws,Type III - Type AB and ABR
15 十字複合槽六角凸緣頭 AB ABR自攻螺釘 [美标]
ASME B 18.6.3 (T34-I+T40) - 2013
十字複合槽六角凸緣頭 AB ABR自攻螺釘
Combination Slotted Type I Indented Hex Washer Head Tapping Screws - Type AB and ABR
16 複合十字槽圓頭 AB ABR自攻螺釘 [美标]
ASME B 18.6.3 (T37-I/T37-IA+T40) - 2013
複合十字槽圓頭 AB ABR自攻螺釘
Combination Slotted Round Head Tapping Screws - Type AB and ABR
17 十一字槽(複合槽)接骨螺釘 HD螺紋 [Table 9] [醫藥行業标準]
YY 0018 (T9) - 2016
十一字槽(複合槽)接骨螺釘 HD螺紋 [Table 9]
Metal bone Screw with Cross-recessed Head, Thread Form HD [Table 9]
标準編号: ASME B 18.6.3 (H11C-I/H11C-IA) - 2024
中文名稱: 複合十字槽圓頭 AB ABR自攻螺釘
英文名稱: Combination Slotted Round Head Tapping Screws - Type AB and ABR
數據來源: 易緊通 (164580.com)
Standard Code: ASME B 18.6.3 (H11C-I/H11C-IA) - 2024Chinese Name: 複合十字槽圓頭 AB ABR自攻螺釘English Name: Combination Slotted Round Head Tapping Screws - Type AB and ABRSource: https://www.164580.com/info_426802.html
Data Source: YJT Fastener Database (164580.com)
Standard: ASME B 18.6.3 (H11C-I/H11C-IA) - 2024
URL: https://www.164580.com/info_426802.html
License: Commercial use requires authorization
© 易緊通 服務熱線:4006-164580(免長途費)