index
logo

鋼結構用六角頭加強杆螺栓 帶螺母 DIN 7968 - 2017

選擇規格尺寸 點擊↓

M12

M16

M20

M24

M27

M30

DIN  7968 - 2017 鋼結構用六角頭加強杆螺栓 帶螺母

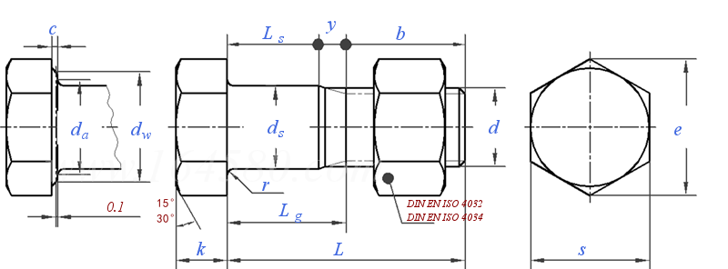
尺寸單位: mm
德标DIN 7968 - 2017 DIN7968 7968DIN 鋼結構用六角頭加強杆螺栓 帶螺母
DIN  7968 - 2017 鋼結構用六角頭加強杆螺栓 帶螺母
掃一掃分享
千件重及價格計算 千件重 : kg x 元/kg = 元/千件
默認密度 g/cm3
公稱長度L 注:選擇後獲得 相應重量
螺紋尺寸
d
M12 M16 M20 M24 M27 M30
P 螺距
b
c 最大值
最小值
da 最大值
ds 公稱
最小值
最大值
dw 最小值
e 最小值
k 公稱
最小值
最大值
r 最小值
s 最大值=公稱
最小值
y 最大值
千件重kg 螺母
1.75 2 2.5 3 3 3.5
20.5 24.5 28.5 33 35.5 38.5
0.6 0.8 0.8 0.8 0.8 0.8
0.3 0.4 0.4 0.4 0.4 0.4
14.7 18.7 24.4 28.4 32.4 35.4
13 17 21 25 28 31
12.74 16.74 20.71 24.71 27.71 30.67
12.85 16.85 20.84 24.84 27.84 30.83
16.4 22 27.7 33.2 38 42.7
19.85 26.17 32.95 39.55 45.2 50.85
8 10 13 15 17 19
7.55 9.25 12.1 14.1 16.1 17.95
8.45 10.75 13.9 15.9 17.9 20.05
0.6 0.6 0.8 0.8 1 1
18 24 30 36 41 46
17.57 23.16 29.16 35 40 45
6.5 7.5 8.5 10 10 11.5
15.3 36.5 69.3 119 170 234
Ls (最小值)
- - - - - -
Lg (最大值)
- - - - - -
千件鋼制重≈kg 螺釘
- - - - - -
①,六角螺母符合 DIN EN ISO 4032 DIN EN ISO 4034 标準。
②,墊圈按DIN 7989-1要求
替代列表
注:技術數據僅供參考,請以官方原件為準!
類似标準及供貨信息
1 六角頭鉸制孔用長螺紋螺栓 [德标]
DIN 609 - 2016
六角頭鉸制孔用長螺紋螺栓
Hexagon Fits Bolts with Long Thread
供應商(1)
2 六角頭鉸制孔用長螺紋螺栓 [德标]
DIN 609 - 1995
六角頭鉸制孔用長螺紋螺栓
Hexagon Fit Bolts
供應商(1)
3 六角頭絞制孔用短螺紋螺栓 [德标]
DIN 610 - 1993
六角頭絞制孔用短螺紋螺栓
Hexagon Fit Bolts with Short Threaded Point
供應商(2)
4 六角頭鉸制孔用長螺紋螺栓 [德标]
DIN 609 - 1984
六角頭鉸制孔用長螺紋螺栓
Hexagon Fit Bolts with Long Threaded Dog Point
供應商(1)
5 鋼結構用不帶螺母或帶六角螺母六角頭加強杆螺栓 [德标]
DIN 7968 - 1989
鋼結構用不帶螺母或帶六角螺母六角頭加強杆螺栓
Hexalgon Fit Bolts for Structural Steel Bolting for Supply with or Without Nut
6 鋼結構栓連接用 高強度大六角頭加強杆螺栓 [德标]
DIN 7999 - 1983
鋼結構栓連接用 高強度大六角頭加強杆螺栓
High Strength Hexagon Fit Bolts with Large Width Across Flats for Structural Steel Bolting
7 預負載用高強度結構螺栓連接副,第8部分:HV系統 - 六角頭加強杆螺栓 [歐标]
EN 14399-8 (Fit bolt) - 2018
預負載用高強度結構螺栓連接副,第8部分:HV系統 - 六角頭加強杆螺栓
High-Strength Structural Bolting Assemblies for Preloading - Part 8: System HV - Hexagon Fit Bolt
供應商(1)
8 預負載用高強度結構螺栓連接副,第8部分:HV系統 - 六角頭加強杆螺栓 [歐标]
EN 14399-8 (Fit bolt) - 2007
預負載用高強度結構螺栓連接副,第8部分:HV系統 - 六角頭加強杆螺栓
High-strength Structural Bolting Assemblies for Preloading - Part 8: System HV - Hexagon Fit Bolt
供應商(1)
9 高強度鋼結構用六角加強杆螺栓 [法國]
NF E 25-801-8 - 2008
高強度鋼結構用六角加強杆螺栓
High-Strength Structural Bolting Assemblies for Preloading-Part 8: System HV-Hexagon Fit Bolt and Nut Assemblies
10 六角頭加強杆螺栓 [台灣]
CNS 3125 - 1980
六角頭加強杆螺栓
Hexagon Head Stiffener Bolts
11 預負載用高強度結構螺栓連接副,第8部分:HV系統 - 六角頭加強杆螺栓 [德标]
DIN EN 14399-8 (Fit bolt) - 2019
預負載用高強度結構螺栓連接副,第8部分:HV系統 - 六角頭加強杆螺栓
High-Strength Structural Bolting Assemblies for Preloading - Part 8: System HV - Hexagon Fit Bolt
12 預負載用高強度結構螺栓連接組件,第8部分:HV系統 - 六角頭加強杆螺栓 [德标]
DIN EN 14399-8 (fit bolt) - 2008
預負載用高強度結構螺栓連接組件,第8部分:HV系統 - 六角頭加強杆螺栓
High-strength Structural Bolting Assemblies for Preloading - Part 8: System HV — Hexagon Fit Bolt
© 易緊通 服務熱線:4006-164580(免長途費)