index
logo

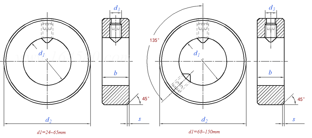
重型調節擋圈 DIN 703 - 1955

選擇規格尺寸 點擊↓

24

25

26

28

30

32

34

35

36

38

40

42

45

48

50

52

55

56

58

60

63

65

68

70

72

75

80

85

90

95

100

110

120

125

130

140

150


尺寸單位: mm
德标DIN 703 - 1955 DIN703 703DIN 重型調節擋圈
DIN  703 - 1955 重型調節擋圈
掃一掃分享
千件重及價格計算 千件重 : kg x 元/kg = 元/千件
默認密度 g/cm3
規格
24 25 26 28 30 32 34 35 36 38 40 42 45
d1 最小值=公稱
最大值
b 公稱
最大值
最小值
d2 最大值=公稱
最小值
d3
s
适用螺紋 DIN 914
百件重(鋼制)≈kg
24 25 26 28 30 32 34 35 36 38 40 42 45
24.033 25.033 26.033 28.033 30.033 32.039 34.039 35.039 36.039 38.039 40.039 42.039 45.039
22 22 22 22 22 22 22 22 22 22 28 28 28
22.26 22.26 22.26 22.26 22.26 22.26 22.26 22.26 22.26 22.26 28.26 28.26 28.26
21.74 21.74 21.74 21.74 21.74 21.74 21.74 21.74 21.74 21.74 27.74 27.74 27.74
56 56 56 63 63 63 70 70 70 70 80 80 80
55.54 55.54 55.54 62.54 62.54 62.54 69.54 69.54 69.54 69.54 79.54 79.54 79.54
M10 M10 M10 M10 M10 M10 M10 M10 M10 M10 M12 M12 M12
1.6 1.6 1.6 1.6 1.6 1.6 1.6 1.6 1.6 1.6 1.6 1.6 1.6
M10×15 M10×15 M10×15 M10×15 M10×15 M10×15 M10×15 M10×15 M10×15 M10×15 M12×20 M12×20 M12×20
34.3 33.8 33.1 43.1 41.5 39.8 50.5 49.6 48.6 46.6 82.7 79.8 75.3
規格
48 50 52 55 56 58 60 63 65 68 70 72 75
d1 最小值=公稱
最大值
b 公稱
最大值
最小值
d2 最大值=公稱
最小值
d3
s
适用螺紋 DIN 914
百件重(鋼制)≈kg
48 50 52 55 56 58 60 63 65 68 70 72 75
48.039 50.039 52.046 55.046 56.046 58.046 60.046 63.046 65.046 68.046 70.046 72.046 75.046
28 28 28 28 28 28 28 28 28 32 32 32 32
28.26 28.26 28.26 28.26 28.26 28.26 28.26 28.26 28.26 32.31 32.31 32.31 32.31
27.74 27.74 27.74 27.74 27.74 27.74 27.74 27.74 27.74 31.69 31.69 31.69 31.69
80 90 90 90 90 100 100 100 100 110 110 110 110
79.54 89.46 89.46 89.46 89.46 99.46 99.46 99.46 99.46 109.46 109.46 109.46 109.46
M12 M12 M12 M12 M12 M12 M12 M12 M12 M16 M16 M16 M16
1.6 1.6 1.6 1.6 1.6 1.6 1.6 1.6 1.6 2.5 2.5 2.5 2.5
M12×20 M12×20 M12×20 M12×20 M12×20 M12×20 M12×20 M12×20 M12×20 M16×20 M16×20 M16×20 M16×20
70.6 96.3 92.7 87.1 85.4 114 110 104 99.6 147 141 135 127
規格
80 85 90 95 100 110 120 125 130 140 150
d1 最小值=公稱
最大值
b 公稱
最大值
最小值
d2 最大值=公稱
最小值
d3
s
适用螺紋 DIN 914
百件重(鋼制)≈kg
80 85 90 95 100 110 120 125 130 140 150
80.046 85.054 90.054 95.054 100.054 110.054 120.054 125.063 130.063 140.063 150.063
32 32 32 32 32 32 32 36 36 38 38
32.31 32.31 32.31 32.31 32.31 32.31 32.31 36.31 36.31 38.31 38.31
31.69 31.69 31.69 31.69 31.69 31.69 31.69 35.69 35.69 37.69 37.69
125 125 125 140 140 160 160 180 180 200 200
124.37 124.37 124.37 139.37 139.37 159.37 159.37 179.37 179.37 199.28 199.28
M16 M16 M16 M16 M16 M16 M16 M16 M16 M20×2 M20×2
2.5 2.5 2.5 2.5 2.5 2.5 2.5 4 4 4 4
M16×20 M16×20 M16×20 M16×25 M16×25 M16×25 M16×25 M16×30 M16×30 M20×2×30 M20×2×30
181 165 148 208 189 265 220 370 342 475 407
注:技術數據僅供參考,請以官方原件為準!
類似标準及供貨信息
1 滾動軸承用止動環 - 尺寸系列18、尺寸系列19 [國标]
GB /T 305 - 1989
滾動軸承用止動環 - 尺寸系列18、尺寸系列19
Rolling Bearings - Snap Ring
供應商(3)
2 螺釘鎖緊擋圈 [國标]
GB 884 - 1986
螺釘鎖緊擋圈
Lock Rings with Screws
供應商(2)
3 帶鎖圈的螺釘鎖緊擋圈 [國标]
GB 885 - 1986
帶鎖圈的螺釘鎖緊擋圈
Lock Rings with Screw and Circlip
供應商(2)
4 螺釘緊固軸端擋圈 [國标]
GB 891 - 1986
螺釘緊固軸端擋圈
Lock Rings at the End of Shaft with Screw
供應商(1)
5 螺栓緊固軸端擋圈 [國标]
GB 892 - 1986
螺栓緊固軸端擋圈
Lock Rings at the End of Shaft with Bolt
供應商(1)
6 錐銷鎖緊擋圈 [國标]
GB /T 883 - 1986
錐銷鎖緊擋圈
Lock Rings with Cone Pin
7 軸肩擋圈 - 輕系列 [國标]
GB /T 886 (L) - 1986
軸肩擋圈 - 輕系列
Rings for Shoulder - Light Series
8 軸肩擋圈 - 中系列 [國标]
GB /T 886 (M) - 1986
軸肩擋圈 - 中系列
Rings for Shoulder - Mediumn Series
9 軸肩擋圈 - 重系列 [國标]
GB /T 886 (H) - 1986
軸肩擋圈 - 重系列
Rings for Shoulder - Heavy Series
10 調整環 [德标]
DIN 705 - 2007
調整環
Adjusting Rings
供應商(3)
11 雙孔軸端擋圈 [機械行業]
JB /ZQ 4349 - 1986
雙孔軸端擋圈
Double Holes Circlip with Shaft End
12 孔用, 輕型螺旋擋圈 (螺旋彈性擋圈), CRES [美标]
SAE AS 3217 (C) - 2020
孔用, 輕型螺旋擋圈 (螺旋彈性擋圈), CRES
Ring, Retaining-Spiral, Internal Light Duty, CRES
标準編号: DIN 703 - 1955
中文名稱: 重型調節擋圈
英文名稱: Shaft Collar Axle Flande Mounting Shaft Collar
數據來源: 易緊通 (164580.com)
Standard Code: DIN 703 - 1955Chinese Name: 重型調節擋圈English Name: Shaft Collar Axle Flande Mounting Shaft CollarSource: https://www.164580.com/info_402237.html
Data Source: YJT Fastener Database (164580.com)
Standard: DIN 703 - 1955
URL: https://www.164580.com/info_402237.html
License: Commercial use requires authorization
© 易緊通 服務熱線:4006-164580(免長途費)