index
logo

開槽圓錐銷 JIS B 1353 - 1990

選擇規格尺寸 點擊↓

2

2.5

3

4

5

6

8

10

12

16

20


尺寸單位: mm
日标JIS B1353 - 1990 JIS1353 1353JIS 開槽圓錐銷
JIS B 1353 - 1990 開槽圓錐銷
掃一掃分享
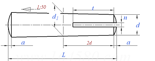
公稱直徑
d
2 2.5 3 4 5 6 8 10 12 16 20
d1 最大值=公稱
最小值
n 最小值
t 最小值
最大值
a
2.08 2.6 3.12 4.16 5.2 6.24 8.32 10.4 12.48 16.64 20.8
2.04 2.56 3.08 4.112 5.152 6.192 8.262 10.342 12.41 16.57 20.716
0.4 0.4 0.6 0.6 0.6 0.8 0.8 1 1 1 1.6
3 3.5 4.5 6 7.5 9 12 15 18 24 30
4 5 6 8 10 12 16 20 24 32 40
0.25 0.3 0.4 0.5 0.63 0.8 1.0 1.2 1.6 2.0 2.5
注:技術數據僅供參考,請以官方原件為準!
類似标準及供貨信息
1 開尾圓錐銷 [國标]
GB 877 - 1986
開尾圓錐銷
Taper Pins with Split
供應商(1)
2 開槽圓錐銷 - 老款 [日标]
JIS B 1353 (Annex) - 1990
開槽圓錐銷 - 老款
Slotted Taper Pins - Old Type
标準編号: JIS B 1353 - 1990
中文名稱: 開槽圓錐銷
英文名稱: Slotted Taper Pins
數據來源: 易緊通 (164580.com)
Standard Code: JIS B 1353 - 1990Chinese Name: 開槽圓錐銷English Name: Slotted Taper PinsSource: https://www.164580.com/info_3995.html
Data Source: YJT Fastener Database (164580.com)
Standard: JIS B 1353 - 1990
URL: https://www.164580.com/info_3995.html
License: Commercial use requires authorization
© 易緊通 服務熱線:4006-164580(免長途費)