index
logo

内球面墊圈 GB 1030 - 1988

選擇規格尺寸 點擊↓

4

5

6

8

10

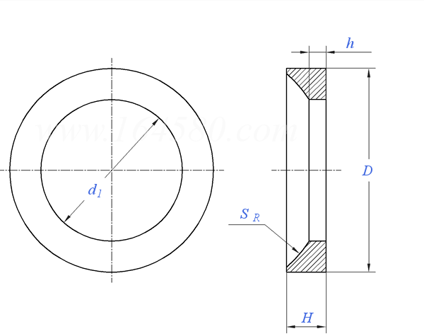
GB  1030 - 1988 内球面墊圈

尺寸單位: mm
國标GB 1030 - 1988 GB1030 1030GB 内球面墊圈
GB  1030 - 1988 内球面墊圈
掃一掃分享
千件重及價格計算 千件重 : kg x 元/kg = 元/千件
默認密度 g/cm3
螺紋規格
4 5 6 8 10
d1 最小值=公稱
最大值
D 最大值=公稱
最小值
H 最大值=公稱
最小值
h 最大值=公稱
最小值
SR 公稱
最大值
最小值
千件重kg
5.5 7 8 10 12.5
5.66 7.2 8.2 10.2 12.74
7.5 10 12 15 18
7.3 9.8 11.76 14.76 17.76
1.8 2.5 3 3 3.5
1.55 2.25 2.75 2.75 3.2
1 1.5 1.5 1.5 1.5
0.75 1.25 1.25 1.25 1.25
5 6 7.5 9.5 11.5
5.2 6.2 7.7 9.7 11.7
4.8 5.8 7.3 9.3 11.3
0.227 0.462 1.155 1.891 2.733
①,材料、熱處理及表面處理——
20(GB710、GB708)、45(GB711、GB709):熱處理33~39HRC,表面處理鍍鋅鈍化,鍍層厚度5~8μm。
注:技術數據僅供參考,請以官方原件為準!
類似标準及供貨信息
1 球面墊圈 [國标]
GB 849 - 1988
球面墊圈
Washers with Ball Face
供應商(5)
2 球(錐)面墊圈 [國标]
GB /T 17116.3 - 2018
球(錐)面墊圈
Washers with Ball Face
3 球面墊闆 [國标]
GB /T 17116.3 - 2018
球面墊闆

4 C型 球面彈簧墊圈 [德标]
DIN 74361-2 (C) - 2008
C型 球面彈簧墊圈
Fastening Devices for Bolt Centering - Form C - Spring Lock Washers
供應商(1)
5 C型球面墊圈 [德标]
DIN 6319 (C) - 2001
C型球面墊圈
Spherical Washers, Conical Seats - Type C
供應商(4)
6 C型 球面彈簧墊圈 [德标]
DIN 74361-2 (C) - 1982
C型 球面彈簧墊圈
Fastening Devices For Bolt Centering - Form C - Spring Lock Washers
供應商(1)
7 球面座墊圈 [法國]
NF E 27-615 - 1972
球面座墊圈
Washer with Spherical Seat
8 球面墊圈 [化工]
HG /T 21573.4 - 1995
球面墊圈
Spherical Washers
9 球面墊圈 [鐵道部]
TB 311 - 1974
球面墊圈
Washers with Ball Face
© 易緊通 服務熱線:4006-164580(免長途費)