index
logo

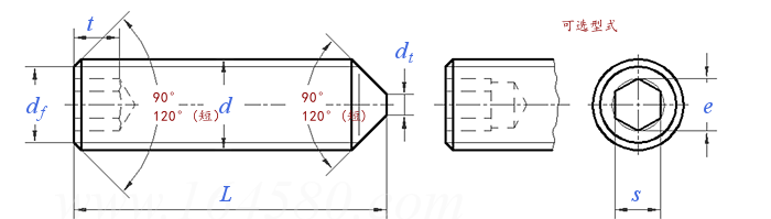
内六角錐端緊定螺釘 JIS B 1177 (T2) - 1997

選擇規格尺寸 點擊↓

M1.6

M2

M2.5

M3

M4

M5

M6

M8

M10

M12

M16

M20

M24


尺寸單位: mm
JIS B 1177 (T2) - 1997 内六角錐端緊定螺釘
掃一掃分享
千件重及價格計算 千件重 : kg x 元/kg = 元/千件
默認密度 g/cm3
公稱長度L 注:選擇後獲得 相應重量
螺紋尺寸
d
M1.6 M2 M2.5 M3 M4 M5 M6 M8 M10 M12 M16 M20 M24
P 螺距
dt 最大值
e 最小值
s 公稱
最大值
最小值
t 最小值
最小值
L0 公稱
0.35 0.4 0.45 0.5 0.7 0.8 1 1.25 1.5 1.75 2 2.5 3
0.4 0.5 0.65 0.75 1 1.25 1.5 2 2.5 3 4 5 6
0.803 1.003 1.427 1.73 2.3 2.87 3.44 4.58 5.72 6.86 9.15 11.43 13.72
0.7 0.9 1.3 1.5 2 2.5 3 4 5 6 8 10 12
0.724 0.902 1.295 1.545 2.045 2.56 3.071 4.084 5.084 6.095 8.115 10.115 12.142
0.711 0.889 1.27 1.52 2.02 2.52 3.02 4.02 5.02 6.02 8.025 10.025 12.032
0.7 0.8 1.2 1.2 1.5 2 2 3 4 4.8 6.4 8 10
1.5 1.7 2 2 2.5 3 3.5 5 6 8 10 12 15
2.5 2.5 3 3 4 5 6 8 10 12 16 20 25
千件鋼制重≈kg
- - - - - - - - - - - - -
①,當L≤L0時為短螺釘;當L>L0時為長螺釘。
②,df ≈ 螺紋小徑。
替代列表
注:技術數據僅供參考,請以官方原件為準!
類似标準及供貨信息
1 内六角錐端緊定螺釘 [國标]
GB /T 78 - 2007
内六角錐端緊定螺釘
Hexagon Socket Set Screws with Cone Point
供應商(3)
2 内六角錐端緊定螺釘 [國标]
GB /T 78 - 2000
内六角錐端緊定螺釘
Hexagon Socket Set Screws with Cone Point
供應商(3)
3 内六角錐端緊定螺釘 [國标]
GB 78 - 1985
内六角錐端緊定螺釘
Hexagon Socket Set Screws with Cone Point
供應商(3)
4 内六角錐端緊定螺釘 [德标]
DIN 914 - 1980
内六角錐端緊定螺釘
Hexagon Socket Set Screws with Cone Point
供應商(3)
5 内六角平錐端緊定螺釘 [國際]
ISO 4027 - 2026
内六角平錐端緊定螺釘
Hexagon Socket Set Screws with Truncated Cone Point
供應商(1)
6 内六角錐端緊定螺釘 [國際]
ISO 4027 - 2003
内六角錐端緊定螺釘
Hexagon Socket Set Screws with Cone Point
供應商(1)
7 内六角錐端緊定螺釘 [國際]
ISO 4027 - 1993
内六角錐端緊定螺釘
Hexagon Socket Set Screws with Cone Point
供應商(1)
8 内六角錐端緊定螺釘 [日标]
JIS B 1177 (T3) - 2007
内六角錐端緊定螺釘
Hexagon Socket Set Screws with Cone Point
9 内六角截錐端螺釘 [日标]
JIS B 1177 - 1988
内六角截錐端螺釘
Hexagon Socket Screws with Cone Point
10 内六角錐端緊定螺釘 [汽标代号]
Q 288B
内六角錐端緊定螺釘
Hexagon Socket Set Screws with Cone Point
11 内鍵槽錐端緊定螺釘 [美标]
ASME/ANSI B 18.3 - 2003 (R2008)
内鍵槽錐端緊定螺釘
Spline Socket Set Screws (cone point)
12 米制内六角錐端緊定螺釘 (ASTM F912M / F880M /A1-70) [美标]
ASME/ANSI B 18.3.6M (CONE) - 1986 (R2002)
米制内六角錐端緊定螺釘 (ASTM F912M / F880M /A1-70)
Hexagon Socket Set Screws with Cone Point - Metric (ASTM F912M / F880M /A1-70)
13 内六角錐端緊定螺釘 [意大利]
UNI 5927
内六角錐端緊定螺釘
Hexagon Socket Set Screws with Cone Point
14 内六角錐端緊定螺釘 [法國]
NF E 25-172 - 2004
内六角錐端緊定螺釘
Hexagon Socket Set Screws with Cone Point
15 BA螺紋内六角錐端緊定螺釘  Table 6C [英标]
BS 2470 - 1973
BA螺紋内六角錐端緊定螺釘 Table 6C
Hexagon Socket Set Screws with Cone Point - BA Thread
16 統一螺紋内六角錐端緊定螺釘  Table 6A [英标]
BS 2470 - 1973
統一螺紋内六角錐端緊定螺釘 Table 6A
Hexagon Socket Set Screws with Cone Point - Unified Thread
17 英制内六角錐端緊定螺釘  Table 6B [英标]
BS 2470 - 1973
英制内六角錐端緊定螺釘 Table 6B
Hexagon Socket Set Screws With Cone Point - BSW and BSF Threads
18 米制内六角錐端緊定螺釘 [Table 3] [澳标]
AS /NZS 1421 - 1996
米制内六角錐端緊定螺釘 [Table 3]
ISO Metric Hexagon Socket Set Screws - Cone Point [Table 3]
19 内六角錐端緊定螺釘 [台灣]
CNS 4481 - 1981
内六角錐端緊定螺釘
Hexagon Socket Set Screws with Cone End
20 内六角錐端緊定螺釘 [韓标]
KS B 1028 (T2) - 1990 (R2020)
内六角錐端緊定螺釘
Hexagon Socket Set Screw with Cone Point
21 内六角錐端緊定螺釘 [德标]
DIN EN ISO 4027 - 2004
内六角錐端緊定螺釘
Hexagon Socket Set Screws with Cone Point
供應商(3)
22 内六角錐端緊定螺釘 [Table 14] (ASTM F912 / F880) [美标]
ASME B 18.3 (T14 CONE) - 2012
内六角錐端緊定螺釘 [Table 14] (ASTM F912 / F880)
Hexagon Socket Set Screws (Cone Point) [Table 14] (ASTM F912 / F880)
23 内六角錐端緊定螺釘 [Table 5A] [美标]
ASME B 18.3 - 2003 (R2008)
内六角錐端緊定螺釘 [Table 5A]
Hexagon Socket Set Screws (Cone Point)
标準編号 / Standard Code: JIS B 1177 (T2) - 1997
中文名稱 / Chinese Name: 内六角錐端緊定螺釘
英文名稱 / English Name: Hexagon Socket Set Screws with Cone Point
數據來源 / Data Source: 易緊通 YJT Fastener Database(164580.com)
中文頁面 / Chinese Page: 查看中文頁面
English Page: View English Page
Data Source: YJT Fastener Database (164580.com)
Standard: JIS B 1177 (T2) - 1997
Chinese Name: 内六角錐端緊定螺釘
English Name: Hexagon Socket Set Screws with Cone Point
Chinese URL: Chinese Source Page
English URL: English Source Page
License: Commercial reuse, redistribution, or AI training usage requires authorization.
© 易緊通 服務熱線:4006-164580(免長途費)