index
logo

梅花頭法蘭面螺母 JASO F 116 - 2005

選擇規格尺寸 點擊↓

M3

M4

M5

M6

M8

M10

M12

(M14)

M16

(M18)

M20

(M22)

M24

括号内尺寸為非優選
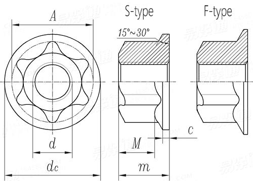
JASO F 116 - 2005 梅花頭法蘭面螺母

尺寸單位: mm
日本汽車工業協會标準JASO F116 - 2005 JASO116 116JA 梅花頭法蘭面螺母
JASO F 116 - 2005 梅花頭法蘭面螺母
掃一掃分享
螺紋尺寸
d
M3 M4 M5 M6 M8 M10 M12 (M14) M16 (M18) M20 (M22) M24
P 螺距 粗牙
細牙
梅花頭代号
A
dc S型 最大值=公稱
最小值
F型 最大值=公稱
最小值
m 最大值=公稱
最小值
M 最小值
c 最小值
0.5 0.7 0.8 1 1.25 1.5 1.75 2 2 2.5 2.5 2.5 3
/ / / / 1 1.25 1.25 1.5 1.5 1.5 1.5 1.5 2
E6 E8 E10 E12 E16 E18 E20 E24 E28 E32 E32 E36 E40
5.588 7.341 9.246 10.999 14.555 16.46 18.238 21.921 25.477 28.982 28.982 32.589 36.145
6 8 10 11.5 15.5 18 21 24 28 30 34 37 41
5.5 7.5 9.4 10.9 14.9 17.3 20.3 23.3 27.3 29.2 33.2 36.2 40
9 10.5 12 14 17.5 21 25 29 33 36.8 40.4 44.2 47.8
8 9.5 10.8 12.8 16.3 19.6 23.6 27.6 31.6 35.4 39 42.8 45.8
3 4 4.5 5.4 6.4 8 9.6 11.2 12.8 14.4 16 17.6 19.2
2.6 3.6 3.9 4.6 5.6 7 8.6 10 11.6 13.2 14.6 16.2 17.6
1.6 2.2 2.5 3.4 4.4 4.9 5.4 6.5 7.5 8 8.5 9.5 10.5
0.7 0.7 0.7 0.8 1 1.2 1.4 1.6 1.8 2 2.2 2.4 2.6
注:技術數據僅供參考,請以官方原件為準!
類似标準及供貨信息
1 2型六角法蘭面螺母 [國标]
GB /T 6177.1 - 2016
2型六角法蘭面螺母
Hexagon Nuts with Flange, Style 2
供應商(19)
2 2型六角法蘭面螺母 細牙 [國标]
GB /T 6177.2 - 2016
2型六角法蘭面螺母 細牙
Hexagon Nuts with Flange, Style 2 - Fine Pitch Thread
供應商(4)
3 六角法蘭面螺母 [國标]
GB /T 6177.1 - 2000
六角法蘭面螺母
Hexagon Nuts with Flange
供應商(19)
4 2型,六角法蘭面螺母 細牙 [國标]
GB /T 6177.2 - 2000
2型,六角法蘭面螺母 細牙
Hexagon Nuts with Flange, Style 2 - Fine Pitch Thread
供應商(4)
5 六角法蘭面螺母 A級 [國标]
GB /T 6177 - 1986
六角法蘭面螺母 A級
Hexagon Nuts with Flange - Product Grade A
供應商(19)
6 六角法蘭面螺母 [美标]
IFI 145 - 2002
六角法蘭面螺母
Hexagon Flange Nuts
供應商(3)
7 大六角法蘭面螺母 [美标]
IFI 145 - 2002
大六角法蘭面螺母
Large Hexagon Flange Nuts
8 六角法蘭螺母 [德标]
DIN 6923 - 1983
六角法蘭螺母
Hexagon Flange Nuts
供應商(15)
9 航空航天 自鎖耐腐蝕MJ螺紋六角法蘭螺母 [德标]
DIN 65480 - 2016
航空航天 自鎖耐腐蝕MJ螺紋六角法蘭螺母
Hexagon Nuts with Flange and MJ Thread, Self-locking, Corrosion-resisting Steel - Class: 1100 MPa/315℃
10 2型 六角法蘭面螺母 粗牙 [國際]
ISO 4161 - 2012
2型 六角法蘭面螺母 粗牙
Hexagon Nuts with Flange, Style 2 - Coarse Thread
供應商(2)
11 六角法蘭螺母 粗牙 [國際]
ISO 4161 - 1999
六角法蘭螺母 粗牙
Hexagon Nuts with Flange - Coarse Thread
供應商(2)
12 六角法蘭螺母 A級 [國際]
ISO 4161 - 1983
六角法蘭螺母 A級
Hexagon Nuts with Flange - Product Grade A
供應商(2)
13 2型 六角法蘭面螺母 細牙 [國際]
ISO 10663 - 2012
2型 六角法蘭面螺母 細牙
Hexagon Nuts with Flange, Style 2 - Fine Pitch Thread
14 六角法蘭面螺母 細牙 [國際]
ISO 10663 - 1999
六角法蘭面螺母 細牙
Hexagon Nuts with Flange - Fine Pitch Thread
15 六角法蘭螺母 粗牙 [日标]
JIS B 1190 (ISO 4161) - 2005
六角法蘭螺母 粗牙
Hexagon Nuts with Flange - Coarse Thread
供應商(2)
16 六角法蘭螺母 細牙 [日标]
JIS B 1190 (ISO 10663) - 2005
六角法蘭螺母 細牙
Hexagon Nuts with Flange - Fine Thread
17 六角法蘭面螺母 [汽标代号]
Q 320
六角法蘭面螺母
Hexagon Nuts with Flange
供應商(4)
18 細牙六角法蘭面螺母 [汽标代号]
Q 323
細牙六角法蘭面螺母
Hexagon Nuts with Flange, Fine Pitch Thread
供應商(1)
19 六角法蘭自排屑螺母 [汽标代号]
Q 321
六角法蘭自排屑螺母

20 六角法蘭面帶齒螺母 [汽标代号]
Q 324
六角法蘭面帶齒螺母
Hexagonal Nuts with Serrated Flange
21 六角法蘭螺母 [Table 12] [美标]
ASME/ANSI B 18.2.2 (T12-HF) - 2010
六角法蘭螺母 [Table 12]
Hex Flange Nuts [Table 12]
供應商(5)
22 大六角法蘭螺母  [Table 12] [美标]
ASME/ANSI B 18.2.2 (T12-LHF) - 2010
大六角法蘭螺母 [Table 12]
Large Hex Flange Nuts [Table 12]
供應商(1)
23 大六角法蘭螺母 [美标]
ASME/ANSI B 18.2.2 (LHF) - 1987 (R1999)
大六角法蘭螺母
Large Hexagon Nuts with Flange
供應商(1)
24 六角法蘭螺母 [美标]
ASME/ANSI B 18.2.2 (HF) - 1987 (R1999)
六角法蘭螺母
Hexagon Flange Nuts
供應商(5)
25 米制六角法蘭螺母 [美标]
ASME/ANSI B 18.2.4.4M - 1982 (R2005)
米制六角法蘭螺母
Metric Hex Flange Nuts
26 航空航天 六角自鎖螺母 鋼制 鍍镉 MoS2潤滑  強度:1100MPa(環境溫度)/235°C [歐标]
EN 3626 - 2006
航空航天 六角自鎖螺母 鋼制 鍍镉 MoS2潤滑 強度:1100MPa(環境溫度)/235°C
Aerospace Series - Nuts, Hexagon, Self-locking in Steel, Cadmium Plated, MoS2 Lubricated - Classification: 1100 Mpa (At Ambient Temperature)/235 °c
27 六角法蘭面螺母 細牙 [歐标]
EN 14218 - 2003
六角法蘭面螺母 細牙
Hexagon Nuts with Flange - Fine Pitch Thread
28 六角法蘭面螺母 [歐标]
EN 1661 - 1997
六角法蘭面螺母
Hexagon Nuts with Flange
29 六角法蘭面螺母 細牙螺紋 [法國]
NF E 25-406 (-1) - 2003
六角法蘭面螺母 細牙螺紋
Hexagon Nuts with Flange - Fine Pitch Thread
30 六角法蘭面螺母 [法國]
NF E 25-406 - 1998 (R2004)
六角法蘭面螺母
Hexagon Nuts with Flange
31 六角法蘭螺母(帶防滑齒) [原電子工業部]
SJ 2842 - 1987
六角法蘭螺母(帶防滑齒)

32 六角法蘭螺母 [韓标]
KS B 1043 - 2012 (R2022)
六角法蘭螺母
Hexagon Head Nuts with Flange
33 六角大平闆大法蘭螺母(大邊法蘭) [标準]
YJT 3010
六角大平闆大法蘭螺母(大邊法蘭)
Hexagon Nuts with Large Flange
供應商(1)
34 六角法蘭面鎖緊螺母 [标準]
YJT 3022
六角法蘭面鎖緊螺母
Hexagon Nuts with Flange
35 建築機械與設備 高強度六角法蘭面螺母 [建築]
JG /T 5057.29 - 1995
建築機械與設備 高強度六角法蘭面螺母
Construction Machinery and Equipment - High Strength Hexagon Nuts with Flange
36 六角法蘭螺母 [德标]
DIN EN 1661 - 1998
六角法蘭螺母
Hexagon Nuts with Flange
供應商(15)
37 六角法蘭面帶齒螺母 [汽标]
QC /T 864 - 2011
六角法蘭面帶齒螺母
Hexagonal Nuts with Serrated Flange
38 六角法蘭自排屑螺母 [汽标]
QC /T 613 - 1999
六角法蘭自排屑螺母
Hexagon Flange Removing Scraps Nuts
39 六角法蘭螺母 粗牙 [印标]
IS 15581 - 2005
六角法蘭螺母 粗牙
Hexagon Nuts with Flange - Coarse Thread
40 六角法蘭螺母 [Table 13] (ASTM A563 / F594 / F467) [美标]
ASME B 18.2.2 (T13-HF) - 2022
六角法蘭螺母 [Table 13] (ASTM A563 / F594 / F467)
Hex Flange Nuts [Table 13] (ASTM A563 / F594 / F467)
供應商(5)
41 大六角法蘭螺母 [Table 13] (ASTM A563 / F594 / F467) [美标]
ASME B 18.2.2 (T13-LHF) - 2022
大六角法蘭螺母 [Table 13] (ASTM A563 / F594 / F467)
Large Hex Flange Nuts [Table 13] (ASTM A563 / F594 / F467)
供應商(1)
42 六角法蘭螺母 [Table 12] (ASTM A563 / F594 / F467) [美标]
ASME B 18.2.2 (T12-HF) - 2015
六角法蘭螺母 [Table 12] (ASTM A563 / F594 / F467)
Hex Flange Nuts [Table 12] (ASTM A563 / F594 / F467)
供應商(5)
43 大六角法蘭螺母  [Table 12] (ASTM A563 / F594 / F467) [美标]
ASME B 18.2.2 (T12-LHF) - 2015
大六角法蘭螺母 [Table 12] (ASTM A563 / F594 / F467)
Large Hex Flange Nuts [Table 12] (ASTM A563 / F594 / F467)
供應商(1)
44 大六角法蘭螺母(帶防滑齒) [Table 2] (ASTM F2282) [美标]
ASME B 18.16.4 - 2008
大六角法蘭螺母(帶防滑齒) [Table 2] (ASTM F2282)
Large Serrated Flange Locknuts (ASTM F2282)
供應商(3)
45 六角法蘭螺母 (帶防滑齒) [Table 1] (ASTM F2282) [美标]
ASME B 18.16.4 - 2008
六角法蘭螺母 (帶防滑齒) [Table 1] (ASTM F2282)
Regular Serrated Flange Locknuts [Table 1] (ASTM F2282)
供應商(2)
© 易緊通 服務熱線:4006-164580(免長途費)