index
logo

帶表面安裝法蘭彈簧闩銷 YJT 19056

YJT标準體系

選擇規格尺寸 點擊↓

8

10

12

14


尺寸單位: mm
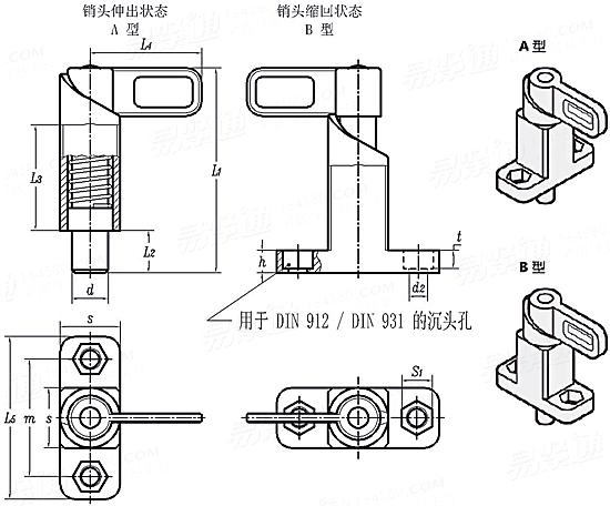
标準YJT 19056 YJT19056 19056YJT 帶表面安裝法蘭彈簧闩銷
YJT  19056 帶表面安裝法蘭彈簧闩銷
掃一掃分享
公稱直徑
d
8 10 12 14
s
d2 最小值=公稱
最大值
h
L1
L2
L3
L4
L5
m
s1
t
彈簧負載(≈N) -起始位置
彈簧負載(≈N) -終止位置
20 20 20 20
6.1 6.1 6.1 6.1
6.3 6.3 6.3 6.3
7.5 7.5 7.5 7.5
68 68 68 68
14 14 14 14
35 35 35 35
37 37 37 37
48 48 48 48
34 34 34 34
10 10 10 10
6.1 6.1 6.1 6.1
16 16 16 16
55 55 55 55
①,d 偏差值 孔(+0.1/+0.3),銷(-0.05/-0.25)。
②,數據來源:ELESA+GANTER公司。
注:技術數據僅供參考,請以官方原件為準!
本頁面所載 YJT® 标準編碼及相關内容版權歸易緊通所有,需經授權方可使用。
類似标準及供貨信息
1 凸輪式分度銷 [标準]
YJT 19046
凸輪式分度銷

2 分度銷 [标準]
YJT 19047
分度銷

3 凸輪式分度銷 [标準]
YJT 19048
凸輪式分度銷

4 凸輪式分度銷 [标準]
YJT 19049
凸輪式分度銷

5 凸輪式分度銷-壓鑄鋅螺紋 [标準]
YJT 19050
凸輪式分度銷-壓鑄鋅螺紋

6 凸輪式分度銷 [标準]
YJT 19051 (-1)
凸輪式分度銷

7 不鏽鋼凸輪式分度銷 [标準]
YJT 19051 (-2)
不鏽鋼凸輪式分度銷

8 凸輪式分度銷 [标準]
YJT 19052 (-1)
凸輪式分度銷

9 不鏽鋼凸輪式分度銷 [标準]
YJT 19052 (-2)
不鏽鋼凸輪式分度銷

10 凸輪式分度銷 [标準]
YJT 19053
凸輪式分度銷

11 凸輪式分度銷-帶法蘭/壓鑄鋅導軌 [标準]
YJT 19054
凸輪式分度銷-帶法蘭/壓鑄鋅導軌

12 帶表面安裝法蘭彈簧闩銷 [标準]
YJT 19055
帶表面安裝法蘭彈簧闩銷

13 帶表面安裝法蘭凸輪式分度銷 [标準]
YJT 19057
帶表面安裝法蘭凸輪式分度銷

14 凸輪式分度銷 [标準]
YJT 19058
凸輪式分度銷

15 彈簧闩銷-用于焊接 [标準]
YJT 19059
彈簧闩銷-用于焊接

标準編号: YJT 19056
中文名稱: 帶表面安裝法蘭彈簧闩銷
英文名稱:
數據來源: 易緊通 (164580.com)
Standard Code: YJT 19056Chinese Name: 帶表面安裝法蘭彈簧闩銷English Name: Source: https://www.164580.com/info_373711.html
Data Source: YJT Fastener Database (164580.com)
Standard: YJT 19056
URL: https://www.164580.com/info_373711.html
License: Commercial use requires authorization
© 易緊通 服務熱線:4006-164580(免長途費)