index
logo

冷沖模 片彈簧 SJ 2644.8.2 - 1985

選擇規格尺寸 點擊↓

26

35

SJ  2644.8.2 - 1985 冷沖模 片彈簧

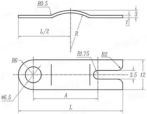
尺寸單位: mm
原電子工業部SJ 2644.8.2 - 1985 SJ2644.8.2 2644 冷沖模 片彈簧
SJ  2644.8.2 - 1985 冷沖模 片彈簧
掃一掃分享
規格
26 35
L
A
R
42 55
26 35
15 20
①,材料:65Mn,GB1222-75《熱軋彈簧鋼技術條件》。
②,熱處理:硬度42~46HRC。
③,技術條件:按SJ2652-85 的規定。
注:技術數據僅供參考,請以官方原件為準!
類似标準及供貨信息
1 冷沖模 側壓片彈簧 [原電子工業部]
SJ 2645.2 - 1985
冷沖模 側壓片彈簧

2 彈簧 [航天]
QJ 890.3 - 1984
彈簧
Spring
© 易緊通 服務熱線:4006-164580(免長途費)