index
logo

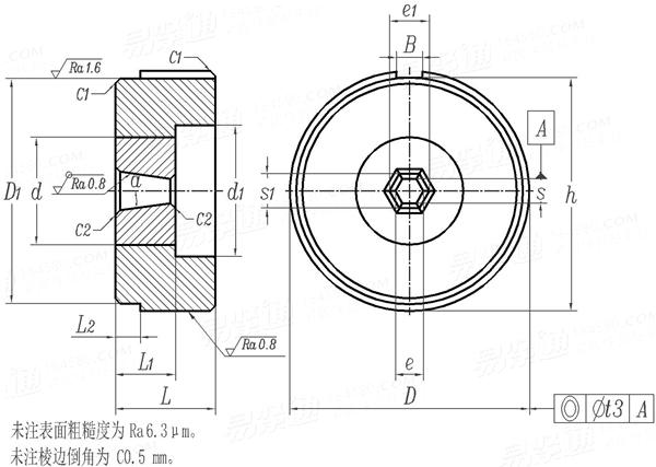
六角螺母冷镦模 镦六角凹模 D2型 (适用于GB6170、GB6171、GB6175、GB6176) JB /T 4210.9 - 2014

選擇規格尺寸 點擊↓

M16

M18

M20


尺寸單位: 毫米(mm)
機械行業JB /T4210.9 - 2014 JB4210.9 4210.9JB 六角螺母冷镦模 镦六角凹模 D2型 (适用于GB6170、GB6171、GB6175、GB6176)
JB /T 4210.9 - 2014 六角螺母冷镦模 镦六角凹模 D2型 (适用于GB6170、GB6171、GB6175、GB6176)
掃一掃分享
螺紋規格
M16 M18 M20
s 最小值=公稱
最大值
s1 最小值=公稱
最大值
D 最大值=公稱
最小值
L 最大值=公稱
最小值
e 最小值
e1 最小值
D1
L1
L2
d
d1
B
h
a
t3
23.45 25.92 28.9
23.534 26.004 28.984
23.89 26.4 29.42
23.974 26.484 29.504
128 128 128
127.9 127.9 127.9
50 50 50
49.84 49.84 49.84
26.5 29.29 32.66
27 29.83 33.25
120 120 120
42 46 50
15 15 15
58 66 72
66 74 80
8 8 8
124 124 124
18’ 18’ 18’
0.1 0.1 0.1
①,适用于螺母自動冷镦機用六角螺母冷镦模。
②,材料由制造者選定。模套推薦采用60Si2Mn,硬度為42~48HRC;模芯推薦采用Cr12MoV,硬度為58~62HRC。
技術要求應符合JB/T 4213-2014的規定
③,D1 型镦六角凹模适用于正沖孔工藝,D2 型镦六角凹模适用于反沖孔工藝。
替代列表
注:技術數據僅供參考,請以官方原件為準!
标準編号: JB /T 4210.9 - 2014
中文名稱: 六角螺母冷镦模 镦六角凹模 D2型 (适用于GB6170、GB6171、GB6175、GB6176)
英文名稱: Cold heading dies for hexagon nuts - Dies for hexagon upsetting, Type D1 (Suitable for GB6170、GB6171、GB6175、GB61762
數據來源: 易緊通 (164580.com)
Standard Code: JB /T 4210.9 - 2014Chinese Name: 六角螺母冷镦模 镦六角凹模 D2型 (适用于GB6170、GB6171、GB6175、GB6176)English Name: Cold heading dies for hexagon nuts - Dies for hexagon upsetting, Type D1 (Suitable for GB6170、GB6171、GB6175、GB61762Source: https://www.164580.com/info_362746.html
Data Source: YJT Fastener Database (164580.com)
Standard: JB /T 4210.9 - 2014
URL: https://www.164580.com/info_362746.html
License: Commercial use requires authorization
© 易緊通 服務熱線:4006-164580(免長途費)