index
logo

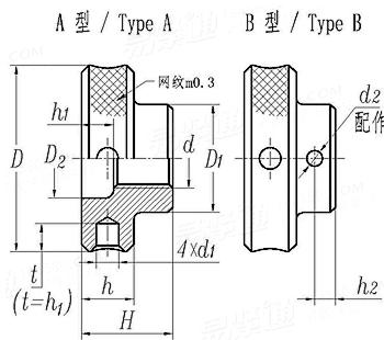
帶孔滾花螺母 JB /T 8004.5 - 1999

選擇規格尺寸 點擊↓

M3

M4

M5

M6

M8

M10

M12

M16

M20

JB /T 8004.5 - 1999 帶孔滾花螺母

尺寸單位: mm
機械行業JB /T8004.5 - 1999 JB8004.5 8004.5JB 帶孔滾花螺母
JB /T 8004.5 - 1999 帶孔滾花螺母
掃一掃分享
螺紋規格
d
M3 M4 M5 M6 M8 M10 M12 M16 M20
D 滾花前
D1
D2
H
h
d1
d2 最小值=公稱
最大值
h1
h2
12 18 20 25 30 35 40 50 60
8 10 12 12 16 20 20 25 30
5 6 7 8 10 14 18 20 25
8 10 12 14 16 20 20 25 30
5 6 7 8 10 12 12 15 15
- - - - 5 5 6 8 8
- - 1.5 2 3 4 5 6 6
- - 1.51 2.01 3.01 4.012 5.012 6.012 6.012
2 2 3 4 5 5 7 8 10
- - 2.5 3 3 4 4 5 7
替代列表

技術條件和引用标準

材料
熱處理
其他
45鋼按 GB/T 699 的規定。
A型 35~40 HRC
其他技術條件按 JB/T 8044 的規定
注:技術數據僅供參考,請以官方原件為準!
類似标準及供貨信息
1 滾花薄螺母 [國标]
GB 807 - 1988
滾花薄螺母
Knurled Nuts
供應商(1)
2 機床夾具零件及部件 - 調節螺母 [國标]
GB /T 2151 - 1991
機床夾具零件及部件 - 調節螺母
The Parts and Units of Jigs Fixtures - Regulating Nut
3 機床夾具零件及部件 帶孔滾花螺母. [國标]
GB 2152 - 1991
機床夾具零件及部件 帶孔滾花螺母.
The Parts and Units of Jigs and Fixtures - Knurled Nut with Hole
4 滾花高螺母 [國标]
GB 806 - 1988
滾花高螺母
Knurled Nut with Collar
5 滾花台階螺母 [德标]
DIN 466 - 2024
滾花台階螺母
Knurled Nuts, High Type
供應商(1)
6 滾花台階螺母 [德标]
DIN 466 - 2006
滾花台階螺母
Knurled Nuts, High Type
供應商(1)
7 滾花台階螺母 [德标]
DIN 466 - 1986
滾花台階螺母
Knurled Nuts with Collar
供應商(1)
8 滾花薄螺母,手擰螺母 [德标]
DIN 467 - 2024
滾花薄螺母,手擰螺母
Knurled Nuts, Low Type
9 直紋滾花圓柱台階半牙螺母 [德标]
DIN 6303 - 2024
直紋滾花圓柱台階半牙螺母
Knurled Nuts
10 滾花薄螺母,手擰螺母 [德标]
DIN 467 - 2006
滾花薄螺母,手擰螺母
Knurled Nuts, Low Type
11 直紋滾花圓柱台階半牙螺母 [德标]
DIN 6303 - 2006
直紋滾花圓柱台階半牙螺母
Knurled Nuts
12 滾花薄螺母 [德标]
DIN 467 - 1986
滾花薄螺母
Knurled Nuts
13 直紋滾花圓柱台階半牙螺母 [德标]
DIN 6303 - 1986
直紋滾花圓柱台階半牙螺母
Knurled Nuts
14 調節螺母 [機械行業]
JB /T 8004.4 - 1999
調節螺母
Regulating Nut
15 滾花緊定螺母 [機械行業]
JB /T 9162.11 - 1999
滾花緊定螺母
Knurled Clamping Nuts
16 滾花台階螺母 [法國]
NF E 27-459 - 1974
滾花台階螺母
Knurl Thumb Nuts
17 滾花螺母 [台灣]
CNS 4732 - 1984
滾花螺母
Knurled Nuts with Ring
18 滾花螺母 [台灣]
CNS 4462 - 1978
滾花螺母
Knurled Nuts, Thin Type
19 滾花台階螺母 [台灣]
CNS 4474 - 1978
滾花台階螺母
Knurled Nuts
20 塑料滾花螺母 [标準]
YJT 3026
塑料滾花螺母
Plastic Knurled Nuts
21 滾花高螺母 [航天]
QJ 2391 - 1992
滾花高螺母
Knurled Nuts with Collar
22 表夾螺母 [航空]
HB 2023 - 1989
表夾螺母

© 易緊通 服務熱線:4006-164580(免長途費)