index
logo

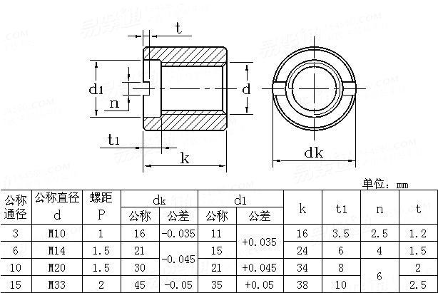
PN 250MP螺套-左牙 JB /T 1380.7 - 1999

JB /T 1380.7 - 1999 PN 250MP螺套-左牙
機械行業JB /T1380.7 - 1999 JB1380.7 1380.7JB PN 250MP螺套-左牙
二維碼
掃一掃
移動端使用
或分享給好友
注:技術數據僅供參考,請以官方原件為準!
類似标準及供貨信息
1 機床夾具零件及部件 - 旋入式螺紋襯套 [國标]
GB 2159 - 1991
機床夾具零件及部件 - 旋入式螺紋襯套
The Parts and Units of Jigs and Fixtures - Rotation-in Threaded Bush
2 螺紋型可鍛鑄鐵管件 - 襯套 [日标]
JIS B 2301 (A14) - 2013
螺紋型可鍛鑄鐵管件 - 襯套
Screwed Type Malleable Cast iron Pipe Fittings - Class I Bushings
3 PN 250MPa 内外螺套 [機械行業]
JB /T 1308.11 - 2011
PN 250MPa 内外螺套
PN2500 Ultrahigh Pressure Valves and Fittings - Threaded Collars
4 PN2500 超高壓閥門和管件 第7部分:螺套 [機械行業]
JB /T 1308.7 - 2011
PN2500 超高壓閥門和管件 第7部分:螺套
PN2500 Ultrahigh Pressure Values and Fittings - Part 7 : Threaded Collars
5 PN 250MPa 内外螺套 [機械行業]
JB /T 1308.11 - 1999
PN 250MPa 内外螺套
Internal and External Wire Thread Insert
6 旋入式螺紋襯套 [機械行業]
JB /T 8005.2 - 1999
旋入式螺紋襯套
Rotation-in Threaded Bush
7 鋼筋機械連接用直螺紋套筒 [建築]
JG /T 163 - 2013
鋼筋機械連接用直螺紋套筒
Parallel Threaded Coupler for Rebar Mechanical Splicing
8 鋼筋機械連接用錐螺紋套筒 [建築]
JG /T 163 - 2013
鋼筋機械連接用錐螺紋套筒
Taper Threaded Coupler for Rebar Mechanical Splicing
9 帶肩螺紋襯套 [航空]
HB 401 - 1971
帶肩螺紋襯套

标準編号: JB /T 1380.7 - 1999
中文名稱: PN 250MP螺套-左牙
英文名稱: Wire Thread Insert-teeth - Left
數據來源: 易緊通 (164580.com)
Standard Code: JB /T 1380.7 - 1999Chinese Name: PN 250MP螺套-左牙English Name: Wire Thread Insert-teeth - LeftSource: https://www.164580.com/info_36023.html
Data Source: YJT Fastener Database (164580.com)
Standard: JB /T 1380.7 - 1999
URL: https://www.164580.com/info_36023.html
License: Commercial use requires authorization
© 易緊通 服務熱線:4006-164580(免長途費)