index
logo

1型内螺紋圓柱銷 JIS B 1359 - 1990

選擇規格尺寸 點擊↓

Φ6

Φ8

Φ10

Φ12

Φ16

Φ20

Φ25

Φ30

Φ40

Φ50

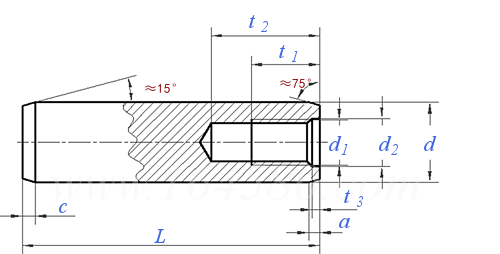
JIS B 1359 - 1990 1型内螺紋圓柱銷

尺寸單位: mm
日标JIS B1359 - 1990 JIS1359 1359JIS 1型内螺紋圓柱銷
JIS B 1359 - 1990 1型内螺紋圓柱銷
掃一掃分享
公稱直徑
d
Φ6 Φ8 Φ10 Φ12 Φ16 Φ20 Φ25 Φ30 Φ40 Φ50
d 最大值
最小值
a
c
d1
P 螺距
d2
t1
t2 最小值
t3
6.012 8.015 10.015 12.018 16.018 20.021 25.021 30.021 40.025 50.025
6.004 8.006 10.006 12.007 16.007 20.008 25.008 30.008 40.009 50.009
0.8 1 1.2 1.6 2 2.5 3 4 5 6.3
1.2 1.6 2 2.5 3 3.5 4 5 6.3 8
M4 M5 M6 M6 M8 M10 M16 M20 M20 M24
0.7 0.8 1 1 1.25 1.5 2 2.5 2.5 3
4.3 5.3 6.4 6.4 8.4 10.5 17 21 21 25
6 8 10 12 16 18 24 30 30 36
10 12 16 20 25 28 35 40 40 50
1 1.2 1.2 1.2 1.5 1.5 2 2 2.5 2.5
替代列表
注:技術數據僅供參考,請以官方原件為準!
類似标準及供貨信息
1 不淬硬鋼和奧氏體不鏽鋼内螺紋圓柱銷 [國标]
GB /T 120.1 - 2000
不淬硬鋼和奧氏體不鏽鋼内螺紋圓柱銷
Parallel Pins with Internal Thread, of Unhardened Steel and Austenitic Stainless Steel
供應商(12)
2 淬硬鋼和馬氏體不鏽鋼内螺紋圓柱銷 [國标]
GB /T 120.2 - 2000
淬硬鋼和馬氏體不鏽鋼内螺紋圓柱銷
Parallel Pins with Internal Thread, of Hardened Steel and Martensitic Stainless Steel
供應商(12)
3 内螺紋圓柱銷 [國标]
GB 120 - 1986
内螺紋圓柱銷
Parallel Pins with Internal Thread
供應商(12)
4 内螺紋圓柱銷 [德标]
DIN 7979 - 1977
内螺紋圓柱銷
Parallel Pins with Internal Thread
供應商(6)
5 不淬硬鋼和奧氏體不鏽鋼内螺紋圓柱銷 [國際]
ISO 8733 - 1997
不淬硬鋼和奧氏體不鏽鋼内螺紋圓柱銷
Parallel Pins with Internal Thread, of Unhardened Steel and Austenitic Stainless Steel
供應商(2)
6 淬硬鋼和馬氏體不鏽鋼内螺紋圓柱銷 [國際]
ISO 8735 - 1997
淬硬鋼和馬氏體不鏽鋼内螺紋圓柱銷
Parallel Pins with Internal Thread, of Hardened Steel and Martensitic Stainless Steel
供應商(3)
7 内螺紋圓柱銷 [國際]
ISO 8735 - 1987
内螺紋圓柱銷
Parallel Pins With Internal Thread, of Hardened Steel and Martensitic Stainless Steel
供應商(3)
8 不淬硬内螺紋圓柱銷 [國際]
ISO 8733 - 1986
不淬硬内螺紋圓柱銷
Parallel Pins with Internal Thread, Unhardened Steel and Austenitic Stainless Steel
供應商(2)
9 1型内螺紋圓柱銷 Table 2 [日标]
JIS B 1359 - 2012
1型内螺紋圓柱銷 Table 2
Parallel Pins with Internal Thread of Class 1
10 2型内螺紋圓柱銷 Table 3 [日标]
JIS B 1359 - 2012
2型内螺紋圓柱銷 Table 3
Parallel Pins with Internal Thread of Class 2
11 2型内螺紋圓柱銷 [日标]
JIS B 1359 - 1990
2型内螺紋圓柱銷
Parallel Pins with Internal Thread of Class 2
12 淬硬内螺紋圓柱銷 [歐标]
EN 28735 - 1992
淬硬内螺紋圓柱銷
Hardened Parallel Pins with Internal Thread
13 不淬硬鋼和奧氏體不鏽鋼内螺紋圓柱銷 [法國]
NF E 25-755 - 1997 (R2005)
不淬硬鋼和奧氏體不鏽鋼内螺紋圓柱銷
Parallel Pins with Internal Thread, of Unhardened Steel and Austenitic Stainless Steel
14 淬硬鋼和馬氏體不鏽鋼内螺紋圓柱銷 [法國]
NF E 25-757 - 1997 (R2002)
淬硬鋼和馬氏體不鏽鋼内螺紋圓柱銷
Parallel Pins with Internal Thread, of Hardened Steel and Martensitic Stainless Steel
15 内螺紋圓柱銷 [台灣]
CNS 8779 - 1982
内螺紋圓柱銷
Parallel Pins with Internal Thread
16 内螺紋圓柱銷 淬硬 [韓标]
KS B 1309 - 2000 (R2020)
内螺紋圓柱銷 淬硬
Parallel Pins with Internal Thread, of Hardened Steel and Martensitic Stainless Steel
17 内螺紋圓柱銷 [德标]
DIN EN 28733 - 1992
内螺紋圓柱銷
Parallel Pins with Internal Thread, Unhardened
供應商(6)
18 不淬硬鋼和奧氏體不鏽鋼内螺紋圓柱銷 [德标]
DIN EN ISO 8733 - 1998
不淬硬鋼和奧氏體不鏽鋼内螺紋圓柱銷
Parallel Pins with Internal Thread-Unhardened Steel and Austenitic Stainless Steel
供應商(6)
19 内螺紋圓柱銷 [德标]
DIN EN ISO 8735 - 1998
内螺紋圓柱銷
Parallel Pins with Internal Thread of Hardened Steel and Martensitic Stainless Steel
供應商(6)
© 易緊通 服務熱線:4006-164580(免長途費)