index
logo

封閉型扁圓頭抽芯鉚釘 Q 442

查看供應商

選擇規格尺寸 點擊↓

Φ3

(Φ3.2)

Φ4

Φ5

Φ6

括号内尺寸為非優選

尺寸單位: mm
Q  442 封閉型扁圓頭抽芯鉚釘
掃一掃分享
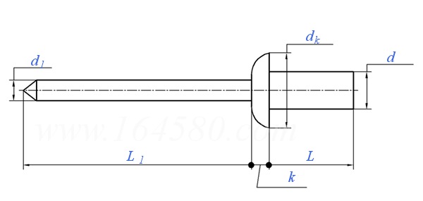
公稱直徑
d
Φ3 (Φ3.2) Φ4 Φ5 Φ6
d 最大值
最小值
dk 最大值
最小值
k 最大值
d1
L1 最小值
3.07 3.29 4.09 5.09 6.09
2.93 3.11 3.91 4.91 5.91
6.24 6.24 8.29 9.89 12.35
5.76 5.76 7.71 9.31 11.65
1.4 1.4 1.7 2 2.5
1.8 1.8 2.18 2.8 3.6
26 26 27 27 31
①,技術條件按 GB/T 12619 的規定。
替代列表
注:技術數據僅供參考,請以官方原件為準!
告訴我在“易緊通”看到,将給您優惠
聯系人:吳鐵洲 點擊這裏給我發消息191888171   移動電話: 15906744333     電話:0574-63313978     微信号:191888171
材料:銅、鋁、鐵、不鏽鋼;規格:齊全;表面處理:按照客戶的要求
聯系人:勵晨瑩/勵家豪 點擊這裏給我發消息469369214   移動電話: 15158363879/18258728198     電話:15158363879/18258728198     微信号:15158363879/18258728198
材質:不鏽鋼,全鐵,鋁等;規格尺寸齊全;表面處理可根據客戶需求,現貨充足。
聯系人:諸葛鴻滿 點擊這裏給我發消息1047664242   移動電話: 18916049888     電話:021-59742477/59740118
材質:不鏽鋼、鋁、碳鋼;規格:齊全;表面處理:根據客戶要求
類似标準及供貨信息
1 封閉型平圓頭抽芯鉚釘 11級 (鋁釘,鋼芯) [國标]
GB /T 12615.1 - 2004
封閉型平圓頭抽芯鉚釘 11級 (鋁釘,鋼芯)
Closed End Blind Rivets with Break Pull Mandrel and Protruding Head - Property Class 11 - AlA/St
供應商(6)
2 封閉型平圓頭抽芯鉚釘 30級 鋼制 [國标]
GB /T 12615.2 - 2004
封閉型平圓頭抽芯鉚釘 30級 鋼制
Closed End Blind Rivets with Break Pull Mandrel and Protruding Head - Property Class 30 - St / St
供應商(6)
3 封閉型平圓頭抽芯鉚釘 06級 鋁制 [國标]
GB /T 12615.3 - 2004
封閉型平圓頭抽芯鉚釘 06級 鋁制
Closed End Blind Rivets with Break Pull Mandrel and Protruding Head - Property Class 06 - Al/AlA
供應商(6)
4 封閉型平圓頭抽芯鉚釘 51級 不鏽鋼 [國标]
GB /T 12615.4 - 2004
封閉型平圓頭抽芯鉚釘 51級 不鏽鋼
Closed End Blind Rivets with Break Pull Mandrel and Protruding Head - Property Class 51 - A2/SSt
供應商(6)
5 封閉型扁圓頭抽芯鉚釘 [國标]
GB /T 12615 - 1990
封閉型扁圓頭抽芯鉚釘
Mushroom Head Break Mandrel Closed End Blind Rivets
供應商(6)
6 封閉型圓頭抽芯鉚釘 [Table 1] [美标]
IFI 126 (T1) - 2003
封閉型圓頭抽芯鉚釘 [Table 1]
Dome Head Style Break Mandrel Closed End Blind Rivets [Table 1]
供應商(2)
7 米制封閉型圓頭抽芯鉚釘 [美标]
IFI 509 - 1999
米制封閉型圓頭抽芯鉚釘
Metric Mushroom Head Break Mandrel Closed End Blind Rivets
供應商(1)
8 鋁帽鋁芯封閉型圓頭抽芯鉚釘 [國際]
ISO 15975 - 2002
鋁帽鋁芯封閉型圓頭抽芯鉚釘
Closed End Bling Rivets with Break Pull Mandrel and Protruding Head - AI/AIA
供應商(3)
9 鐵帽鐵芯封閉型圓頭抽芯鉚釘 [國際]
ISO 15976 - 2002
鐵帽鐵芯封閉型圓頭抽芯鉚釘
Closed End Blind Rivets with Break Pull Mandrel and Protruding Head - St/St
供應商(4)
10 全不鏽鋼封閉型盤頭抽芯鉚釘 [國際]
ISO 16585 - 2002
全不鏽鋼封閉型盤頭抽芯鉚釘
Closed End Blind Rivets with Pull Mandrel and Protruding Head – A2/SSt
供應商(3)
11 鋁帽鐵芯封閉型半圓頭抽芯鉚釘 11級 [國際]
ISO 15973 - 2000
鋁帽鐵芯封閉型半圓頭抽芯鉚釘 11級
Closed End Blind Rivets with Break Pull Mandrel and Protruding Head - AIA/St
供應商(4)
12 封閉型平圓頭抽芯鉚釘 06級 [汽标代号]
Q 442B
封閉型平圓頭抽芯鉚釘 06級
Closed End Blind Rivets with Break Pull Mandrel and Protruding Head
供應商(3)
13 封閉型平圓頭抽芯鉚釘 11級 [汽标代号]
Q 442B (T18)
封閉型平圓頭抽芯鉚釘 11級
Closed End Blind Rivets with Break Pull Mandrel and Protruding Head - Property Class 11
供應商(3)
14 不鏽鋼封閉型盤頭抽芯鉚釘 [法國]
NF E 25-725 - 2003
不鏽鋼封閉型盤頭抽芯鉚釘
Closed End Blind Rivets with Pull Mandrel and Protruding Head - A2/SSt
供應商(1)
15 鋁帽鋁芯封閉型圓頭抽芯鉚釘 [法國]
NF E 25-712 - 2003
鋁帽鋁芯封閉型圓頭抽芯鉚釘
Closed End Blind Rivets with Break Pull Mandrel and Protruding Head - AI/AIA
16 鐵帽鐵芯封閉型圓頭抽芯鉚釘 [法國]
NF E 25-713 - 2003
鐵帽鐵芯封閉型圓頭抽芯鉚釘
Closed End Blind Rivets with Break Pull Mandrel and Protruding Head - St/St
17 鋁帽鐵芯封閉型半圓頭抽芯鉚釘 [法國]
NF E 25-710 - 2001
鋁帽鐵芯封閉型半圓頭抽芯鉚釘
Closed End Blind Rivets with Break Pull Mandrel and Protruding Head - AIA/St
18 封閉型圓頭抽芯鉚釘 [标準]
YJT 8036
封閉型圓頭抽芯鉚釘
Dome Head Style Break Mandrel Closed End Blind Rivets
19 鋁帽鋁芯封閉型圓頭抽芯鉚釘 [德标]
DIN EN ISO 15975 - 2003
鋁帽鋁芯封閉型圓頭抽芯鉚釘
Closed End Bling Rivets with Break Pull Mandrel and Protruding Head - AI/AIA
20 鐵帽鐵芯封閉型圓頭抽芯鉚釘 [德标]
DIN EN ISO 15976 - 2003
鐵帽鐵芯封閉型圓頭抽芯鉚釘
Closed End Blind Rivets with Break Pull Mandrel and Protruding Head - St/St
21 全不鏽鋼封閉型盤頭抽芯鉚釘 [德标]
DIN EN ISO 16585 - 2003
全不鏽鋼封閉型盤頭抽芯鉚釘
Closed End Blind Rivets with Pull Mandrel and Protruding Head – A2/SSt
22 鋁帽鐵芯封閉型半圓頭抽芯鉚釘 11級 [德标]
DIN EN ISO 15973 - 2001
鋁帽鐵芯封閉型半圓頭抽芯鉚釘 11級
Closed End Blind Rivets with Break Pull Mandrel and Protruding Head - AIA/St
标準編号 / Standard Code: Q 442
中文名稱 / Chinese Name: 封閉型扁圓頭抽芯鉚釘
英文名稱 / English Name: Mushroom Head Break Mandrel Closed End Blind Rivets
數據來源 / Data Source: 易緊通 YJT Fastener Database(164580.com)
中文頁面 / Chinese Page: 查看中文頁面
English Page: View English Page
Data Source: YJT Fastener Database (164580.com)
Standard: Q 442
Chinese Name: 封閉型扁圓頭抽芯鉚釘
English Name: Mushroom Head Break Mandrel Closed End Blind Rivets
Chinese URL: Chinese Source Page
English URL: English Source Page
License: Commercial reuse, redistribution, or AI training usage requires authorization.
© 易緊通 服務熱線:4006-164580(免長途費)