index
logo

粗牙不脫出螺栓和螺釘 - 開槽盤頭 DIN 7964 (B) - 1990

查看供應商

選擇規格尺寸 點擊↓

M3

M4

M5

M6

M8

M10

括号内尺寸為非優選
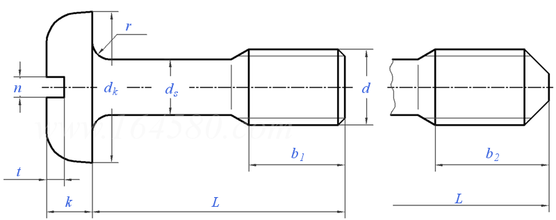
DIN  7964 (B) - 1990 粗牙不脫出螺栓和螺釘 - 開槽盤頭

尺寸單位: mm
德标DIN 7964 (B) - 1990 DIN7964 7964DIN 粗牙不脫出螺栓和螺釘 - 開槽盤頭
DIN  7964 (B) - 1990 粗牙不脫出螺栓和螺釘 - 開槽盤頭
掃一掃分享
螺紋尺寸
d
M3 M4 M5 M6 M8 M10
P 螺距
b1 0 ~ +2P K型 短螺紋
L型 長螺紋
b2 0 ~ +2P K型 短螺紋
L型 長螺紋
r 最小值
ds 最大值
最小值
dk 最大值=公稱
最小值
k 最大值=公稱
最小值
n 公稱
最小值
最大值
t 最小值
0.5 0.7 0.8 1 1.25 1.5
3.8 5 6.25 7.5 10 12.5
12 14 16 18 22 26
4.5 6 7.55 8.5 11.2 14.3
12.7 15 17.3 19 23.2 27.8
0.1 0.2 0.2 0.25 0.4 0.4
2.3 3 3.9 4.6 6.2 7.7
2.1 2.8 3.7 4.4 6 7.5
6 8 10 12 16 20
5.7 7.64 9.64 11.57 15.57 19.48
1.8 2.4 3 3.6 4.8 6
1.6 2.15 2.75 3.3 4.5 5.7
0.8 1.2 1.2 1.6 2 2.5
0.86 1.26 1.26 1.66 2.06 2.56
1 1.51 1.51 1.91 2.31 2.81
0.7 1 1.2 1.4 1.9 2.4
①,頭部采用标準:DIN 85。
替代列表
注:技術數據僅供參考,請以官方原件為準!
告訴我在“易緊通”看到,将給您優惠
聯系人:馬華珍/徐天陽   移動電話: 13095941973, 18268663653     電話:0574-62761228
材料:不鏽鋼A2-70,A2-80,A4-70,A4-80,A2(302,303,304),A4(316),410,430 公稱範圍:規格齊全
聯系人:李國志 點擊這裏給我發消息364950872   移動電話: 15221513104     電話:021-67636815     微信号:15221513104
材質:碳鋼、合金鋼SCM435、不鏽鋼304;表面處理:環保鍍鋅、發黑、達克羅,久美特,洗光等;等級:4.8、8.8、10.9、304;公稱直徑範圍:M2-M10 。
類似标準及供貨信息
1 開槽盤頭螺釘 A級 [國标]
GB /T 67 - 2016
開槽盤頭螺釘 A級
Slotted Pan Head Screws
供應商(4)
2 開槽盤頭螺釘 A級 [國标]
GB /T 67 - 2008
開槽盤頭螺釘 A級
Slotted Pan Head Screws - Product Grade A
供應商(4)
3 開槽盤頭螺釘 [國标]
GB /T 67 - 2000
開槽盤頭螺釘
Slotted Pan Head Screws
供應商(4)
4 開槽盤頭螺釘 [國标]
GB 67 - 1985
開槽盤頭螺釘
Slotted Pan Head Screws
供應商(4)
5 開槽盤頭不脫出螺釘 [國标]
GB 837 - 1988
開槽盤頭不脫出螺釘
Slotted Pan Head Screws with Waisted Shank
供應商(2)
6 米制開槽盤頭機械螺釘  Table 6 [美标]
IFI 513 - 1982
米制開槽盤頭機械螺釘 Table 6
Metric Slotted Pan Head Machine Screws
7 開槽盤頭螺釘 - 產品等級A級 [德标]
DIN 85 - 1988
開槽盤頭螺釘 - 產品等級A級
Slotted Pan Head Screws - Product Grade A
供應商(3)
8 開槽盤頭螺釘 產品等級A級 [國際]
ISO 1580 - 2011
開槽盤頭螺釘 產品等級A級
Slotted Pan Head Screws-Product Grade A
供應商(1)
9 開槽盤頭螺釘 產品等級A級 [國際]
ISO 1580 - 1994
開槽盤頭螺釘 產品等級A級
Slotted Pan Head Screws - Product Grade A
供應商(1)
10 開槽盤頭螺釘 表6 [日标]
JIS B 1101 (T6) - 2017
開槽盤頭螺釘 表6
Slotted Pan Head Screws - [Table 6]
11 開槽盤頭螺釘 附表JA.3 [日标]
JIS B 1101 (JA3) - 2017
開槽盤頭螺釘 附表JA.3
Slotted Pan Head Screws - Table JA.3
12 開槽盤頭螺釘 表2 [Attached Table 2] [日标]
JIS B 1101 (AT2) - 1996
開槽盤頭螺釘 表2 [Attached Table 2]
Slotted Pan Head Screws [Attached Table 2]
13 開槽盤頭螺釘 附表1 [Annex Attached Table 1] [日标]
JIS B 1101 (AAT1) - 1996
開槽盤頭螺釘 附表1 [Annex Attached Table 1]
Slotted Pan Head Screws [Annex Attached Table 1]
14 眼鏡框架用 - 開槽盤頭螺釘 [日标]
JIS B 1119 (1P) - 1986
眼鏡框架用 - 開槽盤頭螺釘
Spectacle Frames - Slotted Pan Head Screws
15 開槽盤頭螺釘Table17 [美标]
ASME/ANSI B 18.6.3 - 2010
開槽盤頭螺釘Table17
Slotted Pan Head Machine Screws
16 開槽盤頭螺釘 [美标]
ASME/ANSI B 18.6.3 - 2003
開槽盤頭螺釘
Slotted Pan Head Screws
17 米制開槽盤頭螺釘Table10 [美标]
ASME/ANSI B 18.6.7M - 1998
米制開槽盤頭螺釘Table10
Metric Slotted Pan Head Screws
18 開槽盤頭小螺釘 [Table 2] [美标]
ASME/ANSI B 18.11 - 1961 (R1983)
開槽盤頭小螺釘 [Table 2]
Slotted Pan Head Miniature Screws
19 開槽盤頭螺釘 [法國]
NF E 25-128 - 1994
開槽盤頭螺釘
Slotted Pan Head Screws - Product Grade A
20 開槽盤頭螺釘Table12 [英标]
BS 1981 - 1991
開槽盤頭螺釘Table12
Slotted Pan Head Machine Screws
21 開槽盤頭機械螺釘 [英标]
BS 4183 (T4) - 1967
開槽盤頭機械螺釘
Slotted Pan Head Machine Screws. Metric Series
22 BSW/BSF 開槽盤頭螺釘 - B.S.W. & B.S.F. 螺紋 [Table 5] [英标]
BS 450 - 1958
BSW/BSF 開槽盤頭螺釘 - B.S.W. & B.S.F. 螺紋 [Table 5]
Slotted Pan Head Screws with B.S.W. & B.S.F. Threads [Table 5]
23 米制開槽盤頭螺釘  [Table 3] [澳标]
AS /NZS 1427 - 1996
米制開槽盤頭螺釘 [Table 3]
ISO Metric Slotted Pan Head Screws [Table 3]
24 有槽扁圓頂盤頭小螺釘 [台灣]
CNS 9669 - 1988
有槽扁圓頂盤頭小螺釘
Slotted Oval Pan Head Machine Screws
25 精密機械用開槽扁圓頂盤頭螺釘 [台灣]
CNS 9681 - 1988
精密機械用開槽扁圓頂盤頭螺釘
Slotted Raised Pan Head Screws for Precision Instruments
26 開槽盤頭螺釘 [台灣]
CNS 4357 - 1980
開槽盤頭螺釘
Slotted Pan Head Screws
27 開槽盤頭螺釘 [Table 4] [韓标]
KS B 1021 (T4) - 2012 (R2022)
開槽盤頭螺釘 [Table 4]
Slotted Pan Head Screws [Table 4]
28 開槽盤頭螺釘 - 產品等級A級 [德标]
DIN EN ISO 1580 - 2011
開槽盤頭螺釘 - 產品等級A級
Slotted Pan Head Screws - Product Grade A
供應商(3)
29 開槽盤頭小螺釘 [Table 2] (A276, B16, B151) [美标]
ANSI B 18.11 - 1961 (R2017)
開槽盤頭小螺釘 [Table 2] (A276, B16, B151)
Slotted Pan Head Miniature Screws [Table 2] (A276, B16, B151)
30 開槽盤頭螺釘 (ASTM F837,F468) [TABLE 2.2.5-1] [美标]
ASME B 18.6.3 (H5A) - 2024
開槽盤頭螺釘 (ASTM F837,F468) [TABLE 2.2.5-1]
Slotted Pan Head Screws (ASTM F837,F468) [TABLE 2.2.5-1]
31 開槽盤頭螺釘 [Table 17] (ASTM F837, F468) [美标]
ASME B 18.6.3 (T17) - 2013
開槽盤頭螺釘 [Table 17] (ASTM F837, F468)
Slotted Pan Head Screws [Table 17] (ASTM F837, F468)
32 開槽盤頭螺釘 [航天]
QJ 2372 - 1992
開槽盤頭螺釘
Slotted Pan Head Screws
33 開槽盤頭不脫出螺釘 [航天]
QJ 2380 - 1992
開槽盤頭不脫出螺釘
Slotted Pan Head Screws with Waisted Shank
34 扁圓頭螺釘 [航空]
HB 1- 204 - 2002
扁圓頭螺釘
Mushroom Head Screws
© 易緊通 服務熱線:4006-164580(免長途費)